
ГОСУДАРСТВЕННЫЙ СТАНДАРТ
СОЮЗА ССР
ПРОФИЛИ ПРЕССОВАННЫЕ
ПРЯМОУГОЛЬНЫЕ РАВНОПОЛОЧНОГО
ТАВРОВОГО СЕЧЕНИЯ ИЗ АЛЮМИНИЕВЫХ
И МАГНИЕВЫХ СПЛАВОВ
СОРТАМЕНТ
ГОСТ 13622-91
ГОСУДАРСТВЕННЫЙ
КОМИТЕТ СССР
ПО УПРАВЛЕНИЮ КАЧЕСТВОМ ПРОДУКЦИИ И СТАНДАРТАМ
МОСКВА
ГОСУДАРСТВЕННЫЙ СТАНДАРТ СОЮЗА ССР
ПРОФИЛИ ПРЕССОВАННЫЕ ПРЯМОУГОЛЬНЫЕ
РАВНОПОЛОЧНОГО ТАВРОВОГО СЕЧЕНИЯ
ИЗ АЛЮМИНИЕВЫХ И МАГНИЕВЫХ СПЛАВОВ
Сортамент
Extruded rectangular
equishelf T-section shapes of
aluminium and magnesium alloys. Dimensions
|
ГОСТ
13622-91
|
Дата введения 01.01.92
Настоящий стандарт устанавливает сортамент
прессованных прямоугольных профилей равнополочного таврового сечения из
алюминия, алюминиевых и магниевых сплавов, изготовляемых методом горячего
прессования. Требования стандарта являются обязательными.
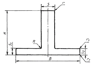
1. Номера профилей и их
размеры должны соответствовать приведенным на чертеже и в табл. 1.

Таблица 1
Номер профиля
|
Размеры, мм
|
Площадь сечения, см2
|
Диаметр описанной окружности, мм
|
Теоретическая масса 1 м, кг
|
Н
|
В
|
S
|
S1
|
S2
|
R
|
r
|
Алюминиевый сплав
|
Магниевый сплав
|
420001
|
3,0
|
18,0
|
14,0
|
1,5
|
1,5
|
0,5
|
-
|
0,481
|
18
|
0,137
|
0,087
|
420002
|
3,5
|
20,5
|
7,0
|
1,5
|
1,5
|
-
|
-
|
0,447
|
21
|
0,128
|
0,081
|
420004
|
4,5
|
32,0
|
12,0
|
1,2
|
1,2
|
2,0
|
-
|
0,797
|
32
|
0,227
|
0,143
|
420005
|
5,0
|
6,0
|
2,0
|
2,0
|
2,0
|
-
|
-
|
0,180
|
7
|
0,051
|
0,032
|
420010
|
6,0
|
30,0
|
3,0
|
2,0
|
2,0
|
1,0
|
1,0
|
0,720
|
30
|
0,205
|
0,130
|
420011
|
6,0
|
35,0
|
1,2
|
1,2
|
1,2
|
1,5
|
-
|
0,487
|
35
|
0,139
|
0,088
|
420718
|
6,5
|
14,0
|
10,0
|
3,0
|
3,0
|
-
|
-
|
0,770
|
16
|
0,219
|
0,139
|
420012
|
6,5
|
27,0
|
1,6
|
1,3
|
1,3
|
1,6
|
-
|
0,445
|
27
|
0,127
|
0,080
|
420013
|
6,5
|
30,0
|
10,0
|
1,5
|
1,5
|
1,0
|
-
|
0,954
|
30
|
0,272
|
0,172
|
420014
|
7,0
|
16,2
|
12,0
|
2,0
|
2,0
|
-
|
-
|
0,924
|
17
|
0,263
|
0,166
|
420016
|
7,0
|
50,0
|
20,0
|
2,0
|
2,0
|
3,0
|
-
|
2,039
|
50
|
0,581
|
0,367
|
420017
|
7,5
|
11,0
|
4,5
|
2,2
|
2,2
|
0,5
|
-
|
0,482
|
12
|
0,137
|
0,087
|
420020
|
8,0
|
25,0
|
1,0
|
1,0
|
1,0
|
2,0
|
0,5
|
0,366
|
25
|
0,096
|
0,060
|
420021
|
9,0
|
50,0
|
2,0
|
1,5
|
1,5
|
0,8
|
-
|
0,453
|
20
|
0,129
|
0,081
|
420022
|
10,0
|
10,0
|
2,0
|
3,0
|
3,0
|
-
|
-
|
0,440
|
13
|
0,125
|
0,079
|
420023
|
10,0
|
20,5
|
10,0
|
7,0
|
7,0
|
0,5
|
-
|
1,736
|
22
|
0,495
|
0,312
|
420024
|
10,0
|
25,0
|
3,0
|
2,5
|
2,5
|
-
|
-
|
0,850
|
25
|
0,242
|
0,153
|
420720
|
10,0
|
40,0
|
1,5
|
1,5
|
1,5
|
2,0
|
-
|
0,745
|
40
|
0,212
|
0,134
|
420717
|
10,0
|
100,0
|
96,0
|
3,0
|
3,0
|
-
|
-
|
9,720
|
100
|
2,770
|
1,750
|
420028
|
11,0
|
8,0
|
1,0
|
2,0
|
2,0
|
0,5
|
-
|
0,231
|
12
|
0,072
|
0,045
|
420029
|
11,0
|
30,0
|
10,0
|
3,0
|
3,0
|
-
|
-
|
1,700
|
30
|
0,485
|
0,306
|
420030
|
11,5
|
50,0
|
11,0
|
3,0
|
3,0
|
3,0
|
5,5
|
2,344
|
50
|
0,668
|
0,422
|
420031
|
12,0
|
30,0
|
1,0
|
1,2
|
1,2
|
2,0
|
-
|
0,485
|
30
|
0,138
|
0,087
|
420723
|
12,0
|
35,0
|
3,0
|
3,0
|
3,0
|
3,0
|
-
|
1,359
|
35
|
0,387
|
0,245
|
420724
|
12,5
|
32,0
|
8,0
|
3,0
|
3,0
|
2,0
|
-
|
1,737
|
33
|
0,495
|
0,313
|
420033
|
12,5
|
60,0
|
5,0
|
2,5
|
2,5
|
6,0
|
-
|
2,155
|
60
|
0,614
|
0,388
|
420725
|
13,0
|
22,0
|
2,0
|
1,5
|
1,5
|
1,0
|
1,0
|
0,560
|
23
|
0,160
|
0,101
|
420034
|
13,0
|
22,0
|
11,0
|
6,5
|
6,5
|
-
|
-
|
2,145
|
23
|
0,611
|
0,386
|
420035
|
13,0
|
64,0
|
34,0
|
3,0
|
3,0
|
5,0
|
3,0
|
5,298
|
64
|
1,510
|
0,954
|
420036
|
14,0
|
28,0
|
3,0
|
4,0
|
4,0
|
0,5
|
0,5
|
1,420
|
29
|
0,405
|
0,256
|
420040
|
15,0
|
25,0
|
1,0
|
1,0
|
1,0
|
2,0
|
0,5
|
0,406
|
26
|
0,116
|
0,073
|
420042
|
15,0
|
35,0
|
2,5
|
2,0
|
2,0
|
2,5
|
1,2
|
1,046
|
35
|
0,298
|
0,188
|
420727
|
15,0
|
40,0
|
1,5
|
1,5
|
1,5
|
2,0
|
-
|
0,820
|
40
|
0,234
|
0,148
|
420043
|
15,0
|
49,0
|
2,0
|
2,0
|
2,0
|
0,5
|
0,5
|
1,240
|
49
|
0,353
|
0,223
|
420044
|
15,0
|
58,0
|
1,5
|
1,5
|
1,5
|
4,0
|
-
|
1,141
|
58
|
0,325
|
0,206
|
420045
|
15,0
|
72,0
|
2,0
|
2,0
|
2,0
|
3,0
|
-
|
1,739
|
72
|
0,496
|
0,313
|
420048
|
16,0
|
5,0
|
1,5
|
1,0
|
1,0
|
0,5
|
0,5
|
0,275
|
16
|
0,078
|
0,050
|
420049
|
16,0
|
28,6
|
6,4
|
1,6
|
1,6
|
1,6
|
-
|
1,390
|
28
|
0,396
|
0,250
|
420050
|
16,0
|
30,0
|
1,5
|
1,5
|
1,5
|
1,5
|
0,7
|
0,676
|
30
|
0,192
|
0,122
|
420051
|
16,0
|
36,0
|
16,0
|
4,0
|
4,0
|
-
|
2,0
|
3,343
|
37
|
0,953
|
0,602
|
420052
|
16,0
|
60,0
|
4,0
|
4,5
|
4,5
|
4,0
|
2,0
|
3,212
|
60
|
0,915
|
0,578
|
420053
|
16,0
|
60,0
|
17,0
|
3,0
|
3,0
|
3,0
|
-
|
4,049
|
60
|
1,154
|
0,729
|
420054
|
16,0
|
62,0
|
17,0
|
3,0
|
3,0
|
0,5
|
-
|
4,071
|
62
|
1,160
|
0,733
|
420055
|
17,0
|
32,0
|
1,2
|
1,2
|
1,2
|
2,0
|
0,6
|
0,589
|
32
|
0,168
|
0,106
|
420728
|
18,0
|
24,0
|
12,0
|
4,0
|
4,0
|
0,5
|
3,0
|
2,602
|
27
|
0,742
|
0,469
|
420729
|
18,0
|
25,0
|
10,0
|
10,0
|
10,0
|
3,0
|
1,0
|
3,335
|
33
|
0,950
|
0,600
|
420058
|
18,0
|
40,0
|
1,2
|
1,0
|
1,0
|
3,0
|
-
|
0,643
|
40
|
0,183
|
0,116
|
420059
|
18,0
|
40,0
|
3,0
|
4,5
|
4,5
|
2,5
|
1,5
|
2,222
|
40
|
0,633
|
0,400
|
420061
|
18,0
|
50,0
|
1,5
|
2,0
|
2,0
|
2,0
|
0,7
|
1,255
|
50
|
0,358
|
0,226
|
420063
|
19,0
|
50,0
|
2,0
|
2,0
|
2,0
|
3,0
|
-
|
1,379
|
50
|
0,393
|
0,248
|
420064
|
20,0
|
10,0
|
2,0
|
2,0
|
2,0
|
1,0
|
-
|
0,564
|
21
|
0,161
|
0,102
|
420065
|
20,0
|
15,0
|
1,5
|
1,5
|
1,5
|
1,5
|
0,7
|
0,510
|
23
|
0,145
|
0,092
|
420066
|
20,0
|
24,0
|
1,5
|
1,5
|
1,5
|
1,5
|
0,7
|
0,645
|
27
|
0,184
|
0,116
|
420067
|
20,0
|
25,0
|
7,0
|
3,0
|
3,0
|
1,0
|
-
|
1,944
|
27
|
0,554
|
0,350
|
420068
|
20,0
|
30,0
|
1,5
|
1,5
|
1,5
|
2,0
|
0,7
|
0,743
|
31
|
0,212
|
0,134
|
420069
|
20,0
|
30,0
|
2,0
|
1,5
|
1,5
|
2,0
|
1,0
|
0,833
|
31
|
0,237
|
0,150
|
420070
|
20,0
|
32,0
|
1,2
|
1,2
|
1,2
|
2,0
|
0,6
|
0,625
|
32
|
0,178
|
0,113
|
420071
|
20,0
|
35,0
|
1,5
|
1,5
|
1,5
|
2,0
|
-
|
0,820
|
35
|
0,234
|
0,148
|
420072
|
20,0
|
35,0
|
3,0
|
4,0
|
4,0
|
0,5
|
-
|
1,881
|
35
|
0,536
|
0,339
|
420073
|
20,0
|
36,0
|
1,2
|
1,4
|
1,4
|
2,0
|
-
|
0,744
|
36
|
0,212
|
0,134
|
420074
|
20,0
|
37,0
|
2,0
|
2,0
|
2,0
|
2,0
|
-
|
1,117
|
37
|
0,318
|
0,201
|
420075
|
20,0
|
38,0
|
1,5
|
2,0
|
2,0
|
2,0
|
-
|
1,047
|
38
|
0,298
|
0,188
|
420076
|
20,0
|
40,0
|
1,5
|
1,5
|
1,5
|
2,0
|
0,5
|
0,894
|
40
|
0,255
|
0,161
|
420077
|
20,0
|
40,0
|
2,0
|
2,0
|
2,0
|
2,0
|
-
|
1,177
|
40
|
0,335
|
0,212
|
420078
|
20,0
|
40,0
|
2,5
|
2,5
|
2,5
|
3,0
|
0,5
|
1,475
|
40
|
0,420
|
0,266
|
420079
|
20,0
|
40,0
|
3,0
|
2,0
|
2,0
|
3,0
|
-
|
1,379
|
40
|
0,393
|
0,248
|
420080
|
20,0
|
42,0
|
2,0
|
2,0
|
2,0
|
3,0
|
-
|
1,239
|
42
|
0,353
|
0,223
|
420082
|
20,0
|
48,0
|
1,5
|
1,5
|
1,5
|
1,5
|
0,7
|
1,005
|
49
|
0,286
|
0,181
|
420084
|
20,0
|
50,0
|
1,5
|
1,5
|
1,5
|
3,5
|
-
|
1,080
|
50
|
0,308
|
0,194
|
420731
|
20,0
|
50,0
|
2,5
|
2,5
|
2,5
|
3,0
|
-
|
1,726
|
50
|
0,492
|
0,311
|
420085
|
20,0
|
50,0
|
3,5
|
2,0
|
2,0
|
4,0
|
-
|
1,699
|
50
|
0,484
|
0,306
|
420086
|
20,0
|
50,0
|
4,0
|
4,0
|
4,0
|
6,0
|
-
|
2,795
|
50
|
0,796
|
0,503
|
420088
|
20,0
|
50,0
|
4,0
|
5,0
|
5,0
|
6,0
|
-
|
3,255
|
60
|
0,928
|
0,586
|
420089
|
20,0
|
60,0
|
2,0
|
1,6
|
1,6
|
3,0
|
-
|
1,367
|
60
|
0,389
|
0,246
|
420090
|
20,0
|
60,0
|
20,0
|
3,0
|
3,0
|
3,0
|
10,0
|
4,810
|
60
|
1,371
|
0,866
|
420091
|
20,0
|
62,0
|
1,5
|
2,0
|
2,0
|
4,0
|
-
|
1,579
|
62
|
0,450
|
0,284
|
420732
|
20,0
|
63,5
|
3,5
|
3,5
|
3,5
|
2,5
|
-
|
2,827
|
64
|
0,806
|
0,509
|
420733
|
20,0
|
66,0
|
1,5
|
1,5
|
1,5
|
3,0
|
-
|
1,306
|
66
|
0,372
|
0,235
|
420092
|
20,0
|
70,0
|
1,4
|
1,0
|
1,0
|
3,0
|
-
|
1,005
|
70
|
0,286
|
0,181
|
420093
|
20,0
|
72,0
|
2,0
|
3,0
|
3,0
|
3,0
|
0,5
|
2,538
|
72
|
0,723
|
0,457
|
420095
|
21,0
|
42,0
|
2,0
|
2,0
|
2,0
|
3,0
|
-
|
1,259
|
42
|
0,359
|
0,227
|
420735
|
21,5
|
70,0
|
3,0
|
2,5
|
2,5
|
2,5
|
-
|
2,347
|
70
|
0,669
|
0,422
|
420736
|
22,0
|
20,0
|
1,5
|
2,0
|
2,0
|
2,0
|
-
|
0,717
|
27
|
0,204
|
0,129
|
420098
|
22,0
|
40,0
|
2,0
|
2,0
|
2,0
|
3,0
|
-
|
1,239
|
41
|
0,353
|
0,223
|
420099
|
22,0
|
48,0
|
1,4
|
1,4
|
1,4
|
1,5
|
-
|
0,970
|
48
|
0,276
|
0,175
|
420100
|
22,0
|
48,0
|
2,0
|
3,0
|
3,0
|
3,0
|
-
|
1,859
|
48
|
0,530
|
0,335
|
420101
|
22,0
|
50,0
|
2,0
|
2,0
|
3,5
|
3,0
|
-
|
1,799
|
50
|
0,513
|
0,324
|
420102
|
22,0
|
54,0
|
1,5
|
4,0
|
4,0
|
2,0
|
0,7
|
2,445
|
55
|
0,697
|
0,440
|
420104
|
22,0
|
60,0
|
26,0
|
3,5
|
3,5
|
4,0
|
13,0
|
6,254
|
60
|
1,782
|
1,126
|
420107
|
23,0
|
50,0
|
2,0
|
2,0
|
2,0
|
3,0
|
-
|
1,459
|
50
|
0,416
|
0,263
|
420109
|
23,0
|
50,0
|
2,0
|
4,0
|
4,0
|
3,0
|
-
|
2,419
|
50
|
0,689
|
0,435
|
420110
|
23,0
|
50,0
|
2,5
|
2,5
|
2,5
|
3,0
|
-
|
1,801
|
50
|
0,513
|
0,324
|
420111
|
23,0
|
56,0
|
1,8
|
1,8
|
1,8
|
3,0
|
-
|
1,428
|
56
|
0,407
|
0,257
|
420112
|
24,0
|
38,0
|
5,0
|
3,5
|
3,5
|
5,0
|
-
|
2,462
|
39
|
0,702
|
0,443
|
420113
|
24,0
|
47,0
|
1,0
|
1,0
|
1,0
|
3,0
|
-
|
0,739
|
48
|
0,211
|
0,133
|
420114
|
24,0
|
47,0
|
1,5
|
1,5
|
1,5
|
3,0
|
-
|
1,081
|
48
|
0,308
|
0,195
|
420115
|
24,0
|
47,0
|
24,0
|
10,0
|
10,0
|
1,0
|
-
|
8,064
|
48
|
2,298
|
1,452
|
420116
|
24,0
|
58,0
|
1,5
|
1,5
|
1,5
|
4,0
|
-
|
1,276
|
58
|
0,364
|
0,230
|
420117
|
24,0
|
66,0
|
2,5
|
2,0
|
2,0
|
3,0
|
0,5
|
1,908
|
66
|
0,544
|
0,343
|
420118
|
24,0
|
70,0
|
4,5
|
4,0
|
4,0
|
4,0
|
-
|
3,769
|
70
|
1,074
|
0,678
|
420119
|
25,0
|
6,0
|
2,0
|
15,0
|
15,0
|
0,5
|
0,5
|
1,100
|
26
|
0,314
|
0,198
|
420120
|
25,0
|
7,0
|
1,5
|
1,5
|
1,5
|
0,5
|
-
|
0,459
|
26
|
0,131
|
0,083
|
420121
|
25,0
|
25,0
|
2,5
|
2,5
|
2,5
|
3,0
|
-
|
1,226
|
31
|
0,349
|
0,221
|
420122
|
25,0
|
29,0
|
1,6
|
1,6
|
1,6
|
1,6
|
0,8
|
0,846
|
35
|
0,241
|
0,153
|
420123
|
25,0
|
34,0
|
2,0
|
2,0
|
2,0
|
3,0
|
-
|
1,179
|
37
|
0,336
|
0,212
|
420124
|
25,0
|
35,0
|
1,0
|
1,0
|
1,0
|
2,0
|
-
|
0,607
|
37
|
0,173
|
0,109
|
420125
|
25,0
|
35,0
|
1,5
|
1,5
|
1,5
|
2,0
|
0,7
|
0,893
|
37
|
0,255
|
0,161
|
420126
|
25,0
|
35,0
|
2,5
|
2,0
|
2,0
|
2,5
|
1,2
|
1,302
|
37
|
0,371
|
0,234
|
420127
|
25,0
|
40,0
|
2,0
|
2,0
|
2,0
|
2,0
|
1,0
|
1,273
|
41
|
0,363
|
0,229
|
420128
|
25,0
|
40,0
|
2,5
|
3,0
|
3,0
|
3,0
|
-
|
1,739
|
41
|
0,510
|
0,322
|
420129
|
25,0
|
40,0
|
3,0
|
2,0
|
2,0
|
3,0
|
1,5
|
1,519
|
41
|
0,433
|
0,273
|
420130
|
25,0
|
40,0
|
3,5
|
3,0
|
3,0
|
3,0
|
-
|
2,009
|
41
|
0,572
|
0,362
|
420737
|
25,0
|
42,0
|
4,0
|
6,0
|
9,0
|
2,0
|
-
|
3,867
|
44
|
1,102
|
0,696
|
420131
|
25,0
|
45,0
|
2,5
|
2,5
|
2,5
|
3,0
|
-
|
1,726
|
45
|
0,492
|
0,311
|
420132
|
25,0
|
45,0
|
3,0
|
3,0
|
3,0
|
3,0
|
1,5
|
2,039
|
45
|
0,581
|
0,367
|
420133
|
25,0
|
45,0
|
4,0
|
4,0
|
4,0
|
4,0
|
2,0
|
2,692
|
45
|
0,767
|
0,485
|
420135
|
25,0
|
48,0
|
1,5
|
1,5
|
1,5
|
1,5
|
-
|
1,082
|
48
|
0,308
|
0,195
|
420136
|
25,0
|
48,0
|
6,0
|
3,0
|
3,0
|
4,0
|
-
|
2,829
|
48
|
0,806
|
0,509
|
420138
|
25,0
|
50,0
|
2,0
|
2,0
|
2,0
|
3,0
|
-
|
1,499
|
50
|
0,427
|
0,270
|
420139
|
25,0
|
50,0
|
2,0
|
3,5
|
3,5
|
2,5
|
0,5
|
2,206
|
50
|
0,629
|
0,397
|
420140
|
25,0
|
50,0
|
2,5
|
2,5
|
2,5
|
3,0
|
-
|
1,851
|
50
|
0,528
|
0,333
|
420141
|
25,0
|
50,0
|
2,5
|
4,0
|
4,0
|
4,0
|
-
|
2,594
|
50
|
0,739
|
0,467
|
420142
|
25,0
|
50,0
|
3,0
|
3,0
|
3,0
|
3,0
|
-
|
2,199
|
50
|
0,627
|
0,396
|
420143
|
25,0
|
50,0
|
3,0
|
4,0
|
4,0
|
3,0
|
-
|
2,669
|
50
|
0,761
|
0,480
|
420738
|
25,0
|
52,0
|
2,0
|
2,0
|
2,0
|
3,0
|
-
|
1,539
|
52
|
0,439
|
0,277
|
420144
|
25,0
|
52,0
|
2,5
|
2,0
|
2,0
|
4,0
|
-
|
1,684
|
52
|
0,480
|
0,303
|
420145
|
25,0
|
56,0
|
2,0
|
2,0
|
2,0
|
3,0
|
0,5
|
1,618
|
56
|
0,461
|
0,291
|
420146
|
25,0
|
58,0
|
1,8
|
1,8
|
1,8
|
3,0
|
-
|
1,500
|
58
|
0,428
|
0,270
|
420147
|
25,0
|
59,0
|
39,0
|
10,0
|
10,0
|
1,0
|
-
|
11,754
|
62
|
3,350
|
2,116
|
420148
|
25,0
|
60,0
|
2,0
|
1,6
|
1,6
|
3,0
|
0,5
|
1,466
|
60
|
0,418
|
0,264
|
420149
|
25,0
|
60,0
|
2,5
|
3,0
|
3,0
|
3,0
|
-
|
2,389
|
60
|
0,681
|
0,430
|
420739
|
25,0
|
65,0
|
4,0
|
4,0
|
4,0
|
3,0
|
-
|
3,479
|
66
|
0,991
|
0,626
|
420150
|
25,0
|
66,0
|
2,5
|
3,0
|
3,0
|
3,0
|
-
|
2,569
|
68
|
0,732
|
0,462
|
420151
|
25,0
|
68,0
|
3,0
|
3,0
|
3,0
|
3,0
|
-
|
2,739
|
69
|
0,781
|
0,493
|
420152
|
25,0
|
70,0
|
5,0
|
2,5
|
2,5
|
6,0
|
-
|
3,030
|
70
|
0,863
|
0,545
|
420153
|
25,0
|
80,0
|
8,0
|
4,0
|
4,0
|
5,0
|
-
|
4,987
|
80
|
1,421
|
0,898
|
420154
|
25,0
|
85,0
|
5,0
|
3,5
|
4,0
|
3,0
|
-
|
4,289
|
85
|
1,222
|
0,772
|
420155
|
25,0
|
85,0
|
5,0
|
3,5
|
5,0
|
3,0
|
-
|
4,689
|
85
|
1,336
|
0,844
|
420157
|
26,0
|
38,0
|
2,0
|
2,5
|
2,5
|
2,0
|
-
|
4,555
|
40
|
0,443
|
0,280
|
420158
|
26,0
|
40,0
|
3,0
|
3,0
|
3,0
|
3,0
|
-
|
4,929
|
42
|
0,550
|
0,347
|
420159
|
26,0
|
40,0
|
3,0
|
4,5
|
4,5
|
2,5
|
-
|
2,472
|
42
|
0,704
|
0,445
|
420740
|
26,0
|
42,0
|
1,5
|
2,0
|
2,0
|
2,5
|
-
|
1,227
|
43
|
0,350
|
0,221
|
420160
|
26,0
|
48,0
|
4,0
|
4,0
|
4,0
|
3,0
|
-
|
2,839
|
49
|
0,809
|
0,511
|
420161
|
26,0
|
50,0
|
2,0
|
3,5
|
3,5
|
4,0
|
-
|
2,269
|
51
|
0,647
|
0,408
|
420162
|
26,0
|
50,0
|
3,0
|
4,5
|
4,5
|
2,5
|
0,5
|
2,921
|
51
|
0,832
|
0,526
|
420165
|
26,0
|
60,0
|
20,0
|
5,0
|
5,0
|
2,0
|
10,0
|
6,788
|
60
|
1,935
|
1,222
|
420166
|
26,0
|
72,0
|
6,5
|
6,0
|
6,0
|
4,0
|
-
|
5,689
|
73
|
1,621
|
1,024
|
420167
|
27,0
|
40,0
|
1,5
|
2,0
|
2,0
|
3,0
|
-
|
1,214
|
42
|
0,346
|
0,218
|
420741
|
27,0
|
44,0
|
14,0
|
7,0
|
7,0
|
2,0
|
-
|
5,897
|
46
|
1,681
|
1,061
|
420168
|
27,0
|
53,0
|
3,0
|
2,0
|
3,5
|
5,0
|
-
|
2,292
|
54
|
0,653
|
0,413
|
420169
|
27,0
|
54,0
|
28,6
|
3,2
|
3,2
|
3,2
|
14,3
|
7,702
|
55
|
2,445
|
1,514
|
420170
|
27,0
|
68,0
|
2,0
|
2,0
|
2,0
|
3,0
|
-
|
1,899
|
68
|
0,541
|
0,342
|
420171
|
27,5
|
38,0
|
6,0
|
2,0
|
2,0
|
3,0
|
-
|
2,329
|
41
|
0,664
|
0,419
|
420742
|
28,0
|
11,0
|
1,0
|
1,0
|
1,0
|
0,5
|
-
|
0,381
|
30
|
0,109
|
0,069
|
420744
|
28,0
|
24,0
|
6,0
|
4,0
|
4,0
|
-
|
-
|
2,400
|
37
|
0,684
|
0,432
|
420173
|
28,0
|
36,0
|
2,5
|
2,0
|
2,0
|
3,0
|
-
|
1,409
|
40
|
0,401
|
0,254
|
420174
|
28,0
|
45,0
|
5,0
|
3,0
|
3,0
|
3,0
|
-
|
2,639
|
46
|
0,752
|
0,475
|
420746
|
28,0
|
47,0
|
3,0
|
3,5
|
5,0
|
3,0
|
-
|
2,749
|
49
|
0,783
|
0,495
|
420176
|
28,0
|
53,0
|
3,5
|
4,5
|
4,5
|
3,5
|
1,7
|
3,248
|
53
|
0,926
|
0,585
|
420178
|
28,0
|
66,0
|
5,0
|
6,0
|
6,0
|
6,0
|
-
|
5,215
|
67
|
1,486
|
0,939
|
420179
|
28,0
|
68,0
|
5,0
|
6,0
|
6,0
|
6,0
|
-
|
5,335
|
69
|
1,520
|
0,960
|
420180
|
28,0
|
68,0
|
6,5
|
5,0
|
5,0
|
6,0
|
-
|
5,050
|
69
|
1,439
|
0,909
|
420181
|
28,0
|
68,0
|
6,5
|
8,0
|
8,0
|
6,0
|
-
|
6,895
|
69
|
1,965
|
1,241
|
420182
|
28,0
|
70,0
|
5,0
|
2,5
|
2,5
|
6,0
|
-
|
3,180
|
71
|
0,906
|
0,572
|
420745
|
28,0
|
122,0
|
42,0
|
11,0
|
14,0
|
5,0
|
-
|
21,867
|
122
|
6,232
|
3,936
|
420183
|
28,5
|
70,0
|
24,0
|
6,0
|
6,0
|
8,0
|
12,0
|
9,257
|
70
|
2,638
|
1,666
|
420184
|
28,5
|
80,0
|
24,0
|
4,0
|
4,0
|
8,0
|
12,0
|
8,737
|
80
|
2,490
|
1,573
|
420187
|
29,0
|
38,0
|
1,6
|
1,6
|
1,6
|
1,6
|
0,8
|
1,054
|
41
|
0,300
|
0,190
|
420188
|
29,0
|
47,0
|
2,0
|
2,0
|
2,0
|
3,0
|
-
|
1,519
|
48
|
0,433
|
0,273
|
420189
|
29,0
|
51,0
|
2,0
|
1,6
|
1,6
|
3,0
|
-
|
1,403
|
52
|
0,400
|
0,252
|
420747
|
29,0
|
56,0
|
2,0
|
2,0
|
2,0
|
3,0
|
-
|
1,690
|
57
|
0,484
|
0,306
|
420748
|
29,0
|
58,0
|
2,0
|
2,0
|
2,0
|
2,0
|
-
|
1,717
|
58
|
0,489
|
0,309
|
420190
|
29,0
|
58,0
|
2,5
|
2,5
|
2,5
|
2,5
|
-
|
2,139
|
58
|
0,610
|
0,385
|
420191
|
29,0
|
58,0
|
2,5
|
2,5
|
2,5
|
4,0
|
-
|
2,181
|
58
|
0,622
|
0,393
|
420192
|
29,0
|
58,0
|
3,5
|
3,5
|
3,5
|
4,0
|
-
|
2,991
|
58
|
0,852
|
0,538
|
420193
|
29,0
|
60,0
|
2,0
|
1,6
|
1,6
|
3,0
|
-
|
1,547
|
60
|
0,441
|
0,278
|
420194
|
29,0
|
60,0
|
2,0
|
5,0
|
5,0
|
4,0
|
0,5
|
3,548
|
60
|
1,011
|
0,639
|
420195
|
29,0
|
60,0
|
2,5
|
1,8
|
1,8
|
3,0
|
-
|
1,799
|
60
|
0,513
|
0,324
|
420196
|
29,5
|
41,0
|
9,5
|
4,0
|
4,0
|
1,5
|
-
|
4,072
|
43
|
1,161
|
0,733
|
420199
|
30,0
|
32,0
|
1,5
|
1,5
|
1,5
|
1,5
|
0,7
|
0,915
|
39
|
0,261
|
0,165
|
420200
|
30,0
|
33,0
|
3,0
|
2,0
|
2,0
|
3,0
|
-
|
1,539
|
39
|
0,439
|
0,277
|
420202
|
30,0
|
40,0
|
1,5
|
1,5
|
1,5
|
2,0
|
0,7
|
1,043
|
43
|
0,297
|
0,188
|
420203
|
30,0
|
40,0
|
2,0
|
2,0
|
2,0
|
2,0
|
1,0
|
1,373
|
43
|
0,391
|
0,247
|
420204
|
30,0
|
40,0
|
3,0
|
2,0
|
2,0
|
3,0
|
1,5
|
1,669
|
43
|
0,476
|
0,300
|
420206
|
30,0
|
42,0
|
1,5
|
2,0
|
2,0
|
3,0
|
-
|
1,299
|
45
|
0,370
|
0,234
|
420749
|
30,0
|
43,0
|
3,0
|
9,0
|
9,0
|
4,0
|
-
|
4,569
|
46
|
1,302
|
0,822
|
420207
|
30,0
|
45,0
|
2,0
|
3,0
|
3,0
|
3,0
|
-
|
1,929
|
47
|
0,550
|
0,347
|
420208
|
30,0
|
45,0
|
3,0
|
3,0
|
3,0
|
3,0
|
1,5
|
2,189
|
47
|
0,624
|
0,394
|
420209
|
30,0
|
45,0
|
4,0
|
6,5
|
6,5
|
5,0
|
-
|
3,972
|
47
|
1,132
|
0,715
|
420751
|
30,0
|
47,0
|
8,0
|
15,0
|
15,0
|
2,0
|
1,5
|
8,257
|
49
|
2,353
|
1,486
|
420210
|
30,0
|
48,0
|
6,0
|
5,0
|
5,0
|
4,0
|
-
|
3,969
|
49
|
1,131
|
0,714
|
420752
|
30,0
|
60,0
|
1,5
|
1,5
|
1,5
|
3,0
|
-
|
1,216
|
51
|
0,347
|
0,219
|
420212
|
30,0
|
50,0
|
3,0
|
4,0
|
4,0
|
3,0
|
1,5
|
2,809
|
51
|
0,801
|
0,506
|
420213
|
30,0
|
50,0
|
3,0
|
6,0
|
6,0
|
2,0
|
0,5
|
3,737
|
51
|
1,065
|
0,673
|
420753
|
30,0
|
50,0
|
8,0
|
10,0
|
10,0
|
5,0
|
1,0
|
6,703
|
51
|
1,910
|
1,207
|
420215
|
30,0
|
52,0
|
1,5
|
1,5
|
1,5
|
2,0
|
-
|
1,225
|
53
|
0,349
|
0,220
|
420216
|
30,0
|
52,0
|
4,0
|
2,5
|
2,5
|
4,0
|
-
|
2,469
|
53
|
0,704
|
0,444
|
420217
|
30,0
|
53,0
|
2,0
|
2,0
|
2,0
|
2,0
|
0,5
|
1,636
|
55
|
0,466
|
0,294
|
420218
|
30,0
|
53,0
|
3,5
|
4,5
|
4,5
|
3,5
|
1,7
|
3,318
|
55
|
0,946
|
0,597
|
420754
|
30,0
|
58,0
|
4,0
|
6,0
|
6,0
|
5,0
|
-
|
4,547
|
60
|
1,296
|
0,819
|
420755
|
30,0
|
60,0
|
2,0
|
2,5
|
2,5
|
3,0
|
-
|
2,089
|
60
|
0,595
|
0,376
|
420219
|
30,0
|
60,0
|
2,5
|
6,5
|
6,5
|
2,5
|
1,0
|
4,510
|
60
|
1,285
|
0,812
|
420220
|
30,0
|
60,0
|
5,0
|
4,5
|
4,5
|
5,0
|
1,0
|
4,078
|
60
|
1,162
|
0,734
|
420222
|
30,0
|
62,0
|
28,0
|
3,5
|
3,5
|
4,0
|
14,0
|
8,818
|
64
|
2,513
|
1,587
|
420223
|
30,0
|
64,5
|
6,5
|
8,0
|
8,0
|
6,0
|
-
|
6,745
|
65
|
1,922
|
1,214
|
420224
|
30,0
|
65,0
|
6,5
|
3,0
|
3,0
|
3,0
|
-
|
3,744
|
65
|
1,067
|
0,674
|
420225
|
30,0
|
68,0
|
3,0
|
3,5
|
3,5
|
3,0
|
0,5
|
3,213
|
68
|
0,916
|
0,578
|
420226
|
30,0
|
68,0
|
5,0
|
6,0
|
6,0
|
6,0
|
-
|
5,435
|
68
|
1,549
|
0,978
|
420227
|
30,0
|
68,0
|
5,0
|
7,0
|
7,0
|
6,0
|
-
|
6,065
|
68
|
1,728
|
1,092
|
420228
|
30,0
|
68,0
|
6,5
|
6,5
|
6,5
|
6,0
|
-
|
6,102
|
68
|
1,739
|
1,098
|
420229
|
30,0
|
70,0
|
3,5
|
3,5
|
3,5
|
3,5
|
0,5
|
3,429
|
70
|
0,977
|
0,617
|
420230
|
30,0
|
70,0
|
4,0
|
8,0
|
8,0
|
4,0
|
0,5
|
6,548
|
70
|
1,866
|
1,178
|
420756
|
30,0
|
72,0
|
2,0
|
2,5
|
2,5
|
3,0
|
-
|
2,389
|
72
|
0,681
|
0,430
|
420231
|
30,0
|
74,0
|
6,0
|
4,0
|
4,0
|
5,0
|
-
|
4,627
|
74
|
1,319
|
0,833
|
420232
|
30,0
|
75,0
|
6,5
|
8,0
|
8,0
|
3,0
|
-
|
7,469
|
75
|
2,129
|
1,344
|
420233
|
30,0
|
76,0
|
3,5
|
4,3
|
4,3
|
5,0
|
-
|
4,275
|
76
|
1,218
|
0,769
|
420234
|
300
|
80,0
|
4,0
|
4,0
|
4,0
|
4,0
|
0,5
|
4,308
|
80
|
1,228
|
0,775
|
420757
|
30,0
|
88,0
|
8,0
|
11,0
|
11,0
|
2,0
|
1,5
|
11,207
|
88
|
3,194
|
2,017
|
420236
|
30,0
|
100,0
|
5,0
|
10,0
|
10,0
|
4,0
|
1,5
|
11,059
|
101
|
3,152
|
1,990
|
420237
|
31,0
|
50,0
|
3,5
|
6,5
|
6,5
|
3,5
|
-
|
4,160
|
51
|
1,186
|
0,749
|
420758
|
31,0
|
50,0
|
5,0
|
6,0
|
6,0
|
5,0
|
-
|
4,357
|
51
|
1,242
|
0,784
|
420759
|
31,0
|
60,0
|
12,0
|
11,0
|
11,0
|
2,0
|
-
|
9,017
|
62
|
2,570
|
1,623
|
420760
|
31,0
|
66,0
|
30,0
|
18,0
|
18,0
|
4,0
|
-
|
15,849
|
69
|
4,517
|
2,853
|
422501
|
31,0
|
74,0
|
17,0
|
4,0
|
4,0
|
6,0
|
-
|
7,705
|
75
|
2,196
|
1,387
|
420761
|
32,0
|
12,0
|
2,0
|
2,0
|
2,0
|
-
|
-
|
0,840
|
33
|
0,239
|
0,151
|
420238
|
32,0
|
34,0
|
1,5
|
4,5
|
4,5
|
4,5
|
-
|
2,029
|
41
|
0,578
|
0,365
|
420239
|
32,0
|
34,0
|
2,0
|
2,0
|
2,0
|
3,0
|
-
|
1,319
|
41
|
0,376
|
0,237
|
420762
|
32,0
|
40,0
|
4,0
|
1,5
|
1,5
|
3,0
|
-
|
1,859
|
45
|
0,530
|
0,335
|
420242
|
32,0
|
45,0
|
3,0
|
3,0
|
3,0
|
3,0
|
-
|
2,259
|
48
|
0,644
|
0,407
|
420243
|
32,0
|
50,0
|
2,0
|
2,0
|
2,0
|
3,0
|
-
|
1,639
|
52
|
0,467
|
0,295
|
420763
|
32,0
|
50,0
|
2,0
|
5,0
|
5,0
|
3,0
|
-
|
3,079
|
52
|
0,877
|
0,554
|
420244
|
32,0
|
50,0
|
3,0
|
3,0
|
3,0
|
3,5
|
-
|
2,423
|
52
|
0,690
|
0,436
|
420246
|
32,0
|
56,0
|
3,5
|
6,5
|
6,5
|
3,5
|
-
|
4,585
|
57
|
1,307
|
0,825
|
420764
|
32,0
|
57,0
|
2,0
|
5,0
|
5,0
|
3,0
|
-
|
3,429
|
58
|
0,977
|
0,617
|
420836
|
32,0
|
60,0
|
5,0
|
4,5
|
4,5
|
5,0
|
-
|
4,182
|
60
|
1,192
|
0,753
|
420766
|
33,0
|
32,0
|
1,5
|
4,0
|
4,0
|
2,0
|
-
|
1,732
|
40
|
0,494
|
0,312
|
420248
|
33,0
|
45,0
|
4,0
|
9,0
|
9,0
|
6,0
|
0,5
|
5,164
|
48
|
1,472
|
0,930
|
420249
|
33,0
|
48,0
|
3,5
|
5,5
|
5,5
|
3,5
|
-
|
3,655
|
50
|
1,042
|
0,658
|
420767
|
33,0
|
50,0
|
2,0
|
5,5
|
5,5
|
3,0
|
-
|
3,339
|
52
|
0,952
|
0,601
|
420768
|
33,0
|
50,0
|
2,0
|
6,0
|
6,0
|
3,0
|
-
|
3,579
|
52
|
1,020
|
0,644
|
420251
|
33,0
|
64,0
|
3,0
|
7,0
|
7,0
|
5,0
|
-
|
5,367
|
65
|
1,530
|
0,966
|
420769
|
33,0
|
70,0
|
4,0
|
6,0
|
6,0
|
5,0
|
-
|
5,387
|
71
|
1,535
|
0,970
|
420770
|
33,5
|
52,5
|
2,5
|
2,5
|
2,5
|
4,0
|
-
|
2,156
|
55
|
0,615
|
0,388
|
420253
|
34,0
|
44,0
|
2,0
|
3,0
|
3,0
|
3,0
|
0,5
|
1,978
|
48
|
0,564
|
0,356
|
420254
|
34,0
|
50,0
|
5,0
|
5,0
|
5,0
|
4,5
|
-
|
4,037
|
52
|
1,151
|
0,727
|
420255
|
34,0
|
60,0
|
2,0
|
2,0
|
2,0
|
3,0
|
-
|
1,879
|
61
|
0,535
|
0,338
|
420250
|
34,0
|
70,0
|
4,0
|
5,0
|
5,0
|
4,0
|
-
|
4,729
|
70
|
1,348
|
0,851
|
420257
|
34,5
|
60,0
|
2,0
|
2,5
|
2,5
|
2,0
|
0,5
|
2,156
|
61
|
0,614
|
0,388
|
420259
|
35,0
|
25,0
|
2,1
|
2,0
|
2,0
|
3,0
|
-
|
1,232
|
40
|
0,351
|
0,222
|
420260
|
35,0
|
28,0
|
3,0
|
4,0
|
4,0
|
0,5
|
-
|
2,051
|
41
|
0,585
|
0,369
|
420261
|
35,0
|
30,0
|
3,0
|
4,0
|
4,0
|
1,0
|
0,5
|
2,133
|
41
|
0,608
|
0,384
|
420262
|
35,0
|
32,0
|
1,5
|
1,5
|
1,5
|
2,0
|
-
|
1,000
|
42
|
0,285
|
0,180
|
420263
|
35,0
|
34,0
|
2,0
|
2,0
|
2,0
|
2,0
|
1,0
|
1,353
|
43
|
0,386
|
0,244
|
420264
|
35,0
|
35,0
|
4,0
|
4,0
|
4,0
|
5,0
|
2,0
|
2,730
|
44
|
0,778
|
0,491
|
420265
|
35,0
|
36,0
|
15,0
|
4,5
|
4,5
|
5,0
|
-
|
6,302
|
45
|
1,796
|
1,134
|
420266
|
35,0
|
40,0
|
2,0
|
2,0
|
2,0
|
2,0
|
1,0
|
1,473
|
46
|
0,420
|
0,265
|
420267
|
35,0
|
40,0
|
3,0
|
3,0
|
3,0
|
3,0
|
-
|
2,199
|
46
|
0,627
|
0,396
|
420268
|
35,0
|
40,0
|
4,0
|
2,5
|
2,5
|
4,0
|
2,0
|
2,352
|
46
|
0,670
|
0,423
|
420269
|
35,0
|
44,0
|
2,0
|
2,0
|
2,0
|
3,0
|
-
|
1,579
|
49
|
0,450
|
0,284
|
420270
|
35,0
|
45,0
|
4,0
|
4,0
|
4,0
|
4,0
|
2,0
|
3,092
|
49
|
0,881
|
0,557
|
420271
|
35,0
|
46,0
|
2,0
|
2,0
|
2,0
|
2,0
|
1,0
|
1,593
|
50
|
0,454
|
0,287
|
420773
|
35,0
|
50,0
|
1,5
|
1,5
|
1,5
|
2,0
|
-
|
1,270
|
53
|
0,362
|
0,229
|
420774
|
35,0
|
50,0
|
2,5
|
2,0
|
2,0
|
4,0
|
-
|
1,894
|
53
|
0,540
|
0,341
|
420272
|
35,0
|
50,0
|
3,5
|
8,0
|
8,0
|
6,0
|
-
|
5,100
|
53
|
1,453
|
0,918
|
420273
|
35,0
|
60,0
|
3,5
|
4,3
|
4,3
|
5,0
|
-
|
3,762
|
61
|
1,072
|
0,677
|
420275
|
35,0
|
62,0
|
2,0
|
3,0
|
3,0
|
3,0
|
0,5
|
2,538
|
62
|
0,723
|
0,457
|
420276
|
35,0
|
64,0
|
2,0
|
5,5
|
5,5
|
2,0
|
1,0
|
4,123
|
64
|
1,175
|
0,742
|
420277
|
35,0
|
65,0
|
5,0
|
6,0
|
6,0
|
3,0
|
-
|
6,389
|
65
|
1,536
|
0,970
|
420777
|
35,0
|
66,0
|
6,0
|
6,0
|
6,0
|
5,0
|
-
|
5,807
|
66
|
1,655
|
1,045
|
420778
|
35,0
|
68,0
|
3,0
|
3,0
|
3,0
|
3,0
|
1,0
|
3,035
|
68
|
0,865
|
0,546
|
420278
|
35,0
|
76,0
|
3,5
|
3,5
|
3,5
|
3,5
|
-
|
3,815
|
76
|
1,087
|
0,687
|
420279
|
35,0
|
76,0
|
18,0
|
15,5
|
15,5
|
0,5
|
-
|
15,291
|
78
|
4,358
|
2,752
|
420280
|
35,0
|
80,0
|
3,0
|
9,0
|
9,0
|
4,0
|
-
|
8,049
|
80
|
2,294
|
1,449
|
420281
|
35,0
|
90,0
|
3,5
|
6,0
|
6,0
|
5,0
|
-
|
6,522
|
90
|
1,859
|
1,174
|
420282
|
35,0
|
90,0
|
5,0
|
7,0
|
7,0
|
4,0
|
-
|
7,769
|
90
|
2,214
|
1,398
|
420283
|
30,0
|
14,0
|
6,0
|
10,0
|
10,0
|
2,0
|
-
|
2,977
|
38
|
0,848
|
0,536
|
420779
|
36,0
|
20,0
|
1,5
|
2,5
|
2,5
|
2,0
|
-
|
1,020
|
39
|
0,291
|
0,184
|
420284
|
36,0
|
36,0
|
3,0
|
4,0
|
4,0
|
5,0
|
-
|
2,507
|
45
|
0,715
|
0,451
|
420286
|
36,0
|
52,0
|
1,5
|
2,5
|
2,5
|
2,0
|
-
|
1,820
|
54
|
0,519
|
0,328
|
420287
|
36,0
|
58,0
|
6,5
|
6,5
|
6,5
|
6,5
|
3,2
|
5,825
|
59
|
1,660
|
1,049
|
420288
|
36,0
|
60,0
|
6,0
|
12,0
|
12,0
|
5,0
|
-
|
8,747
|
61
|
2,493
|
1,575
|
420289
|
36,0
|
68,0
|
6,5
|
4,0
|
4,0
|
6,0
|
-
|
4,955
|
69
|
1,412
|
0,892
|
420290
|
36,0
|
70,0
|
32,0
|
5,0
|
5,0
|
5,0
|
16,0
|
12,429
|
72
|
3,542
|
2,237
|
420291
|
36,0
|
80,0
|
8,0
|
6,0
|
6,0
|
5,0
|
-
|
7,307
|
80
|
2,083
|
1,315
|
420292
|
36,0
|
93,0
|
2,4
|
5,0
|
5,0
|
3,0
|
-
|
5,433
|
93
|
1,548
|
0,978
|
420293
|
36,0
|
96,0
|
16,0
|
16,5
|
16,5
|
0,5
|
-
|
18,961
|
96
|
5,404
|
3,413
|
420294
|
37,0
|
80,0
|
3,5
|
6,0
|
6,0
|
4,0
|
-
|
5,954
|
80
|
1,697
|
1,072
|
420295
|
37,0
|
140,0
|
6,0
|
13,0
|
13,0
|
5,0
|
3,0
|
19,708
|
141
|
5,617
|
3,547
|
420782
|
38,0
|
45,0
|
1,5
|
1,5
|
1,5
|
2,0
|
-
|
1,240
|
53
|
0,353
|
0,223
|
420298
|
38,0
|
50,0
|
3,5
|
3,5
|
3,5
|
4,0
|
-
|
3,026
|
54
|
0,862
|
0,545
|
420299
|
38,0
|
50,0
|
4,8
|
4,8
|
4,8
|
1,6
|
-
|
4,005
|
54
|
1,141
|
0,721
|
420301
|
38,0
|
56,0
|
12,5
|
4,0
|
4,0
|
4,5
|
-
|
6,577
|
58
|
1,874
|
1,184
|
420303
|
38,0
|
60,0
|
6,5
|
4,0
|
4,0
|
3,0
|
3,2
|
4,605
|
62
|
1,312
|
0,829
|
420304
|
38,0
|
76,0
|
3,5
|
4,5
|
4,5
|
3,5
|
1,7
|
4,633
|
77
|
1,320
|
0,834
|
420305
|
38,0
|
76,0
|
5,0
|
5,0
|
5,0
|
4,0
|
2,5
|
5,492
|
77
|
1,565
|
0,989
|
420306
|
38,3
|
44,0
|
5,0
|
5,0
|
5,0
|
4,0
|
2,5
|
3,907
|
51
|
1,113
|
0,703
|
420307
|
38,3
|
76,0
|
5,0
|
3,5
|
3,5
|
4,0
|
-
|
4,469
|
76
|
1,274
|
0,804
|
420308
|
38,3
|
76,0
|
5,0
|
5,0
|
5,0
|
4,0
|
2,5
|
5,507
|
77
|
1,569
|
0,991
|
420310
|
39,0
|
50,0
|
13,0
|
4,0
|
4,0
|
3,0
|
-
|
6,589
|
54
|
1,878
|
1,186
|
420783
|
39,0
|
60,0
|
1,5
|
2,0
|
2,0
|
2,5
|
-
|
1,782
|
62
|
0,508
|
0,321
|
420311
|
39,0
|
70,0
|
2,5
|
5,5
|
5,5
|
3,5
|
0,5
|
4,739
|
71
|
1,351
|
0,853
|
420312
|
39,0
|
166,0
|
8,0
|
12,0
|
12,0
|
6,0
|
-
|
22,235
|
167
|
6,337
|
4,002
|
420784
|
39,3
|
50,5
|
11,3
|
5,0
|
5,0
|
5,0
|
-
|
6,508
|
56
|
1,855
|
1,171
|
420786
|
40,0
|
30,0
|
2,0
|
3,0
|
3,0
|
3,0
|
-
|
1,679
|
46
|
0,478
|
0,302
|
420313
|
10,0
|
30,0
|
2,5
|
4,0
|
4,0
|
2,0
|
1,2
|
2,111
|
46
|
0,602
|
0,380
|
420314
|
40,0
|
32,0
|
2,0
|
2,0
|
2,0
|
2,0
|
-
|
1,417
|
46
|
0,404
|
0,255
|
420316
|
40,0
|
36,0
|
5,0
|
5,0
|
5,0
|
5,0
|
3,0
|
3,618
|
48
|
1,031
|
0,651
|
420319
|
10,0
|
40,0
|
3,0
|
3,0
|
3,0
|
3,0
|
-
|
2,349
|
50
|
0,669
|
0,423
|
420320
|
40,0
|
45,0
|
3,0
|
3,0
|
3,0
|
3,0
|
1,5
|
2,489
|
53
|
0,709
|
0,448
|
420321
|
40,0
|
45,0
|
3,5
|
6,5
|
6,5
|
4,0
|
-
|
4,166
|
53
|
1,187
|
0,750
|
420322
|
40,0
|
45,0
|
3,5
|
6,5
|
6,5
|
4,0
|
3,2
|
4,122
|
53
|
1,175
|
0,742
|
420323
|
40,0
|
45,0
|
4,0
|
4,0
|
4,0
|
4,0
|
2,0
|
3,292
|
53
|
0,938
|
0593
|
420787
|
40,0
|
50,0
|
2,0
|
2,0
|
2,0
|
3,0
|
-
|
1,799
|
56
|
0,513
|
0,324
|
420324
|
40,0
|
50,0
|
2,0
|
3,5
|
3,5
|
3,5
|
0,5
|
2,532
|
56
|
0,722
|
0,456
|
420325
|
40,0
|
50,0
|
3,5
|
6,5
|
6,5
|
4,0
|
-
|
4,491
|
56
|
1,280
|
0,808
|
420326
|
40,0
|
50,0
|
3,5
|
8,0
|
8,0
|
5,0
|
-
|
5,227
|
56
|
1,490
|
0,941
|
420827
|
40,0
|
50,0
|
4,0
|
3,0
|
3,0
|
3,0
|
-
|
3,019
|
56
|
0,860
|
0,543
|
420328
|
40,0
|
50,0
|
5,0
|
5,0
|
5,0
|
3,0
|
-
|
4,289
|
56
|
1,222
|
0,772
|
420329
|
40,0
|
50,0
|
5,0
|
3,0
|
3,0
|
4,5
|
-
|
3,437
|
56
|
0,980
|
0,619
|
420330
|
40,0
|
52,0
|
5,0
|
10,1
|
10,1
|
4,0
|
-
|
6,816
|
57
|
1,942
|
1,227
|
420788
|
40,0
|
54,0
|
5,0
|
6,0
|
6,0
|
4,0
|
-
|
5,009
|
58
|
1,427
|
0,902
|
420332
|
40,0
|
57,0
|
6,0
|
10,0
|
10,0
|
5,0
|
1,0
|
7,603
|
60
|
2,167
|
1,369
|
420333
|
40,0
|
57,0
|
14,0
|
20,0
|
20,0
|
3,0
|
2,0
|
14,222
|
61
|
4,053
|
2,560
|
420334
|
40,0
|
60,0
|
3,0
|
4,0
|
4,0
|
4,0
|
-
|
3,549
|
62
|
1,011
|
0,639
|
420789
|
40,0
|
60,0
|
6,5
|
8,0
|
8,0
|
3,0
|
-
|
6,919
|
62
|
1,972
|
1,245
|
420335
|
40,0
|
65,0
|
4,0
|
5,0
|
5,0
|
6,0
|
-
|
4,805
|
66
|
1,369
|
0,865
|
420336
|
40,0
|
65,0
|
6,0
|
4,5
|
4,5
|
2,0
|
3,0
|
5,072
|
66
|
1,446
|
0,913
|
420790
|
40,0
|
66,0
|
6,0
|
12,5
|
12,5
|
3,0
|
-
|
9,939
|
67
|
2,833
|
1,789
|
420791
|
40,0
|
66,0
|
12,0
|
6,0
|
6,0
|
4,0
|
-
|
8,109
|
67
|
2,311
|
1,460
|
420337
|
40,0
|
68,0
|
6,5
|
8,0
|
8,0
|
6,0
|
-
|
7,675
|
69
|
2,187
|
1,381
|
420338
|
40,0
|
80,0
|
5,0
|
8,5
|
8,5
|
5,0
|
-
|
8,482
|
81
|
2,417
|
1,527
|
420792
|
40,0
|
80,0
|
10,0
|
6,0
|
6,0
|
5,0
|
2,0
|
8,290
|
81
|
2,363
|
1,492
|
420339
|
40,0
|
90,0
|
10,0
|
10,0
|
10,0
|
4,0
|
-
|
12,069
|
91
|
3,440
|
2,172
|
420340
|
40,0
|
93,0
|
4,0
|
3,0
|
3,0
|
3,0
|
-
|
4,309
|
93
|
1,228
|
0,776
|
420341
|
40,0
|
120,0
|
5,0
|
6,0
|
6,0
|
2,5
|
2,5
|
8,900
|
120
|
2,537
|
1,602
|
420342
|
40,5
|
57,0
|
4,0
|
6,0
|
6,0
|
3,0
|
1,0
|
4,835
|
60
|
1,378
|
0,870
|
420343
|
41,0
|
40,0
|
3,5
|
4,5
|
4,5
|
5,0
|
-
|
3,185
|
51
|
0,908
|
0,573
|
420344
|
41,0
|
42,0
|
2,4
|
2,4
|
2,4
|
3,5
|
-
|
1,987
|
53
|
0,566
|
0,358
|
420345
|
41,0
|
50,0
|
3,5
|
4,5
|
4,5
|
3,5
|
-
|
3,580
|
56
|
1,020
|
0,644
|
420347
|
41,0
|
58,0
|
3,5
|
6,5
|
6,5
|
4,0
|
-
|
5,046
|
62
|
1,438
|
0,908
|
420348
|
41,0
|
76,0
|
3,5
|
4,3
|
4,3
|
5,0
|
-
|
4,660
|
77
|
1,328
|
0,839
|
420349
|
41,0
|
76,0
|
3,5
|
4,5
|
4,5
|
5,0
|
-
|
4,805
|
77
|
1,369
|
0,865
|
420350
|
41,0
|
76,0
|
7,0
|
4,5
|
4,5
|
3,0
|
-
|
6,014
|
77
|
1,714
|
1,082
|
420793
|
41,0
|
78,0
|
6,0
|
11,0
|
11,0
|
3,0
|
-
|
10,419
|
80
|
2,969
|
1,875
|
420794
|
41,5
|
30,0
|
1,5
|
2,5
|
2,5
|
2,0
|
-
|
1,352
|
47
|
0,385
|
0,243
|
420351
|
41,5
|
63,5
|
3,5
|
3,5
|
3,5
|
2,5
|
-
|
3,579
|
66
|
1,020
|
0,644
|
420352
|
41,5
|
63,5
|
3,5
|
3,5
|
3,5
|
2,5
|
1,7
|
3,567
|
66
|
1,017
|
0,542
|
420853
|
41,5
|
63,5
|
4,2
|
4,2
|
4,2
|
3,0
|
2,0
|
4,255
|
66
|
1,213
|
0,766
|
420355
|
42,0
|
76,0
|
3,5
|
5,0
|
5,0
|
3,5
|
-
|
5,148
|
77
|
1,467
|
0,927
|
420795
|
42,0
|
76,0
|
3,5
|
6,5
|
3,0
|
3,0
|
-
|
4,952
|
77
|
1,411
|
0,891
|
420356
|
42,0
|
76,0
|
3,5
|
6,5
|
6,5
|
3,5
|
-
|
6,235
|
77
|
1,777
|
1,122
|
430796
|
42,0
|
127,0
|
4,0
|
6,0
|
6,0
|
4,0
|
-
|
9,129
|
128
|
2,602
|
1,643
|
420797
|
42,5
|
90,0
|
30,0
|
10,0
|
10,0
|
3,0
|
-
|
18,789
|
93
|
5,355
|
3,382
|
420358
|
43,0
|
50,0
|
2,0
|
3,0
|
3,0
|
3,0
|
0,5
|
2,338
|
58
|
0,666
|
0,421
|
420359
|
43,0
|
100,0
|
3,0
|
5,0
|
5,0
|
4,0
|
0,5
|
6,208
|
104
|
1,769
|
1,117
|
420360
|
43,5
|
60,0
|
6,0
|
5,0
|
5,0
|
5,0
|
-
|
5,417
|
64
|
1,544
|
0,975
|
420361
|
43,5
|
76,0
|
3,5
|
4,3
|
4,3
|
5,0
|
-
|
4,747
|
77
|
1,353
|
0,855
|
420798
|
44,0
|
80,0
|
12,0
|
12,5
|
12,5
|
5,0
|
-
|
13,887
|
82
|
3,958
|
2,500
|
420363
|
45,0
|
36,0
|
1,2
|
1,2
|
1,2
|
2,0
|
-
|
0,975
|
52
|
0,278
|
0,175
|
420364
|
45,0
|
40,0
|
2,2
|
2,2
|
2,2
|
3,0
|
-
|
1,860
|
54
|
0,530
|
0,335
|
420365
|
45,0
|
42,0
|
2,5
|
2,5
|
2,5
|
3,0
|
0,5
|
2,150
|
55
|
0,613
|
0,387
|
420366
|
45,0
|
50,0
|
2,6
|
5,0
|
5,0
|
3,0
|
0,5
|
3,578
|
59
|
1,020
|
0,644
|
420367
|
45,0
|
50,0
|
4,0
|
3,0
|
3,0
|
6,0
|
-
|
3,335
|
59
|
0,950
|
0,600
|
420368
|
45,0
|
50,0
|
5,0
|
15,0
|
15,0
|
5,0
|
1,0
|
9,103
|
59
|
2,594
|
1,639
|
420369
|
45,0
|
50,0
|
6,5
|
8,0
|
8,0
|
6,0
|
-
|
6,560
|
59
|
1,869
|
1,181
|
420370
|
45,0
|
52,0
|
6,0
|
10,0
|
10,0
|
3,0
|
-
|
7,339
|
60
|
2,092
|
1,321
|
420371
|
45,0
|
60,0
|
2,6
|
5,0
|
5,0
|
3,0
|
0,5
|
4,078
|
65
|
1,162
|
0,734
|
420801
|
45,0
|
65,0
|
4,1
|
7,35
|
7,35
|
5,0
|
-
|
6,428
|
68
|
1,832
|
1,157
|
420373
|
45,0
|
68,0
|
8,0
|
5,0
|
5,0
|
5,0
|
-
|
6,707
|
70
|
1,912
|
1,207
|
420802
|
45,0
|
70,0
|
10,0
|
8,0
|
8,0
|
6,0
|
-
|
9,455
|
72
|
2,695
|
1,702
|
420375
|
45,0
|
70,0
|
29,0
|
17,0
|
17,0
|
3,0
|
-
|
20,059
|
72
|
5,717
|
3,611
|
420376
|
45,0
|
79,0
|
13,0
|
7,0
|
7,0
|
3,0
|
-
|
10,509
|
80
|
2,995
|
1,892
|
420804
|
45,0
|
80,0
|
10,0
|
8,0
|
8,0
|
6,0
|
-
|
10,255
|
81
|
2,923
|
1,846
|
420805
|
45,0
|
82,0
|
8,0
|
16,0
|
16,0
|
3,0
|
-
|
15,479
|
84
|
4,411
|
2,786
|
420806
|
45,0
|
84,0
|
4,0
|
13,0
|
13,0
|
4,0
|
-
|
12,269
|
86
|
3,497
|
2,208
|
420377
|
45,0
|
93,0
|
2,5
|
2,5
|
2,5
|
3,0
|
-
|
3,426
|
93
|
0,976
|
0,617
|
420378
|
45,8
|
36,8
|
2,0
|
2,0
|
2,0
|
1,6
|
-
|
1,623
|
52
|
0,463
|
0,292
|
420379
|
46,0
|
21,5
|
3,5
|
2,5
|
2,5
|
3,0
|
-
|
2,099
|
49
|
0,598
|
0,378
|
420380
|
46,0
|
45,0
|
1,5
|
1,5
|
1,5
|
3,5
|
-
|
1,395
|
57
|
0,398
|
0,251
|
422502
|
46,0
|
46,0
|
4,0
|
4,0
|
4,0
|
6,0
|
-
|
3,675
|
58
|
1,047
|
0,661
|
420381
|
46,0
|
55,0
|
15,0
|
6,0
|
6,0
|
4,0
|
-
|
9,369
|
63
|
2,670
|
1,686
|
420808
|
46,0
|
83,0
|
25,0
|
16,0
|
16,0
|
3,0
|
-
|
20,819
|
85
|
5,933
|
3,747
|
420382
|
46,0
|
88,0
|
3,5
|
2,5
|
2,5
|
3,0
|
-
|
3,761
|
89
|
1,072
|
0,677
|
420383
|
46,2
|
50,0
|
1,5
|
4,0
|
4,0
|
3,0
|
-
|
2,672
|
60
|
0,761
|
0,481
|
422503
|
47,0
|
38,0
|
1,8
|
2,0
|
2,0
|
3,0
|
-
|
1,609
|
56
|
0,458
|
0,290
|
420384
|
47,0
|
40,0
|
2,0
|
2,0
|
2,0
|
3,0
|
-
|
1,739
|
56
|
0,496
|
0,313
|
420386
|
47,0
|
93,0
|
7,0
|
5,0
|
8,0
|
3,0
|
-
|
8,919
|
93
|
2,542
|
1,605
|
420387
|
47,5
|
93,0
|
4,0
|
5,0
|
5,0
|
3,0
|
-
|
6,389
|
93
|
1,821
|
1,150
|
420388
|
47,6
|
60,4
|
25,4
|
15,9
|
15,9
|
3,2
|
12,7
|
17,007
|
68
|
4,847
|
3,061
|
420809
|
48,0
|
46,0
|
1,5
|
2,0
|
2,0
|
1,0
|
-
|
1,614
|
58
|
0,460
|
0,291
|
420390
|
48,0
|
60,0
|
2,5
|
3,0
|
3,0
|
4,0
|
-
|
2,994
|
67
|
0,853
|
0,539
|
420810
|
48,0
|
65,0
|
2,0
|
5,0
|
5,0
|
6,0
|
-
|
4,265
|
70
|
1,215
|
0,768
|
420391
|
48,0
|
65,0
|
8,0
|
6,0
|
6,0
|
5,0
|
-
|
7,367
|
70
|
2,100
|
1,326
|
420392
|
48,0
|
68,0
|
3,5
|
6,0
|
6,0
|
3,0
|
-
|
5,589
|
72
|
1,593
|
1,006
|
420811
|
48,0
|
80,0
|
4,0
|
8,0
|
8,0
|
4,0
|
1,0
|
8,065
|
80
|
2,299
|
1,452
|
420812
|
48,0
|
88,0
|
20,0
|
10,0
|
10,0
|
4,0
|
-
|
16,469
|
89
|
4,694
|
2,964
|
420393
|
50,0
|
18,0
|
3,0
|
7,0
|
7,0
|
4,0
|
-
|
2,619
|
52
|
0,746
|
0,471
|
420814
|
50,0
|
38,0
|
2,5
|
2,5
|
2,5
|
2,0
|
-
|
2,155
|
57
|
0,614
|
0,388
|
420394
|
50,0
|
40,0
|
1,5
|
1,5
|
1,5
|
3,0
|
0,5
|
1,365
|
58
|
0,389
|
0,246
|
420395
|
50,0
|
41,0
|
3,0
|
5,0
|
5,0
|
5,0
|
-
|
3,507
|
59
|
1,000
|
0,631
|
420396
|
50,0
|
42,0
|
1,4
|
1,8
|
1,8
|
2,0
|
-
|
1,448
|
59
|
0,413
|
0,261
|
420397
|
50,0
|
42,0
|
2,0
|
2,0
|
2,0
|
2,0
|
-
|
1,817
|
59
|
0,518
|
0,327
|
420898
|
50,0
|
45,0
|
4,5
|
8,0
|
8,0
|
6,0
|
-
|
5,645
|
60
|
1,609
|
1,016
|
420399
|
50,0
|
46,0
|
2,0
|
2,0
|
2,0
|
1,0
|
-
|
1,884
|
60
|
0,537
|
0,339
|
420401
|
50,0
|
50,0
|
1,5
|
1,5
|
1,5
|
2,0
|
0,5
|
1,494
|
62
|
0,426
|
0,269
|
420402
|
50,0
|
50,0
|
4,0
|
16,0
|
16,0
|
4,0
|
1,0
|
9,425
|
62
|
2,686
|
1,697
|
420403
|
50,0
|
50,0
|
6,5
|
8,0
|
8,0
|
6,0
|
-
|
6,885
|
62
|
1,962
|
1,239
|
420405
|
50,0
|
53,0
|
4,0
|
5,0
|
5,0
|
4,0
|
2,0
|
4,502
|
64
|
1,283
|
0,810
|
420407
|
50,0
|
56,0
|
3,5
|
3,0
|
3,0
|
4,0
|
-
|
3,394
|
66
|
0,967
|
0,611
|
420408
|
50,0
|
60,0
|
2,0
|
3,0
|
3,0
|
3,0
|
-
|
2,779
|
68
|
0,792
|
0,500
|
420816
|
50,0
|
62,0
|
10,0
|
4,0
|
4,0
|
5,0
|
-
|
7,187
|
70
|
2,048
|
1,294
|
420817
|
50,0
|
62,0
|
12,0
|
4,0
|
4,0
|
5,0
|
-
|
8,107
|
70
|
2,311
|
1,459
|
420818
|
50,0
|
64,0
|
8,0
|
12,0
|
12,0
|
5,0
|
2,0
|
10,810
|
71
|
3,080
|
1,946
|
420409
|
50,0
|
70,0
|
2,4
|
2,4
|
2,4
|
2,0
|
-
|
2,840
|
74
|
0,809
|
0,511
|
420411
|
50,0
|
70,0
|
4,0
|
4,0
|
4,0
|
2,5
|
-
|
4,667
|
75
|
1,330
|
0,840
|
420412
|
50,0
|
70,0
|
12,0
|
25,0
|
25,0
|
5,0
|
1,0
|
20,603
|
77
|
5,872
|
3,709
|
420819
|
50,0
|
74,0
|
12,0
|
20,0
|
20,0
|
4,0
|
-
|
18,469
|
78
|
5,264
|
3,324
|
420413
|
50,0
|
76,0
|
3,5
|
4,5
|
4,5
|
5,0
|
-
|
5,120
|
79
|
1,459
|
0,922
|
420414
|
50,0
|
78,0
|
4,0
|
12,0
|
12,0
|
6,0
|
-
|
11,035
|
80
|
3,145
|
1,986
|
420821
|
50,0
|
80,0
|
4,5
|
10,0
|
10,0
|
4,0
|
-
|
9,869
|
81
|
2,813
|
1,776
|
420822
|
50,0
|
80,0
|
5,0
|
7,0
|
7,0
|
3,0
|
-
|
7,789
|
81
|
2,220
|
1,402
|
420823
|
50,0
|
90,0
|
10,0
|
10,0
|
10,0
|
6,0
|
-
|
13,155
|
91
|
3,749
|
2,368
|
420824
|
50,0
|
93,0
|
7,0
|
7,0
|
3,5
|
5,0
|
-
|
8,122
|
94
|
2,315
|
1,462
|
420417
|
50,0
|
96,0
|
5,0
|
8,0
|
8,0
|
5,0
|
-
|
9,887
|
96
|
2,818
|
1,780
|
420418
|
50,0
|
100,0
|
6,0
|
6,0
|
6,0
|
5,0
|
-
|
8,747
|
101
|
2,493
|
1,575
|
420419
|
50,0
|
101,0
|
27,5
|
12,0
|
12,0
|
5,0
|
3,0
|
22,638
|
102
|
6,452
|
4,075
|
420420
|
50,0
|
106,0
|
8,0
|
10,5
|
10,5
|
5,0
|
-
|
14,397
|
107
|
4,103
|
2,592
|
420421
|
50,0
|
110,0
|
15,0
|
30,0
|
30,0
|
3,0
|
2,0
|
36,022
|
111
|
10,266
|
6,484
|
420422
|
50,0
|
144,0
|
3,0
|
9,0
|
9,0
|
4,0
|
0,5
|
14,258
|
145
|
4,064
|
2,566
|
420423
|
50,3
|
70,4
|
4,2
|
4,35
|
4,35
|
2,5
|
1,0
|
5,015
|
75
|
1,429
|
0,903
|
420424
|
51,0
|
51,0
|
2,4
|
2,4
|
2,4
|
3,5
|
-
|
2,443
|
64
|
0,696
|
0,440
|
420426
|
52,0
|
40,0
|
2,5
|
6,5
|
6,5
|
4,0
|
-
|
3,806
|
61
|
1,085
|
0,685
|
420427
|
52,0
|
50,0
|
3,0
|
4,0
|
4,0
|
3,0
|
1,5
|
3,469
|
64
|
0,989
|
0,624
|
420825
|
52,0
|
50,0
|
6,5
|
8,0
|
8,0
|
6,0
|
-
|
7,015
|
64
|
1,999
|
1,263
|
420826
|
52,0
|
50,0
|
8,2
|
12,5
|
12,5
|
5,0
|
1,0
|
9,592
|
64
|
2,733
|
1,727
|
420827
|
52,0
|
50,0
|
8,2
|
18,5
|
18,5
|
5,0
|
1,0
|
12,100
|
64
|
3,449
|
2,178
|
420828
|
52,0
|
60,0
|
3,0
|
2,0
|
2,0
|
3,0
|
-
|
2,739
|
68
|
0,781
|
0,493
|
420430
|
52,0
|
72,0
|
12,0
|
5,0
|
5,0
|
5,0
|
2,5
|
9,320
|
76
|
2,656
|
1,678
|
420829
|
52,0
|
76,0
|
3,5
|
6,0
|
6,0
|
6,0
|
-
|
6,325
|
81
|
1,802
|
1,138
|
420432
|
52,0
|
83,0
|
31,0
|
9,5
|
9,5
|
5,0
|
1,5
|
21,157
|
87
|
6,030
|
3,808
|
420830
|
52,0
|
86,0
|
8,0
|
25,0
|
25,0
|
4,0
|
-
|
23,729
|
89
|
6,763
|
4,271
|
420831
|
52,0
|
100,0
|
4,0
|
6,0
|
6,0
|
6,0
|
2,0
|
7,978
|
101
|
2,273
|
1,436
|
420832
|
52,0
|
110,0
|
8,0
|
9,0
|
9,0
|
9,0
|
2,0
|
13,671
|
111
|
3,896
|
2,461
|
420433
|
52,0
|
115,0
|
12,0
|
6,0
|
12,0
|
5,0
|
-
|
15,617
|
116
|
4,451
|
2,811
|
420436
|
53,0
|
104,0
|
30,0
|
114,0
|
14,0
|
5,0
|
4,0
|
26,298
|
105
|
7,495
|
4,734
|
420438
|
54,0
|
42,0
|
1,4
|
1,8
|
1,8
|
2,0
|
-
|
1,504
|
62
|
0,429
|
0,271
|
420440
|
54,0
|
50,0
|
3,0
|
3,0
|
3,0
|
3,0
|
1,5
|
3,059
|
66
|
0,872
|
0,551
|
420442
|
54,0
|
68,0
|
3,0
|
3,0
|
3,0
|
3,0
|
-
|
3,609
|
75
|
1,028
|
0,650
|
420443
|
54,0
|
76,0
|
4,0
|
5,0
|
5,0
|
4,0
|
2,0
|
5,812
|
81
|
1,661
|
1,049
|
420445
|
55,0
|
20,0
|
5,0
|
3,0
|
3,0
|
3,0
|
-
|
3,239
|
58
|
0,923
|
0,583
|
420446
|
55,0
|
30,0
|
10,0
|
7,0
|
7,0
|
4,0
|
2,0
|
6,952
|
59
|
1,981
|
1,251
|
420833
|
55,0
|
64,0
|
6,0
|
25,0
|
25,0
|
6,0
|
-
|
17,955
|
66
|
5,117
|
3,232
|
420449
|
55,0
|
70,0
|
6,0
|
5,0
|
5,0
|
5,0
|
-
|
6,607
|
77
|
1,883
|
1,189
|
420834
|
55,0
|
76,0
|
4,0
|
6,0
|
6,0
|
3,0
|
-
|
6,559
|
82
|
1,869
|
1,181
|
420835
|
55,0
|
80,0
|
5,0
|
6,0
|
6,0
|
5,0
|
-
|
7,357
|
84
|
2,097
|
1,324
|
420450
|
55,0
|
90,0
|
26,0
|
11,0
|
11,0
|
4,0
|
-
|
21,409
|
63
|
6,101
|
3,854
|
420838
|
55,0
|
110,0
|
5,0
|
5,0
|
5,0
|
5,0
|
-
|
8,107
|
110
|
2,311
|
1,459
|
420839
|
55,0
|
120,0
|
7,0
|
22,0
|
22,0
|
4,0
|
1,0
|
28,775
|
121
|
8,201
|
5,180
|
420452
|
55,0
|
135,0
|
25,0
|
12,0
|
12,0
|
4,0
|
-
|
27,019
|
136
|
7,700
|
4,863
|
420453
|
55,5
|
140,1
|
4,1
|
7,35
|
7,35
|
4,0
|
-
|
12,340
|
141
|
3,517
|
2,221
|
420454
|
56,0
|
31,0
|
1,5
|
1,5
|
1,5
|
3,0
|
-
|
1,321
|
60
|
0,377
|
0,238
|
420456
|
56,0
|
36,0
|
2,0
|
2,0
|
2,0
|
3,0
|
-
|
1,839
|
63
|
0,524
|
0,331
|
420457
|
56,0
|
52,0
|
20,0
|
5,0
|
5,0
|
2,0
|
10,0
|
12,388
|
68
|
3,531
|
2,230
|
420458
|
56,0
|
70,0
|
5,0
|
12,0
|
12,0
|
3,0
|
1,0
|
10,635
|
80
|
3,031
|
1,914
|
420459
|
56,0
|
76,0
|
4,0
|
5,0
|
5,0
|
5,0
|
-
|
5,947
|
82
|
1,695
|
1,071
|
420840
|
56,0
|
100,0
|
40,0
|
34,0
|
34,0
|
4,0
|
8,0
|
42,830
|
105
|
12,207
|
7,709
|
420841
|
56,0
|
112,0
|
48,0
|
18,0
|
18,0
|
2,0
|
2,0
|
38,400
|
114
|
10,944
|
6,912
|
420460
|
56,5
|
52,5
|
20,0
|
5,3
|
5,3
|
2,0
|
10,0
|
12,611
|
68
|
3,594
|
2,270
|
420461
|
56,5
|
96,0
|
6,0
|
16,5
|
16,5
|
5,0
|
-
|
18,347
|
98
|
5,229
|
3,303
|
420842
|
58,0
|
10,0
|
2,0
|
1,0
|
4,0
|
10,0
|
1,0
|
1,665
|
59
|
0,475
|
0,300
|
420463
|
58,0
|
53,0
|
3,0
|
5,0
|
5,0
|
3,0
|
-
|
4,279
|
70
|
1,219
|
0,770
|
420464
|
58,0
|
65,0
|
7,0
|
14,0
|
14,0
|
5,0
|
-
|
12,287
|
77
|
3,502
|
2,212
|
420465
|
58,0
|
88,0
|
8,0
|
21,0
|
21,0
|
5,0
|
-
|
21,547
|
92
|
6,141
|
3,879
|
420467
|
59,0
|
45,0
|
7,0
|
9,0
|
9,0
|
5,0
|
-
|
7,657
|
68
|
2,182
|
1,378
|
420468
|
60,0
|
16,0
|
13,0
|
5,0
|
5,0
|
-
|
-
|
7,950
|
61
|
2,266
|
1,431
|
420473
|
60,0
|
40,0
|
3,0
|
5,0
|
5,0
|
3,0
|
1,5
|
3,679
|
67
|
1,049
|
0,662
|
420474
|
60,0
|
41,0
|
3,0
|
4,0
|
4,0
|
5,0
|
-
|
3,427
|
67
|
0,977
|
0,617
|
420846
|
60,0
|
45,0
|
4,0
|
4,0
|
4,0
|
4,0
|
2,0
|
4,092
|
68
|
1,166
|
0,737
|
422504
|
60,0
|
56,0
|
3,0
|
4,0
|
4,0
|
3,0
|
1,0
|
3,955
|
74
|
1,127
|
0,712
|
420476
|
60,0
|
75,0
|
4,0
|
8,0
|
8,0
|
6,0
|
-
|
8,235
|
84
|
2,347
|
1,482
|
420477
|
60,0
|
76,0
|
6,0
|
16,0
|
16,0
|
5,0
|
1,0
|
14,903
|
84
|
4,247
|
2,683
|
420478
|
60,0
|
92,0
|
8,0
|
12,0
|
12,0
|
5,0
|
1,0
|
14,983
|
96
|
4,270
|
2,697
|
420847
|
60,0
|
93,5
|
3,5
|
12,0
|
12,0
|
2,0
|
-
|
12,917
|
96
|
3,681
|
2,325
|
420848
|
60,0
|
100,0
|
8,0
|
10,0
|
10,0
|
5,0
|
1,0
|
14,103
|
101
|
4,019
|
2,539
|
420479
|
60,0
|
100,0
|
10,0
|
10,0
|
10,0
|
8,0
|
2,5
|
15,248
|
101
|
4,346
|
2,745
|
420480
|
60,0
|
110,0
|
20,0
|
6,0
|
6,0
|
5,0
|
3,0
|
17,468
|
112
|
4,978
|
3,144
|
420849
|
60,0
|
120,0
|
3,0
|
8,0
|
8,0
|
6,0
|
1,5
|
11,305
|
121
|
3,222
|
2,035
|
420850
|
60,0
|
120,0
|
5,0
|
17,0
|
17,0
|
5,0
|
-
|
22,657
|
121
|
6,457
|
4,078
|
420481
|
60,0
|
120,0
|
6,0
|
10,0
|
10,0
|
5,0
|
-
|
15,107
|
121
|
4,306
|
2,719
|
420851
|
60,0
|
120,0
|
10,0
|
22,0
|
22,0
|
4,0
|
-
|
30,269
|
121
|
8,627
|
5,448
|
420852
|
62,0
|
100,0
|
16,0
|
12,0
|
12,0
|
3,0
|
-
|
20,039
|
104
|
5,711
|
3,607
|
420486
|
62,0
|
116,0
|
6,0
|
22,0
|
22,0
|
5,0
|
-
|
28,027
|
118
|
7,988
|
5,045
|
420487
|
63,0
|
45,0
|
3,0
|
4,0
|
4,0
|
3,0
|
-
|
3,609
|
71
|
1,028
|
0,650
|
420488
|
63,0
|
80,0
|
6,0
|
5,0
|
5,0
|
3,0
|
-
|
7,519
|
94
|
2,143
|
1,353
|
420853
|
63,0
|
86,0
|
56,0
|
12,0
|
12,0
|
5,0
|
5,0
|
38,880
|
98
|
11,081
|
6,998
|
420491
|
64,0
|
60,0
|
5,0
|
5,0
|
5,0
|
4,5
|
-
|
5,537
|
74
|
1,578
|
0,997
|
420493
|
64,0
|
75,0
|
5,0
|
3,0
|
3,0
|
5,0
|
2,5
|
5,380
|
86
|
1,533
|
0,968
|
420494
|
64,0
|
75,0
|
5,0
|
5,0
|
5,0
|
5,0
|
2,5
|
6,780
|
86
|
1,932
|
1,220
|
420495
|
64,0
|
100,0
|
7,0
|
6,0
|
6,0
|
4,0
|
-
|
10,129
|
103
|
2,887
|
1,823
|
420496
|
65,0
|
40,0
|
2,0
|
2,0
|
2,0
|
2,0
|
0,5
|
2,076
|
70
|
0,592
|
0,374
|
420497
|
65,0
|
60,0
|
8,0
|
15,0
|
15,0
|
5,0
|
-
|
13,107
|
79
|
3,736
|
2,359
|
420854
|
65,0
|
75,0
|
6,0
|
6,0
|
6,0
|
4,0
|
-
|
8,109
|
86
|
2,311
|
1,460
|
420499
|
65,0
|
94,0
|
10,0
|
15,0
|
15,0
|
5,0
|
1,0
|
19,203
|
98
|
5,473
|
3,457
|
420857
|
65,0
|
100,0
|
8,0
|
18,0
|
18,0
|
5,0
|
-
|
21,867
|
104
|
6,232
|
3,936
|
420501
|
65,0
|
120,0
|
8,0
|
18,0
|
18,0
|
5,0
|
1,0
|
25,463
|
122
|
7,257
|
4,583
|
420502
|
65,0
|
120,0
|
8,0
|
25,0
|
25,0
|
5,0
|
1,0
|
33,303
|
123
|
9,491
|
5,995
|
420503
|
65,0
|
120,0
|
40,0
|
10,0
|
10,0
|
5,0
|
-
|
34,107
|
123
|
9,721
|
6,139
|
420859
|
65,0
|
280,0
|
10,0
|
33,0
|
33,0
|
5,0
|
2,0
|
95,690
|
285
|
27,272
|
17,224
|
420504
|
65,5
|
40,5
|
2,0
|
2,0
|
2,0
|
4,7
|
-
|
2,175
|
72
|
0,620
|
0,391
|
420860
|
66,0
|
46,0
|
3,0
|
5,0
|
5,0
|
3,0
|
-
|
4,169
|
74
|
1,188
|
0,750
|
420505
|
66,0
|
100,0
|
5,0
|
10,0
|
10,0
|
5,0
|
-
|
12,907
|
104
|
3,679
|
2,323
|
420507
|
67,0
|
40,0
|
8,0
|
4,0
|
4,0
|
3,0
|
-
|
3,529
|
73
|
1,006
|
0,635
|
420508
|
67,0
|
46,0
|
2,0
|
2,0
|
2,0
|
2,0
|
1,0
|
2,233
|
75
|
0,636
|
0,402
|
420509
|
67,0
|
46,0
|
2,0
|
4,0
|
4,0
|
3,0
|
-
|
3,139
|
75
|
0,895
|
0,565
|
420510
|
67,0
|
60,0
|
3,0
|
6,0
|
6,0
|
3,0
|
1,0
|
5,465
|
80
|
1,558
|
0,984
|
420511
|
67,0
|
116,0
|
68,0
|
49,0
|
49,0
|
6,0
|
3,0
|
69,196
|
124
|
19,721
|
12,455
|
420512
|
67,0
|
142,0
|
59,0
|
47,0
|
47,0
|
8,0
|
3,0
|
78,776
|
145
|
22,451
|
14,180
|
420513
|
68,0
|
45,0
|
3,0
|
4,0
|
4,0
|
3,0
|
-
|
3,759
|
75
|
1,071
|
0,677
|
420615
|
68,0
|
82,0
|
30,0
|
10,0
|
10,0
|
5,0
|
5,0
|
25,600
|
94
|
7,296
|
4,608
|
420516
|
68,0
|
90,0
|
12,0
|
10,0
|
10,0
|
2,0
|
-
|
15,977
|
97
|
4,553
|
2,876
|
420517
|
68,0
|
100,0
|
10,0
|
18,0
|
18,0
|
5,0
|
1,0
|
23,103
|
105
|
6,584
|
4,159
|
420518
|
68,0
|
100,0
|
12,0
|
10,0
|
10,0
|
8,0
|
-
|
17,235
|
105
|
4,912
|
3,102
|
420864
|
68,0
|
130,0
|
8,0
|
20,0
|
20,0
|
5,0
|
-
|
29,947
|
132
|
8,535
|
5,391
|
420519
|
70,0
|
20,0
|
12,0
|
10,0
|
10,0
|
1,0
|
1,0
|
9,200
|
71
|
2,622
|
1,656
|
420521
|
70,0
|
24,0
|
12,0
|
10,0
|
10,0
|
0,5
|
-
|
9,601
|
73
|
2,736
|
1,728
|
420522
|
70,0
|
26,0
|
4,0
|
9,0
|
9,0
|
4,0
|
-
|
4,849
|
73
|
1,382
|
0,873
|
420524
|
70,0
|
40,0
|
3,0
|
4,0
|
4,0
|
3,0
|
-
|
3,619
|
76
|
1,031
|
0,651
|
420525
|
70,0
|
40,0
|
5,0
|
8,0
|
8,0
|
3,0
|
2,0
|
6,322
|
76
|
1,802
|
1,138
|
420526
|
70,0
|
43,0
|
3,0
|
3,0
|
3,0
|
3,5
|
-
|
3,353
|
77
|
0,955
|
0,603
|
420527
|
70,0
|
50,0
|
3,0
|
4,0
|
4,0
|
3,0
|
1,5
|
4,009
|
79
|
1,143
|
0,722
|
420865
|
70,0
|
56,0
|
2,0
|
6,5
|
6,5
|
2,5
|
-
|
4,937
|
82
|
1,407
|
0,889
|
420528
|
70,0
|
60,0
|
4,0
|
6,0
|
6,0
|
4,0
|
-
|
6,229
|
83
|
1,775
|
1,121
|
420529
|
70,0
|
68,0
|
3,0
|
8,0
|
8,0
|
3,0
|
-
|
7,339
|
87
|
2,092
|
1,321
|
420530
|
70,0
|
68,0
|
6,5
|
8,0
|
8,0
|
6,0
|
-
|
9,625
|
87
|
2,743
|
1,732
|
420532
|
70,0
|
76,0
|
6,0
|
16,0
|
16,0
|
5,0
|
-
|
15,507
|
91
|
4,420
|
2,791
|
420533
|
70,0
|
80,0
|
2,0
|
3,0
|
3,0
|
3,0
|
-
|
3,779
|
93
|
1,077
|
0,680
|
420867
|
70,0
|
84,0
|
7,0
|
8,0
|
8,0
|
1,0
|
-
|
11,064
|
96
|
3,153
|
1,992
|
420868
|
70,0
|
105,0
|
11,0
|
10,5
|
10,5
|
15,0
|
-
|
8,536
|
108
|
5,283
|
3,336
|
420534
|
71,0
|
64,0
|
4,0
|
4,0
|
4,0
|
6,0
|
-
|
5,395
|
85
|
1,537
|
0,971
|
420870
|
71,0
|
70,0
|
6,0
|
15,0
|
15,0
|
4,0
|
-
|
13,929
|
88
|
3,970
|
2,507
|
420535
|
71,0
|
87,0
|
5,0
|
16,0
|
16,0
|
5,0
|
-
|
16,777
|
98
|
4,782
|
3,020
|
420535
|
71,0
|
96,0
|
42,0
|
9,0
|
9,0
|
5,0
|
1,5
|
34,777
|
106
|
9,911
|
6,260
|
420537
|
72,0
|
50,0
|
3,0
|
2,0
|
2,0
|
3,0
|
-
|
3,139
|
81
|
0,895
|
0,565
|
420538
|
74,0
|
40,0
|
3,0
|
3,0
|
3,0
|
3,0
|
1,5
|
3,359
|
79
|
0,957
|
0,605
|
420539
|
74,0
|
44,0
|
3,0
|
4,0
|
4,0
|
3,0
|
-
|
3,899
|
80
|
1,111
|
0,702
|
420540
|
74,0
|
50,0
|
3,0
|
4,0
|
4,0
|
3,0
|
-
|
4,139
|
82
|
1,180
|
0,745
|
420541
|
74,0
|
56,0
|
6,0
|
5,0
|
5,0
|
3,0
|
-
|
6,979
|
86
|
1,989
|
1,256
|
420871
|
74,0
|
194,0
|
22,0
|
31,0
|
31,0
|
6,0
|
-
|
69,755
|
195
|
19,880
|
12,556
|
420543
|
75,0
|
40,0
|
3,0
|
3,0
|
3,0
|
3,0
|
0,5
|
3,398
|
81
|
0,968
|
0,612
|
420544
|
75,0
|
41,0
|
3,0
|
5,0
|
5,0
|
5,0
|
-
|
4,257
|
81
|
1,213
|
0,766
|
420545
|
75,0
|
54,0
|
3,0
|
3,0
|
3,0
|
3,0
|
0,5
|
3,818
|
85
|
1,088
|
0,687
|
420546
|
75,0
|
75,0
|
5,0
|
5,0
|
5,0
|
5,0
|
2,5
|
7,330
|
94
|
2,089
|
1,319
|
420547
|
75,0
|
75,0
|
8,0
|
8,0
|
8,0
|
8,0
|
2,0
|
11,618
|
94
|
3,311
|
2,091
|
420548
|
75,0
|
77,0
|
5,0
|
3,0
|
3,0
|
4,0
|
1,0
|
5,975
|
95
|
1,703
|
1,076
|
420549
|
75,0
|
116,0
|
5,0
|
4,0
|
4,0
|
3,0
|
-
|
8,259
|
120
|
2,354
|
1,487
|
420873
|
75,0
|
210,0
|
90,0
|
40,0
|
40,0
|
5,0
|
5,0
|
115,500
|
211
|
32,917
|
20,790
|
420552
|
76,0
|
40,0
|
2,5
|
2,5
|
2,5
|
3,0
|
-
|
2,876
|
81
|
0,820
|
0,518
|
420874
|
76,0
|
99,0
|
5,0
|
12,5
|
12,5
|
5,0
|
-
|
15,657
|
108
|
4,462
|
2,818
|
420554
|
78,0
|
46,0
|
3,0
|
3,0
|
3,0
|
3,5
|
-
|
3,683
|
85
|
1,050
|
0,663
|
420556
|
80,0
|
26,0
|
4,0
|
10,0
|
10,0
|
5,0
|
-
|
5,507
|
82
|
1,570
|
0,991
|
420558
|
80,0
|
40,0
|
3,0
|
5,0
|
5,0
|
5,0
|
-
|
4,289
|
85
|
1,222
|
0,772
|
420560
|
80,0
|
50,0
|
2,5
|
5,0
|
5,0
|
4,0
|
-
|
4,444
|
88
|
1,266
|
0,800
|
420561
|
80,0
|
50,0
|
4,0
|
4,5
|
5,0
|
4,0
|
-
|
5,454
|
88
|
1,554
|
0,982
|
420562
|
80,0
|
60,0
|
3,0
|
6,0
|
5,0
|
4,0
|
-
|
5,319
|
92
|
1,516
|
0,957
|
420564
|
80,0
|
65,0
|
4,0
|
5,0
|
5,0
|
6,0
|
-
|
6,405
|
94
|
1,825
|
1,153
|
420565
|
80,0
|
80,0
|
2,0
|
3,0
|
3,0
|
3,0
|
-
|
3,979
|
100
|
1,134
|
0,716
|
420566
|
80,0
|
80,0
|
2,0
|
4,5
|
4,5
|
3,0
|
-
|
5,149
|
100
|
1,467
|
0,927
|
420567
|
80,0
|
80,0
|
8,0
|
10,5
|
10,5
|
5,0
|
-
|
14,067
|
100
|
4,009
|
2,532
|
420568
|
80,0
|
100,0
|
5,0
|
22,0
|
26,0
|
3,0
|
-
|
26,839
|
115
|
7,649
|
4,831
|
420569
|
80,0
|
120,0
|
10,0
|
22,0
|
22,0
|
5,0
|
2,0
|
32,290
|
125
|
9,203
|
5,812
|
420570
|
80,0
|
132,0
|
8,0
|
30,0
|
30,0
|
4,0
|
-
|
43,669
|
134
|
12,446
|
7,860
|
420573
|
81,0
|
96,0
|
42,0
|
9,0
|
9,0
|
5,0
|
2,0
|
38,970
|
120
|
11,106
|
7,015
|
420574
|
82,0
|
40,0
|
3,0
|
3,0
|
3,0
|
3,0
|
-
|
3,609
|
87
|
1,028
|
0,650
|
420575
|
82,5
|
40,0
|
2,5
|
2,5
|
2,5
|
3,5
|
0,5
|
3,052
|
88
|
0,870
|
0,549
|
420576
|
83,0
|
50,0
|
3,0
|
8,0
|
3,0
|
3,5
|
-
|
3,953
|
91
|
1,126
|
0,711
|
420578
|
84,0
|
39,0
|
2,0
|
3,0
|
3,0
|
3,0
|
-
|
2,829
|
85
|
0,806
|
0,509
|
420579
|
84,0
|
42,0
|
1,8
|
2,0
|
2,0
|
3,0
|
-
|
2,355
|
87
|
0,671
|
0,424
|
420580
|
34,0
|
50,0
|
5,0
|
4,0
|
4,0
|
4,0
|
-
|
6,069
|
91
|
1,730
|
1,092
|
420581
|
84,0
|
42,0
|
3,0
|
3,0
|
3,0
|
3,0
|
-
|
3,729
|
89
|
1,063
|
0,671
|
420582
|
85,0
|
40,0
|
8,0
|
4,0
|
4,0
|
3,0
|
-
|
4,069
|
88
|
1,160
|
0,732
|
420583
|
85,0
|
52,0
|
2,4
|
2,4
|
2,4
|
3,0
|
-
|
3,269
|
93
|
0,932
|
0,588
|
420584
|
85,0
|
52,0
|
4,0
|
5,0
|
5,0
|
6,0
|
-
|
5,955
|
93
|
1,697
|
1,072
|
420876
|
85,0
|
135,0
|
5,0
|
8,0
|
8,0
|
6,0
|
2,0
|
14,788
|
139
|
4,215
|
2,662
|
420877
|
85,0
|
150,0
|
14,5
|
20,0
|
20,0
|
10,0
|
-
|
39,854
|
155
|
11,358
|
7,174
|
420878
|
85,0
|
160,0
|
6,5
|
12,0
|
12,0
|
6,0
|
2,0
|
24,083
|
161
|
6,864
|
4,335
|
420585
|
86,0
|
62,0
|
4,0
|
8,0
|
8,0
|
6,0
|
-
|
8,235
|
98
|
2,347
|
1,482
|
420555
|
86,0
|
70,0
|
6,5
|
15,0
|
15,0
|
5,0
|
-
|
15,222
|
101
|
4,338
|
2,740
|
420881
|
86,0
|
260,0
|
24,0
|
46,0
|
46,0
|
6,0
|
6,0
|
129,201
|
262
|
36,822
|
23,256
|
420587
|
87,0
|
64,0
|
4,0
|
3,0
|
3,0
|
5,0
|
2,5
|
5,360
|
99
|
1,528
|
0,965
|
420588
|
88,0
|
110,5
|
31,5
|
38,0
|
38,0
|
3,0
|
2,0
|
57,762
|
121
|
16,462
|
10,397
|
420589
|
89,0
|
44,0
|
3,5
|
4,0
|
4,0
|
2,0
|
-
|
4,752
|
94
|
1,354
|
0,855
|
420593
|
90,0
|
58,0
|
3,0
|
8,0
|
8,0
|
4,0
|
0,5
|
7,168
|
100
|
2,043
|
1,290
|
420882
|
90,0
|
70,0
|
14,0
|
30,0
|
30,0
|
1,0
|
-
|
29,404
|
103
|
8,380
|
5,293
|
420594
|
90,0
|
90,0
|
12,0
|
12,0
|
12,0
|
6,0
|
1,0
|
20,311
|
112
|
5,788
|
3,656
|
420596
|
90,0
|
140,0
|
10,0
|
10,0
|
10,0
|
5,0
|
2,0
|
22,090
|
145
|
6,296
|
3,976
|
420597
|
90,0
|
200,0
|
10,0
|
50,0
|
50,0
|
8,0
|
1,0
|
104,271
|
206
|
29,717
|
18,769
|
420599
|
91,0
|
96,0
|
42,0
|
9,0
|
9,0
|
5,0
|
2,0
|
43,170
|
119
|
12,303
|
7,771
|
420601
|
92,0
|
58,0
|
4,0
|
5,0
|
5,0
|
4,0
|
-
|
6,449
|
101
|
1,838
|
1,161
|
420883
|
92,0
|
76,0
|
8,0
|
12,5
|
12,5
|
6,0
|
-
|
16,015
|
108
|
4,564
|
2,883
|
420603
|
93,0
|
76,0
|
6,0
|
9,0
|
9,0
|
9,0
|
-
|
12,228
|
108
|
3,485
|
2,201
|
420884
|
94,0
|
76,0
|
8,0
|
9,0
|
9,0
|
4,0
|
-
|
13,709
|
110
|
3,907
|
2,468
|
420590
|
94,0
|
380,0
|
16,0
|
44,0
|
44,0
|
5,0
|
5,0
|
175,200
|
382
|
49,932
|
31,536
|
420886
|
95,0
|
72,0
|
6,0
|
16,0
|
16,0
|
4,0
|
-
|
16,329
|
108
|
4,654
|
2,939
|
420887
|
95,0
|
120,0
|
20,0
|
23,0
|
23,0
|
5,0
|
5,0
|
42,000
|
130
|
11,970
|
7,560
|
420605
|
97,0
|
38,0
|
1,8
|
2,0
|
2,0
|
3,0
|
-
|
2,509
|
100
|
0,715
|
0,452
|
420606
|
97,0
|
88,0
|
3,5
|
2,5
|
2,5
|
3,0
|
0,5
|
5,546
|
117
|
1,581
|
0,998
|
420888
|
98,0
|
158,0
|
15,0
|
33,0
|
33,0
|
5,0
|
1,0
|
61,993
|
162
|
17,668
|
11,159
|
420612
|
100,0
|
40,0
|
2,0
|
2,0
|
2,0
|
3,0
|
-
|
2,799
|
104
|
0,798
|
0,504
|
420613
|
100,0
|
40,0
|
3,0
|
4,0
|
4,0
|
3,0
|
1,5
|
4,509
|
104
|
1,285
|
0,812
|
420614
|
100,0
|
50,0
|
4,0
|
6,5
|
6,5
|
8,0
|
-
|
7,265
|
106
|
2,070
|
1,308
|
420615
|
100,0
|
90,0
|
6,0
|
10,0
|
10,0
|
14,0
|
-
|
15,241
|
120
|
4,344
|
2,743
|
420616
|
100,0
|
100,0
|
8,0
|
12,5
|
12,5
|
5,0
|
1,0
|
19,603
|
125
|
5,587
|
3,529
|
420617
|
100,0
|
100,0
|
16,0
|
12,0
|
12,0
|
4,0
|
4,0
|
26,080
|
125
|
7,433
|
4,694
|
420618
|
100,0
|
100,0
|
24,0
|
21,0
|
21,0
|
3,0
|
-
|
39,999
|
125
|
11,400
|
7,200
|
420619
|
100,0
|
102,0
|
8,5
|
12,5
|
12,5
|
5,0
|
1,0
|
20,291
|
126
|
5,783
|
3,652
|
420620
|
100,0
|
130,0
|
25,0
|
10,0
|
10,0
|
6,0
|
1,5
|
35,645
|
141
|
10,159
|
6,416
|
420621
|
101,0
|
52,0
|
2,0
|
3,0
|
3,0
|
3,0
|
-
|
3,559
|
105
|
1,014
|
0,641
|
420623
|
102,0
|
50,0
|
2,0
|
2,0
|
2,0
|
3,0
|
-
|
3,039
|
108
|
0,866
|
0,547
|
420624
|
102,0
|
50,0
|
3,0
|
4,0
|
4,0
|
3,0
|
-
|
4,979
|
108
|
1,419
|
0,896
|
420626
|
103,0
|
64,0
|
4,0
|
4,0
|
4,0
|
4,0
|
2,0
|
6,572
|
113
|
1,873
|
1,183
|
420627
|
103,0
|
88,0
|
4,0
|
3,0
|
3,0
|
50
|
-
|
6,747
|
122
|
1,923
|
1,215
|
420628
|
105,0
|
48,0
|
3,0
|
3,0
|
3,0
|
3,0
|
0,5
|
4,538
|
111
|
1,293
|
0,817
|
420890
|
105,0
|
58,0
|
5,5
|
6,0
|
6,0
|
3,0
|
1,0
|
8,960
|
113
|
2,554
|
1,613
|
420629
|
105,0
|
72,0
|
4,0
|
9,0
|
9,0
|
2,0
|
-
|
10,337
|
117
|
2,946
|
1,861
|
420630
|
105,0
|
100,0
|
6,0
|
8,0
|
8,0
|
6,0
|
-
|
13,975
|
130
|
3,983
|
2,515
|
420631
|
105,0
|
270,0
|
30,0
|
80,0
|
8,0
|
6,0
|
2,0
|
223,638
|
274
|
63,737
|
40,255
|
420891
|
107,0
|
55,0
|
2,0
|
2,0
|
2,0
|
3,0
|
-
|
3,239
|
114
|
0,923
|
0,583
|
420632
|
107,0
|
115,0
|
70,0
|
46,0
|
46,0
|
5,0
|
5,0
|
95,600
|
141
|
27,246
|
17,208
|
420634
|
108,0
|
76,0
|
4,0
|
9,0
|
9,0
|
6,0
|
-
|
10,955
|
121
|
3,122
|
1,972
|
420636
|
110,0
|
40,0
|
2,0
|
2,0
|
2,0
|
4,0
|
0,5
|
3,028
|
114
|
0,863
|
0,545
|
420637
|
110,0
|
40,0
|
5,0
|
13,0
|
13,0
|
7,0
|
-
|
10,260
|
114
|
2,924
|
1,847
|
420640
|
110,0
|
76,0
|
4,0
|
9,0
|
9,0
|
6,0
|
-
|
11,035
|
123
|
3,145
|
1,986
|
420642
|
110,0
|
88,0
|
8,0
|
14,0
|
14,0
|
4,0
|
-
|
20,069
|
128
|
5,720
|
3,612
|
420643
|
110,0
|
160,0
|
12,0
|
14,0
|
14,0
|
5,0
|
2,0
|
34,110
|
168
|
9,693
|
6,122
|
420644
|
110,0
|
272,0
|
16,0
|
53,0
|
53,0
|
10,0
|
2,0
|
153,692
|
278
|
43,802
|
27,665
|
420893
|
112,0
|
64,0
|
20,0
|
20,0
|
20,0
|
4,0
|
-
|
29,269
|
120
|
8,342
|
5,268
|
420645
|
115,0
|
80,0
|
3,0
|
4,0
|
4,0
|
4,0
|
-
|
6,599
|
130
|
1,881
|
1,188
|
422506
|
115,0
|
194,0
|
40,0
|
40,0
|
40,0
|
5,0
|
3,0
|
107,669
|
213
|
30,686
|
19,380
|
420646
|
115,0
|
200,0
|
30,0
|
80,0
|
80,0
|
6,0
|
2,0
|
170,638
|
215
|
48,632
|
30,715
|
420648
|
118,0
|
42,0
|
2,0
|
2,2
|
2,2
|
3,0
|
0,5
|
3,278
|
120
|
0,934
|
0,590
|
420650
|
120,0
|
60,0
|
4,0
|
7,0
|
7,0
|
10,0
|
-
|
9,149
|
128
|
2,608
|
1,647
|
420894
|
120,0
|
66,0
|
20,0
|
10,0
|
10,0
|
4,0
|
-
|
28,669
|
130
|
8,171
|
5,160
|
420895
|
120,0
|
75,0
|
3,5
|
5,0
|
5,0
|
4,0
|
-
|
7,844
|
135
|
2,235
|
1,412
|
420896
|
120,0
|
90,0
|
22,0
|
35,0
|
35,0
|
3,0
|
2,0
|
50,222
|
137
|
14,313
|
9,040
|
420651
|
120,0
|
100,0
|
8,0
|
18,0
|
18,0
|
4,0
|
1,0
|
26,225
|
141
|
7,474
|
4,721
|
420652
|
120,0
|
100,0
|
12,0
|
10,0
|
10,0
|
8,0
|
2,5
|
23,448
|
141
|
6,683
|
4,221
|
420653
|
120,0
|
135,0
|
85,0
|
65,0
|
65,0
|
5,0
|
5,0
|
134,607
|
166
|
38,363
|
24,229
|
420655
|
125,0
|
40,0
|
5,0
|
13,0
|
13,0
|
8,0
|
-
|
11,075
|
128
|
3,156
|
1,993
|
420897
|
125,0
|
50,0
|
2,0
|
4,5
|
4,5
|
3,0
|
-
|
4,699
|
130
|
1,339
|
0,846
|
420657
|
125,0
|
68,0
|
24,0
|
20,0
|
20,0
|
5,0
|
-
|
38,907
|
133
|
11,089
|
7,003
|
420658
|
126,0
|
65,0
|
5,0
|
5,5
|
5,5
|
4,0
|
-
|
9,669
|
135
|
2,756
|
1,740
|
420659
|
127,0
|
43,0
|
3,0
|
2,0
|
2,0
|
3,0
|
-
|
4,649
|
131
|
1,325
|
0,837
|
420898
|
127,0
|
87,0
|
4,0
|
6,0
|
6,0
|
5,0
|
-
|
10,167
|
142
|
2,898
|
1,830
|
420660
|
130,0
|
60,0
|
3,0
|
5,0
|
5,0
|
3,0
|
-
|
6,789
|
137
|
1,935
|
1,222
|
420661
|
130,0
|
60,0
|
5,0
|
6,0
|
6,0
|
6,0
|
-
|
9,955
|
137
|
2,837
|
1,792
|
420662
|
130,0
|
160,0
|
14,0
|
16,0
|
16,0
|
5,0
|
2,0
|
41,650
|
180
|
11,870
|
7,497
|
420663
|
130,0
|
180,0
|
10,5
|
10,5
|
10,5
|
10,0
|
-
|
31,877
|
192
|
9,085
|
5,738
|
420664
|
136,0
|
75,0
|
16,0
|
16,0
|
16,0
|
6,0
|
2,0
|
31,338
|
146
|
8,931
|
5,641
|
420666
|
140,0
|
46,0
|
5,0
|
15,0
|
15,0
|
9,0
|
-
|
13,498
|
144
|
3,847
|
2,430
|
420667
|
140,0
|
48,0
|
6,0
|
15,0
|
15,0
|
9,0
|
-
|
15,048
|
144
|
4,289
|
2,709
|
420668
|
140,0
|
100,0
|
10,0
|
12,0
|
12,0
|
5,0
|
-
|
24,907
|
160
|
7,099
|
4,483
|
422507
|
140,0
|
180,0
|
20,0
|
70,0
|
70,0
|
8,0
|
5,0
|
140,168
|
198
|
39,948
|
25,230
|
420669
|
140,0
|
280,0
|
20,0
|
20,0
|
20,0
|
3,0
|
2,0
|
80,022
|
280
|
22,806
|
14,404
|
420670
|
144,0
|
172,0
|
110,0
|
40,0
|
40,0
|
10,0
|
5,0
|
183,522
|
200
|
52,304
|
33,034
|
420671
|
146,0
|
60,0
|
4,0
|
6,0
|
6,0
|
4,0
|
1,0
|
9,265
|
152
|
2,641
|
1,668
|
420672
|
147,0
|
190,0
|
16,0
|
47,0
|
47,0
|
10,0
|
2,0
|
105,712
|
208
|
30,128
|
19,028
|
420673
|
150,0
|
40,0
|
4,0
|
5,0
|
5,0
|
3,0
|
2,0
|
7,822
|
153
|
2,229
|
1,408
|
420674
|
150,0
|
40,0
|
5,0
|
5,0
|
5,0
|
3,0
|
1,5
|
9,279
|
153
|
2,645
|
1,670
|
422508
|
152,0
|
230,0
|
35,0
|
56,0
|
56,0
|
10,0
|
5,0
|
162,723
|
240
|
46,376
|
29,290
|
420675
|
160,0
|
50,0
|
5,5
|
16,0
|
16,0
|
10,0
|
1,0
|
16,345
|
164
|
4,658
|
2,942
|
420677
|
160,0
|
80,0
|
5,0
|
8,5
|
8,5
|
12,0
|
-
|
14,993
|
170
|
4,273
|
2,699
|
420679
|
170,0
|
102,0
|
4,0
|
6,0
|
6,0
|
8,0
|
-
|
12,955
|
185
|
3,692
|
2,332
|
420680
|
170,0
|
208,0
|
8,0
|
8,0
|
8,0
|
12,0
|
-
|
30,218
|
240
|
8,612
|
5,439
|
420681
|
180,0
|
56,0
|
6,0
|
17,0
|
17,0
|
11,0
|
-
|
19,819
|
184
|
5,649
|
3,567
|
420683
|
180,0
|
90,0
|
6,0
|
10,0
|
10,0
|
14,0
|
-
|
20,041
|
191
|
5,712
|
3,607
|
420685
|
185,0
|
40,0
|
4,0
|
5,0
|
5,0
|
3,0
|
2,0
|
9,222
|
187
|
2,628
|
1,660
|
420687
|
185,0
|
100,0
|
15,0
|
22,0
|
22,0
|
5,0
|
2,0
|
46,540
|
194
|
13,264
|
8,377
|
420689
|
200,0
|
60,0
|
5,0
|
6,0
|
6,0
|
6,0
|
-
|
13,455
|
204
|
3,835
|
2,422
|
420692
|
200,0
|
100,0
|
6,5
|
11,0
|
11,0
|
16,0
|
-
|
24,384
|
212
|
6,949
|
4,389
|
422509
|
200,0
|
240,0
|
20,0
|
30,0
|
30,0
|
10,0
|
2,0
|
106,412
|
272
|
30,327
|
19,154
|
422510
|
205,0
|
150,0
|
14,0
|
24,0
|
24,0
|
10,0
|
-
|
61,769
|
232
|
17,604
|
11,118
|
420693
|
210,0
|
60,0
|
5,0
|
13,0
|
13,0
|
5,0
|
-
|
17,757
|
214
|
5,061
|
3,196
|
420694
|
212,0
|
140,0
|
80,0
|
69,0
|
69,0
|
20,0
|
10,0
|
212,288
|
232
|
60,502
|
38,212
|
420695
|
220,0
|
110,0
|
7,0
|
11,0
|
11,0
|
18,0
|
-
|
28,121
|
234
|
8,014
|
5,062
|
420696
|
220,0
|
120,0
|
8,0
|
11,0
|
11,0
|
18,0
|
-
|
31,311
|
236
|
8,924
|
5,636
|
420697
|
230,0
|
52,0
|
3,0
|
4,0
|
4,0
|
4,0
|
-
|
8,929
|
233
|
2,545
|
1,607
|
420698
|
240,0
|
130,0
|
7,5
|
12,0
|
12,0
|
20,0
|
-
|
34,417
|
258
|
9,809
|
6,195
|
420699
|
240,0
|
140,0
|
8,5
|
12,0
|
12,0
|
20,0
|
-
|
37,897
|
260
|
10,801
|
6,821
|
420700
|
240,0
|
240,0
|
24,5
|
34,5
|
34,5
|
3,0
|
3,0
|
133,147
|
300
|
37,947
|
23,966
|
420701
|
250,0
|
340,0
|
20,0
|
24,0
|
24,0
|
5,0
|
3,0
|
126,868
|
366
|
36,157
|
22,836
|
422511
|
265,0
|
160,0
|
20,0
|
26,0
|
26,0
|
15,0
|
5,0
|
90,259
|
288
|
25,724
|
16,247
|
420703
|
270,0
|
145,0
|
8,0
|
13,0
|
13,0
|
20,0
|
-
|
41,127
|
289
|
11,721
|
7,403
|
420704
|
270,0
|
155,0
|
9,5
|
13,0
|
13,0
|
20,0
|
1,0
|
46,278
|
292
|
13,189
|
8,330
|
420713
|
330,0
|
180,0
|
12,0
|
18,0
|
118,0
|
20,0
|
1,0
|
71,553
|
355
|
20,393
|
12,880
|
420714
|
340,0
|
85,0
|
35,0
|
35,0
|
35,0
|
5,0
|
2,0
|
136,590
|
348
|
38,928
|
24,586
|
Примечания:
1. Значения радиусов
скругления R и радиусов притупления острых кромок r, не
приведенные в таблице, должны соответствовать требованиям ГОСТ
8617.
2. Радиусы
притупления острых кромок (r1, r2) должны соответствовать
требованиям ГОСТ
8617.
2. Теоретическая масса 1 м профиля из
алюминиевых сплавов вычислена по номинальным размерам при плотности 2,85 г/см3,
что соответствует плотности алюминиевого сплава марки В95.
Теоретическая масса 1 м профиля из магниевых
сплавов вычислена по номинальным размерам при плотности 1,80 г/см3,
что соответствует плотности магниевого сплава марки МА14.
3. Переводные коэффициенты для вычисления
приближенной теоретической массы 1 м профиля из алюминиевых и магниевых сплавов
приведены в приложении 1.
4. Соответствие номеров профилей ранее
действующим обозначениям приведено в приложении 2.
Справочное
Алюминий всех марок - 0,950
Сплавы марок АМц - 0,958
АМцС - 0,958
АМг2 - 0,940
АМг3 - 0,937
АМг5 - 0,930
АМг6 - 0,925
1561 - 0,930
Д1 - 0,982
Д16 - 0,976
Д16ч - 0,976
Д19ч - 0,968
Д20 - 0,996
АВ - 0,947
К48-2пч - 0,972
К48-2 - 0,972
АД31 - 0,950
АД33 - 0,951
АД35 - 0,954
1915 - 0,972
1920 - 0,954
1925 - 0,972
1935 - 0,977
1985ч - 0,948
1980 - 0,968
АД31Е - 0,950
ВД1 - 0,982
АВД1-1 - 0,982
АКМ - 0,970
М40 - 0,965
АК4 - 0,970
АК6 - 0,962
АК4-1 - 0,982
АК4-1ч - 0,982
ВАД1 - 0,968
ВД17 - 0,965
2. Переводные коэффициенты для вычисления
приближенной теоретической массы 1 м профиля из магниевых сплавов
Сплавы марок МА1 - 0,978
МА2 - 0,989
МА2-1 - 0,990
МА2-1пч - 0,990
МА8 - 0,989
МА12 - 0,989
Справочное
Таблица 2
Номер профиля
|
Обозначение профиля по
каталогу 1966 г.
|
Обозначение профиля по
чертежам
|
420001
|
-
|
ПК 15252
|
420002
|
-
|
ПК 16239
|
420004
|
-
|
ПК 13851
|
420005
|
-
|
ПВ 1514
|
420010
|
-
|
ПК 301-30, ПС 5-53
|
420011
|
П 130-7
|
ПК 13090, ПС 5-137
|
420012
|
П 130-8
|
ПП 15-40
|
420013
|
П 130-10
|
ПП 15-55
|
420014
|
П 130-12
|
ПП 15-56
|
420016
|
П 130-16
|
ПП 15-86
|
420017
|
-
|
ПК 15932
|
420020
|
-
|
ПК 14550
|
420021
|
П 130-18
|
С 218
|
420022
|
-
|
ПС 885-762
|
420023
|
П 130-20
|
ПК 0075, НП 398-1
|
420024
|
-
|
ПС 885-765
|
420028
|
П 130-24
|
С 696
|
420029
|
П 130-26
|
ПК 11077
|
420030
|
П 130-28
|
ПК 301-68, ПП 15-54
|
420031
|
П 130-30
|
ПВ 1244, ПС 5-49
|
420033
|
П 130-32
|
ПК 301-209
|
420034
|
П 130-34
|
ПК 301-25, ПП 15-60, ПС 5-47
|
420035
|
П 130-36
|
ПК 301-67, ПП 15-53
|
420036
|
-
|
ПК 15913
|
420040
|
П 130-38
|
ПР 113-1
|
420042
|
П 130-40
|
ПК 301-31, НП 220-1
|
420043
|
-
|
ПК 01171
|
420044
|
-
|
ПК 14018
|
420045
|
-
|
ПК 12572
|
420048
|
П 130-42
|
ПС 885-33
|
420049
|
П 130-44
|
ПК 301-56, ПП 15-42
|
420050
|
П 130-46
|
ПК 301-126
|
420051
|
П 130-48
|
ПК 11012, ПП 15-106
|
420052
|
П 130-50
|
ПК 301-139
|
420053
|
П 130-52
|
НП 666-1
|
420054
|
П 130-54
|
ПК 0029, ПП 15-104, ПС 5-108
|
420055
|
-
|
ПК 16251
|
420058
|
-
|
ПК 17805
|
420059
|
П 130-56
|
ПК 301-116, ПК 319-33
|
420061
|
П 130-58
|
ПК 301-41, НП 2-1
|
420063
|
П 130-60
|
ПП 15-80, ПС 5-149
|
420064
|
П 130-62
|
ПВ 504, ПС 885-43
|
420065
|
П 130-64
|
ПС 5-116
|
420066
|
П 130-66
|
ПК 301-135
|
420067
|
П 130-68
|
С 219, ПК 2560
|
420068
|
П 130-70
|
ПР 113-2
|
420069
|
П 130-72
|
ПР 109-1
|
420070
|
П 130-73
|
ПК 13154, С 1812, ПК 17644
|
420071
|
-
|
ПК 14019
|
420072
|
П 130-74
|
ПВ 241, ПВ 1488
|
420073
|
П 130-75
|
С 877
|
420074
|
П 130-76
|
ПР 109-7А, ПР 109-7, ПП 15-38
|
420075
|
П 130-78, П 130-80
|
ПР 315-1, ПР 315-1А, НП 202-19, ПП 15-21, ПС 5-41
|
420076
|
П 130-81
|
ПК 13160, С 1311-2, ПК 15127-4
|
420077
|
П 130-82
|
ПК 301-162
|
420078
|
-
|
ПК 16587, ПК 20006
|
420079
|
П 130-84
|
ПК 301-161
|
420080
|
П 130-86
|
ПК 301-78, ПС 5-69
|
420082
|
П 130-92
|
С 1560, ПК 301-127
|
420084
|
-
|
ПК 17307
|
420085
|
П 130-96
|
НП 250-1
|
420086
|
П 130-98
|
ПС 5-75
|
420088
|
П 130-100
|
ПС 5-78, НП 1726
|
420089
|
П 130-102
|
ПК 301-210
|
420090
|
П 130-104
|
ПК 301-64, ПП 15-50
|
420091
|
П 130-106
|
С 13-1, ПК 301-95
|
420092
|
П 130-107
|
ПК 11917
|
420093
|
П 130-108
|
ПК 301-145
|
420095
|
-
|
ПК 16300
|
420098
|
-
|
ПК 16298
|
420099
|
П 130-112
|
ПП 15-79
|
420100
|
П 130-114
|
ПК 307-6
|
420101
|
-
|
С 1348, ПК 15386
|
420102
|
П 130-116
|
ПС 5-89
|
420104
|
П 130-118
|
ПП 15-48
|
420107
|
-
|
С 1103-1, ПК 4323
|
420109
|
-
|
С 1492-1, ПК 16176
|
420110
|
-
|
С 1492-2, ПК 16177
|
420111
|
-
|
С 1103-3
|
420112
|
П 130-120
|
ПР 109-10, ПС 5-35, НП 202-5
|
420113
|
П 130-121
|
ПК 11916
|
420114
|
-
|
НП 1494
|
420115
|
-
|
ПК 15262
|
420116
|
П 130-123
|
ПК 11915
|
420117
|
-
|
ПК 16249
|
420118
|
П 130-124
|
ПВ 544, ПВ 1518, ПС 5-65, ПК 301-35
|
420119
|
-
|
ПК 16021
|
420120
|
П 130-126
|
ПВ 220, НП 1381-1
|
420121
|
-
|
С 1291
|
420122
|
П 130-128
|
ПР 113-9, ПП 15-32, ПР 109-5
|
420123
|
-
|
ПК 16301
|
420124
|
-
|
ПК 16862А
|
420125
|
П 130-130
|
ПР 113-3
|
420126
|
П 130-132
|
ПР 109-2
|
420127
|
П 130-134, П 130-136
|
С 1516, С 148, НП 220-2, ПП 15-76, ПС 5-55, ПК
301-32
|
420128
|
П 130-138
|
ПК 301-76А, ПК 301-76, ПП 15-85, ПС 5-161
|
420129
|
-
|
ПК 17783
|
420130
|
П 130-140
|
ПК 301-242
|
420131
|
П 130-142
|
ПК 301-28, ПП 15-59, ПС 5-52
|
420132
|
П 130-144
|
Н 793-Е36, ПВ 1590, ПК 13340, ПС 5-62
|
420133
|
П 130-146
|
ПК 301-80, ПП 15-78
|
420135
|
П 130-150
|
ПР 113-15
|
420136
|
П 130-151
|
С 815-6, ПК 8392
|
420138
|
П 130-152
|
ПР 113-16, НП 202-12, ПС 5-38, ПР 113-16А
|
420139
|
-
|
ПК 15127-2
|
420140
|
П 130-154
|
ПР 113-17, НП 202-8, ПС 5-22
|
420141
|
П 130-156
|
ПП 15-75, ПС 5-129, ПК 301-86
|
420142
|
-
|
ПК 301-219
|
420143
|
П 130-158
|
ПК 301-73, ПС 5-57
|
420144
|
П 130-159
|
ПК 12654
|
420145
|
-
|
ПК 16763
|
420146
|
П 130-161
|
ПК 12651
|
420147
|
П 130-163
|
ПК 13473А
|
420148
|
П 130-160
|
ПК 301-213
|
420149
|
-
|
ПК 16310
|
420150
|
П 130-162
|
ПР 315-2, ПР 315-2А, ПК 306-3, НП 202-11, ПС 5-24
|
420151
|
П 130-164
|
ПК 301-234А, ПК 301-234
|
420152
|
П 130-166
|
С 120
|
420153
|
П 130-167
|
С 815-2
|
420154
|
-
|
С 1178-4
|
420155
|
-
|
С 1178-1
|
420157
|
П 130-168
|
С 719, НП 235-4, ПР 301-20, ПП 15-27, ПС 5-30
|
420158
|
-
|
ПК 15021
|
420159
|
П 130-170
|
ПР 315-3, НП 202-26, ПС 5-46
|
420160
|
-
|
ПК 14735
|
420161
|
-
|
ПК 15867
|
420162
|
-
|
ПК 17092
|
420165
|
П 130-174
|
ПП 15-49
|
420166
|
П 130-176
|
ПК 301-34, ПС 5-64
|
420167
|
-
|
ПК 16764
|
420168
|
-
|
ПК 17243
|
420169
|
П 130-178
|
ПП 15-45
|
420170
|
-
|
ПК 14748
|
420171
|
П 130-180
|
ПП 15-41
|
420173
|
-
|
ПК 16316
|
420174
|
П 130-182
|
ПК 301-239
|
420176
|
П 130-188
|
ПК 301-120
|
420178
|
П 130-190
|
ПК 301-146
|
420179
|
П 130-192
|
ПК 301-129
|
420180
|
П 130-194
|
ПК 301-130
|
420181
|
П 130-196
|
ПК 301-131
|
420182
|
П 130-198
|
ПР 109-11, НП 202-18, ПС 5-19
|
420183
|
-
|
ПК 15145
|
420184
|
-
|
ПК 15149
|
420187
|
П 130-202
|
ПР 109-6, ПР 113-10, НП 202-15, ПП 15-33, ПС 5-25
|
420188
|
П 130-203
|
ПК 301-280
|
420189
|
-
|
ПК 16305
|
420190
|
П 130-204
|
С 1103-4, НП 1444-1, ПП 15-89, ПК 8389
|
420191
|
П 130-206
|
С 715, ПК 301-92, ПС 5-135
|
420192
|
П 130-208
|
ПР 113-18, НП 202-10, ПС 5-37
|
420193
|
П 130-210
|
ПК 302-7, НП 656-2
|
420194
|
П 130-211
|
ПК 301-192
|
420195
|
П 130-212
|
ПК 301-169
|
420196
|
П 130-214
|
С 1405, ПП 15-52
|
420199
|
П 130-216
|
ПК 301-133
|
420200
|
-
|
ПК 12582
|
420202
|
П 130-220
|
ПР 113-4, ПР 113-4А
|
420203
|
П 130-222
|
С 546, ПВ 1542, ПП 15-90, ПС 5-132, ПК 301-77А
|
420204
|
П 130-224
|
ПР 109-3, ПР 109-3А
|
420206
|
П 130-228
|
С 13-2, ПС 5-148
|
420207
|
П 130-230
|
С 13-3, ПС 5-140, ПК 301-81, ПК 301-81А
|
420208
|
П 130-232
|
ПВ 904, ПК 301-16, НП 83-1, ПС 5-17
|
420209
|
П 130-234
|
ПР 315-4, ПР 315-4А, НП 202-3, ПС 5-34
|
420210
|
П 130-236
|
ПК 301-240
|
420212
|
П 130-240
|
ПК 301-123, ПК 301-125, ПС 5-145
|
420213
|
П 130-241
|
НП 831-1
|
420215
|
-
|
ПК 14026
|
420216
|
П 130-242
|
С 174-2, НП 1203-1
|
420217
|
П 130-244
|
ПК 301-154
|
420218
|
П 130-246
|
Щ 301-122
|
420219
|
П 130-248
|
ПК 301-206, ПС 5-106
|
420220
|
-
|
ПК 15736
|
420222
|
П 130-250
|
ПП 15-47
|
420223
|
П 130-252
|
ПС 5-87, НП 1953
|
420224
|
П 130-254
|
С 81, ПК 301-96, С 1992
|
420225
|
П 130-256
|
НП 1539, ПС 5-72
|
420226
|
П 130-258
|
Щ 301-137
|
420227
|
П 130-260
|
ПК 301-136
|
420228
|
П 130-262
|
С 56-4, С 647, ПК 301-99, ПС 5-150
|
420229
|
-
|
ПК 14882
|
420230
|
-
|
ПК 16634
|
420231
|
-
|
ПК 15859
|
420232
|
-
|
ПК 17494
|
420233
|
П 130-264
|
С 56-1, ПП 15-70, ПС 5-130, ПК 301-49
|
420234
|
П 130-266
|
ПК 0901104
|
420236
|
П 130-268
|
С 734, ПК 301-13, ПК 301-13А
|
420237
|
П 130-270
|
ПК 301-87
|
420238
|
П 130-272
|
С 174-1
|
420239
|
-
|
С 1691
|
420242
|
П 130-274
|
ПР 113-19, НП 202-2, ПС 5-20
|
420243
|
-
|
С 1103-5, ПК 4335
|
420244
|
П 130-276
|
ПК 301-88А, ПК 301-88, ПП 15-82
|
420246
|
П 130-280
|
ПК 301-91, ПС 5-164
|
420248
|
П 130-282
|
ПК 301-256
|
420249
|
-
|
С 1344, ПК 15382
|
420251
|
П 130-286
|
ПП 15-66, ПС 5-147
|
420253
|
П 130-288
|
С 304, ПК 301-190
|
420254
|
П 130-290
|
ПС 5-56, ПК 301-72
|
420255
|
П 130-292
|
ПК 301-226
|
420256
|
П 130-294
|
ПС 5-70
|
420257
|
П 130-296
|
ПК 301-225, НП 1495
|
420259
|
П 130-299
|
ПК 13558
|
420260
|
-
|
ПК 15912
|
420261
|
-
|
ПК 14988
|
420262
|
П 130-298
|
ПР 113-20, НП 235-1, ПС 5-31
|
420263
|
П 130-300
|
С 1561, ПК 301-128
|
420264
|
П 130-302
|
ПР 113-11
|
420265
|
-
|
ПК 13854
|
420266
|
П 130-304
|
ПР 113-5, ПК 301-141, ПР 113-5А
|
420267
|
П 130-306
|
ПК 301-150
|
420268
|
П 130-308
|
ПР 109-4
|
420269
|
-
|
ПК 16307
|
420270
|
П 130-310
|
ПК 301-117
|
420271
|
-
|
ПК 14603
|
420272
|
П 130-311
|
ПК 301-285
|
420273
|
П 130-312
|
С 658, ПК 301-93, ПП 15-98, С 56-3
|
420275
|
П 130-314
|
НП 571-1
|
420276
|
П 130-316
|
ПС 5-97, НП 1581
|
420277
|
П 130-318
|
ПК 301-227
|
420278
|
-
|
ПК 16222
|
420279
|
П 130-319
|
ПК 12479
|
420280
|
П 130-320
|
ПК 301-171
|
420281
|
П 130-322
|
ПК 301-259
|
420282
|
П 130-324
|
ПК 0901110
|
420283
|
П 130-326
|
ПП 15-96, НП
1928
|
420284
|
П 130-328
|
ПВ 936, НП 202-21, ПП 15-23, ПС 5-43
|
420286
|
-
|
С 1031-1, ПК 14031
|
420287
|
П 130-330
|
ПК 301-140
|
420288
|
-
|
ПК 16241
|
420289
|
П 130-332
|
ПС 5-66
|
420290
|
П 130-334
|
ПК 301-47, ПП 15-67
|
420291
|
П 130-333
|
С 815-1
|
420292
|
-
|
ПК 18318
|
420293
|
П 130-335
|
ПК 12776
|
420294
|
П 130-337
|
ПК 301-276
|
420295
|
П 130-336
|
С 642
|
420298
|
П 130-338
|
ПВ 1305, ПВ 897, ПК 301-17, НП 202-7, ПП 15-10, НП
692-4, ПС 5-21
|
420299
|
П 130-340, П 130-342
|
ПК 301-18, НП 2012-24, ПП 15-34, ПС 6-27
|
420301
|
П 130-346
|
ПК 301-24, НП 202-22, ПП 15-24, ПС 5-44, С 1910
|
420303
|
-
|
ПК 15031, С 1267
|
420304
|
П 130-348
|
ПК 301-119, ПС 5-115
|
420305
|
П 130-350
|
НП 143-1
|
420306
|
П 130-352
|
С 684, ПК 2430
|
420307
|
П 130-354
|
ПК 301-228
|
420308
|
П 130-356
|
С 1570, АПР-5, ПК 301-11, ПК 605, ПП 15-73, ПС 5-12
|
420310
|
П 130-358
|
ПП 15-68, ПС
5-136
|
420311
|
-
|
ПК 12717
|
420312
|
П 130-360
|
ПК 9657
|
420313
|
П 130-362
|
ПВ 442, ПК 4319
|
420314
|
-
|
С 1031-3, ПК 14038
|
420316
|
П 130-364
|
НП 27-1
|
420319
|
П 130-366
|
ПК 301-164
|
420320
|
П 130-368
|
ПР 113-6
|
420321
|
П 130-369
|
ПК 11809
|
420322
|
П 130-370
|
Щ 301-142
|
420323
|
П 130-372
|
ПР 113-7
|
420324
|
-
|
ПК 14960
|
420325
|
П 130-374
|
ПР 315-5, НП 202-4, ПС 5-1
|
420326
|
П 130-375
|
ПК 301-286
|
420327
|
-
|
С 1178-6
|
420328
|
-
|
НП 1402-1
|
420329
|
П 130-376
|
ПК 301-167
|
420330
|
П 130-377
|
ПК 13995
|
420332
|
П 130-378
|
ПС 5-4, ПК 301-3
|
420333
|
-
|
ПК 14322
|
420334
|
-
|
С 1510, ПК 16015
|
420335
|
П 130-380
|
ПК 301-97, ПП 15-77
|
420336
|
П 130-382
|
ПК 302-15
|
420337
|
П 130-384
|
ПС 5-80, НП 1934
|
420338
|
П 130-385
|
ПК 0870
|
420339
|
П 130-386
|
ПС 5-73, НП 1727
|
420340
|
-
|
С 1059
|
420341
|
П 130-388
|
ПК 302-14, ПК 302-14-1, ПК 302-14В
|
420342
|
П 130-390
|
ПК 301-2, ПС 5-3
|
420343
|
П 130-392
|
ПК 301-163
|
420344
|
-
|
ПК 16315
|
420345
|
-
|
ПК 17244
|
420347
|
П 130-395
|
ПК 0857
|
420348
|
П 130-396
|
ПП 15-63, ПС 5-60
|
420349
|
П 130-398
|
ПР 315-6, ПР 315-6А, ПК 17592
|
420350
|
П 130-400
|
С 713, ПК 301-229
|
420351
|
П 130-402
|
АПР 7
|
420352
|
П 130-404
|
ПК 301-4, ПС 5-5
|
420353
|
П 130-406
|
АПР 6, ПК 301-5, ПП 15-74, ПС 5-6, НП 114-1
|
420355
|
П 130-408
|
ПК 301-50, ПП 15-71, ПС 5-131
|
420356
|
П 130-410
|
ПР 315-7, ПР 315-7А, НП 202-14, ПС 5-39
|
420368
|
П 130-412
|
НП 1250-1, ПС 5-120
|
420359
|
-
|
ПК 16771
|
420360
|
П 130-414
|
ПК 301-94, НП 247-1
|
420361
|
П 130-416
|
ПК 301-101, ПП 15-84
|
420363
|
П 130-415
|
ПК 12628
|
420364
|
П 130-420
|
ПР 113-21, НП 235-7, ПС 5-29
|
420365
|
-
|
ПК 16163
|
420366
|
П 130-422, П 130-424
|
С 189, ПК 301-211
|
420368
|
П 130-426
|
ПП 15-100
|
420369
|
П 130-428
|
ПС 5-58
|
420370
|
П 130-430
|
С 922-2, ПК 301-57, ПП 15-43, ПС 5-139
|
420371
|
П 130-432
|
ПК 301-212
|
420373
|
П 130-433
|
НП 880-1
|
420375
|
П 130-436
|
ПК 1844, ПС 5-104
|
420376
|
П 130-438
|
ПК 301-252
|
420377
|
-
|
С 1511, ПК 16016
|
420378
|
-
|
ПК 12628-1
|
420379
|
П 130-439
|
ПК 0962
|
420380
|
-
|
ПК 17308
|
420381
|
-
|
С 1053-3
|
420382
|
П 130-440
|
ПК 301-173
|
420383
|
П 130-442
|
ПК 301-196
|
420384
|
-
|
ПК 16308
|
420386
|
П 152-177
|
ПК 308-8, ПС 9-8
|
420387
|
П 130-444
|
ПК 301-104, ПП 15-92, ПС 5-142
|
420388
|
П 130-446
|
ПП 15-44
|
420390
|
-
|
ПК 15924
|
420391
|
П 130-448
|
С 1198, ПК 301-98, ПП 15-91, ПС 5-157, ПВ 1766
|
420392
|
-
|
ПК 14876
|
420393
|
П 130-450
|
ПВ 223-1
|
420394
|
П 130-451
|
ПК 12331
|
420395
|
-
|
ПК 15853
|
420396
|
П 130-452
|
ПК 301-39, ПС 5-138, ПА 63
|
420397
|
-
|
С 1262-3, НП 1807
|
420398
|
-
|
ПК 17087
|
420399
|
П 130-454
|
С 434, С 1571, ПК 301-232А, С 434А
|
420401
|
-
|
ПК 17185, ПК 17185А
|
420402
|
П 130-456
|
НП 350-1, ПС 5-159, ПК 301-89
|
420403
|
П 130-458
|
С 56-2, ПК 301-90
|
420405
|
П 130-460
|
ПК 301-121
|
420407
|
П 130-464
|
ПР 109-12, ПР 109-12А, НП 202-25, ПС 5-45
|
420408
|
-
|
ПК 17335
|
420409
|
-
|
ПК 17297
|
420411
|
П 130-466
|
С 733, ПС 5-8, ПК 301-7
|
420412
|
-
|
ПК 15694
|
420413
|
П 130-468
|
ПР 315-8, ПР 315-8А, НП 692-3, НП 202-1, ПП 15-7,
ПС 5-18
|
420414
|
П 130-470
|
ПК 301-243
|
420417
|
-
|
С 1175
|
420418
|
-
|
ПК 12716
|
420419
|
П 130-472
|
ПС 5-61
|
420420
|
П 130-474
|
ПК 0901-02, ПК 2132
|
420421
|
-
|
ПК 14321
|
420422
|
-
|
ПК 16125
|
420423
|
П 130-476
|
ПВ 1284, ПК 301-9, С 2206
|
420424
|
П 130-478
|
С 729, ПК 301-21, ПК 301-21А, НП 235-2, ПП 15-26,
ПС 5-32
|
420426
|
-
|
С 1503, ПК 15971
|
420427
|
П 130-480
|
ПК 301-124
|
420430
|
П 130-484
|
ПК 301-10, НП 173-1, ПС 5-11
|
420432
|
-
|
ПК 13824
|
420433
|
-
|
ПК 12560
|
420436
|
П 130-486
|
ПВ 1504, ПК 301-71, ПП 15-65, ПС 5-63
|
420438
|
П 130-490
|
С 287, ПК 301-179
|
420440
|
П 130-492
|
ПК 301-52, НП 692-1, ПП 15-1, ПС 5-156
|
420442
|
П 130-496
|
С 970, ПК 301-6, ПК 301-6А, НП 235-6, ПП 15-58, ПС
5-7
|
420443
|
П 130-498
|
ПК 301-143, ПС 5-93
|
420445
|
П 130-499
|
ПК 0556
|
420446
|
П 130-503
|
ПК 0555
|
420449
|
П 130-500
|
ПК 301-8, ПС 5-9
|
420450
|
П 130-502
|
ПС 5-71
|
420452
|
-
|
ПК 17801, ПС 1043
|
420453
|
П 130-504
|
ПС 5-13, С 341, ПК 301-12, ПК 301-12А
|
420454
|
-
|
ПК 18171
|
420456
|
П 130-507
|
ПК 12589, ПК 12190
|
420457
|
П 130-508
|
НП 263-1
|
420458
|
-
|
ПК 16981
|
420459
|
П 130-510
|
ПК 301-170
|
420460
|
П 130-512
|
ПК 301-19, ПС 5-28
|
420461
|
П 130-514
|
ПК 301-220
|
420463
|
-
|
ПК 17613
|
420464
|
П 130-516
|
ПК 301-203
|
420465
|
-
|
ПК 11450
|
420467
|
-
|
ПК 18009; ПК17936
|
420468
|
-
|
ПК 15687
|
420473
|
П 130-522
|
ПВ 440 ;
|
420474
|
П 130-524
|
С 1572, ПП 15-99, С 322, ПК 4074
|
420476
|
П 130-525
|
ПК 12062
|
420477
|
-
|
ПК 18356
|
420478
|
-
|
ПК 17117
|
420479
|
П 130-529
|
ПК 301-278
|
420480
|
П 130-528
|
С 458
|
420481
|
П 130-530
|
С 450, НП 1209-1, ПВ 1964, ПК 4104
|
420486
|
П 130-533
|
ПК 12278
|
420487
|
П 130-534
|
ПК 301-166
|
420488
|
-
|
ПК 17611
|
420491
|
П 130-538
|
ПВ 1489, ПК 301-1, ПК 301-1А, НП 235-5, ПП 15-28,
ПС 5-2
|
420493
|
-
|
ПК 16240
|
420494
|
-
|
ПК 16252
|
420495
|
-
|
ПК 16772
|
420496
|
П 130-541
|
ПК 12624
|
420497
|
П 130-540
|
ПК 0901105, ПК 0901105В
|
420499
|
П 130-545
|
ПК 0605
|
420501
|
-
|
ПК 17995
|
420502
|
П 130-542
|
ПА 150, ПВ 723, ПС 5-144
|
420503
|
-
|
ПК 15928
|
420504
|
-
|
ПК 18300
|
420505
|
П 130-544
|
С 300, ПК 302-5, НП 696-1, ПП 15-103, ПС 5-95
|
420507
|
-
|
ПК 16314
|
420508
|
П 130-546
|
ПК 301-132
|
420509
|
-
|
ПК 18303
|
420510
|
П 130-548
|
С 938, ПС 5-121, ПК 4301, ПВ 1817
|
420511
|
-
|
ПК 17728
|
420512
|
-
|
ПК 17732
|
420513
|
-
|
ПК 16312
|
420515
|
П 130-550
|
С 1387-2, ПК 301-29
|
420516
|
П 130-552
|
ПК 11329
|
420517
|
-
|
ПК 14155
|
420518
|
П 130-553
|
ПК 301-291
|
420519
|
П 130-554
|
ПК 301-45, НП 61-1, ПП 15-64
|
420521
|
П 130-557
|
ПК С551
|
420522
|
П 130-558
|
ПВ 223-5, НП 1667
|
420524
|
П 130-560
|
ПВ 472-1, С 2211-1, ПК 301-215
|
420525
|
П 130-562
|
ПВ 590, С 2210
|
420526
|
П 130-564
|
ПК 301-165
|
420527
|
П 130-566
|
ПК 301-134
|
420528
|
П 130-568
|
ПВ 1554, ПС 5-110, С 2207
|
420529
|
П 130-570
|
С 1004, ПС 5-79, ПВ 1883
|
420530
|
П 130-572
|
ПР 315-9, ПР 315-9А, НП 202-16, ПС 5-40, С 401
|
420532
|
-
|
ПК 16663
|
420533
|
-
|
С 1319, ПК 15071
|
420534
|
П 130-574
|
ПК 301-159
|
420535
|
-
|
ПК 15305
|
420536
|
-
|
ПК 13825-2
|
420537
|
П 130-576
|
ПС 5-76, НП 1933
|
420538
|
П 130-578
|
ПК 301-118, ПС 5-92
|
420539
|
П 130-580
|
ПК 301-160
|
420540
|
П 130-582
|
ПР 315-10, ПР 315-10А, НП 202-9, ПС 5-23, ПК 11938
|
420543
|
П 130-585
|
С 815-5, ПК 12291
|
420544
|
П 130-584
|
ПР 315-11, ПР 315-11А, НП 202-17, ПС 5-26
|
420545
|
П 130-586
|
ПК 301-168
|
420546
|
П 130-588
|
С 966-2, ПК 301-44, ПП 15-62, ПК 301-44В
|
420547
|
П 130-590
|
С 966-1, ПК 301-43, ПП 15-61
|
420548
|
П 130-591
|
С 728
|
420549
|
П 152-252
|
С 1553, С 448-1А
|
420552
|
-
|
ПК 16320
|
420554
|
П 130-592
|
ПП 15-97, ПК 19470
|
420555
|
-
|
ПК 18317
|
420556
|
П 130-594
|
ПВ 223-6
|
420558
|
П 130-598
|
ПВ 472-2, С 2211-2, ПК 301-216
|
420560
|
-
|
ПК 15539
|
420561
|
-
|
ПК 17090
|
420562
|
-
|
ПК 15540
|
420564
|
П 130-600
|
ПР 315-12А, ПР 315-12
|
420565
|
-
|
С 1380
|
420566
|
-
|
С 1300
|
420567
|
П 130-602
|
С 526, ПК 301-27, ПВ 1219
|
420568
|
-
|
ПК 15304
|
420569
|
-
|
С 1219
|
420570
|
П 130-604
|
ПК 319-35
|
420573
|
-
|
ПК 13825-3
|
420574
|
П 130-606
|
ПК 301-152
|
420575
|
-
|
ПК 14956, ПК 14956А
|
420576
|
П 130-608
|
ПС 5-33, ПК 301-22, ПК 301-22А, НП 235-3, НП 692-5,
ПП 15-17
|
420578
|
-
|
ПК 16323
|
420579
|
-
|
ПК 12590
|
420580
|
П 130-610
|
ПК 301-176
|
420581
|
-
|
ПК 12591
|
420582
|
-
|
ПК 16313
|
420583
|
П 130-612
|
ПС 5-112
|
420584
|
П 130-614
|
С 363, ПК 301-37, ПП 15-101, ПС 5-67
|
420585
|
-
|
ПК 18316
|
420587
|
П 130-616
|
ПК 301-144
|
420588
|
П 130-618
|
ПВ 779
|
420589
|
П 130-620
|
ПР 315-13, НП 202-23, ПС 5-74
|
420593
|
П 130-625
|
ПК 12037
|
420594
|
П 130-626
|
ПК 0072
|
420596
|
П 130-628
|
ПВ 262, С 2080
|
420597
|
П 130-630
|
ПА 151, ПК 301-107А
|
420599
|
-
|
ПК 13825
|
420601
|
П 130-632
|
С 1240, ПС 5-77, С 2222
|
420603
|
П 130-634
|
С 869, ПК 301-102, ПП 5-87, ПС 5-151
|
420605
|
-
|
ПК 16303
|
420606
|
П 130-636
|
ПК 301-174
|
420612
|
П 130-642
|
ПС 5-98
|
420613
|
П 130-644
|
ПВ 576, НП 1466-1
|
420614
|
П 130-645
|
ПВ 1114-1, ПК 18793-1
|
420615
|
П 130-647
|
ПВ 1084
|
420616
|
П 130-646
|
ПК 301-105, ПС 5-133
|
420617
|
П 130-648
|
С 1387-1, ПК 301-14, ПС 5-15
|
420618
|
-
|
С 1494, ПК 4834
|
420619
|
П 130-650
|
НП 345-1
|
420620
|
П 130-652
|
ПК 301-15, ПС 5-16
|
420621
|
-
|
ПК 16321
|
420623
|
П 130-656
|
ПК 301-273
|
420624
|
П 130-658
|
ПС 5-48, ПР 315-14, ПР 315-14А, НП 202-20, ПС 5-42,
ПК 2616
|
420626
|
П 130-660
|
ПК 301-138
|
420627
|
П 130-662
|
ПК 301-158
|
420628
|
П 130-663
|
С 829, ПК 0744-1А, ПК 12421, ПК 0744-1
|
420629
|
П 130-664
|
ПВ 349
|
420630
|
-
|
ПК 14116
|
420631
|
-
|
ПК 17697-2
|
420632
|
-
|
ПК 13845
|
420634
|
П 130-666
|
ПК 301-103, ПП 15-88, ПС 5-152
|
420636
|
-
|
ПК 14133
|
420637
|
П 130-670
|
ПВ 223-13
|
420640
|
П 130-672
|
ПК 301-175
|
420642
|
П 130-674
|
ПС 5-82
|
420643
|
П 130-676
|
ПВ 261
|
420644
|
П 130-677
|
ПК 11732
|
420645
|
-
|
ПК 15756
|
420646
|
-
|
ПК 17697-6, ПК 17697-6Г
|
420648
|
-
|
ПК 17812
|
420650
|
П 130-679
|
ПВ 1114-2, ПК 18793-2
|
420651
|
П 130-680
|
ПК 301-38, ПС 5-68
|
420652
|
П 130-682
|
ПВ 585, С 922-1, ПК 0255, ПК 301-51, НП 1124-1, ПП
15-72, ПС 5-114
|
420653
|
-
|
ПК 13844
|
420655
|
П 130-686
|
ПВ 223-14, С 2180
|
420657
|
-
|
ПК 15130
|
420658
|
П 130-689
|
С 1139, ПК 0744-3
|
420659
|
-
|
С 1262-2
|
420660
|
П 130-691
|
С 876
|
420661
|
П 130-690
|
ПК 301-222
|
420662
|
П 130-692
|
ПВ 263, ПК 4706
|
420663
|
П 130-694
|
ПК 0100
|
420664
|
П 130-696
|
ПВ 323, С 2178
|
420666
|
П 130-700
|
ПВ 889-1, ПВ 223-16, НП 1022-1
|
420667
|
П 130-702
|
ПВ 889-2, ПВ 223-17
|
420668
|
-
|
ПК 17762
|
420669
|
-
|
ПВ 743
|
420670
|
-
|
ПК 18367
|
420671
|
П 130-704
|
ПВ 1388, НП 1272-1, ПС 5-111
|
420672
|
П 130-705
|
ПК 11733
|
420673
|
П 130-706
|
ПВ 737
|
420674
|
П 130-708
|
ПВ 565
|
420675
|
П 130-710
|
ПВ 223-18, НП 499-1, С 2237
|
420677
|
П 130-713
|
ПВ 1114-3, ПК 18793-3
|
420679
|
П 130-714
|
ПС 5-88
|
420680
|
П 130-716
|
ПК 301-33, ПК 301-33А, ПС 5-59
|
420681
|
П 130-718
|
ПВ 223-20
|
420683
|
П 130-722
|
ПВ 226-1, НП 713-1, НП 704-1, С 2149-1
|
420685
|
П 130-724
|
ПВ 738
|
420687
|
-
|
ПК 16704
|
420689
|
П 130-728
|
ПК 301-223
|
420692
|
П 130-734
|
ПВ 226-2, НП 713-2, НП 704-2, С 2144
|
420693
|
П 130-736
|
С 303А, ПК 0750, ПК 301-184
|
420694
|
-
|
ПК 01200-1
|
420695
|
П 130-738
|
ПВ 226-3, НП 713-3, НП 704-3, С 2149-2
|
420696
|
П 130-740
|
ПВ 226-4, НП 704-4
|
420697
|
П 130-741
|
ПК 540
|
420698
|
П 130-742
|
ПВ 226-5, НП 500-1, НП 704-5
|
420699
|
П 130-744
|
ПВ 226-6, НП 704-6
|
420700
|
П 130-745
|
ПК 11777
|
420701
|
-
|
ПВ 1560
|
420703
|
П 130-746
|
ПВ 226-7, НП 704-7
|
420704
|
П 130-748
|
ПВ 226-8, ПК 301-262, НП 704-8
|
420713
|
П 130-760
|
ПК 301-261
|
420717
|
-
|
БК 296
|
420720
|
-
|
ПК 17905, С 1885
|
420723
|
-
|
НП 1827, ПК 7006, С 2154
|
420724
|
-
|
ПК 8258
|
420725
|
-
|
ПК 4089
|
420727
|
-
|
ПК 19106
|
420728
|
-
|
ПК 01323
|
420729
|
-
|
ПК 4643
|
420731
|
-
|
ПК 19155
|
420732
|
-
|
ПК 19657
|
420733
|
-
|
ПК 4542
|
420735
|
-
|
ПК 19134
|
420736
|
-
|
ПК 19635, С 2114
|
420737
|
-
|
ПК 8715
|
420738
|
-
|
ПК 19413
|
420739
|
-
|
ПК 2042
|
420740
|
-
|
ПК 4269
|
420741
|
-
|
ПК 2903
|
420742
|
-
|
ПК 17831, С 1853, ПС 1054Д
|
420744
|
-
|
ПС 885-1067
|
420746
|
-
|
ПК 2574
|
420747
|
-
|
ПК 17409, С 1758
|
420748
|
-
|
ПК 19644
|
420749
|
-
|
ПК 8424
|
420751
|
-
|
НП 1515
|
420752
|
-
|
ПК 17540, С 1777
|
420753
|
-
|
ПК 18034, С 1895
|
420754
|
-
|
ПК 3087
|
420755
|
-
|
ПК 8114-2
|
420756
|
-
|
ПК 8114-4
|
420757
|
-
|
НП 1514
|
420758
|
-
|
ПК 879
|
420759
|
-
|
ПК 8315
|
420760
|
-
|
ПК 2179
|
420761
|
-
|
ПВ 1952
|
420762
|
-
|
ПК 17655, С 1806
|
420763
|
-
|
ПК 8323
|
420764
|
-
|
ПК 19719
|
420766
|
-
|
ПК 4228
|
420767
|
-
|
ПК 8116
|
420768
|
-
|
ПК 4167
|
420769
|
-
|
ПК 2630
|
420770
|
-
|
ПК 4615
|
420773
|
-
|
ПК 19435
|
420774
|
-
|
ПК 17716
|
420777
|
-
|
ПК 19154
|
420778
|
-
|
ПК 19148
|
420779
|
-
|
ПК 20005
|
420782
|
-
|
ПК 19411
|
420783
|
-
|
ПК 7020, С 2173
|
420784
|
-
|
ПК 4641
|
420786
|
-
|
ПК 17712
|
420787
|
-
|
ПК 18284-1
|
420788
|
-
|
ПК 4143, ПК 4535
|
420789
|
-
|
ПК 4447
|
420750
|
-
|
ПК 2478
|
420791
|
-
|
ПК 2491
|
420792
|
-
|
ПК 19025
|
420793
|
-
|
ПК 2899
|
420794
|
-
|
ПК 18895, С 2015
|
420795
|
-
|
ПК 8111
|
420796
|
-
|
ПК 18559
|
420797
|
-
|
ПК 8242
|
420798
|
-
|
ПК 19214
|
420801
|
-
|
ПК 2620
|
420802
|
-
|
ПК 20053
|
420804
|
-
|
ПК 20054
|
420805
|
-
|
ПК 2480
|
420806
|
-
|
ПК 8081
|
420808
|
-
|
ПК 2919
|
420809
|
-
|
ПК 18992
|
420810
|
-
|
ПК 18284-2
|
420811
|
-
|
ПК 8639
|
420812
|
-
|
ПК 18983
|
420814
|
-
|
ПК 14957, ПК 14957А
|
420816
|
-
|
ПК 8012
|
420817
|
-
|
ПК 8019
|
420818
|
-
|
ПК 2083
|
420819
|
-
|
ПК 17893, С 1871
|
420821
|
-
|
ПК 19203-2
|
420822
|
-
|
ПК 3086
|
420823
|
-
|
ПК 19203-1
|
420824
|
-
|
ПК 18933
|
420825
|
-
|
ПК 8024
|
420826
|
-
|
ПК 8640
|
420827
|
-
|
ПК 8641
|
420828
|
-
|
ПК 19115
|
420829
|
-
|
ПК 2623
|
420830
|
-
|
ПК 2479
|
420831
|
-
|
ПК 2249
|
420832
|
-
|
ПК 17411-7, С 1752-7
|
420833
|
-
|
ПК 8780
|
420834
|
-
|
ПК 8117
|
420835
|
-
|
ПК 2650
|
420836
|
-
|
ПК 19204
|
420838
|
-
|
ПК 2077
|
420839
|
-
|
ПК 18745
|
420840
|
-
|
ПК 4653
|
420841
|
-
|
НП 1922
|
420842
|
-
|
ПК 19780
|
420846
|
-
|
ПК 2485
|
420847
|
-
|
ПК 8474
|
420848
|
-
|
ПК 13361
|
420849
|
-
|
ПК 2248
|
420850
|
-
|
ПК 19156
|
420851
|
-
|
ПК 2499
|
420852
|
-
|
ПК 2481
|
420853
|
-
|
ПК 19676
|
420854
|
-
|
ПК 8565
|
420857
|
-
|
ПК 2613
|
420859
|
-
|
ПК 2541
|
420860
|
-
|
ПК 4163
|
420864
|
-
|
ПК 2617
|
420865
|
-
|
ПК 8852
|
420867
|
-
|
БК 232
|
420868
|
-
|
ПК 19298
|
420870
|
-
|
ПК 8560
|
420871
|
-
|
ПК 19185
|
420873
|
-
|
ПК 2582
|
420874
|
-
|
ПК 2608
|
420876
|
-
|
ПК 2081
|
420877
|
-
|
ПК 2226
|
420878
|
-
|
ПК 2075
|
420881
|
-
|
ПК 19183
|
420882
|
-
|
ПК 19018
|
420883
|
-
|
ПК 17912
|
420884
|
-
|
ПК 8544
|
420886
|
-
|
ПК 8552
|
420887
|
-
|
ПК 2568-1
|
420888
|
-
|
ПК 2677
|
420890
|
-
|
ПК 2669
|
420891
|
-
|
ПК 18647, С 1970
|
420893
|
-
|
ПК 8694
|
420894
|
-
|
ПК 8693
|
420895
|
-
|
ПК 18567
|
420896
|
-
|
ПК 2008
|
420897
|
-
|
ПК 18970
|
420898
|
-
|
ПК 19108
|
422501
|
-
|
ПК 4385
|
422502
|
-
|
ПК 4430
|
422503
|
-
|
ПК 4357
|
422504
|
-
|
ПК 4506
|
422506
|
-
|
ПФ 146
|
422507
|
-
|
ПК 18980
|
422508
|
-
|
ПФ 147
|
422509
|
-
|
ПК 2544
|
422510
|
-
|
ПК 19585
|
422511
|
-
|
ПК 2925
|
ИНФОРМАЦИОННЫЕ ДАННЫЕ
1. РАЗРАБОТАН И ВНЕСЕН
Министерством авиационной промышленности
РАЗРАБОТЧИКИ
Г.С.
Макаров, В.Ф. Николаев, В.К. Николаев
2. УТВЕРЖДЕН И ВВЕДЕН В
ДЕЙСТВИЕ Постановлением Государственного комитета СССР по управлению качеством
продукции и стандартам от 18.03.91 № 270
3. Периодичность проверки
стандарта - 10 лет
4. ВЗАМЕН ГОСТ 13622-79
5. ССЫЛОЧНЫЕ
НОРМАТИВНО-ТЕХНИЧЕСКИЕ ДОКУМЕНТЫ
Обозначение НТД, на
который дана ссылка
|
Номер пункта
|
ГОСТ
8617-81
|
1
|
|