Информационная система
«Ёшкин Кот»

XXXecatmenu

ОТКРЫТОЕ АКЦИОНЕРНОЕ ОБЩЕСТВО "ГАЗПРОМ"

ВЕДОМСТВЕННЫЙ РУКОВОДЯЩИЙ ДОКУМЕНТ

ИНСТРУКЦИЯ
ПО РАСЧЕТУ НОРМАТИВОВ ПОТРЕБЛЕНИЯ МЕТАНОЛА
ДЛЯ ИСПОЛЬЗОВАНИЯ В РАСЧЕТАХ
ПРЕДЕЛЬНО ДОПУСТИМЫХ
ИЛИ ВРЕМЕННО СОГЛАСОВАННЫХ СБРОСОВ МЕТАНОЛА
ДЛЯ ОБЪЕКТОВ ОАО "ГАЗПРОМ"

ВРД 39-1.13-010-2000

МОСКВА 2000

Система нормативных документов в газовой промышленности

ВЕДОМСТВЕННЫЙ РУКОВОДЯЩИЙ ДОКУМЕНТ

ИНСТРУКЦИЯ
ПО РАСЧЕТУ НОРМАТИВОВ ПОТРЕБЛЕНИЯ МЕТАНОЛА
ДЛЯ ИСПОЛЬЗОВАНИЯ В РАСЧЕТАХ ПРЕДЕЛЬНО ДОПУСТИМЫХ
ИЛИ ВРЕМЕННО СОГЛАСОВАННЫХ СБРОСОВ МЕТАНОЛА
ДЛЯ ОБЪЕКТОВ ОАО "ГАЗПРОМ"

ВРД 39-1.13-010-2000

ОТКРЫТОЕ АКЦИОНЕРНОЕ ОБЩЕСТВО «ГАЗПРОМ»

Общество с ограниченной ответственностью

Научно-исследовательский институт
природных газов и газовых технологий - ВНИИГАЗ

(ООО «ВНИИГАЗ»)

Общество с ограниченной ответственностью
«Информационно-рекламный центр газовой промышленности»
(ООО «ИРЦ Газпром»)

МОСКВА 2000

ПРЕДИСЛОВИЕ

РАЗРАБОТАН                         Обществом с ограниченной ответственностью «Научно-исследовательский институт природных газов и газовых технологий - ВНИИГАЗ» (ООО «ВНИИГАЗ»)

СОГЛАСОВАН                       Госкомэкологией РФ (№ 05-22/16-539 от 21.10.99). Минтопэнерго РФ (№ 27-05-06/11 от 30.01.97).

ВНЕСЕН                                  Управлением науки, новой техники и экологии ОАО «Газпром»

УТВЕРЖДЕН                          Заместителем Председателя Правления ОАО «Газпром» В.В. Ремизовым 31 мая 2000 г.

ВВЕДЕН В ДЕЙСТВИЕ         Приказом ОАО «Газпром» от 3 августа 2000 г. № 65 с 10 августа 2000 г.

ВВОДИТСЯ ВПЕРВЫЕ

ИЗДАН                                     Обществом с ограниченной ответственностью «Информационно-рекламный центр газовой промышленности» (ООО «ИРЦ Газпром»)

СОДЕРЖАНИЕ

Введение. 2

1. Назначение и область применения. 2

2. Предельно допустимые концентрации и контроль содержания метанола в воде. 3

3. Нормирование расхода метанола. 3

4. Установление нормативов сброса метанола. 6

5. Пример нормирования расхода метанола для газоконденсатных месторождений типа валанжинского газа уренгойского гкм.. 9

6. Пример нормирования расхода метанола для газовых месторождений типа сеноманского газа уренгойского гкм.. 14

Литература. 15

Приложение Основные термины и определения. 16

ВВЕДЕНИЕ

Настоящая Инструкция разработана во Всероссийском научно-исследовательском институте природных газов и газовых технологий (ВНИИГАЗ) в соответствии с Законом Российской Федерации «Об охране окружающей природной среды» с целью получения данных о сбросах метанола (метилового спирта) при использовании его в качестве ингибитора гидратообразования при обработке природных газов для использования этих данных в расчетах предельно допустимых или временно согласованных сбросов сточных вод, содержащих метанол.

Инструкцию разработали сотрудники 000 «ВНИИГАЗ» д.т.н. Бухгалтер Э.Б. (руководитель темы), к.г.н. Бурмистров А.Г. (ответственный исполнитель), к.г.н. Будников Б.О., к.т.н. Ниберг А.А., Дьячихина В.С., Никишенкова Е.В., Павлова И.Э., Лужкова Е.А.

Консультации при подготовке Инструкции оказывали начальник отдела экологии УННТиЭ ОАО «Газпром» Ю.В. Кобзев и зам. начальника УННТиЭ Е.В. Дедиков. Авторы благодарны работникам Госкомэкологии РФ Князевой Т.Ф. и Пономаревой Л.С. за ценные советы, учтенные при подготовке настоящей редакции.

Система нормативных документов в газовой промышленности

ВЕДОМСТВЕННЫЙ РУКОВОДЯЩИЙ ДОКУМЕНТ

Инструкция
по расчету нормативов потребления метанола для использования
в расчетах предельно допустимых или временно согласованных сбросов метанола
для объектов ОАО «Газпром»

Дата введения 2000-08-10

1. НАЗНАЧЕНИЕ И ОБЛАСТЬ ПРИМЕНЕНИЯ

1.1. Настоящий документ предназначен для использования экологическими службами предприятий по добыче и транспорту газа и других объектов, эксплуатируемых в соответствии с действующими нормами, научно-исследовательскими и проектными организациями, иными предприятиями отрасли, а также организациями и юридическими лицами, имеющими установленные в соответствии с законодательством Российской Федерации права на проведение работ, связанных с разработкой проектов предельно допустимых сбросов загрязняющих веществ в водные объекты.

1.2. Область действия настоящей Инструкции распространяется на стационарные, точечные, площадные и протяженные постоянные и периодические источники загрязнения водных объектов. Она применяется на предприятиях ОАО «Газпром» и аналогичных предприятиях независимо от ведомственной принадлежности и форм собственности во всех субъектах Российской Федерации.

1.3. Настоящий документ устанавливает методику расчета расходования метанола для целей ингибирования системы добычи газа, общие принципы определения предельно допустимого (ПДС) и временно согласованного сброса (ВСС) метанола в составе сточных вод, нормативов сброса в канализацию населенных пунктов, иные объекты природной среды в соответствии с проектом, получившим положительное заключение государственной экологической экспертизы, и лицензией, полученной в установленном порядке.

1.4. Порядок согласования, утверждения и государственного контроля соблюдения нормативов сброса загрязняющих веществ в объекты природной среды или сети водоотведения устанавливается федеральными нормативными документами, а также решениями администрации субъектов Федерации в соответствии с распределением обязанностей и ответственности органов исполнительной власти на территории субъекта Федерации с учетом международных и межрегиональных соглашений на трансграничных (пограничных) водных объектах.

2. ПРЕДЕЛЬНО ДОПУСТИМЫЕ КОНЦЕНТРАЦИИ И КОНТРОЛЬ СОДЕРЖАНИЯ МЕТАНОЛА В ВОДЕ

2.1. Для метанола установлены следующие предельно допустимые концентрации:

- в воде, используемой для целей хозяйственно-питьевого водопользования, ПДК составляет 3 мг/л по санитарно-токсикологическому лимитирующему показателю вредности, 2 класс опасности [7].

- в воде водных объектов рыбохозяйственного водопользования - 0,1 мг/л по санитарно-токсикологическому лимитирующему показателю вредности, 4 класс опасности [21].

2.2. Максимальная концентрация метанола, допустимая при биологической очистке - 30 мг/л, эффективность удаления на сооружениях биологической очистки - 95 % [25].

1 мг метанола соответствует следующим показателям потребности в кислороде:

ХПК - 1,50; БПК5 - 0,77; БПКполн - 0,98 мг О2.

2.3. Постоянный контроль содержания метанола в водах должен осуществляться в соответствии с введенной на предприятиях ОАО «Газпром» с 1.03.98 г. «Методикой определения метанола в водах промысловых объектов газовой промышленности газохроматографическим методом» [26], а периодический может проводиться по методикам, включенным в Реестр методик, допущенных для целей государственного экологического контроля [22, 23].

3. НОРМИРОВАНИЕ РАСХОДА МЕТАНОЛА

3.1. Более 90 % метанола, потребляемого в газовой отрасли, приходится на ингибирование систем добычи сбора и подготовки газа.

В системе добычи газа метанол расходуется на ингибирование скважин, шлейфов и установок комплексной подготовки газа (УКПГ).

Особенность применения метанола состоит в необходимости корректировки его расхода в том случае, если этот реагент уже содержится в потоке поступающего газа. Данное обстоятельство имеет место на УКПГ и обусловлено высокой летучестью паров метанола, вследствие чего введенный ранее в газ метанол (например, в скважину или шлейф) содержится и на последующих участках сбора, подготовки и транспортировки газа.

Расход метанола по газодобывающему предприятию в целом определяется как сумма «средневзвешенных» по объемам добываемого газа расходных показателей для входящих в него объектов. Расчет производится по формуле, т/год:

,                                                                (1)

где Gi - удельный расход метанола на i-м объекте УКПГ, входящем в состав предприятия, т/млн, м3 газа;

Qi - объем газа, добываемого на i-м объекте УКПГ, млн. м3/год.

3.2. Расчетная зависимость для определения удельного расхода метанола, вводимого в поток газа для предупреждения гидратообразования на «защищаемом» участке, имеет вид:

G=(DW*С2)/(С12)+[(100-С2)/(С12)](qг1-q г2+qk1-qк2),                               (2)

где DW - количество содержащейся в газе (или конденсате) жидкой воды, кг/1000м3;

С2 - минимально необходимая концентрация метанола в водной фазе, требуемая для предотвращения гидратообразования в защищаемой точке , % мас.;

С1 - концентрация закачиваемого в газ метанола (обычно 90...95 % мас.);

qг1 - количество метанола, содержащееся в поступающем газе, кг/1000 м3,

q г2 - количество метанола, растворяющееся в газовой фазе при его концентрации в водном растворе С2, кг/1000 м3;

qk1 - количество метанола, содержащееся в поступающем с газом углеводородном конденсате, кг/1000 м ;

qк2 - количество метанола, растворяющееся в углеводородном конденсате при концентрации водометанольного раствора С2, кг/1000 м3.

При минерализации воды свыше 30 - 40 мг/л необходимо учитывать снижение температуры гидратообразования, обусловленное присутствием растворенных в воде солей. Зависимость снижения температуры образования гидратов от минерализации при различном содержании метанола в пластовой воде представлена на рис.1.

Наибольшие затруднения при нормировании расхода метанола связаны с условиями ингибирования системы «скважина- шлейф (коллектор) - входной сепаратор УКПГ».

Это обусловлено, в первую очередь, тем обстоятельством, что режимы работы скважин, шлейфов и коллекторов могут существенно различаться между собой. Вследствие этого расходные показатели по метанолу для них также могут заметно отличаться.

Рис. 1 Зависимость снижения температуры образования гидратов от минерализации при различном содержании метанола в пластовой воде

К числу факторов, способствующих такому различию, относятся производительность скважин, длина шлейфов и их загрузка, что обуславливает температурный режим их работы; количество выносимой из скважины воды и ее минерализация; количество углеводородной жидкости и др.

Обоснование расхода метанола для конкретных условий работы скважины (если она работает в «гидратном» режиме) или шлейфа сложностей не вызывает. Трудности чаще всего возникают в получении достоверной исходной информации для расчетов, о которых упоминалось выше.

Для получения достоверных данных требуется проведение регулярных замеров и сбор данных по условиям работы в системе добычи и первичной подготовки газа.

3.3. Интегральные показатели по расходу метанола для условий конкретной УКПГ Gукпг (т/год) определяются по формуле

Gукпг= Q(G1+G2),                                                          (3)

где G1 - требуемый для обеспечения безгидратного режима удельный расход метанола для предупреждения гидратообразования в системе «шлейф - коллектор - сепаратор 1 ступени», кг/1000 м3;

G2 - то же для условий при обработке газа непосредственно на УКПГ, кг/1000 м3;

Q - объем поступающего на УКПГ газа, млн. м3год.

Для приведения расхода метанола к единицам измерения, принятым в расчетах ПДС (г/час) необходимо полученную по уравнению (3) величину G (т/год) умножить на 114,2.

При ингибировании метанолом скважин или шлейфов с использованием индивидуальных систем дозировки и метанолопроводов расчет по приведенным формулам обеспечивает получение достаточно точных результатов.

Если закачка ингибитора ведется с использованием общих метанолопроводов для нескольких скважин, то в получаемые расчетом данные вносится корректировка.

Данное обстоятельство обусловлено разными условиями работы скважин (шлейфов) и труднореализуемым контролем за распределением метанола по индивидуальным отводам от общего метанолопровода.

В результате требуемый расход метанола на стадии падающей добычи месторождений может длительное время оставаться на постоянном уровне и даже давать «всплески» .

В этом случае обобщенный удельный показатель по расходу для всех скважин принимается равным для скважины с осредненными параметрами работы.

В связи со специфическими физико-химическими свойствами метанола, а также

 разнообразием условий промысловой подготовки газа, расход этого реагента определяется расчетом для каждого конкретного объекта.

3.4. Температура гидратообразования в общем случае зависит от давления

tгидр=f(P)                                                                       (4)

и определяется для каждого месторождения индивидуально. В примерах приведены расчетные зависимости tгидр=f(P) для валанжинского и сеноманского газа Уренгойского ГКМ.

3.5. Требуемое снижение температуры гидратообразования (Dt) определяется по формуле

Dt=tгидр -tгаза,                                                                   (5)

где tгаза - температура газа в конце «защищаемого» участка.

3.6. Значение концентрации метанола в водном растворе, обеспечивающей заданное снижение температуры, определяется по преобразованной формуле Гаммершмидта, %мас.:

С2=100 [(32 Dt)/(32Dt+1295),                                                (6)

где 32 - молекулярная масса метанола;

1295 - константа Гаммершмидта.

3.7. Надежный безгидратный режим УКПГ достигается при концентрации метанола в 1,15... 1,2 раза выше по сравнению с теоретической.

Влагосодержание газа с учетом присутствия в водной фазе метанола для конкретной точки рассчитывается по формуле

W=[1 - (9 * С2) / (1600 - 7 * С2)] (А / р + В),                               (7)

где А и В - эмпирические коэффициенты, зависящие от температуры;

р - давление, МПа.

3.8. Количество содержащейся в газе (или конденсате) жидкой воды определяется по уравнению

DW=W1-W2[1 - (9 * С2) / (1600 - 7 * С2)].                                (8)

3.9. Равновесное содержание метанола в газовой фазе, контактирующий с водометанольным раствором, определяется из выражения

qг=[1 - (9 * С2) / (1600 - 7 * С2)],                                        (9)

где Мо - количество метанола, растворяющееся в газе при данном давлении и температуре (определяется по рис. 2), г/м3.

3.10. Количество растворенного в конденсате метанола qкг/1000 м3) рассчитывается по уравнению

qk=0.01Gк*К*ехр[0,0489 t + t (0,000143 С22+0,00486 С2)],                   (10)

где Gк  - масса конденсата, содержащегося в 1000 м3 газа;

К - коэффициент, зависящий от молекулярной массы конденсата :

К = 0,000143 Mk2 - 0,0414 Mk+ 3,714,                                      (11)

где Mk  - молекулярная масса конденсата.

3.11. Количество метанола в водной фазе qв находится из выражения

qв =0.01 C1*G - qг - qk + q'г,                                              (12)

где q'г - количество метанола, пришедшее вместе с газом после первой ступени сепарации в зависимости от термобарических условий обработки.

Ниже приводятся примеры расчета расхода метанола для чисто газового и газоконденсатного месторождений.

4. УСТАНОВЛЕНИЕ НОРМАТИВОВ СБРОСА МЕТАНОЛА

4.1. Нормативы НДС устанавливаются для каждого выпуска сточных вод, содержащих метанол, а также для каждого выпуска, если имеется вероятность поступления метанола в сточные воды в результате аварий или иных нарушений технологического процесса.

Если в сточных водах превышены величины ПДС, то устанавливаются лимиты ВСС

Принципиальной разницей между ПДС и ВСС является следующее:

- сброс на уровне ПДС устанавливается (рассчитывается) исходя из ассимилирующей способности конкретного водного объекта с учетом общих ограничений;

- сброс, определенный лимитом ВСС, превышает ПДС, не зависит от ассимилирующей способности водного объекта.

Лимиты ВСС каждому предприятию устанавливаются на сроки, соответствующие планам обеспечения экологической безопасности их работы.

Рис.2 Растворимость метанола в газе в системе «метанол - природный газ» (Мо)

ВСС должны назначаться на основе реализованных передовых технологий производства, очистки при отсутствии аварий, нарушений технологической дисциплины, регламентов эксплуатации природоохранного оборудования и прочих ограничений, установленных лицензией на водопользование.

При этом предприятия-водопользователи должны разрабатывать планы водоохранных мероприятий, включающие в себя работы по восстановлению, рациональному использованию и охране водных объектов. По мере осуществления отдельных этапов планов водоохранных мероприятий по достижению нормативов ПДС лимиты пересматриваются в сторону их уменьшения с учетом внедрения наилучших имеющихся технологий по очистке сточных вод, а также с учетом использования малоотходных и иных чистых технологий основного производства, включая ограничение применения опасных веществ и материалов.

Для проектируемых предприятий ВСС не устанавливается. ПДС для них утверждается на стадии согласования проектной документации при положительном заключении государственной экологической экспертизы.

4.2. Нормативы ПДС и ВСС включаются в состав разрешительных документов на пользование водными объектами или иных документов, регламентирующих природопользование.

4.3. При сбросе сточных вод, содержащих метанол, в канализацию населенных пунктов нормы его содержания устанавливаются исходя из условий соблюдения ПДС в сточных водах населенного пункта на выпуске в водный объект.

4.4. При всех условиях водоотведения сточных вод содержание метанола в них не должно превышать расчетной величины, полученной в соответствии с разделом 3 настоящего документа с учетом разбавления в промысловых коммуникациях и степени очистки на соответствующих очистных сооружениях сточных вод. Если расчетная величина при конкретных условиях сброса равна или ниже показателя ПДС, она должна быть принята как ПДС. Если эта величина выше показателя ПДС, расчетная величина принимается в качестве лимита ВСС.

4.5. При нормировании сброса метанола со сточными водами учитываются следующие общие ограничения и требования:

4.5.1. Сброс любых, в том числе очищенных сточных вод, не допускается:

- в водные объекты, используемые для водо- и грязелечения, а также в водные объекты, находящиеся в пределах округов санитарной охраны курортов и иных участках в соответствии с требованиями законодательства по охране здоровья;

- на участках водных объектов высшей категории (нерестилища, зимовальные ямы, районы массового нагула особо ценных и ценных видов рыб, водных растений и животных; охранные зоны хозяйств любого типа для искусственного разведения и выращивания рыб, других водных животных и растений);

- в водные объекты (и их участки) в пределах государственных природных заповедников, заказников, национальных природных парков, памятников природы, иные особо охраняемые водные объекты, имеющие особое государственное значение либо особую научную и культурную ценность, и иные участки в соответствии с требованиями законодательства об особо охраняемых объектах;

- в прибрежные районы водоемов и морей со специфическими гидрологическими, гидрохимическими и топографическими особенностями, обуславливающими застойные явления и образование загрязненных зон.

4.5.2. В любые водные объекты не допускается сброс сточных вод, которые с учетом местных условий при соответствующем технико-экономическом обосновании могут быть направлены в системы оборотного водоснабжения, для повторного использования, для орошения в сельском хозяйстве при соблюдении агротехнических, санитарных и ветеринарных требований или для других целей народного хозяйства.

4.5.3. Для сброса сточных вод должны быть оборудованы технические водоотводящие устройства, исключающие фильтрацию сточных вод и обеспечивающие разрешенные условия смешения сточных вод с водами приемника сточных вод. Использование естественных понижений рельефа (овраги, балки и т.п.) и мелких водотоков в качестве приемника сточных вод должно быть исключено.

4.5.4. Сброс сточных вод должен осуществляться равномерно, не превышая установленного проектом коэффициента неравномерности; для обеспечения указанного режима в состав водоохранного комплекса должны входить регулирующие резервуары, усреднители или другие сооружения для регулирования расхода сточных вод.

4.5.5. Сброс сточных вод из прудов-накопителей и иных периодических источников загрязнения должен осуществляться в период, когда имеется резерв свободной ассимилирующей способности водного объекта, по специальной программе, согласованной в установленном порядке с местными государственными органами РФ в области охраны окружающей природной среды, охраны и использования водного фонда, санитарно-эпидемиологического надзора, органами рыбоохраны.

4.6. Расчетными гидрологическими условиями при нормировании ПДС для постоянных источников загрязнения считаются наихудшие условия смешения сточных вод с водой водного объекта - приемника сточных вод в соответствии с действующими законодательными и нормативными документами.

Для периодических источников, имеющих сезонный характер, по согласованию с органами охраны водного фонда в качестве расчетных гидрологических условий могут быть приняты усредненные сезонные характеристики.

4.7. При нормировании предельно допустимого сброса размещение контрольных створов, в которых содержание метанола не может превышать ПДК, устанавливается в зависимости от целевого использования водного объекта в соответствии с [24, 27].

Ближайшие к источникам загрязнения пункты водопользования (в которых должны быть обеспечены санитарно-гигиенические нормы) определяются органами санитарно-эпидемиологического надзора.

Категория рыбохозяйственного использования водного объекта и размещение контрольных створов определяется территориальными органами рыбоохраны. На стадии подготовки к расчету ПДС размещение контрольных створов целесообразно официально утвердить в местных органах СЭС или рыбоохраны.

4.8. При нормировании сбросов сточных вод через существующие выпуски сточных вод в черте населенных пунктов, расположенных на берегах водных объектов комплексного использования, контрольный створ для расчета ПДС размещается в соответствии с требованиями, устанавливаемыми для водных объектов рыбохозяйственного использования.

4.9. Величины ПДС определяются для всех категорий водопользования как произведение максимального часового расхода сточных вод qсвмакс3/час) на допустимую концентрацию загрязняющего вещества нормативно-очищенных сточных вод Ссвн (г/м3 ) согласно формуле, г/час:

ПДС= Ссвн * qсвмакс .                                                           (13)

Расход сточных вод, сбрасываемых в водные объекты предприятиями газовой отрасли, определяется с учетом удельных норм и нормативов водопотребления и водоотведения [20].

4.10. Величины ВСС также выражаются в единицах массы вещества, сбрасываемого в единицу времени, г/час:

ВСС = Свcс * qлим ,                                                              (14)

где Свcс - концентрация метанола в средне-часовой пробе, достигаемая при использовании реализуемой технологии применения метанола и очистки сточных вод перед сбросом в водный объект, г/м3;

qлим - установленный расход сбрасываемых сточных вод, м3/час.

4.11. Если фактические концентрации метанола, расход сточных вод и соответственно масса сброса метанола меньше, чем позволяет ассимилирующая способность конкретного водного объекта или равна им, то ПДС устанавливается на основании фактически достигнутых показателей и ВСС не назначается.

4.12. Расчет ПДС может быть выполнен с применением:

- локального метода без оптимизации;

- бассейнового метода с оптимизацией распределения допустимых нагрузок загрязняющими веществами между источниками загрязнения, участвующими в формировании фонового качества вод каждого водопользователя.

4.13. Бассейновые расчеты выполняются специализированными организациями, и предприятия - источники загрязнения предоставляют только необходимую исходную информацию. В отсутствие организованных бассейновых расчетов ПДС устанавливаются для каждого индивидуального выпуска.

Бассейновые расчеты не применяются в случаях:

- предусмотренных системой общих запретов и ограничений по размещению выпусков и условиям сброса сточных вод (ПДС=0);

- при сбросе в черте города в водные объекты, отнесенные исключительно к объектам хозяйственно-питьевого и коммунально-бытового водопользования;

- единственного выпуска в конкретном водном объекте;

- при сбросе в морские водоемы и крупные озера (с необходимым обоснованием отсутствия взаимного влияния выпусков).

4.14. При расчетах используются формулы смешения, адекватные конкретным условиям водоотведения и смешения сточных вод с природными [17].

4.15. Нормативы ПДС вредных веществ в подземные водные объекты при добыче подземных вод, сбросе (захоронении) и закачке (возврат) в недра использованных производственных сточных вод, закачке в газо- нефтеводоносные пласты при законтурном и внутриконтурном заводнении месторождений и др. следует разрабатывать в соответствии с [18].

5. ПРИМЕР НОРМИРОВАНИЯ РАСХОДА МЕТАНОЛА ДЛЯ ГАЗОКОНДЕНСАТНЫХ МЕСТОРОЖДЕНИЙ ТИПА ВАЛАНЖИНСКОГО ГАЗА УРЕНГОЙСКОГО ГКМ

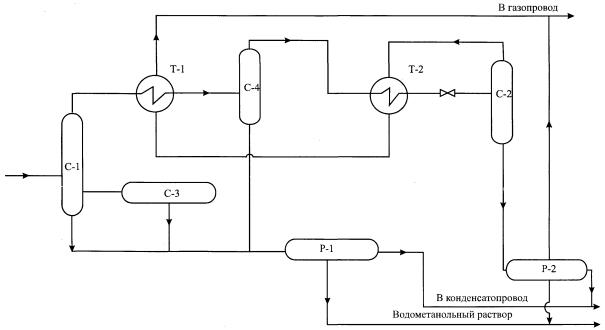
Технологическая схема подготовки газа с низкотемпературной сепарацией Уренгойского ГКМ приведена на рис.3.

Поступающий на УКПГ газ проходит последовательно сепаратор 1-ой ступени (С-1), промежуточный (С-4) и низкотемпературный (С-2) сепараторы. Перед сепараторами С-4 и С-2 газ охлаждается в теплообменниках типа «труба в трубе» обратным потоком газа, после чего дросселируется перед низкотемпературным сепаратором. Данные по технологическому режиму работы приведены в табл. 1.

Конкретные условия по режиму обработки газа приводятся ниже, в примере расчета.

В качестве ингибитора гидратообразования используется метанол с исходной концентрацией 95 % маc.

Рис. 3 Технологическая схема подготовки газа на установке низкотемперетурной сепарации Уренгойского ГКМ

Таблица 1

Аппарат

Параметры работы УКПГ

Давление, МПа

Температура,°С

Влагосодержание, г/м3

Кол-во нестабильного конденсата, г/м3

Молекулярная масса конденсата

Сепаратор С-1

11,8

25

0,343

100

80

Сепаратор С-4

11,7

14

0,188

20

80

Теплообменник Т-2

11,6

14...-б

0,188...0,055

0...20

50

Сепаратор С-2

7,5

-26

0,016

45

50

Температура начала гидратообразования tгидр(°С) валанжинского газа в соответствии с (4) зависит от давления Р (МПа) и определяется из эмпирического уравнения, выведенного по результатам обработки экспериментальных данных:

tгидр = 11,3 lgР+9,1.

Для условий в аппаратах С-1, С-4 и Т-2 температура гидратообразования равна
21,3 °С, а для условий в низкотемпературном сепараторе 19 °С.

Как правило, температура в сепараторе первой ступени (С-1) выше равновесной температуры гидратообразования. Поэтому первоначальный ввод метанола в поток газа необходим после С-1, т.е. перед теплообменником Т-1. При этом требуемое снижение температуры гидратообразования (А1) определяется по зависимости (5):

Dt=tгидр-tгаза.

Значение концентрации метанола в водном растворе, обеспечивающее заданное снижение температуры, определяется по формуле (6).

Однако практически надежный безгидратный режим УКПГ достигается при концентрации метанола в 1,15 - 1,20 раза выше, чем концентрация С2 формуле (6).

Затем рассчитывается влагосодержание газа W по уравнению (7), где А и В - эмпирические коэффициенты, характерные для каждого конкретного месторождения.

Так как температура газа в сепараторе С-1 равна 25 °С, т.е. выше температуры гидратообразования, то первоначальный ввод метанола в поток газа осуществляется на участке между сепараторами С-1 и С-4 (перед теплообменником Т-1). Требуемое снижение температуры гидратообразования определяется по формуле (5)

Dt=21,3-14=7,3 oС

 Значение концентрации метанола в водном растворе, обеспечивающей заданное снижение температуры, определяется по формуле (6)

С2 = 100 [(32 * 7,3) / (32 * 7,3 +1295)] = 15,3 % маc.

Надежный безгидратный режим УКПГ достигается при концентрации метанола в 1,15... 1,2 раза выше по сравнению с теоретической:

С2=15,3*1,2=18,4%мас.

Влагосодержание газа рассчитывается по формуле (7), в которой коэффициенты А и В определяются для данного месторождения эмпирическими уравнениями

А = 0,457 ехр(0,07374 tгаза - 0,000307 tгаза 2),

В = 0,0418 ехр(0,0537 tгаза - 0,000199 tгаза 2).

Для условий в сепараторе С-4 рассчитанное значение W = 0,188 г/м3, а с учетом присутствия метанола W = 0,167 г/м3.

По данным рис. 2 определяется количество метанола (Мо), растворяющееся в газе при условиях в сепараторе С-4 для системы «газ-метанол» (Р = 11,7 МПа, t= 14 °С). Найденное значение Мо=5,5 г/ м3.

Равновесное содержание метанола в газовой фазе над водометанольным раствором определяется из выражения (9):

= [(9 * 18,4) / (1600 - 7 * 18,4)] 5,5 = 0,621 кг/1000м3.

Количество растворенного в конденсате метанола qk для условий в сепараторе С-4 рассчитывается по уравнению (10). При этом в соответствии с (11) для Мk=80

К = 0,000143*802 - 0,0414*80 + 3,714 = 1,317 .

Расчет по уравнению (10) для Gк = 20 кг/1000 м3 дает значение qк=0,072 кг/1000 м3 газа.

Таким образом, из неизвестных данных для определения ПДС на участке технологической линии УКПГ «С-1 - теплообменник Т-1 - сепаратор С-4» остается лишь количество метанола в водной фазе qв. Эта составляющая находится из выражения (12).

Расход метанола G в уравнении (12), необходимый для обеспечения заданной концентрации водометанольного раствора (ВМР), определяется по формуле (2)

G=18,4(0,343-0,167)/(95-18,4)+[(100-18,4)/(95-18,4)](0,621+0,072)=0,780 кг/1000м3 .

Количество метанола в ВМР в соответствии с (12) при q'г=0 равно

qв= 0,01* 95 * 0,780 - 0,621 - 0,072 +0 = 0,048 кг/1000 м3.

Поскольку концентрация ВМР известна (18,4% мае.), то можно определить его количество:

qвмр = 100 в/ С2 = 100 * 0,048 / 18,4 = 0,261 кг/1000 м3 .

Далее выполняется аналогичный расчет для участка технологической линии «теплообменник Т-2 - сепаратор С-2».

Отличие состоит в том, что в расчете учитывается поступление в указанную систему метанола из С-4 (в количестве 0,621 кг/1000 м3 газа).

Сначала определяется количество метанола, необходимое для предупреждения гидратообразования при самой низкой температуре на указанном участке (в сепараторе С-2 при минус 26 °С).

Найденная по уравнению (6) необходимая для этих условий концентрация метанола составляет 52,6 % маc., а с учетом требуемого на практике запаса

С2= 52,6* 1,15-60,5% маc.

Количество выделяющейся из газа воды определяется для условий в сепараторе С-2 по уравнению (8)

DW= 0,167-0,016 [1-(9*60,5) / (1600-7*60,5)] = 0,158 кг/1000м3.

Количество метанола, растворяющееся в газовой фазе и конденсате в сепараторе С-2 и заданной концентрации ВМР (60,5 % мае.), рассчитывается соответственно по уравнениям (9) и (10) при Мо=0,674 (см. рис. 2):

qг = [(9 *60,5) / (1600 - 7 * 60,5)] 0,674 = 0,312 кг/1000м3;

qк =(45 * 2 / 100) * 0,23 = 0,252 кг/ 1000м3.

Требуемый расход метанола для предупреждения гидратообразования определяется по уравнению (2) и при условиях в сепараторе С-2 составляет

G=(0,158*60,5)/(95-60,5) + +[(100-60,5)/(95-60,5)](0,312+0,252-0,621)=0,212 кг/1000м3 .

Однако данный расход может оказаться недостаточным для предупреждения гидратообразования в теплообменнике Т-2.

Ниже приводится пример расчета расхода метанола для условий в этом аппарате. Исходные данные для расчета приведены в табл. 2.

Таблица 2

Определение расхода метанола для предупреждения гидратообразования в теплообменнике Т-2

ПОКАЗАТЕЛИ

Температур а, °С

9

4

-1

-6

Dг (формула 5)

12

17

22

27

С2 (формула 6)

23

30

35

40

1,15 С2

26,5

35

40

46

W (формула 7)

0,117

0,080

0,055

0,037

DW=(0,167-W)

0,050

0,087

0,112

0,130

Мо (рис. 2)

4,6

3,7

3,1

2,5

qг (формула 9)

0,770

0,865

0,840

0,820

4

10

14

20

qк (формула 10)

0,028

0,084

0,113

0,157

G (формула 2)

0,205

0.406

0,444

0,514

Расчет расхода метанола с использованием данных табл. 2 ведется по формуле (2) и иллюстрируется для значения температуры в Т-2 минус 1°С:

G =(0,112*40)/(95-40) + +[(100-40)/(95-40)]*(0,840+0,113-0,621) = 0,444 кг/1000м3.

Аналогичным образом рассчитывается расход и для других значений температуры в теплообменнике Т-2. Результаты представлены в нижней графе табл. 2.

Из данных табл. 2. следует, что расход метанола монотонно растет с понижением температуры (в некоторых случаях для условий в теплообменнике Т-2 имеет место максимум по расходу).

В данном случае безгидратный режим работы теплообменника достигается при расходе метанола 0,514 кг/1000 м3, который соответствует самому низкому значению температуры в Т-2 (-6 С).

Поскольку рассчитанный для условий в сепараторе С-2 расход метанола существенно ниже 0,212 кг/1000 м3, то, следовательно, и концентрация метанола в этом аппарате будет отличаться от требуемой по сравнению с расчетом (60,5 % маc.).

Для определения условий фазового равновесия метанола в данном и подобных случаях целесообразно использовать компьютерную технику.

В качестве исходных данных используются значения влагосодержания и метанолосодержания, поступающего в С-2 газа, а также данные по количеству и молекулярной массе выделяющегося конденсата.

Количество поступающей в С-2 воды составляет

DW = 0,167 + 0,514 (100 - 95) / 100 = 0,193 кг/1000 м3,

где 0,514 - количество вводимого в газ метанола с концентрацией 95 % мае.

Количество поступающего в С-2 метанола (М) составляет

М = 0,621 + 0,514 * 95 /100 = 1,109 кг/1000 м3,

где 0,621 - количество метанола, поступающего из сепаратора С-4, кг/1000м3. В результате компьютерного расчета получены следующие результаты:

концентрация метанола в ВМР - 70,8 % маc.;

содержание метанола, г/м3:

- в водной фазе 0,451;

- в газе 0,390;

- в конденсате 0,268;

содержание воды, г/м3:

- в водной фазе 0,186;

- в газе 0,007.

Количество выделяющейся водной фазы в сепараторе С-2 составляет 0,637 г/м3.

Ниже приводится расчетная методика определения концентрации метанола для «ручного» счета, которая позволяет с достаточной для практических нужд точностью определить количественные показатели по условиям фазового распределения метанола в сепараторе С-2.

Для этой цели строится графическая зависимость концентрации метанола в ВМР от его расхода.

Поскольку заданный расход, как установлено выше, определяется условиями в теплообменнике Т-2 и составляет 0,514 кг/1000 м3, то можно определить и состав выделяющегося в сепараторе С-2 ВМР.

Для этой цели задается ряд значений концентраций метанола (больше и меньше предполагаемого).

Для рассматриваемого случая принимаем следующие значения концентрации С2:

50, 60, 70 и 80 % мас.

Ниже иллюстрируется процедура расчета по уравнениям (8), (9) и (10) для условий в сепараторе С-2 при концентрации С2 = 50 % мас.:

DW=0,167-0,016 [1-(9*50) /(1600-7*50)]= 0,157 кг/1000 м3;

qг=[(9*50) / (1600-7*50)] 0,675= 0,242 кг/1000 м3;

qк=(0,337 / 100) 45 = 0,152 кг/1000 м3.

По уравнению (2) находим требуемый расход метанола для обеспечения заданной концентрации С2 = 50 %:

О =(0,157*50)/(95-50)+[(100-50)/(95-50)](0,242+0,152-0,621)= -0,078 кг/1000м3.

Отрицательное значение G свидетельствует о том, что количество поступающего с газом метанола из сепаратора С-4 превосходит расход, обеспечивающий формирование в сепараторе ВМР с концентрацией метанола С2 = 50 % маc.

Аналогичным образом определяются значения расхода и для других принятых к расчету значений С2 (60, 70 и 80 % маc.) Результаты расчета сведены в табл. 3.

Таблица 3

Расход метанола и концентрация ВМР в сепараторе С-2

Расход метанола, кг/1000 м3 газа

-0,078

0,148

0,502

1,093

Концентрация метанола в С-2, % мае.

50

60

70

80

На рис.4 по данным табл.3 построена зависимость концентрации метанола в ВМР от расхода метанола в сепараторе С-2. Найденное по данным рис.4 значение концентрации метанола С2 = 70 % маc. при расходе метанола 0,514 кг/1000 м3 достаточно близко к точному расчетному значению (70,8 % маc.)

Содержание метанола в водной фазе обуславливает экологические проблемы, которые чаще всего возникают именно при утилизации ВМР.

В соответствии с расчетом из низкотемпературного сепаратора С-2 выводится 0,637 кг/1000 м3 ВМР с концентрацией 70,8 % маc.

Концентрация метанола в ВМР из сепаратора С-4 по результатам расчета составляет 18,4 % маc., а количество водной фазы из этого аппарата составляет 0,261 кг/1000 м3.

По проектной схеме ВМР из промежуточного сепаратора С-4 смешивается с водной фазой, поступающей с первой ступени сепарации УКПГ. Количество поступающей воды из сепараторов С-1 составляет более 1,5 кг/1000 м3 газа. Максимальная концентрация метанола (Смакс) в образующемся после смешения растворе составляет

Смакс=0,048 * 100/ (1,5 + 0,261) = 2,7 % маc.

ВМР с такой низкой концентрацией не пригоден в качестве сырья для установки регенерации метанола и утилизируется путем закачки в скважины (в поглощающие подземные горизонты).

Изменение в проектной схеме позволяет исключить на некоторых УКПГ указанный негативный - с точки зрения экологии - фактор.

Для этой цели ВМР из промежуточного сепаратора С-4 смешивается не с водой из сепаратора С-1, а с ВМР из сепаратора С-2.

Суммарное количество метанола в водной фазе из сепараторов С-4 и С-2, согласно проведенному расчету, составляет:

qв=0,048 + 0,451 = 0,499 кг/1000 м3,

где 0,048 и 0,451 - количество метанола соответственно из сепараторов С-4 и С-2.

При смешении ВМР из этих аппаратов концентрация метанола составит 55,5 %, а количество ВМР 0,9 кг/1000 м3.

Получаемый ВМР утилизируется непосредственно на промысле (направляется на индивидуальную или централизованную установку регенерации, используется путем «циклического» (повторного) применения на УКПГ или для ингибирования шлейфов).

В результате суммарный расход «свежего» метанола по конкретному объекту снижается, а следовательно, снижается и объем утилизируемого реагента.

Рис. 4 Определение концентрации метанола в водометанольном растворе

При отсутствии каких-либо дополнительных из упомянутых мероприятий по совершенствованию технологии применения метанола его годовой расход составляет в соответствии с расчетом 4,99 тыс.т.

Принятие оптимальных технических решений по уменьшению количества утилизируемого метанола основывается на анализе условий работы конкретной УКПГ.

В настоящее время на валанжинских УКПГ Уренгойского ГКМ хорошие результаты получены при реализации «циклической», по существу замкнутой, технологии использования метанола.

Усовершенствование этого процесса путем реконструкции входных сепараторов С-1 позволяет свести содержание метанола в сточной воде к минимуму (менее 0,5 %).

Потребление «свежего» метанола в этом случае обусловлено лишь необходимостью компенсирования потерь, связанных с его растворимостью в газе и конденсате.

Данная в примере расчетная схема практически аналогична схеме расчета и для других газоконденсатных месторождений (например. Оренбургского).

6. ПРИМЕР НОРМИРОВАНИЯ РАСХОДА МЕТАНОЛА ДЛЯ ГАЗОВЫХ МЕСТОРОЖДЕНИЙ ТИПА СЕНОМАНСКОГО ГАЗА УРЕНГОЙСКОГО ГКМ

Для проведения нормирования расхода и определения ПДС метанола в качестве исходных данных используются значения пластового давления Рпл и давления газа в конце шлейфа Ргаза, а также соответствующие значения температуры tпл и tгаза:

Рпл = 10 МПа;

tпл  = 31°C;

Рк=7,5МПа;

tк = 5°С .

Параметры гидратообразования сеноманского газа по уравнению (4) таковы:

tгидр = 273,15 (lgР - 0,415) / (13,71 - lgР).

Указанное уравнение также получено обработкой экспериментальных данных. Для термобарических условий в конце шлейфа рассчитанная по данной формуле температура образования гидратов tгидр  равна 9,8 °С.

Требуемое снижение температуры гидратообразования составляет по формуле (5)

Рассчитанное по уравнению (6) значение концентрации метанола в водном растворе для обеспечения заданного снижения температуры С2=10,6 % мае. С учетом необходимого на практике запаса (коэффициент запаса равен 1,2) принимаем к дальнейшему расчету значение С2=13 % мае.

Равновесное содержание метанола в газе определяется по уравнению (9)

qг = [9 * 13 / (1600 - 7 * 13)] *3,2 = 0,25 кг/1000 м3,

где 3,2 - значение Мо, г/м3 для Р = 7,5 МПа и t = 5 °С (определяется по данным
рис. 2).

Найденные значения С2 и qг применимы для расчета по уравнению (2) при различном содержании в газе жидкой водной фазы. Количество поступающей с газом воды при водопроявлении скважин определяется замером. Например, замеренное количество воды превышает количество конденсирующейся влаги и составляет 0,75 г/м3.

Требуемый расход 95 %-го метанола определяется по уравнению (2) и составляет

G = (0,73*13) / (95-13) +[(100-13)/(95-13)] 0,25 = 0,384 кг/1000м3.

При минерализации воды свыше 30-40 мг/л учитывается снижение температуры гидратообразования, обусловленное присутствием растворенных в воде солей. Требуемая концентрация метанола в этом случае определяется в соответствии с данными рис. 1.

При отсутствии выноса пластовой воды количество конденсирующейся влаги определяется по уравнению (8). Для условий примера (при отсутствии выноса пластовой воды) эта величина равна

DW = 0,517 - 0,142 [1-(9*13) / (1600 - 7*13)] = 0,386 кг/1000 м3 .

Требуемый расход метанола в этом случае в соответствии с уравнением (2) составляет

G = (0,386*13) / (95-13) +[(100-13)/(95-13)] 0,25 = 0,326 кг/1000м3.

Количество метанола в водном растворе по уравнению (12) составляет:

- для условий с водопроявлением скважин

qв1 = 0,384 ( 95 /100) - 0,25 = 0,115 кг/1000 м3;

без водопроявления скважин

qв2 = 0,326 ( 95 /100) - 0,25 = 0,060 кг/1000 м3.

Из полученных данных следует, что требуемый расход метанола с ростом количества выносимой пластовой воды растет не столь заметно, как его содержание в водной фазе.

В мировой практике регенерация метанола при его содержании в водной фазе менее 15 % считается экономически не оправданной.

Одна из основных причин этого обусловлена постоянным увеличением количества метанольной воды, поступающей на утилизацию в процессе разработки месторождения (вследствие водопроявления скважин). Так, для условий примера удельное количество ВМР при отсутствии водопроявления составляет 0,462 кг/1000 м3, а при поступлении пластовой воды увеличивается до 0,885 кг/1000 м3.

Поскольку концентрация метанола в ВМР составляет 13 %, т.е. менее 15 % мае, то при производительности УКПГ 10 млрд. м3 в год расход метанола составит:

- при отсутствии водопроявления скважин

М1=0,060* 10000=600 т;

- при водопроявлении скважин

М2=0,115*10000=1150 т.

При наличии в эксплуатационном фонде скважин, работающих в том и другом режиме, расчеты проводятся отдельно для каждой из групп скважин.

Для других чисто газовых месторождений расчеты расхода метанола проводятся по приведенной схеме аналогично.

ЛИТЕРАТУРА

1. Бурмистров А. Г., Сперанский Б. В., Степанова Г. С. Причины высоких концентраций метанола в низкотемпературном сепараторе УКПГ // Газовая промышленность, 1986, №4.-С. 21-22.

2. Бухгалтер Л.Б., Дедиков Е.В., Бухгалтер Э.Б., Хабаров А.В., Ильякова Е.Е. Экологическая оценка воздействия работы объектов транспорта газа на окружающую среду // транспорт и подземное хранение газа. №5, 1997.- С. 53 - 59.

3. Бухгалтер Э.Б. Гидраты природных и нефтяных газов. - В сб.: Итоги науки и техники, сер. Разработка нефтяных и газовых месторождений, М. ВИНИТИ АН СССР, 1984, №14.

4. Бухгалтер Э. Б. Метанол и его использование в газовой промышленности. - М:

Недра, 1986.-238 с.

5. Бык С.Ш., Макогон Ю.Ф.,Фомина В.И. Газовые гидраты.-М: Химия, 1980.-296 с.

6. Водный кодекс Российской Федерации. Закон РФ от 16.11.95 № 167 - ФЗ.

7. ГН 2.1.5.689 - 98. Предельно допустимые концентрации (ПДК) химических веществ в воде водных объектов хозяйственно-питьевого и культурно бытового водопользования. - М.: Минздрав России, 1998 . - 126 с.

8. ГОСТ 17.1.1.01-77* (СТ СЭВ 3544 -82). Охрана природы. Гидросфера. Использование и охрана вод. Основные термины и определения. - Введ. - 01.07.78. - М.: Изд-во стандартов. - 13 с.

9. ГОСТ 25150- 82 (СТ СЭВ 2085- 80 ). Канализация. Термины и определения. -Введ. - 01.07.83.- М.: Изд-во стандартов. - 9 с.

10. ГОСТ 27065-86 (СТ СЭВ 5184-85). Качество вод. Термины и определения. -Введ. - 01.01.87. - М.: Изд-во стандартов. - 3 с.

11. Дегтярев Б. В., Бухгалтер Э. Б. Борьба с гидратами при эксплуатации газовых скважин в северных районах. - М.: Недра, 1976. - 197 с.

12. Истомин В.А., Бурмистров А.Г., Лакеев В. П. и др. Методические рекомендации по предупреждению гидратообразования на валанжинских УКПГ Уренгойского ГКМ. -ч. II. - М.: ВНИИГАЗ, 1991.- 157 с.

13. Кабанов Н.И. Фазовое распределение и экологические вопросы использования метанола в качестве антигидратного реагента. - М.: ИРЦ Газпром, 1996.

14. Контроль химических и биологических параметров окружающей среды / Под ред. Л.К. Исаева. - СПб.: Эколого-аналитический информационный центр «Союз», 1998. -896с.

 15. Мартынова М. А., Чернова Е. Г., Захарова Т. И. Математическое моделирование и расчет на ЭВМ влагосодержания природного газа. Деп. во ВНИИЭгазпроме, № 1113 -гз88.-13с.

16-Методика расчета норм расхода основных химреагентов при добыче и промысловой подготовке газа к дальнему транспорту. - М.: ВНИИЭгазпром, 1979. - 45 с.

17. Методика расчета предельно допустимых сбросов (ПДС) веществ в водные объекты со сточными водами. - Харьков: ВНИИВО, 1990. -113 с.

18. Методические указания по разработке нормативов предельно допустимых вредных воздействий на подземные водные объекты и предельно допустимых сбросов вредных веществ в подземные водные объекты (Уточненная редакция). - М.: МПР России, 1999.- 36 с.

19. Методические указания по разработке нормативов предельно допустимых сбросов вредных веществ в поверхностные водные объекты (Уточненная редакция). - М.:

МПР России, 1999.- 14с.

20. Отраслевая методика по разработке норм и нормативов водопотребления и водоотведения в газовой промышленности. - М.: ИРЦ Газпром, 1995. - 46 с.

21. Перечень предельно допустимых концентраций и ориентировочно безопасных уровней воздействия вредных веществ для воды рыбохозяйственных водоемов. - М.: ТОО Мединор, 1995.-220 с.

22. ПНД Ф 14.1:2.76-96. Методика выполнения измерений массовой концентрации ацетона и метанола в природных и сточных водах методом газожидкостной хроматографии.

23. ПНД Ф 14.1:2.102-97. Методика выполнения измерений содержания метанола в пробах природных и очищенных сточных вод фотометрическим методом с хромотроповой кислотой.

24. Правила охраны поверхностных вод (Типовые положения). - М.: Госкомприроды СССР, 1991 .-35с.

25. Правила приема промышленных сточных вод в канализацию населенных пунктов. - М.: МЖКХ РСФСР, 1985. - 106 с.

26. Методика определения метанола в водах промысловых объектов газовой промышленности газохроматографическим методом. - М.: ВНИИГАЗ, 1997. - 11с.

27. СанПиН № 4630-88. Санитарные правила и нормы охраны поверхностных вод от загрязнения. - М.: Минздрав СССР, 1988. - 69 с.

 ПРИЛОЖЕНИЕ

Основные термины и определения

Ассимилирующая способность водного объекта - способность водного объекта принимать определенную массу веществ в единицу времени без нарушения норм качества воды в контролируемом створе или пункте водопользования [8].

Биохимическое потребление кислорода (БПК) - количество растворенного кислорода, потребляемого за установленное время и в определенных условиях при биохимическом окислении содержащихся в воде органических веществ [10].

Выпуск сточных вод - трубопровод, отводящий очищенные сточные воды в водный объект [9].

Загрязнение вод - поступление в водный объект загрязняющих веществ, микроорганизмов или тепла [10].

Загрязняющее воду вещество - вещество в воде, вызывающее нарушение норм качества воды [8].

Источник загрязнения вод - источник, вносящий в водные объекты загрязняющие воду вещества, микроорганизмы или тепло [10].

Контрольный створ - поперечное сечение водного потока, в котором контролируется качество воды [19].

Лицензия на водопользование - специальное разрешение на пользование водными объектами или их частями на определенных условиях [6].

Нормы качества воды - установленные значения показателей качества воды для конкретных видов водопользования [10].

Предельно допустимая концентрация вещества в воде (ПДК) - концентрация вещества в воде, выше которой вода непригодна для одного или нескольких видов водопользования [10].

Предельно допустимый сброс вещества в водный объект (ПДС) - масса веществ в сточных водах, максимально допустимая к отведению с установленным режимом в данном пункте водного объекта в единицу времени с целью обеспечения норм качества воды в контрольном пункте [8].

Приемник сточных вод - водный объект, в который сбрасываются сточные воды [9]

Сточные воды - вода, сбрасываемая в установленном порядке в водные объекты после ее использования или поступившая с загрязненной территории [6].

Химическое потребление кислорода (ХПК) - количество кислорода, потребляемое при химическом окислении содержащихся в воде органических и неорганических веществ под действием различных окислителей [10].



© 2013 Ёшкин Кот :-)