Информационная система
«Ёшкин Кот»

XXXecatmenu

МЕЖГОСУДАРСТВЕННЫЙ СТАНДАРТ

ФЛАНЦЫ СОСУДОВ И АППАРАТОВ СТАЛЬНЫЕ
ПЛОСКИЕ ПРИВАРНЫЕ

Конструкция и размеры

Steel flat welded flanges of vessels and apparatus.

Design and dimensions

ГОСТ
28759.2-90

Дата введения 01.01.92

Настоящий стандарт распространяется на стальные плоские приварные фланцы для сосудов и аппаратов диаметром от 400 до 4000 мм с условным давлением от 0,3 до 1,6 МПа при температуре рабочей среды от минус 70 °С до плюс 300 °С, предназначенных для работы в химической, нефтехимической, нефтеперерабатывающей и других отраслей промышленности, и направлен на обеспечение взаимозаменяемости и унификации фланцев сосудов и аппаратов.

Пределы применения фланцев в зависимости от материала и температуры должны соответствовать ГОСТ 28759.1.

Требования п. 1.2 в части показателей «Внутренний диаметр аппарата D», D1, D2, D3, D4, D5; п. 1.4 в части показателя «Внутренний диаметр аппарата D» настоящего стандарта являются обязательными, другие требования настоящего стандарта являются рекомендуемыми.

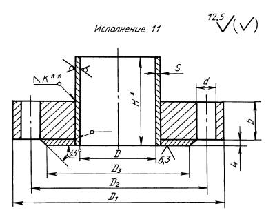
1. КОНСТРУКЦИЯ И РАЗМЕРЫ

1.1. Стандарт устанавливает конструкции фланцев следующих исполнений:

1 - с гладкой уплотнительной поверхностью;

2 - с пазом;

3 - с шипом;

4 - с впадиной;

5 - с выступом;

6 - с гладкой уплотнительной поверхностью, облицованные листом из коррозионно-стойкой стали;

7 - с пазом, облицованные листом из коррозионно-стойкой стали;

8 - с шипом, облицованные листом из коррозионно-стойкой стали;

9 - с впадиной, облицованные листом из коррозионно-стойкой стали;

10 - с выступом, облицованные листом из коррозионно-стойкой стали;

11 - с гладкой уплотнительной поверхностью, наплавленные коррозионно-стойкой сталью;

12 - с пазом, наплавленные коррозионно-стойкой сталью;

13 - с шипом, наплавленные коррозионно-стойкой сталью;

14 - с впадиной, наплавленные коррозионно-стойкой сталью;

15 - с выступом, наплавленные коррозионно-стойкой сталью.

1.2. Конструкция и размеры фланцев должны соответствовать черт. 1-9 и табл. 1.

________

*       Размер не менее 150 мм.

**     Размер равен S.

***  Размер равен S, но не менее 15 мм.

Черт. 1

________

*       Размер не менее 150 мм.

**     Размер равен S.

***  Размер равен S, но не менее 15 мм.

Черт. 2

________

*       Размер не менее 150 мм.

**     Размер равен S.

***  Размер равен S, но не менее 15 мм.

Черт. 3

__________

*          Размер не менее 150 мм.

**       Размер равен S.

***     Размер равен .

****   Размер равен S, но не более 12 мм.

Черт. 4

__________

*          Размер не менее 150 мм.

**       Размер равен S.

***     Размер равен .

Черт. 5

__________

*          Размер не менее 150 мм.

**        Размер равен S.

***      Размер равен .

Черт. 6

__________

*          Размер не менее 150 мм.

**       Размер равен S.

Черт. 7

__________

*          Размер не менее 150 мм.

**       Размер равен S.

Черт. 8

__________

*          Размер не менее 150 мм.

**       Размер равен S.

Черт. 9

Таблица 1

Размеры, мм

Внутренний диаметр аппарата D

D1

D2

D3

D4

а

D5

а1

b

S

d

Болты, шпильки

Давление условное, МПа

диаметр

количество

400

520

480

444

452

13,5

443

12

25

6

23

М20

16

0,6

535

495

458

466

457

30

8

20

1,0

35

1,6

(450)

570

530

494

502

493

25

0,6

590

550

514

522

513

30

24

1,0

40

10

1,6

500

620

580

544

552

543

25

8

20

0,6

640

600

564

672

663

35

24

1,0

40

10

1,6

(550)

670

630

594

602

593

25

8

20

0,6

690

650

614

622

613

35

28

1,0

40

10

1,6

600

720

680

644

652

14

643

25

8

20

0,3

30

24

0,6

740

700

664

672

663

35

10

28

1,0

40

1,6

(650)

770

730

694

702

14

693

12

25

8

23

М20

24

0,3

30

28

0,6

790

750

714

722

713

35

10

32

1,0

45

12

1,6

700

820

780

744

752

743

25

8

24

0,3

35

28

0,6

840

800

764

772

763

10

32

1,0

50

12

1,6

800

920

880

842

852

841

25

8

28

0,3

35

32

0,6

945

905

866

876

865

40

10

40

1,0

55

12

1,6

900

1030

990

952

962

951

30

8

32

0,3

35

36

0,6

1045

1005

966

976

965

50

10

40

1,0

60

12

1,6

1000

1130

1090

1052

1062

15,5

1050

13

30

8

23

М20

36

0,3

40

10

0,6

1145

1105

1066

1076

1064

50

12

44

1,0

65

1,6

1100

1230

1190

1150

1162

1148

30

8

40

0,3

40

10

0,6

1250

1210

1168

1180

1166

55

12

52

1,0

70

1,6

1200

1330

1290

1248

1260

1246

35

8

44

0,3

45

10

0,6

1350

1310

1268

1280

1266

60

12

56

1,0

75

14

1,6

(1300)

1430

1390

1348

1360

1346

35

8

44

0,3

45

10

48

0,6

1450

1410

1368

1380

1366

60

12

60

1,0

75

14

1,6

1400

1530

1490

1448

1460

15,5

1446

13,0

35

8

23

М23

48

0,3

50

10

52

0,6

1550

1510

1470

1484

1468

60

14

68

1,0

80

1,6

(1500)

1630

1590

1548

1560

17

1545

14

35

8

52

0,3

55

10

56

0,6

1650

1610

1570

1584

1568

65

14

68

1,0

1680

1630

1582

1598

1580

80

16

27

М24

1,6

1600

1730

1690

1648

1660

17,5

1645

35

10

23

М20

60

0,3

55

0,6

1780

1730

1682

1696

1679

70

16

27

М24

68

1,0

85

76

1,6

(1700)

1830

1790

1748

1760

1745

40

10

23

М20

64

0,3

60

0,6

1880

1830

1782

1795

1779

75

16

27

М24

80

1,0

90

84

1,6

1800

1930

1890

1848

1860

17,5

1845

14

40

10

23

М20

64

0,3

60

68

0,6

1980

1930

1882

1896

1879

80

16

27

М24

84

1,0

95

1,6

(1900)

.2030

1990

1946

1960

1943

45

10

23

М20

64

0,3

65

12

68

0,6

2085

2035

1986

2000

1983

85

16

27

М24

84

1,0

96

18

92

1,6

2000

2130

2090

2046

2060

2043

50

10

23

М20

68

0,3

70

12

72

0,6

2185

2135

2086

2100

21,5

2083

18

85

16

27

М24

84

1,0

100

18

92

1,6

2200

2330

2290

22,46

2260

17,5

2243

14

55

10

23

М20

72

0,3

70

12

80

0,6

2385

2335

2286

2300

21,5

2283

18

90

18

27

М24

88

1,0

100

20

104

1,6

2400

2530

2490

2446

2460

17,5

2443

14

60

10

23

М20

80

0,3

80

12

88

0,6

2595

2540

2490

2505

21,5

2487

18

100

18

30

М27

92

1,0

2610

2550

2496

2510

2493

130

20

33

М30

88

1,6

2600

2750

2705

2656

2670

22

2653

65

10

27

М24

84

0,3

95

12

88

0,6

2800

2745

2695

2710

2692

115

18

30

М27

96

1,0

2800

2950

2905

2856

2870

2853

65

12

27

М24

88

0,3

105

92

0,6

3000

2945

2895

2910

2892

120

20

30

М27

108

1,0

3000

3150

3105

3066

3070

3053

70

12

27

М24

92

0,3

115

100

0,6

3220

3160

3106

3120

3103

135

20

33

М30

96

1,0

3200

3350

3305

3256

3270

3253

80

12

27

М24

100

0,3

130

108

0,6

3420

3360

3306

3320

27

3303

23

145

20

33

М30

104

1,0

3400

3580

3520

3466

3480

22

3463

18

95

12

33

М20

88

0,3

3600

3780

3720

3666

3680

3663

105

92

3800

3980

3920

3866

3880

3863

115

96

4000

4180

4120

4066

4080

23

4063

125

104

Примечания:

1. При применении прокладки из фторопласта - 4 размер D3 равен D5 и размер а равен а+0,6.

2. Размеры, указанные в скобках, применять не рекомендуется.

Пример условного обозначения фланца исполнения 1 диаметром 1200 мм на условное давление 0,6 МПа при высоте втулки 150 мм из стали 20

Фланец 1-1200-0,6-150 Ст 20 ГОСТ 28759.2-90

то же, для фланца с прокладкой из фторопласта

Фланец 1-1200-0,6-150Ф Ст 20 ГОСТ 28759.2-90

При заказе фланца без втулки, высота втулки в обозначении не указывается.

1.3. Технические требования по ГОСТ 28759.5.

1.4. Масса фланцев указана в табл. 2 приложения.

1.5. Прокладки по ГОСТ 28759.6.

ПРИЛОЖЕНИЕ
Справочное

Таблица 2

Масса фланцев и втулки

Внутренний диаметр аппарата, D, мм

Исполнение фланца

Втулка при Н=150

Давление условное, МПа

1

2

3

4

5

6

7

8

Масса, кг, не более

400

13,4

12,9

15,6

14,9

12,1

15,6

16,8

16,6

9,0

0,6

18,7

18,1

20,9

20,3

17,3

21,4

22,5

21,9

12,0

1,0

22,3

21,7

24,5

23,9

20,9

24,6

25,6

25,0

1,0

(450)

14,4

13,7

16,7

16,0

12,8

17,0

17,8

17,6

13,5

0,6

21,6

21,0

24,1

23,4

20,1

24,9

26,2

25,3

1,0

29,5

28,8

31,9

31,2

27,9

32,0

32,6

31,7

17,0

1,6

500

15,9

15,2

18,5

17,7

14,3

18,8

19,7

19,5

15,0

0,6

28,5

27,7

31,2

30,3

26,7

31,5

33,0

32,0

1,0

32,6

31,9

35,3

34,5

30,9

35,4

36,0

35,0

18,8

1,6

(550)

17,5

16,7

20,3

19,4

15,7

20,6

21,6

21,4

16,5

0,6

30,8

29,9

33,7

32,8

28,9

34,1

35,6

34,6

1,0

35,2

34,4

38,1

37,2

33,4

38,2

38,8

37,8

20,7

1,6

600

19,0

18,2

22,1

21,2

17,1

22,5

23,5

23,3

17,9

0,3

23,2

22,3

26,3

25,3

21,3

26,0

27,1

26,9

0,6

33,0

32,1

36,2

35,2

31,0

37,0

37,6

36,5

22,5

1,0

38,3

37,4

41,5

40,5

36,3

41,5

42,2

41,1

1,6

(650)

20,3

19,3

23,6

22,5

18,2

24,0

25,1

24,8

19,5

0,3

24,8

23,8

28,0

27,0

22,6

27,8

28,9

28,7

0,6

35,3

34,3

38,6

37,6

33,1

39,5

40,2

39,0

24,4

1,0

46,2

45,2

49,5

48,5

44,0

48,9

48,5

47,3

29,4

1,6

700

21,8

20,8

25,3

24,3

19,6

25,8

27,0

26,7

20,9

0,3

31,8

30,8

35,3

34,3

29,6

34,4

35,6

35,3

0,6

38,0

36,9

41,5

40,4

35,7

42,5

43,3

42,0

26,2

1,0

55,8

43,7

59,4

58,3

53,5

57,6

57,2

55,9

31,6

1,6

800

24,6

23,5

28,6

27,4

22,0

28,9

30,4

30,2

23,8

0,3

35,9

34,8

39,9

38,8

33,3

38,7

40,2

39,9

0,6

51,5

50,4

55,7

54,5

48,8

55,9

57,1

55,4

29,9

1,0

72,3

71,2

76,5

75,3

69,6

73,5

73,3

71,6

36,0

1,6

900

37,7

36,4

42,2

40,9

34,8

42,6

44,8

43,8

26,9

0,3

44,5

43,2

49,0

47,7

41,5

48,5

50,6

49,7

0,6

74,1

72,8

78,7

77,4

71,1

76,7

78,1

76,1

33,6

1,0

89,5

88,2

94,1

92,8

86,5

89,4

89,2

87,2

40,5

1,6

1000

41,5

39,9

46,7

45,1

38,2

47,0

49,2

48,4

29,8

0,3

56,7

55,1

01,8

60,2

53,4

60,2

61,1

60,3

37,3

0,6

80,9

79,3

86,2

84,6

77,5

83,8

83,4

81,5

44,9

1,0

107,5

105,9

112,8

111,2

104,2

105,9

105,5

103,6

1,6

1100

45,3

43,6

51,0

49,3

41,6

51,1

53,7

52,9

32,7

0,3

61,8

60,2

67,5

65,8

58,1

65,4

66,7

65,9

41,0

0,6

101,5

99,9

107,4

105,7

97,7

103,5

103,3

101,0

49,3

1,0

131,6

129,9

137,5

135,8

127,7

128,6

128,4

125,1

1,6

1200

58,4

56,6

64,7

62,9

54,3

63,4

66,1

65,4

35,7

0,3

76,4

74,6

82,6

80,8

72,3

78,6

79,9

79,1

44,7

0,6

121,1

119,3

127,5

125,6

117,0

121,4

121,2

118,7

53,8

1,0

152,8

151,0

159,2

157,4

148,7

146,1

143,9

141,4

62,8

1,6

(1300)

63,4

61,5

70,2

68,2

59,0

68,8

71,7

71,0

38,6

0,3

82,3

80,4

89,1

87,1

77,9

84,7

86,1

85,3

48,4

0,6

130,7

128,7

137,6

135,6

126,2

130,9

130,8

128,0

58,2

1,0

164,9

162,9

171,8

169,8

160,4

157,6

155,2

152,3

68,0

1,6

1400

68,0

65,9

75,3

73,2

63,3

73,7

76,9

76,1

41,6

0,3

99,2

97,1

106,4

104,3

94,4

99,9

101,5

100,6

52,0

0,6

138,5

136,5

145,8

143,7

133,8

138,4

136,2

132,8

73,2

1,0

188,6

186,6

195,9

193,8

183,9

178,7

176,5

173,1

1,6

(1500)

72,5

70,1

80,5

78,1

67,5

78,6

81,9

81,4

44,6

0,3

117,5

115,0

125,5

123,0

112,4

116,4

117,8

117,3

55,8

0,6

162,2

159,9

170,2

167,8

157,3

159,4

156,9

153,7

78,4

1,0

142,9

240,6

252,0

249,7

236,7

234,8

229,2

224,4

89,7

1,6

1600

75,4

72,7

83,9

81,3

70,0

82,2

83,6

83,2

59,5

0,3

124,9

122,1

133,4

130,7

119,4

123,7

125,1

124,7

0,6

225,2

222,5

234,9

232,4

218,6

223,0

216,2

211,6

95,6

1,0

273,8

271,1

283,5

281,0

267,2

262,0

255,3

250,6

1,6

(1700)

93,0

90,1

102,0

99,2

87,2

98,1

99,5

99,2

63,2

0,3

145,4

142,4

154,4

151,6

139,6

142,1

143,5

143,1

0,6

254,1

251,1

264,4

261,6

247,0

248,3

240,8

236,0

101,5

1,0

306,6

303,7

316,9

314,1

299,6

290,7

283,3

278,4

1,6

1800

98,7

95,6

108,3

105,3

92,6

104,1

105,6

105,2

66,9

0,3

153,6

150,4

163,1

160,1

147,4

150,0

151,5

151,1

0,6

287,5

284,4

298,3

295,5

280,1

277,7

270,1

264,9

107,4

1,0

344,7

341,7

355,6

352,7

337,3

324,2

316,6

311,4

1,6

1900

119,0

115,9

129,2

126,2

112,4

122,0

124,1

123,6

70,6

0,3

175,6

172,4

185,7

182,6

169,0

166,5

166,4

106,0

84,8

0,6

335,3

332,1

346,8

343,8

327,4

322,8

314,4

308,3

113,3

1,0

372,1

368,9

383,6

380,6

364,2

348,5

336,1

330,0

127,6

1,6

2000

140,4

137,1

151,1

148,0

133,5

141,0

143,2

142,8

74,3

0,3

199,7

196,4

210,4

207,3

192,8

187,3

187,1

186,7

89,2

0,6

353,7

349,4

367,0

362,6

345,4

340,5

330,8

326,5

119,3

1,0

414,5

410,1

427,8

423,4

406,2

385,2

371,1

366,9

134,3

1,8

2200

171,4

167,8

183,1

179,7

163,8

169,3

171,7

171,2

81,7

0,3

218,8

215,2

230,6

227,1

211,2

205,1

204,9

204,5

93,1

0,6

411,5

406,7

426,1

421,3

402,5

389,1

373,5

368,9

147,6

1,0

451,0

446,2

465,6

460,7

441,9

414,1

393,8

389,2

164,0

1,6

2400

204,7

200,7

217,4

213,7

196,4

193,4

202,0

201,5

89,1

0,3

274,6

270,6

287,3

283,6

266,3

252,4

252,2

251,7

107,0

0,6

570,4

565,2

587,8

582,5

559,1

542,2

523,4

516,0

160,9

1,0

737,4

732,1

754,8

749,4

726,1

668,9

644,3

637,5

178,9

1,6

2600

277,9

272,1

294,3

288,6

267,9

273,2

275,3

275,7

96,5

0,3

411,2

405,5

427,7

422,0

401,3

380,6

378,0

379,5

115,8

0,6

676,0

670,3

693,8

688,2

664,8

626,3

606,5

599,3

174,2

1,0

2800

297,2

291,0

314,8

308,8

286,5

289,1

287,4

287,9

124,8

0,3

492,1

485,9

509,7

503,7

481,4

450,8

449,0

449,6

0,6

753,6

747,4

772,7

766,7

741,5

685,8

657,7

649,9

208,5

1,0

3000

344,8

338,2

363,7

357,2

333,4

331,7

329,8

330,4

133,6

0,3

577,9

571,3

596,8

590,3

566,5

524,7

522,8

523,4

0,6

1015,7

1009,0

1037,3

1030,7

1001,7

930,2

896,4

885,8

223,9

1,0

3200

442,7

415,6

442,8

435,8

410,5

399,1

397,1

397,8

142,5

0,3

698,3

691,2

718,4

711,4

686,1

627,2

625,2

625,8

0,6

1162,1

1152,9

1187,5

1178,0

1147,2

1054,9

1016,9

1010,0

238,0

1,0

3400

649,4

641,9

673,4

666,1

633,8

617,0

614,9

613,1

151,4

0,3

3600

763,0

755,0

788,4

780,6

746,5

718,0

715,7

713,7

160,3

0,3

3800

884,9

876,4

911,6

903,4

867,5

826,1

823,7

821,6

169,1

0,3

4000

1011,7

1002,9

1039,9

1031,2

993,5

937,9

935,4

933,2

178,0

0,3

Продолжение табл. 2

Внутренний диаметр аппарата, D, мм

Исполнение фланца

Втулка при Н=150

Давление условное, МПа

9

10

11

12

13

14

15

Масса, кг, не более

400

16,3

17,2

12,4

15,6

15,4

15,5

15,5

9,0

0,6

21,7

22,9

17,1

20,9

20,3

20,5

20,7

12,0

1,0

24,8

26,0

20,2

24,1

23,4

23,7

23,9

1,6

(450)

17,3

18,3

13,0

16,3

16,2

16,3

16,2

13,5

0,6

25,1

26,7

19,8

24,4

23,4

23,8

24,1

1,0

31,5

33,1

26,2

30,6

29,7

30,1

30,3

17,0

1,6

500

19,2

20,3

14,4

18,1

18,0

18,0

18,0

15,0

0,6

31,8

33,5

25,9

31,0

29,9

30,3

30,7

1,0

34,8

36,5

28,9

33,8

32,8

33,2

33,5

18,8

1,6

(550)

21,0

22,2

15,8

19,8

19,7

19,8

19,7

16,5

0,6

34,3

36,2

27,9

33,5

32,3

32,8

33,1

1,0

37,6

39,4

31,2

36,4

35,4

35,8

36,1

20,7

1,6

600

22,9

24,2

17,2

21,5

21,4

21,5

21,4

17,9

0,3

26,5

27,7

20,8

25,1

25,0

25,1

25,0

0,6

36,3

38,3

29,4

35,0

34,0

34,4

34,7

22,5

1,0

40,8

42,9

33,9

39,6

38,6

39,0

39,3

1,6

(650)

24,4

25,8

18,3

22,9

22,8

22,9

22,8

19,5

0,3

28,2

29,6

22,1

26,7

26,6

26,7

26,6

0,6

38,8

41,0

31,3

37,4

36,3

36,7

37,1

24,4

1,0

47,0

49,2

39,6

45,3

44,5

44,8

45,0

294

1,6

700

26,3

27,7

19,7

24,7

24,6

24,7

24,6

20,9

0,3

34,9

36,3

28,3

33,3

33,2

33,3

33,2

0,6

41,7

44,0

33,7

40,2

39,0

39,5

39,9

26,2

1,0

55,6

58,0

47,7

53,8

52,9

53,3

53,5

31,6

1,0

800

39,8

31,2

22,1

27,8

27,7

27,9

27,6

23,8

0,3

39,5

40,9

31,9

37,6

37,5

37,7

37,3

0,6

55,2

57,9

45,6

53,5

51,8

52,6

52,9

29,9

1,0

71,4

74,1

61,8

69,3

68,0

68,6

68,8

36,0

1,6

900

43,4

45,6

34,1

41,6

40,6

41,1

41,1

26,9

0,3

49,3

51,5

39,9

47,4

46,5

47,0

46,9

0,6

75,9

78,9

65,2

74,1

72,2

73,0

73,3

33,6

1,0

87,0

90,0

76,3

84,7

83,2

83,9

84,1

40,6

16

1000

47,9

50,2

37,5

45,6

44,9

45,3

45,2

29,8

0,3

59,8

62,1

49,4

57,0

56,7

56,9

56,7

37,3

0,6

81,2

84,4

69,4

78,4

77,1

77,7

77,8

44,9

1,0

103,3

106,5

91,5

100,5

99,2

99,8

99,9

1,6

1100

52,4

54,7

40,8

49,8

49,0

49,6

49,1

32,7

0,3

65,4

67,7

53,8

62,2

61,9

62,3

61,6

41,0

0,6

100,8

104,3

87,2

97,8

95,6

96,9

96,8

49,3

1,0

125,9

129,4

112,3

122,9

121,0

122,0

121,9

1,6

1200

64,9

67,2

52,4

61,9

61,3

61,8

61,2

35,7

0,3

78,6

80,9

66,1

75,1

74,9

75,3

74,2

44,7

0,6

118,5

122,3

103,7

115,2

113,1

114,2

114,1

53,8

1,0

141,2

145,0

126,4

137,3

135,7

136,6

136,3

62,8

1,6

(1300)

70,4

72,9

56,9

67,2

66,5

67,1

66,4

38,6

0,3

84,7

87,2

71,2

80,9

80,7

81,1

80,2

48,4

0,6

127,8

131,9

111,8

124,2

122,0

123,2

123,0

58,2

1,0

152,2

156,4

136,3

148,1

146,3

147,3

147,0

68,0

1,6

1400

75,4

78,1

60,9

72,0

71,3

71,9

71,2

41,6

0,3

100,0

102,7

85,5

95,9

95,7

96,1

95,2

52,0

0,6

132,7

137,2

115,1

128,3

125,8

127,3

126,7

73,2

1,0

173,1

177,5

155,4

168,6

166,2

167,7

167,1

1,6

(1500)

80,5

83,4

65,0

76,4

76,2

76,7

75,9

44,6

0,3

116,5

119,4

101,0

111,9

112,1

112,3

111,3

55,8

0,6

153,4

158,2

134,5

148,5

146,2

147,6

147,0

78,4

1,0

224,6

230,2

202,0

219,4

215,7

217,8

217,3

89,7

1,6

1600

82,3

85,3

65,8

77,2

77,6

77,9

76,6

59,5

0,3

123,8

126,8

107,3

118,7

119,1

119,4

118,2

0,6

211,5

217,7

188,1

206,0

202,5

204,5

204,1

95,6

1,0

250,6

256,7

227,1

245,0

241,5

243,5

243,1

1,6

(1700)

98,2

101,3

80,7

92,7

93,3

93,5

92,2

63,2

0,3

142,1

145,3

124,6

136,7

137,2

137,4

136,1

0,6

235,9

242,5

211,3

230,0

226,5

228,4

228,2

101,5

1,0

278,3

284,9

253,7

272,4

268,9

270,8

270,6

1,6

1800

104,2

107,5

85,7

98,4

98,2

99,2

97,8

66,9

0,3

150,1

153,4

131,6

144,3

144,8

145,1

143,7

0,6

264,9

271,8

238,6

258,6

254,7

256,9

256,5

107,4

1,0

311,4

318,3

285,1

305,1

301,2

303,4

303,0

1,6

1900

122,8

125,8

102,9

116,5

117,0

117,6

115,5

70,6

0,3

165,1

168,1

145,2

157,9

159,2

159,5

157,1

84,8

0,6

308,4

316,2

279,9

301,1

297,2

299,8

299,7

113,3

1,0

330,0

337,8

301,5

322,7

318,6

320,9

320,5

127,6

1,6

2000

141,8

145,0

120,9

135,2

135,8

136,4

134,2

74,3

0,3

185,8

188,9

164,9

178,2

179,5

179,8

177,3

89,2

0,6

325,4

333,6

295,4

317,7

314,8

316,3

316,2

119,3

1,0

165,7

373,9

335,8

357,1

355,0

356,2

355,8

134,3

1,0

2200

170,2

173,7

147,2

162,9

163,5

164,2

161,8

811,7

0,3

203,4

206,9

180,5

195,1

196,6

196,9

194,1

98,1

0,6

367,7

376,7

334,9

358,2

355,9

357,2

356,7

147,6

1,0

387,9

396,9

355,1

377,3

375,9

376,9

376,1

164,0

1,6

2400

200,4

204,1

175,4

192,5

193,1

193,8

191,2

89,1

0,3

250,6

154,4

225,6

241,5

243,1

243,5

240,5

107,0

0,6

515,5

526,8

475,7

506,0

501,1

503,5

503,9

160,9

1,0

636,4

647,8

596,6

625,8

621,8

623,8

623,9

178,9

1,6

2600

273,3

279,0

242,6

264,2

265,4

265,5

263,7

96,5

0,3

377,0

382,8

346,3

366,7

368,8

368,6

366,4

115,8

0,6

598,2

610,1

556,3

587,7

582,5

585,2

582,3

174,2

1,0

2800

285,3

291,5

252,2

274,2

276,5

276,2

273,8

124,8

0,3

446,9

453,1

413,9

435,8

438,1

437,9

435,4

0,6

648,9

661,7

603,8

636,1

631,7

634,2

633,8

208,5

1,0

3000

327,6

334,2

292,2

315,7

318,2

317,9

315,3

133,6

0,3

520,6

527,2

485,2

508,7

511,1

510,9

508,3

0,6

884,8

900,8

832,6

872,4

864,7

868,3

869,5

223,3

1,0

3200

394,8

40,1,8

357,1

382,0

384,7

384,4

381,7

142,5

0,3

622,8

629,9

585,2

610,1

612,8

612,5

609,7

0,6

1006,6

1023,6

951,1

991,4

987,6

989,0

990,3

238,0

1,0

3400

610,3

619,9

563,7

598,0

597,5

598,4

596,8

151,4

0,3

3600

710,8

72,1,0

661,6

697,8

697,3

698,3

696,5

160,3

0,3

3800

818,5

829,2

766,6

804,8

804,2

805,3

803,4

169,1

0,3

4000

930,0

941,3

875,4

915,6

914,9

916,1

914,1

178,0

0,3

Примечания:

1. Массы фланцев рассчитаны при плотности 7,85 г/см3.

2. Размеры, указанные в скобках, применять не рекомендуется.

ИНФОРМАЦИОННЫЕ ДАННЫЕ

1. РАЗРАБОТАН И ВНЕСЕН Министерством тяжелого машиностроения СССР

2. УТВЕРЖДЕН И ВВЕДЕН В ДЕЙСТВИЕ Постановлением Государственного комитета СССР по управлению качеством продукции и стандартам от 29.11.90 № 2976

3. ВЗАМЕН ОСТ 26-426-79

4. ССЫЛОЧНЫЕ НОРМАТИВНО-ТЕХНИЧЕСКИЕ ДОКУМЕНТЫ

Обозначение НТД, на который дана ссылка

Номер пункта

ГОСТ 28759.1-90

Вводная часть

ГОСТ 28759.5-90

1.3

ГОСТ 28759.6-90

1.5

5. ПЕРЕИЗДАНИЕ

СОДЕРЖАНИЕ

 



© 2013 Ёшкин Кот :-)