Информационная система
«Ёшкин Кот»

XXXecatmenu

ГОСТ 17314-81

МЕЖГОСУДАРСТВЕННЫЙ СТАНДАРТ

УСТРОЙСТВА ДЛЯ КРЕПЛЕНИЯ
ТЕПЛОВОЙ ИЗОЛЯЦИИ СТАЛЬНЫХ
СОСУДОВ И АППАРАТОВ

 

КОНСТРУКЦИЯ И РАЗМЕРЫ.
ТЕХНИЧЕСКИЕ ТРЕБОВАНИЯ

 

ИПК ИЗДАТЕЛЬСТВО СТАНДАРТОВ
Москва

 

 

МЕЖГОСУДАРСТВЕННЫЙ СТАНДАРТ

УСТРОЙСТВА ДЛЯ КРЕПЛЕНИЯ ТЕПЛОВОЙ ИЗОЛЯЦИИ
СТАЛЬНЫХ СОСУДОВ И АППАРАТОВ

Конструкция и размеры. Технические требования

Arrangements for fostening heat insulation of steel vessels and apparatus.
Construction and dimensions. Technical requirements

ГОСТ
17314-81

Дата введения 01.01.82

в части втулки В2 -

01.01.85

 

Настоящий стандарт распространяется на устройства для крепления наружной тепловой изоляции и их размещения на стальных стационарных сосудах и аппаратах (далее - устройства) с температурой вещества в объектах от минус 100 до плюс 600°С включительно, диаметром не менее 500 мм, с криволинейными или плоскими поверхностями, применяемые в химической, нефтехимической, нефтеперерабатывающей, энергетической и других отраслях промышленности.

Стандарт не распространяется на устройства, применяемые для резервуаров, изготовляемых способом рулонирования, и сферических резервуаров.

1. КОНСТРУКЦИЯ И РАЗМЕРЫ

1.1. В зависимости от типа изоляции и способа ее крепления устройства изготовляют в трех исполнениях:

1 - для крепления одинарным штырем изоляции толщиной до 100 мм;

2 - для крепления двойным штырем изоляции толщиной до 260 мм;

3 - для крепления подвеской полносборных теплоизоляционных конструкций толщиной от 40 до 120 мм.

1.2. Конструкция устройств и их применение должны соответствовать указанным на черт. 1-12 и в табл. 1.

Исполнение 1

Устройство, состоящее из скобы С1 и одинарного штыря Ш1

Черт. 1

Устройство, состоящее из скобы С2 и одинарного штыря Ш1

Черт. 2

Устройство, состоящее из втулки В1 и одинарного штыря Ш1

Черт. 3

Исполнение 2

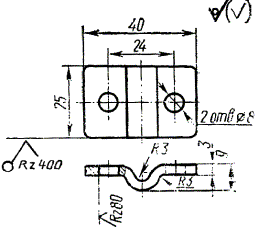
Устройство, состоящее из скобы С1 и двойного штыря Ш2

1-скоба; 2-штырь

Черт. 4

Устройство, состоящее из скобы С2 и двойного штыря Ш2

Черт. 5

Устройство, состоящее из втулки В1 и двойного штыря Ш2

Черт. 6

Исполнение 3

Устройство, состоящее из скобы С1 и подвески П1

Черт. 7

Устройство, состоящее из скобы С2 и подвески П1

Черт. 8

Устройство, состоящее из втулки В1 и подвески П1

Черт. 9

Устройство, состоящее из скобы С1 и подвески П2

Черт. 10

Устройство, состоящее из скобы С2 и подвески П2

Черт. 11

Устройство, состоящее из втулки В1 и подвески П2

Черт. 12

Таблица 1

Обозначение устройства

Код ОКП

Применяемость

Масса, кг,
не более

Конструкция теплоизоляции и предельная толщина

Толщина теплоизоляции, мм

С1-Ш1/60

48 3437 0001

Для крепления теплоизоляции из мягких и полужестких изделий толщиной до 100 мм

До 60

0,046

С2-Ш1/60

48 3437 0002

0,053

В1-Ш1/60

48 3437 0003

0,045

С1-Ш1/100

48 3437 0005

Св. 60

0,052

С2-Ш1/100

48 3437 0006

до 100

0,059

В1-Ш1/100

48 3437 0007

включ.

0,051

С1-Ш2/50

48 3437 0008

Для крепления теплоизоляции из жестких изделий толщиной до 100 мм

До 50

0,069

С2-Ш2/50

48 3437 0009

0,076

В1-Ш2/50

48 3437 0010

0,068

С1/Ш2/100

48 3437 0013

Св. 50

до 100

0,085

С2-Ш2/100

48 3437 0014

0,092

В2-Ш2/100

48 3437 0015

0,084

С1-Ш2/160

48 3437 0016

Для крепления теплоизоляции из мягких и полужестких изделий толщиной до 260 мм

Св. 100

до 160

включ.

0,103

С2-Ш2/160

48 3437 0017

0,110

В1-Ш2/160

48 3437 0018

0,102

С1-Ш2/200

С2-Ш2/200

В1-Ш2.200

48 3437 0021

48 3437 0022

48 3437 0023

Св. 160

до 200

включ.

0,116

0,123

0,115

С1-Ш2/260

48 3437 0024

Св. 200

до 260

0,138

С2-Ш2/260

48 3437 0025

0,146

В1-Ш2/260

48 3437 0026

0,137

С1-П1

48 3437 0027

Для крепления полносборных теплоизоляционных конструкций толщиной до 120 мм

Св. 40

до 120

включ.

0,159

С2-П1

48 3437 0028

0,166

В1-П1

48 3437 0029

0,158

С1-П2

48 3437 0030

0,065

С2-П2

48 3437 0031

0,072

В1-П2

48 3437 0032

0,064

Примечание. Выбор исполнения подвески зависит от вида крепежной детали на полносборной теплоизоляционной конструкции.

Пример условного обозначения устройства исполнения 1 со скобой С1 для крепления одинарным штырем Ш1 изоляции толщиной до 60 мм:

Устройство С1-Ш1/60 ГОСТ 17314-81

То же, с втулкой В1:

Устройство В1-Ш1/60 ГОСТ 17314-81

Пример условного обозначения устройства исполнения 2 со скобой С1 для крепления двойным штырем Ш2 изоляции толщиной до 160 мм:

Устройство С1-Ш2/160 ГОСТ 17314-81

То же, с втулкой В1:

Устройство В1-Ш2/160 ГОСТ 17314-81

Пример условного обозначения устройства исполнения 3 со скобой С1 для крепления подвеской П1 полносборных теплоизоляционных конструкций толщиной от 40 до 120 мм:

Устройство С1-П1 ГОСТ 17314-81

То же, с втулкой В1:

Устройство В1-П1 ГОСТ 17314-81

Пример условного обозначения устройства исполнения 3 со скобой С1 для крепления подвеской П2 полносборных теплоизоляционных конструкций толщиной от 40 до 120 мм:

Устройство С1-П2 ГОСТ 17314-81

То же, с втулкой В1:

Устройство В1-П2 ГОСТ 17314-81

1.3. Для устройств в исполнении 1 (черт. 2), исполнении 2 (черт. 6) и исполнении 3 (черт. 9 и 12) допускается применять укороченную втулку, привариваемую способом электрической дугоконтактной сварки (см. примечание к черт. 15) и п. 2.3.

1.4. Устройства для крепления наружной тепловой изоляции состоят из приварных и съемных деталей, являющихся частью аппарата.

Конструкция, размеры и масса приварных деталей должны соответствовать указанным на черт. 13-15 и в табл. 2, а съемных деталей - на черт. 16-19 и в табл. 3 и 4.

Скоба С1

Черт. 13

Скоба С2

Черт. 14

Таблица 2

Обозначение скобы

Длина развертки, мм, не более

Масса, кг, не более

С1

31

0,018

С2

45

0,026

Пример условного обозначения скобы С1:

Скоба С1 ГОСТ 17314-81

То же, С2:

Скоба С2 ГОСТ 17314-81

Втулка В1

Масса - не более 0,017 кг

Черт. 15

Пример условного обозначения втулки В1:

Втулка В 1 ГОСТ 17314-81

Примечание. Допускается применять укороченную втулку (В2) длиной не менее 14 мм (без изменения остальных размеров).

Одинарный штырь Ш1

Черт. 16

Таблица 3

Размеры в мм

Обозначение штыря

l

Длина развертки, не более

Масса, кг, не более

Ш1/60

Ш1/100

140

180

170

210

0,026

0,032

Пример условного обозначения одинарного штыря Ш1 для изоляции толщиной до 60 мм:

Штырь Ш1/60 ГОСТ 17314-81

Двойной штырь Ш2

Черт. 17

Таблица 4

Размеры в мм

Обозначение штыря

l

l1

Длина развертки, не более

Масса, кг, не более

Ш2/50

140

90

311

0,048

Ш2/100

190

140

411

0,063

Ш2/160

250

200

531

0,082

Ш2/200

290

240

611

0,094

Ш2/260

350

300

731

0,113

Пример условного обозначения двойного штыря Ш2 для изоляции толщиной до 50 мм:

Штырь Ш2/50 ГОСТ 17314-81

Подвеска П1

Длина развертки - не более 79 мм.

Масса - не более 0,141 кг.

Черт. 18

Подвеска П2

Масса - не более 0,047 кг

Черт. 19

Пример условного обозначения подвески П 1:

Подвеска П1 ГОСТ 17314-81

То же, П2:

Подвеска П2 ГОСТ 17314-81

1.2 - 1.4. (Измененная редакция, Изм. № 2).

2. ТЕХНИЧЕСКИЕ ТРЕБОВАНИЯ

2.1. Устройства следует изготовлять в соответствии с требованиями настоящего стандарта по рабочим чертежам, утвержденным в установленном порядке.

Скобы и втулки приваривают к поверхности сосудов и аппаратов на предприятии - изготовителе оборудования. Съемные детали устанавливают во время монтажа тепловой изоляции.

2.2. Материал приварных деталей выбирают в зависимости от материала корпусов сосудов и аппаратов, к которым их приваривают. Материал съемных деталей: одинарный штырь, двойной штырь - стальная низкоуглеродистая проволока общего назначения 5-0-4 по ГОСТ 3282; материал подвески - сталь марки Ст 3 по ГОСТ 380.

При наличии специальных требований защитные покрытия съемных деталей выбирают по ГОСТ 9.303.

Допускается на корпусы судов и аппаратов из аустенитной стали приваривать детали из углеродистой стали.

(Измененная редакция, Изм. № 2).

2.3. Сварной шов привариваемых втулок должен выдерживать усилие на срез не менее 1200 Н.

2.4. На приварных и съемных деталях не должно быть острых кромок и расслоений металла. Торцы приварных и съемных деталей должны быть под углом 90° к оси детали.

На приварных и съемных деталях не допускаются следы обработки и вмятины, выходящие за пределы отклонений, установленных стандартами на соответствующий сортамент.

2.5. Предельные отклонения длины съемных деталей - по классу «очень грубый» ГОСТ 30893.1, остальные размеры - по ГОСТ 25347.

2.6. Предельные отклонения размеров приварных деталей - по ГОСТ 25347.

(Измененная редакция, Изм. № 1).

2.7. Места размещения приварных деталей на корпусах сосудов и аппаратов должны соответствовать указанным на рабочих чертежах. Порядок размещения приварных деталей дан в обязательном приложении 1.

Допуск перпендикулярности - предельное отклонение оси приварной детали на вертикальных аппаратах от вертикали, на горизонтальных аппаратах от горизонтали (перекос) - 2 мм на полной длине детали. Предельное смещение осей приварных деталей от вертикали и горизонтали - 2 мм.

Примечание. На устройствах для строповки аппаратов (монтажных штуцерах и др.) устанавливать приварные детали не допускается.

2.8. Приварные детали внутри опорных обечаек сосудов и аппаратов размещают, отступив от шва приварки обечайки к корпусу сосуда (аппарата), на расстоянии, указанном в обязательном приложении 1, черт. 1.

2.9. При попадании приварной детали на сварной шов корпуса сосуда или аппарата допускается изменять шаг приварки детали, смещая от края сварного шва на расстояние, равное толщине стенки сосуда или аппарата. В этом случае расстояние между приварными деталями, расположенными по обе стороны от смещенной детали, должно быть равно сумме двух заданных шагов.

2.10. Не допускается увеличивать шаг замыкающего звена приварных деталей более чем на 0,3 шага.

2.11. При изоляции отдельных частей сосудов и аппаратов допускается размещать приварные детали только на поверхности, подлежащей изоляции.

2.12. Виды крепления изоляции даны в справочном приложении 2.

2.13. Правила приемки съемных деталей - по ГОСТ 17769 для изделий грубой точности.

2.14. Упаковка съемных деталей и маркировка тары - по ГОСТ 18160.

2.15. Для кантовки аппаратов на роликовых опорах допускается в двух местах устанавливать приварные детали на расстоянии до 1000 мм по длине аппарата.

(Введен дополнительно, Изм. № 2).

ПРИЛОЖЕНИЕ 1
Обязательное

УКАЗАНИЯ ПО РАЗМЕЩЕНИЮ ПРИВАРНЫХ ДЕТАЛЕЙ
НА СОСУДАХ И АППАРАТАХ

1. Приварные детали на сосудах и аппаратах размещают:

а) на вертикальных объектах: в вертикальном и горизонтальном направлениях с шагом 500 мм, отступив от анкерных болтов фланцевых соединений или сварных соединений либо сварных швов, соединяющих днища (крышки) и корпуса сосудов и аппаратов, на расстояния, указанные на черт. 1-3;

б) на горизонтальных объектах: в горизонтальном направлении с шагом 500 мм, отступив от фланцевых соединений или сварных швов, соединяющих днища (крышки) и корпуса сосудов и аппаратов, на расстояния, указанные на черт. 4 и 5;

в вертикальном направлении: на верхней половине объекта с шагом 500 мм; на нижней половине объекта с шагом 250 мм. Отсчет шага ведут от плоскости горизонтального диаметра;

в) на днищах и крышках - в соответствии с черт. 3, 5 и 6 (на конических днищах и крышках по примеру черт. 3 и 5);

г) на опорах аппаратов с шагом 500 мм - в соответствии с черт. 1, 2, 4 и 5.

Для устройства с подвесками допускается по согласованию между изготовителем и потребителем изменить шаг приварки размещения приварных деталей на значение, кратное 500 мм.

l - длина болта плюс 50 мм; а - приварная деталь

Р, мм

200

330

400

600

800

1060

1100

1200

Диаметр аппарата,
мм

До 1000

От 1000
до 2000 включ.

До 3000

До 4000

До 6000

До 8000

До 10000

До 12000

Черт. 1

l - длина болта плюс 50 мм; а - приварная деталь

Черт. 2

а - приварная деталь

Черт. 3

l - длина болта плюс 20 мм; а - приварная деталь

Черт. 4

а - приварная деталь

Черт. 5

а - приварная деталь

Черт. 6

ПРИЛОЖЕНИЕ 2
Справочное

ВИДЫ КРЕПЛЕНИЯ ТЕПЛОВОЙ ИЗОЛЯЦИИ

1. Тепловую изоляцию в виде изделия из мягких или полужестких волокнистых материалов (минеральной ваты, ваты из стеклянного волокна, асбеста) на связках или в обкладках при толщине слоя до 100 мм крепят устройством исполнения 1 (черт. 1); при толщине слоя св. 100 до 260 мм ключ. - устройством исполнения 2 (черт. 4).

2. Тепловую изоляцию в виде изделия из жестких материалов в один и два слоя (плит, сегментов и др.) крепят устройством исполнения 2 (черт. 2 и 3).

3. Тепловую изоляцию в виде изделия из полносборных теплоизоляционных конструкций крепят устройством исполнения 3 (черт. 5 и 6).

Исполнение 1

(однослойная изоляция)

1 - устройство для крепления изоляции со штырем Ш1;

2 - теплоизоляционный слой; 3 - бандаж или кольцо

Черт. 1

Исполнение 2

(однослойная изоляция)

1 - устройство для крепления изоляции со штырем Ш2;

2 - теплоизоляционный слой; 3 - бандаж или кольцо;

4 - стяжка

Черт. 2

Исполнение 2

(двухслойная изоляция)

1 - устройство для крепления изоляции со штырем Ш2;

2 - теплоизоляционный слой; 3 - бандаж или кольцо; 4 - стяжка

Черт. 3

Исполнение 2

(двухслойная изоляция)

1 - устройство для крепления изоляции со штырем Ш2;

2 - теплоизоляционный слой; 3 - бандаж или кольцо

Черт. 4

Исполнение 3

(с подвеской П1)

1 - устройство для крепления изоляции; 2 - полносборная конструкция
с подвеской П1; 3 - винт для крепления элементов полносборных конструкций

Черт. 5

Исполнение 3

(с подвеской П2)

1 - устройство для крепления изоляции с подвеской П2;

2 - полносборная конструкция; 3 - скоба для крепления элементов
полносборных конструкций; 4 - винт для крепления элементов
полносборных конструкций

Черт. 6

ИНФОРМАЦИОННЫЕ ДАННЫЕ

1. РАЗРАБОТАН Министерством монтажных и специальных строительных работ СССР

2. УТВЕРЖДЕН И ВВЕДЕН В ДЕЙСТВИЕ Постановлением Государственного комитета СССР по стандартам от 16.02.81 № 782

3. ВЗАМЕН ГОСТ 17314-71

4. ССЫЛОЧНЫЕ НОРМАТИВНО-ТЕХНИЧЕСКИЕ ДОКУМЕНТЫ

Обозначение НТД, на который дана ссылка

Номер пункта

ГОСТ 9.303-84

2.2

ГОСТ 380-94

2.2

ГОСТ 3282-74

2.2

ГОСТ 17769-83

2.13

ГОСТ 18160-72

2.14

ГОСТ 25347-82

2.5, 2.6

ГОСТ 30893.1-2002

2.5

5. Ограничение срока действия снято Постановлением Госстандарта СССР от 23.06.89 № 1969

6. ИЗДАНИЕ (декабрь 2004 г.) с Изменениями № 1, 2, утвержденными в декабре 1986 г., июне 1989 г. (ИУС 3-87, 10-89)

 

СОДЕРЖАНИЕ

 

 

 



© 2013 Ёшкин Кот :-)