ОКП 57 6869
|
Группа Ж 15
|
СОГЛАСОВАНО
|
УТВЕРЖДАЮ
|
Генеральный директор
ГП ТЭК Санкт-Петербурга
__________ В.М. Ларин
__________ 27.06. 1997 г.
|
Директор ПКЗАО
"ТЕПЛОРОСС"
___________ А.В. Голембиовский
___________ 23.06. 1997 г.
|
ИЗДЕЛИЯ ФАСОННЫЕ
С ТЕПЛОИЗОЛЯЦИОННЫМ СЛОЕМ
ИЗ ПЕНОПОЛИУРЕТАНА
И ГИДРОЗАЩИТНЫМ ПОКРЫТИЕМ
ТЕХНИЧЕСКИЕ УСЛОВИЯ
ТУ
5768-003-27519262-97
(Взамен ТУ
5767-003-23085909-95)
Дата введения с 25.06.97
г.
СОГЛАСОВАНО
|
СОГЛАСОВАНО
|
АОЗТ "Трест Ленгазтеплострой
____________ Н.Г. Кикичев
____________ 25.06. 1997 г.
|
Главный инженер
СЗО "ВНИПИэнергопром"
____________ Э.И. Гольмшток
____________ 23.06. 1997 г.
|
Главный инженер института
"Ленгипроинжпроект"
____________ В.Е. Берхман
____________ 25.06. 1997 г.
|
|
Настоящие
технические условия (ТУ) распространяются на изделия фасонные с
теплоизоляционным слоем из пенополиуретана и гидрозащитным покрытием, далее по
тексту - "изделия". Изделия предназначены для использования в
трубопроводах с постоянной температурой теплоносителя до 150 °С
включительно и давлением до 1,6 МПа, при центральном качественном графике
отпуска тепла, при этом максимальная температура допускается не более 1500
час/год. Изделия применяются для подземной бесканальной и канальной прокладки
тепловых сетей, а так же для надземной прокладки. Вид климатического исполнения
УХЛ категории размещения 4.2 по ГОСТ
15150-69*.
Изделия
выпускаются двух видов: А и Б.
А - для
использования при подземной прокладке, при этом в качестве гидрозащитного покрытия
применяется полиэтилен.
Б - для
использования при надземной прокладке, при этом в качестве гидрозащитного
покрытия применяется оболочка из оцинкованной стали.
Изделия
изготавливаются следующих видов: отводы, переходы, тройники.
Примеры
условного обозначения продукции при заказе:
"ТГИ ППУ-П ОТВ 57´3´125
90°
Н"
|
ТУ 5768-003-27519262-97
|
"ТГИ ППУ-О ПЕР 89´3,5´180-76´3,5´160
Н"
|
ТУ 5768-003-27519262-97
|
"ТГИ ППУ-О ТР ПР 133´4,5´225-108´4,0´180"
|
ТУ 5768-003-27519262-97
|
"ТГИ ППУ-О ТР ИЗ 133´4,5´225-108´4,0´180"
|
ТУ 5768-003-27519262-97
|
где: ТГИ
|
- теплогидроизоляция
|
ППУ
|
- пенополиуретан
|
П
|
- гидрозащита из полиэтилена
|
О
|
- гидрозащита из оцинкованной стали
|
ОТВ
|
- отвод
|
ПЕР
|
- переход
|
ТР
|
- тройник
|
ПР
|
- вид тройника - прямой
|
ИЗ
|
- вид тройника - изогнутый
|
57
|
- диаметр стального отвода
|
3
|
- толщина стенки стального отвода
|
125
|
- наружный диаметр изоляции стального отвода
|
89
|
- больший диаметр стального перехода
|
3,5
|
- толщина стенки патрубка диаметром 89 мм стального
перехода
|
180
|
- наружный диаметр изоляции патрубка диаметром 89 мм
|
76
|
- меньший диаметр стального перехода
|
3,5
|
- толщина стенки патрубка диаметром 76 мм стального
перехода
|
160
|
- наружный диаметр изоляции патрубка диаметром 76 мм
|
133
|
- диаметр прямой стальной трубы тройника
|
4,5
|
- толщина стенки прямой стальной трубы тройника
|
225
|
- наружный диаметр изоляции прямой стальной трубы тройника
|
108
|
- диаметр стального патрубка тройника
|
4,0
|
- толщина стенки стального патрубка тройника
|
180
|
- наружный диаметр изоляции стального патрубка тройника
|
с литерой "Н"
|
- стальное фасонное изделие поставки ПКЗАО
"ТЕПЛОРОСС"
|
без литеры "Н"
|
- в случае поставки под изоляцию изделия Заказчика.
|
1. ТЕХНИЧЕСКИЕ ТРЕБОВАНИЯ
Изделия должны
соответствовать требованиям настоящих технических условий и образцу-эталону, утвержденному
в установленном порядке и изготавливаться по технической документации,
утвержденной в установленном порядке.
1.1. Основные
параметры и размеры.
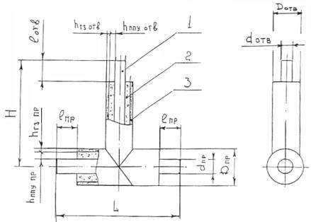
1.1.1.
Условные обозначения:
поз. 1 -
стальное фасонное изделие;
поз. 2 -
пенополиуретановая теплоизоляция;
поз. 3 -
гидрозащитное покрытие.
1.1.2.
Габаритные размеры изделий должны соответствовать нормам, приведенным на
рисунках 1 - 9 и в таблицах 1 - 6.
Таблица 1 к
рисункам 1 - 4 (размеры в мм)
d
|
hППУ
не менее
|
hГЗ
|
D
|
Вес изоляции, кг
|
L
|
l
|
вид А
|
вид Б
|
вид А
|
вид Б
|
25
|
27
|
3.0
|
0.5
|
90
|
2.02
|
2.57
|
1000
|
150
|
32
|
24
|
3.0
|
0.5
|
90
|
1.99
|
2.52
|
1000
|
150
|
38
|
27
|
3.0
|
0.5
|
110
|
2.62
|
3.26
|
1000
|
150
|
45
|
27
|
3.0
|
0.5
|
110
|
2.53
|
3.18
|
1000
|
150
|
57
|
28
|
3.0
|
0.5
|
125
|
3.04
|
3.77
|
1000
|
150
|
57
|
25
|
3.0
|
0.5
|
140
|
3.67
|
4.51
|
1000
|
150
|
76
|
26
|
3.0
|
0.5
|
140
|
3.40
|
4.22
|
1000
|
150
|
76
|
36
|
3.0
|
0.5
|
160
|
4.34
|
5.27
|
1000
|
150
|
89
|
30
|
3.0
|
0.5
|
160
|
4.10
|
5.03
|
1000
|
150
|
89
|
38
|
3.0
|
0.5
|
180
|
5.10
|
6.15
|
1000
|
150
|
108
|
28.5
|
3.0
|
0.5
|
180
|
4.71
|
5.75
|
1000
|
150
|
108
|
38
|
3.2
|
0.5
|
200
|
5.98
|
6.95
|
1000
|
150
|
133
|
38
|
3.5
|
0.5
|
225
|
7.16
|
7.89
|
1000
|
150
|
159
|
40
|
3.9
|
0.5
|
250
|
8.48
|
8.81
|
1000
|
150
|
219
|
40
|
4.9
|
0.5
|
315
|
12.55
|
11.42
|
1000
|
150
|
273
|
53
|
6.3
|
0.5
|
400
|
20.79
|
16.44
|
1000
|
150
|
325
|
50
|
7.0
|
0.5
|
450
|
21.99
|
16.28
|
1000
|
250
|
426
|
52
|
8.8
|
0.5
|
560
|
32.57
|
20.97
|
1000
|
250
|
530
|
64
|
11.1
|
0.5
|
710
|
67.36
|
39.54
|
1200
|
250
|
630
|
64
|
12.5
|
0.8
|
800
|
80.69
|
54.25
|
1200
|
250
|
720
|
64
|
14.0
|
0.8
|
900
|
99.92
|
62.57
|
1200
|
250
|
820
|
64
|
15.6
|
0.8
|
1000
|
119.72
|
69.20
|
1200
|
250
|
920
|
64
|
17.6
|
0.8
|
1100
|
173.58
|
91.36
|
1400
|
250
|
1020
|
64
|
19.6
|
0.8
|
1200
|
204.75
|
98.74
|
1400
|
250
|
Примечание:
По согласованию с заказчиком возможно изменение размера "L" и расширение
ассортимента отводов.

Рисунок
1.

Рисунок
2.

Рисунок
3.

Рисунок
4.

Рисунок
5.
Таблица 2 к
рисунку 5 (размеры в мм)
d1-d2
|
hППУ1
|
hППУ2
|
hГЗ1
|
hГЗ2
|
D1
|
D2
|
Вес изол., кг
|
l1
|
l2
|
L
|
не менее
|
вид
А
|
вид Б
|
вид
А
|
вид
Б
|
вид
А
|
вид
Б
|
32-25
|
24
|
27
|
3.0
|
0.5
|
3.0
|
0.5
|
90
|
90
|
0.41
|
0.52
|
150
|
150
|
650
|
38-32
|
27
|
24
|
3.0
|
0.5
|
3.0
|
0.5
|
110
|
90
|
0.47
|
0.60
|
150
|
150
|
650
|
38-25
|
27
|
27
|
3.0
|
0.5
|
3.0
|
0.5
|
110
|
90
|
0.48
|
0.43
|
150
|
150
|
650
|
45-38
|
27
|
27
|
3.0
|
0.5
|
3.0
|
0.5
|
110
|
110
|
0.54
|
0.66
|
150
|
150
|
650
|
45-32
|
27
|
24
|
3.0
|
0.5
|
3.0
|
0.5
|
110
|
90
|
0.47
|
0.59
|
150
|
150
|
650
|
45-25
|
27
|
27
|
3.0
|
0.5
|
3.0
|
0.5
|
110
|
90
|
0.48
|
0.59
|
150
|
150
|
650
|
57-45
|
28
|
27
|
3.0
|
0.5
|
3.0
|
0.5
|
125
|
110
|
0.57
|
0.72
|
150
|
150
|
650
|
57-45
|
35
|
27
|
3.0
|
0.5
|
3.0
|
0.5
|
140
|
110
|
0.64
|
0.79
|
150
|
150
|
650
|
57-38
|
28
|
27
|
3.0
|
0.5
|
3.0
|
0.5
|
125
|
110
|
0.58
|
0.72
|
150
|
150
|
650
|
57-38
|
35
|
27
|
3.0
|
0.5
|
3.0
|
0.5
|
140
|
110
|
0.65
|
0.80
|
150
|
150
|
650
|
57-32
|
28
|
24
|
3.0
|
0.5
|
3.0
|
0.5
|
125
|
90
|
0.52
|
0.65
|
150
|
150
|
650
|
57-32
|
35
|
24
|
3.0
|
0.5
|
3.0
|
0.5
|
140
|
90
|
0.58
|
0.72
|
150
|
150
|
650
|
76-57
|
26
|
28
|
3.0
|
0.5
|
3.0
|
0.5
|
140
|
125
|
0.85
|
1.06
|
150
|
150
|
750
|
76-57
|
36
|
35
|
3.0
|
0.5
|
3.0
|
0.5
|
160
|
140
|
1.06
|
1.29
|
150
|
150
|
750
|
76-45
|
26
|
27
|
3.0
|
0.5
|
3.0
|
0.5
|
140
|
110
|
0.79
|
0.94
|
150
|
150
|
750
|
76-45
|
36
|
27
|
3.0
|
0.5
|
3.0
|
0.5
|
160
|
110
|
0.91
|
1.03
|
150
|
150
|
750
|
76-38
|
26
|
27
|
3.0
|
0.5
|
3.0
|
0.5
|
140
|
110
|
0.80
|
1.07
|
150
|
150
|
750
|
76-38
|
36
|
27
|
3.0
|
0.5
|
3.0
|
0.5
|
160
|
110
|
0.92
|
1.13
|
150
|
150
|
750
|
89-76
|
30
|
26
|
3.0
|
0.5
|
3.0
|
0.5
|
160
|
140
|
0.99
|
1.22
|
150
|
150
|
750
|
89-76
|
38
|
36
|
3.0
|
0.5
|
3.0
|
0.5
|
180
|
160
|
1.25
|
1.51
|
150
|
150
|
750
|
89-57
|
30
|
28
|
3.0
|
0.5
|
3.0
|
0.5
|
160
|
125
|
0.95
|
1.17
|
150
|
150
|
750
|
89-57
|
38
|
35
|
3.0
|
0.5
|
3.0
|
0.5
|
180
|
140
|
1.16
|
1.41
|
150
|
150
|
750
|
89-45
|
30
|
27
|
3.0
|
0.5
|
3.0
|
0.5
|
160
|
110
|
0.88
|
1.09
|
150
|
150
|
750
|
89-45
|
38
|
27
|
3.0
|
0.5
|
3.0
|
0.5
|
180
|
110
|
1.01
|
0.96
|
150
|
150
|
750
|
108-89
|
28.5
|
30
|
3.0
|
0.5
|
3.0
|
0.5
|
180
|
160
|
1.42
|
1.74
|
150
|
150
|
850
|
108-89
|
38
|
38
|
3.2
|
0.5
|
3.0
|
0.5
|
200
|
160
|
1.79
|
2.12
|
150
|
150
|
850
|
108-76
|
28.5
|
26
|
3.0
|
0.5
|
3.0
|
0.5
|
180
|
140
|
1.31
|
1.61
|
150
|
150
|
850
|
108-76
|
38
|
36
|
3.2
|
0.5
|
3.0
|
0.5
|
200
|
160
|
1.65
|
1.98
|
150
|
150
|
850
|
108-57
|
28.5
|
28
|
3.0
|
0.5
|
3.0
|
0.5
|
180
|
125
|
1.25
|
1.54
|
150
|
150
|
850
|
108-57
|
38
|
35
|
3.2
|
0.5
|
3.0
|
0.5
|
200
|
140
|
1.53
|
1.85
|
150
|
150
|
850
|
133-108
|
38
|
38
|
3.5
|
0.5
|
3.2
|
0.5
|
225
|
200
|
2.12
|
2.40
|
150
|
150
|
850
|
133-89
|
38
|
38
|
3.5
|
0.5
|
3.0
|
0.5
|
225
|
180
|
1.98
|
2.27
|
150
|
150
|
850
|
133-76
|
38
|
36
|
3.5
|
0.5
|
3.0
|
0.5
|
225
|
160
|
1.76
|
2.13
|
150
|
150
|
850
|
159-133
|
40
|
38
|
3.9
|
0.5
|
3.5
|
0.5
|
250
|
225
|
2.54
|
2.70
|
150
|
150
|
850
|
159-108
|
40
|
38
|
3.9
|
0.5
|
3.2
|
0.5
|
250
|
200
|
2.33
|
2.55
|
150
|
150
|
850
|
159-89
|
40
|
38
|
3.9
|
0.5
|
3.0
|
0.5
|
250
|
180
|
2.20
|
2.42
|
150
|
150
|
850
|
219-159
|
40
|
40
|
4.9
|
0.5
|
3.9
|
0.5
|
315
|
250
|
4.03
|
3.87
|
150
|
150
|
950
|
219-133
|
40
|
38
|
4.9
|
0.5
|
3.5
|
0.5
|
315
|
225
|
3.78
|
3.69
|
150
|
150
|
950
|
219-108
|
40
|
38
|
4.9
|
0.5
|
3.2
|
0.5
|
315
|
200
|
3.54
|
3.51
|
150
|
150
|
950
|
273-219
|
53
|
40
|
6.3
|
0.5
|
4.9
|
0.5
|
400
|
315
|
6.37
|
5.33
|
150
|
150
|
950
|
273-159
|
53
|
40
|
6.3
|
0.5
|
3.9
|
0.5
|
400
|
250
|
5.60
|
4.83
|
150
|
150
|
950
|
273-133
|
53
|
38
|
6.3
|
0.5
|
3.5
|
0.5
|
400
|
225
|
5.34
|
4.65
|
150
|
150
|
950
|
325-273
|
50
|
53
|
7.0
|
0.5
|
6.3
|
0.5
|
450
|
400
|
10.76
|
8.21
|
250
|
150
|
1200
|
325-219
|
50
|
40
|
7.0
|
0.5
|
4.9
|
0.5
|
450
|
315
|
8.82
|
7.03
|
250
|
150
|
1200
|
325-159
|
50
|
40
|
7.0
|
0.5
|
3.9
|
0.5
|
450
|
250
|
7.86
|
6.41
|
250
|
150
|
1200
|
426-325
|
52
|
50
|
8.8
|
0.5
|
7.0
|
0.5
|
560
|
450
|
18.19
|
12.42
|
250
|
250
|
1500
|
426-273
|
52
|
53
|
8.8
|
0.5
|
6.3
|
0.5
|
560
|
400
|
13.58
|
9.46
|
250
|
150
|
1200
|
426-219
|
52
|
40
|
8.8
|
0.5
|
4.9
|
0.5
|
560
|
315
|
11.64
|
8.28
|
250
|
150
|
1200
|
530-426
|
64
|
52
|
11.1
|
0.5
|
8.8
|
0.5
|
710
|
560
|
28.52
|
17.40
|
250
|
250
|
1500
|
530-325
|
64
|
50
|
11.1
|
0.5
|
7.0
|
0.5
|
710
|
450
|
25.06
|
15.84
|
250
|
250
|
1500
|
530-273
|
64
|
53
|
11.1
|
0.5
|
6.3
|
0.5
|
710
|
400
|
19.08
|
12.20
|
250
|
150
|
1200
|
630-530
|
64
|
64
|
12.5
|
0.8
|
11.1
|
0.5
|
800
|
710
|
38.86
|
24.70
|
250
|
250
|
1500
|
630-426
|
64
|
52
|
12.5
|
0.8
|
8.8
|
0.5
|
800
|
560
|
32.10
|
21.28
|
250
|
250
|
1500
|
630-325
|
64
|
50
|
12.5
|
0.8
|
7.0
|
0.5
|
800
|
450
|
28.58
|
19.72
|
250
|
250
|
1500
|
720-630
|
64
|
64
|
14.0
|
0.8
|
12.5
|
0.8
|
900
|
800
|
47.51
|
30.77
|
250
|
250
|
1500
|
720-530
|
64
|
64
|
14.0
|
0.8
|
11.1
|
0.5
|
900
|
710
|
39.04
|
26.89
|
250
|
250
|
1500
|
720-426
|
64
|
52
|
14.0
|
0.8
|
8.8
|
0.5
|
900
|
560
|
37.16
|
23.47
|
250
|
250
|
1500
|
820-720
|
64
|
64
|
15.6
|
0.8
|
14.0
|
0.8
|
1000
|
900
|
69.41
|
41.66
|
250
|
250
|
1700
|
820-630
|
64
|
64
|
15.6
|
0.8
|
12.5
|
0.8
|
1000
|
800
|
63.34
|
39.03
|
250
|
250
|
1700
|
820-530
|
64
|
64
|
15.6
|
0.8
|
11.1
|
0.5
|
1000
|
710
|
57.92
|
34.37
|
250
|
250
|
1700
|
920-820
|
64
|
64
|
17.6
|
0.8
|
15.6
|
0.8
|
1100
|
1000
|
83.05
|
45.74
|
250
|
250
|
1700
|
920-720
|
64
|
64
|
17.6
|
0.8
|
14.0
|
0.8
|
1100
|
900
|
76.87
|
43.63
|
250
|
250
|
1700
|
920-630
|
64
|
64
|
17.6
|
0.8
|
12.5
|
0.8
|
1100
|
800
|
70.80
|
41.00
|
250
|
250
|
1700
|
020-92
|
64
|
64
|
19.6
|
0.8
|
17.6
|
0.8
|
1200
|
1100
|
98.75
|
49.63
|
250
|
250
|
1700
|
020-82
|
64
|
64
|
19.6
|
0.8
|
15.6
|
0.8
|
1200
|
1000
|
91.28
|
47.66
|
250
|
250
|
1700
|
020-72
|
64
|
64
|
19.6
|
0.8
|
14.0
|
0.8
|
1200
|
900
|
85.01
|
45.55
|
250
|
250
|
1700
|
Примечание:
По согласованию с заказчиком возможно изменение размера "L" и расширение
ассортимента переходов.

Рисунок 6.
Таблица 3 к
рисунку 6 (размеры в мм)
d
|
hППУ
не менее
|
hГЗ
|
D
|
Вес изоляц., кг
|
L
|
H
|
l
|
вид А
|
вид Б
|
вид А
|
вид Б
|
25
|
27
|
3.0
|
0.5
|
90
|
2.38
|
3.02
|
1200
|
1200
|
150
|
32
|
24
|
3.0
|
0.5
|
90
|
2.34
|
2.96
|
1200
|
1200
|
150
|
38
|
27
|
3.0
|
0.5
|
110
|
3.08
|
3.82
|
1200
|
1200
|
150
|
45
|
27
|
3.0
|
0.5
|
110
|
2.98
|
3.74
|
1200
|
1200
|
150
|
57
|
28
|
3.0
|
0.5
|
125
|
3.58
|
4.44
|
1200
|
1200
|
150
|
57
|
35
|
3.0
|
0.5
|
140
|
4.32
|
5.28
|
1200
|
1200
|
150
|
76
|
26
|
3.0
|
0.5
|
140
|
4.00
|
4.96
|
1200
|
1200
|
150
|
76
|
36
|
3.0
|
0.5
|
160
|
5.10
|
6.18
|
1200
|
1200
|
150
|
89
|
30
|
3.0
|
0.5
|
160
|
4.82
|
5.92
|
1200
|
1200
|
150
|
89
|
38
|
3.0
|
0.5
|
180
|
6.00
|
7.24
|
1200
|
1200
|
150
|
108
|
28.5
|
3.0
|
0.5
|
180
|
5.54
|
6.76
|
1200
|
1200
|
150
|
108
|
38
|
3.2
|
0.5
|
200
|
7.04
|
8.18
|
1200
|
1200
|
150
|
133
|
38
|
3.5
|
0.5
|
225
|
8.42
|
9.28
|
1200
|
1200
|
150
|
159
|
40
|
3.9
|
0.5
|
250
|
9.98
|
10.36
|
1200
|
1200
|
150
|
219
|
40
|
4.9
|
0.5
|
315
|
14.76
|
13.44
|
1200
|
1200
|
150
|
273
|
53
|
6.3
|
0.5
|
400
|
24.46
|
19.34
|
1200
|
1200
|
150
|
325
|
50
|
7.0
|
0.5
|
450
|
26.39
|
19.53
|
1200
|
1200
|
250
|
426
|
52
|
8.8
|
0.5
|
560
|
39.08
|
25.16
|
1200
|
1200
|
250
|
530
|
64
|
11.1
|
0.5
|
710
|
106.41
|
62.46
|
1800
|
1800
|
250
|
630
|
64
|
12.5
|
0.8
|
800
|
144.47
|
97.17
|
2200
|
1800
|
250
|
720
|
64
|
14.0
|
0.8
|
900
|
178.87
|
112.06
|
2200
|
1800
|
250
|
820
|
64
|
15.6
|
0.8
|
1000
|
271.16
|
156.82
|
2800
|
2100
|
250
|
920
|
64
|
17.6
|
0.8
|
1100
|
324.69
|
170.97
|
2800
|
2100
|
250
|
1020
|
64
|
19.6
|
0.8
|
1200
|
383.00
|
184.73
|
2800
|
2100
|
250
|
Примечание:
По согласованию с заказчиком возможно изменение размеров "L" и "H" и расширение
ассортимента тройников.

Рисунок
7.
Таблица 4 к
рисунку 7 (размеры в мм)
dПР
|
dОТВ
|
HППУ
ПР.
|
HППУ
ОТВ.
|
hГЗ ПР.
|
hГЗ ОТВ.
|
DПР
|
DОТВ
|
Вес изол., кг
|
L
|
H
|
lПР.
|
LОТВ.
|
не менее
|
вид А
|
вид Б
|
вид А
|
вид Б
|
вид А
|
вид Б
|
32
|
25
|
24
|
27
|
3.0
|
0.5
|
3.0
|
0.5
|
90
|
90
|
2.24
|
2.52
|
1200
|
1200
|
150
|
150
|
38
|
32
|
27
|
24
|
3.0
|
0.5
|
3.0
|
0.5
|
110
|
90
|
2.56
|
3.21
|
1200
|
1200
|
150
|
150
|
25
|
27
|
27
|
3.0
|
0.5
|
3.0
|
0.5
|
110
|
90
|
2.58
|
3.24
|
1200
|
1200
|
150
|
150
|
|
38
|
27
|
27
|
|
|
|
|
|
110
|
2.88
|
3.60
|
|
|
|
|
45
|
32
|
27
|
24
|
3.0
|
0.5
|
3.0
|
0.5
|
110
|
90
|
2.51
|
3.16
|
1200
|
1200
|
150
|
150
|
|
25
|
27
|
27
|
|
|
|
|
|
90
|
2.53
|
3.19
|
|
|
|
|
|
45
|
28
|
27
|
|
|
|
|
125
|
110
|
3.10
|
3.87
|
|
|
|
|
|
45
|
35
|
27
|
|
|
|
|
140
|
110
|
3.43
|
4.25
|
|
|
|
|
57
|
38
|
28
|
27
|
3.0
|
0.5
|
3.0
|
0.5
|
125
|
110
|
3.15
|
3.92
|
1200
|
1200
|
150
|
150
|
|
38
|
35
|
27
|
|
|
|
|
140
|
110
|
3.48
|
4.30
|
|
|
|
|
|
32
|
28
|
24
|
|
|
|
|
125
|
90
|
2.78
|
3.48
|
|
|
|
|
|
32
|
35
|
24
|
|
|
|
|
140
|
90
|
3.11
|
3.86
|
|
|
|
|
|
57
|
26
|
28
|
|
|
|
|
140
|
125
|
3.59
|
4.45
|
|
|
|
|
|
57
|
36
|
35
|
|
|
|
|
160
|
140
|
4.46
|
5.42
|
|
|
|
|
76
|
45
|
26
|
27
|
3.0
|
0.5
|
3.0
|
0.5
|
140
|
110
|
3.29
|
4.10
|
1200
|
1200
|
150
|
150
|
|
45
|
36
|
27
|
|
|
|
|
160
|
110
|
3.79
|
4.65
|
|
|
|
|
|
38
|
26
|
27
|
|
|
|
|
140
|
110
|
3.34
|
4.15
|
|
|
|
|
|
38
|
36
|
27
|
|
|
|
|
160
|
110
|
3.84
|
4.70
|
|
|
|
|
|
76
|
30
|
26
|
|
|
|
|
160
|
140
|
4.17
|
5.14
|
|
|
|
|
|
76
|
38
|
36
|
|
|
|
|
180
|
160
|
5.25
|
6.35
|
|
|
|
|
89
|
57
|
30
|
28
|
3.0
|
0.5
|
3.0
|
0.5
|
160
|
125
|
3.96
|
4.88
|
1200
|
1200
|
150
|
150
|
|
57
|
38
|
35
|
|
|
|
|
180
|
140
|
4.86
|
5.90
|
|
|
|
|
|
45
|
30
|
27
|
|
|
|
|
160
|
110
|
3.66
|
4.53
|
|
|
|
|
|
45
|
38
|
27
|
|
|
|
|
180
|
110
|
4.19
|
5.13
|
|
|
|
|

Рисунок
8
Таблица 5 к
рисунку 8 (размеры в мм)
d
|
hППУ
не менее
|
hГЗ
|
D
|
Вес изоляции, кг
|
L
|
H
|
l
|
вид А
|
вид Б
|
вид А
|
вид Б
|
25
|
27
|
3.0
|
0.5
|
90
|
2.78
|
3.52
|
1200
|
1200
|
150
|
32
|
24
|
3.0
|
0.5
|
90
|
2.74
|
3.46
|
1200
|
1200
|
150
|
38
|
27
|
3.0
|
0.5
|
110
|
3.48
|
4.32
|
1200
|
1200
|
150
|
45
|
27
|
3.0
|
0.5
|
110
|
3.38
|
4.24
|
1200
|
1200
|
150
|
57
|
28
|
3.0
|
0.5
|
125
|
3.98
|
4.94
|
1200
|
1200
|
150
|
57
|
35
|
3.0
|
0.5
|
140
|
4.72
|
5.78
|
1200
|
1200
|
150
|
76
|
26
|
3.0
|
0.5
|
140
|
4.40
|
5.46
|
1200
|
1200
|
150
|
76
|
36
|
3.0
|
0.5
|
160
|
5.50
|
6.68
|
1200
|
1200
|
150
|
89
|
30
|
3.0
|
0.5
|
160
|
5.22
|
6.42
|
1200
|
1200
|
150
|
89
|
38
|
3.0
|
0.5
|
180
|
6.63
|
7.86
|
1200
|
1200
|
150
|
108
|
28.5
|
3.0
|
0.5
|
180
|
6.15
|
7.5
|
1200
|
1200
|
150
|
108
|
38
|
3.2
|
0.5
|
200
|
7.82
|
8.93
|
1200
|
1200
|
150
|
133
|
38
|
3.5
|
0.5
|
225
|
8.94
|
9.87
|
1200
|
1200
|
150
|
159
|
40
|
3.9
|
0.5
|
250
|
10.56
|
11.54
|
1200
|
1200
|
150
|
219
|
40
|
4.9
|
0.5
|
315
|
15.13
|
14.36
|
1200
|
1200
|
150
|
273
|
53
|
6.3
|
0.5
|
400
|
25.12
|
20.12
|
1200
|
1200
|
150
|
325
|
50
|
7.0
|
0.5
|
450
|
28.94
|
21.46
|
1200
|
1200
|
250
|
426
|
52
|
8.8
|
0.5
|
560
|
41.66
|
27.33
|
1200
|
1200
|
250
|
530
|
64
|
11.1
|
0.5
|
710
|
108.34
|
66.06
|
1800
|
1800
|
250
|
630
|
64
|
12.5
|
0.8
|
800
|
148.19
|
99.24
|
2200
|
1800
|
250
|
720
|
64
|
14.0
|
0.8
|
900
|
181.66
|
114.21
|
2200
|
1800
|
250
|
820
|
64
|
15.6
|
0.8
|
1000
|
274.45
|
159.34
|
2800
|
2100
|
250
|
920
|
64
|
17.6
|
0.8
|
1100
|
326.83
|
173.97
|
2800
|
2100
|
250
|
1020
|
64
|
19.6
|
0.8
|
1200
|
386.20
|
187.33
|
2800
|
2100
|
250
|
Примечание:
По согласованию с заказчиком возможно изменение размеров "L" и "H" и расширение
ассортимента переходов.

Рисунок
9.
Таблица 6 к
рисунку 9 (размеры в мм)
dПР
|
dОТВ
|
hППУ
ПР.
|
HППУ
ОТВ.
|
hГЗ ПР.
|
hГЗ ОТВ.
|
DПР
|
DОТВ
|
Вес изол.,
кг
|
L
|
H
|
lПР
|
LОТВ
|
не менее
|
вид А
|
вид Б
|
вид А
|
вид Б
|
вид А
|
вид Б
|
32
|
25
|
24
|
27
|
3.0
|
0.5
|
3.0
|
0.5
|
90
|
90
|
2.44
|
2.72
|
1200
|
1200
|
150
|
150
|
38
|
32
|
27
|
24
|
3.0
|
0.5
|
3.0
|
0.5
|
110
|
90
|
2.76
|
3.41
|
1200
|
1200
|
150
|
150
|
25
|
27
|
27
|
3.0
|
0.5
|
3.0
|
0.5
|
110
|
90
|
2.78
|
3.44
|
1200
|
1200
|
150
|
150
|
|
38
|
27
|
27
|
|
|
|
|
|
110
|
3.08
|
3.80
|
|
|
|
|
45
|
32
|
27
|
24
|
3.0
|
0.5
|
3.0
|
0.5
|
110
|
90
|
2.71
|
3.36
|
1200
|
1200
|
150
|
150
|
|
25
|
27
|
27
|
|
|
|
|
|
90
|
2.73
|
3.39
|
|
|
|
|
|
45
|
28
|
27
|
|
|
|
|
125
|
110
|
3.30
|
4.07
|
|
|
|
|
|
45
|
35
|
27
|
|
|
|
|
140
|
110
|
3.63
|
4.45
|
|
|
|
|
57
|
38
|
28
|
27
|
3.0
|
0.5
|
3.0
|
0.5
|
125
|
110
|
3.35
|
4.12
|
1200
|
1200
|
150
|
150
|
|
38
|
35
|
27
|
|
|
|
|
140
|
110
|
3.68
|
4.50
|
|
|
|
|
|
32
|
28
|
24
|
|
|
|
|
125
|
90
|
2.98
|
3.68
|
|
|
|
|
|
32
|
35
|
24
|
|
|
|
|
140
|
90
|
3.31
|
4.06
|
|
|
|
|
|
57
|
26
|
28
|
|
|
|
|
140
|
125
|
3.79
|
4.65
|
|
|
|
|
|
57
|
36
|
35
|
|
|
|
|
160
|
140
|
4.66
|
5.62
|
|
|
|
|
76
|
45
|
26
|
27
|
3.0
|
0.5
|
3.0
|
0.5
|
140
|
110
|
3.49
|
4.30
|
1200
|
1200
|
150
|
150
|
|
45
|
36
|
27
|
|
|
|
|
160
|
110
|
3.99
|
4.85
|
|
|
|
|
|
38
|
26
|
27
|
|
|
|
|
140
|
110
|
3.54
|
4.35
|
|
|
|
|
|
38
|
36
|
27
|
|
|
|
|
160
|
110
|
4.04
|
4.90
|
|
|
|
|
|
76
|
30
|
26
|
|
|
|
|
160
|
140
|
4.37
|
5.34
|
|
|
|
|
|
76
|
38
|
36
|
|
|
|
|
180
|
160
|
5.45
|
6.55
|
|
|
|
|
89
|
57
|
30
|
28
|
3.0
|
0.5
|
3.0
|
0.5
|
160
|
125
|
4.16
|
5.08
|
1200
|
1200
|
150
|
150
|
|
57
|
38
|
35
|
|
|
|
|
180
|
140
|
5.06
|
6.10
|
|
|
|
|
|
45
|
30
|
27
|
|
|
|
|
160
|
110
|
3.86
|
4.73
|
|
|
|
|
|
45
|
38
|
27
|
|
|
|
|
180
|
110
|
4.39
|
5.33
|
|
|
|
|
|
89
|
28.5
|
30
|
3.0
|
|
|
|
180
|
160
|
5.58
|
6.74
|
|
|
|
|
|
89
|
38
|
38
|
3.2
|
|
|
|
200
|
180
|
6.92
|
8.03
|
|
|
|
|
108
|
76
|
28.5
|
26
|
3.0
|
0.5
|
3.0
|
0.5
|
180
|
140
|
5.17
|
6.26
|
1200
|
1200
|
150
|
150
|
|
76
|
38
|
36
|
3.0
|
|
|
|
200
|
160
|
6.68
|
7.66
|
|
|
|
|
|
57
|
28.5
|
28
|
3.0
|
|
|
|
180
|
125
|
4.96
|
6.00
|
|
|
|
|
|
57
|
38
|
35
|
3.0
|
|
|
|
200
|
140
|
6.33
|
7.18
|
|
|
|
|
|
108
|
|
38
|
|
|
3.2
|
|
|
200
|
8.27
|
9.12
|
|
|
|
|
133
|
89
|
38
|
38
|
3.5
|
0.5
|
3.0
|
0.5
|
225
|
180
|
7.96
|
8.71
|
1200
|
1200
|
150
|
150
|
|
76
|
|
36
|
|
|
3.0
|
|
|
160
|
7.69
|
8.26
|
|
|
|
|
|
133
|
|
38
|
|
|
3.5
|
|
|
225
|
9.81
|
10.21
|
|
|
|
|
159
|
108
|
40
|
38
|
3.9
|
0.5
|
3.2
|
0.5
|
250
|
200
|
9.34
|
9.74
|
1200
|
1200
|
150
|
150
|
|
89
|
|
38
|
|
|
3.0
|
|
|
180
|
8.92
|
9.23
|
|
|
|
|
|
159
|
|
40
|
|
|
3.9
|
|
|
250
|
14.56
|
13.26
|
|
|
|
|
219
|
133
|
40
|
38
|
4.9
|
0.5
|
3.5
|
0.5
|
315
|
225
|
14.04
|
11.82
|
1200
|
1200
|
150
|
150
|
|
108
|
|
38
|
|
|
3.2
|
|
|
200
|
13.42
|
10.47
|
|
|
|
|
|
219
|
|
40
|
|
|
4.9
|
|
|
315
|
26.24
|
19.28
|
|
|
|
|
273
|
159
|
53
|
40
|
6.3
|
0.5
|
3.9
|
0.5
|
400
|
250
|
25.72
|
18.52
|
1200
|
1200
|
150
|
150
|
|
133
|
|
38
|
|
|
3.5
|
|
|
225
|
25.16
|
17.81
|
|
|
|
|
|
273
|
|
53
|
|
|
6.3
|
|
|
400
|
26.23
|
19.52
|
|
|
|
|
325
|
219
|
50
|
40
|
7.0
|
0.5
|
4.9
|
0.5
|
450
|
315
|
25.54
|
18.86
|
1200
|
1200
|
250
|
150
|
|
159
|
|
40
|
|
|
3.9
|
|
|
250
|
24.88
|
18.17
|
|
|
|
|
|
325
|
|
50
|
|
|
7.0
|
|
|
450
|
38.61
|
24.56
|
|
|
|
250
|
426
|
273
|
52
|
53
|
8.8
|
0.5
|
6.3
|
0.5
|
560
|
400
|
37.76
|
23.67
|
1200
|
1200
|
250
|
150
|
|
219
|
|
40
|
|
|
4.9
|
|
|
315
|
36.83
|
22.73
|
|
|
|
150
|
|
426
|
|
52
|
|
|
8.8
|
|
|
560
|
102.72
|
48.87
|
|
|
|
250
|
530
|
325
|
64
|
50
|
11.1
|
0.5
|
6.3
|
0.5
|
710
|
450
|
101.06
|
46.98
|
1800
|
1800
|
250
|
250
|
|
273
|
|
53
|
|
|
4.9
|
|
|
400
|
98.63
|
45.12
|
|
|
|
150
|
|
530
|
|
64
|
|
|
11.1
|
|
|
710
|
143.04
|
96.04
|
|
|
|
|
630
|
426
|
64
|
52
|
12.5
|
0.8
|
8.8
|
0.5
|
800
|
560
|
140.83
|
94.17
|
2200
|
1800
|
250
|
250
|
|
325
|
|
50
|
|
|
6.3
|
|
|
450
|
138.97
|
91.95
|
|
|
|
|
|
630
|
|
64
|
|
|
12.5
|
0.8
|
|
800
|
177.14
|
111.13
|
|
|
|
|
720
|
530
|
64
|
64
|
14.0
|
0.8
|
11.1
|
0.5
|
900
|
710
|
175.11
|
109.06
|
2200
|
1800
|
250
|
250
|
|
426
|
|
52
|
|
|
8.8
|
0.5
|
|
560
|
173.06
|
107.02
|
|
|
|
|
|
720
|
|
64
|
|
|
14.0
|
0.8
|
|
900
|
269.87
|
154.77
|
|
|
|
|
820
|
630
|
64
|
64
|
15.6
|
0.8
|
12.5
|
0.8
|
1000
|
800
|
266.54
|
151.54
|
2800
|
2100
|
250
|
250
|
|
530
|
|
64
|
|
|
11.1
|
0.5
|
|
710
|
263.61
|
148.82
|
|
|
|
|
|
820
|
|
64
|
|
|
15.6
|
|
|
1000
|
321.63
|
167.71
|
|
|
|
|
920
|
720
|
64
|
64
|
17.6
|
0.8
|
14.0
|
0.8
|
1100
|
900
|
317.97
|
163.58
|
2800
|
2100
|
250
|
250
|
|
630
|
|
64
|
|
|
12.5
|
|
|
800
|
314.03
|
159.45
|
|
|
|
|
|
920
|
|
64
|
|
|
17.6
|
|
|
1100
|
380.24
|
179.27
|
|
|
|
|
1020
|
820
|
64
|
64
|
19.6
|
0.8
|
15.6
|
0.8
|
1200
|
1000
|
376.45
|
174.41
|
2800
|
2100
|
250
|
250
|
|
720
|
|
64
|
|
|
14.0
|
|
|
900
|
372.66
|
171.14
|
|
|
|
|
Примечание: По согласованию с
заказчиком, возможно изменение размеров "L" и "H"
и расширение ассортимента размеров тройников.
1.1.3.
Значения действительных отклонений геометрических параметров труб не должны превышать
предельных, указанных в таблице 7.
Таблица
7
Наименование отклонения
геометрического параметра
|
Наименование
геометрического параметра
|
Предельные отклонения, мм
|
Отклонение
по наружному диаметру изделия
|
Диаметр
изделия с теплогидрозащитным покрытием, мм:
|
|
до 205
|
+ 5
|
свыше 205
|
+ 10
|
Отклонение
толщины гидрозащитного покрытия
|
|
£ 15 %
|
Отклонение
неизолированных концов труб
|
|
± 70
|
1.1.4.
Физико-механические показатели материалов, применяемых для
теплогидрозащитного покрытия приведены в таблице 8.
Таблица
8
Материал
|
Наименование показателя
в конструкции изоляции
|
Норма
|
Метод испытания
|
Пенополиуретан
(теплоизоляционный слой)
|
Кажущаяся
плотность, кг/м3,
не менее
|
60
|
ГОСТ 409-77*
|
Прочность
на сжатие при 10 % деформации , МПа (кг/см2), не менее
|
0,40
(4,0)
|
ГОСТ 23206-78*
|
Водопоглощение,
% об, не более
|
10
|
ГОСТ 20869-75*
|
Адгезия
к стали при 23 °С, МПа,
(кгс/см2), не менее
|
0,12
(1,2)
|
|
Полиэтилен
(гидроизоляционное покрытие в варианте А)
|
Предел
текучести при растяжении, Па
(кгс/см2), не менее
|
98´105
(98)
|
ГОСТ 11262-80*
|
Прочность
при разрыве, Па
(кгс/см2),
не менее
|
137´105
(137)
|
ГОСТ 11262-80*
|
Относительное
удлинение при разрыве, %, не менее
|
210
|
ГОСТ 11262-80*
|
Прочность
сварного шва при разрыве, Па (кг/см2), не менее
|
120´105
(120)
|
|
Теплопроводность
пенополиуретана в конструкции изоляции не более 0,040 Вт/м´К.
В случае арбитражных споров теплопроводность определяют по ГОСТ 7076-87.
1.2. Изделия с
теплогидрозащитным покрытием следует изготовлять посредством заполнения
композицией компонентов ППУ пространства между изделием и гидрозащитной
оболочкой, с обеспечением соблюдения установленных настоящими техническими
условиями требований к качеству и точности изготовления изделий.
1.3.
Требования к качеству поверхности и внешнему виду изделий.
1.3.1. Внешний
вид поверхности изделий должен соответствовать образцу-эталону, утвержденному в
установленном порядке.
1.3.2. На
поверхности изделий не допускаются повреждения, нарушение целостности
гидрозащитного покрытия. Мелкие риски, рябизна, забоины, вмятины и т.д.
допускаются, если они не выводят толщину гидрозащитного покрытия за пределы
допуска.
1.3.3.
Пенополиуретан на срезе теплоизоляционного слоя должен иметь однородную
мелкоячеистую структуру. Пустоты (каверны) толщиной более 1/4 толщины
теплоизоляционного слоя не допускаются.
1.4.
Характеристики.
1.4.1.
Материалы и сырье, применяемые для изготовления изделий должны соответствовать
нормативным документам, утвержденным в установленном порядке.
1.4.2.
Материалы, используемые для изготовления пенополиуретана, должны
соответствовать характеристикам и нормам пенопласта теплоизоляционного марки
ППУ-345:
компонент А-345
|
ТУ 6-55-221-1248-92
|
катализатор-криат-345
|
ТУ 6-55-221-1253-92
|
полиизоционат: марки
Б
|
ТУ 113-03-603-76
|
марки Д
|
ТУ 113-03-38-106-90
|
Допускается
применение импортного сырья, обеспечивающего показатели пенополиуретана в конструкции
изоляции в соответствии с п. 1.1.4. настоящих
ТУ.
1.4.3. Для
устройства гидрозащитного покрытия должен применяться полиэтилен следующих
марок:
марки 273-79 ГОСТ
16338-85* Е
марки 273-80 ГОСТ
16338-85* Е
марки 273-81 ГОСТ
16338-85* Е
Допускается
применение импортного полиэтилена с показателями, соответствующими п. 1.1.4. настоящих ТУ.
1.4.4. Для
устройства гидрозащитного покрытия из оцинкованного железа применяются трубы
выпускаемые по ТУ 36-736-78.
1.4.5.
Стальные изделия, применяемые под теплогидроизоляцию должны соответствовать
РД-03-94 "Правила устройства и безопасной эксплуатации трубопроводов пара
и горячей воды".
1.5.
Маркировка.
1.5.1. На
поверхности теплогидрозащитного покрытия изделия на расстоянии 200 мм от торца
изоляции с помощью трафарета или штампа должна быть нанесена светлой
несмываемой краской следующая маркировка:
·
Условное обозначение изделия;
·
Товарный знак или наименование предприятия-изготовителя;
·
Штампы технического контроля;
·
Номер партии;
· Год
изготовления.
1.5.2.
Маркировка также может быть нанесена на бирку, прикрепляемую к стальному
патрубку или теплогидрозащитному покрытию.
7. ГАРАНТИИ ИЗГОТОВИТЕЛЯ
7.1.
Предприятие-изготовитель гарантирует соответствие изделий с теплогидрозащитным
покрытием требованиям настоящих технических условий.
7.2.
Предприятие-изготовитель гарантирует 5-летний срок эксплуатации изоляции
изделий с теплогидрозащитным покрытием (включая гарантийный срок хранения) при
следующих условиях:
·
соблюдения потребителем правил транспортировки, хранения (гарантийный срок
хранения не более 8 месяцев на открытых площадках и не более 12 месяцев - под
навесами) и условий монтажа.
·
использования изделий с теплогидрозащитным покрытием для теплосетей с
температурой теплоносителя Т до 150 °С, при этом максимальная температура допускается не
более 1500 час/год.