
ГОСУДАРСТВЕННЫЙ
СТАНДАРТ СОЮЗА ССР
НАКОНЕЧНИКИ КАБЕЛЬНЫЕ
ИЗ АЛЮМИНИЕВОГО СПЛАВА
ДЛЯ ОКОНЦЕВАНИЯ АЛЮМИНИЕВЫХ
ЖИЛ ПРОВОДОВ И КАБЕЛЕЙ СВАРКОЙ
КОНСТРУКЦИЯ И РАЗМЕРЫ
ГОСТ 7387-82
ИПК ИЗДАТЕЛЬСТВО СТАНДАРТОВ
Москва
ГОСУДАРСТВЕННЫЙ СТАНДАРТ СОЮЗА ССР
НАКОНЕЧНИКИ КАБЕЛЬНЫЕ ИЗ
АЛЮМИНИЕВОГО СПЛАВА
ДЛЯ ОКОНЦЕВАНИЯ АЛЮМИНИЕВЫХ ЖИЛ ПРОВОДОВ
И КАБЕЛЕЙ СВАРКОЙ
Конструкция и размеры
Aluminium alloy cable shoes for tipping of
aluminium
wire conductors and cables by welding.
Construction and dimensions
|
ГОСТ
7387-82
|
Дата введения 01.01.84
1.
Настоящий стандарт устанавливает конструкцию и размеры глухих кабельных
наконечников из алюминиевого сплава, закрепляемых на жилах сваркой и
предназначенных для оконцевания кабелей и изолированных проводов с алюминиевыми
жилами сечением от 16 до 1500 мм2 на напряжение до 10 кВ,
климатического исполнения УХЛЗ по ГОСТ 15150.
Наконечники должны
соответствовать требованиям ГОСТ 23981.
Требования пп. 1-16
являются обязательными, остальные требования настоящего стандарта -
рекомендуемые. Необходимость применения рекомендуемых показателей определяют
изготовитель и потребитель при заключении договора.
(Измененная редакция, Изм. № 1).
2. Конструкция, коды ОКП,
размеры и масса кабельных литых прямых наконечников с закрытым хвостовиком, с
одним отверстием в зажимной части, закрепляемых на жилах сечением от 16 до 240
мм2, должны соответствовать указанным на черт. 1 и в
табл. 1.

Черт. 1
Таблица 1
Размеры в мм
Обозначение
|
Код ОКП
|
Сечение жилы, мм2
|
d
|
b
|
D1
|
D2
|
s
|
s1
|
s2
|
N
|
h
|
h1
|
h2
|
h3
|
R
|
Масса 1000 шт., кг, не
более
|
Л16-6-УХЛ3
|
3449840021
|
16
|
6,4
|
15
|
5,4
|
9,4
|
4,5
|
4,0
|
4
|
10
|
32
|
22
|
4
|
2,0
|
4
|
7
|
Л16-8-УХЛ3
|
3449840031
|
16
|
8,4
|
20
|
5,4
|
9,4
|
4,5
|
4,0
|
4
|
10
|
35
|
22
|
4
|
2,0
|
4
|
9
|
Л16 10-УХЛ3
|
3449840041
|
16
|
10,5
|
25
|
5,4
|
9,4
|
4,5
|
4,0
|
4
|
10
|
38
|
22
|
4
|
2,0
|
4
|
11
|
Л35 6-УХЛ3
|
3449840051
|
25-35
|
6,4
|
15
|
8,0
|
12,5
|
4,5
|
4,5
|
4
|
11
|
37
|
24
|
4
|
2,0
|
4
|
9
|
Л35-8-УХЛ3
|
3449840061
|
25-35
|
8,4
|
20
|
8,0
|
12,5
|
4,5
|
4,5
|
4
|
11
|
39
|
24
|
4
|
2,0
|
4
|
11
|
Л35-10-УХЛ3
|
3449840071
|
25-35
|
10,5
|
25
|
8,0
|
12,5
|
4,5
|
4,5
|
4
|
11
|
42
|
24
|
4
|
2,0
|
4
|
14
|
Л35-12-УХЛ3
|
3449840081
|
25-35
|
13,0
|
35
|
12,0
|
12,5
|
4,5
|
4,5
|
4
|
11
|
47
|
24
|
4
|
2,0
|
4
|
21
|
Л70-8-УХЛ3
|
3449840101
|
50-70
|
8,4
|
20
|
12,0
|
16,5
|
5,5
|
5,0
|
5
|
14
|
49
|
30
|
4
|
2,0
|
4
|
16
|
Л70-10-УХЛ3
|
3449840111
|
50-70
|
10,5
|
25
|
12,0
|
16,5
|
5,5
|
5,0
|
5
|
14
|
51
|
30
|
4
|
2,0
|
4
|
19
|
Л70-12-УХЛ3
|
3449840121
|
50-70
|
13,0
|
35
|
12,0
|
16,5
|
5,5
|
5,0
|
5
|
14
|
56
|
30
|
4
|
2,0
|
4
|
29
|
Л70-16-УХЛ3*
|
3449840131
|
50-70
|
17,0
|
35
|
12,0
|
16,5
|
5,5
|
5,0
|
5
|
14
|
56
|
30
|
4
|
2,0
|
4
|
28
|
Л70-20-УХЛ3*
|
3449840141
|
50-70
|
21,0
|
40
|
12,0
|
16,5
|
5,5
|
5,0
|
5
|
14
|
60
|
30
|
4
|
2,0
|
4
|
29
|
Л120-10-УХЛ3
|
3449840161
|
95-120
|
10,5
|
25
|
16,0
|
21,0
|
6,0
|
5,5
|
6
|
18
|
52
|
32
|
5
|
2,5
|
5
|
25
|
Л120-12-УХЛ3
|
3449840171
|
95-120
|
13,0
|
35
|
16,0
|
21,0
|
6,0
|
5,5
|
6
|
18
|
56
|
32
|
5
|
2,5
|
5
|
35
|
Л120-16-УХЛ3*
|
3449840181
|
95-120
|
17,0
|
35
|
16,0
|
21,0
|
6,0
|
5,5
|
6
|
18
|
60
|
32
|
5
|
2,5
|
5
|
32
|
Л120 20-УХЛ3*
|
3449840191
|
95-120
|
21,0
|
40
|
16,0
|
21,0
|
6,0
|
5,5
|
6
|
18
|
60
|
32
|
5
|
2,5
|
5
|
38
|
Л185-10-УХЛ3
|
3449840211
|
150-185
|
10,5
|
25
|
19,0
|
25,0
|
8,0
|
7,5
|
6
|
19
|
58
|
38
|
5
|
2,5
|
6
|
34
|
Л185-12-УХЛ3
|
3449840221
|
150-185
|
13,0
|
35
|
19,0
|
25,0
|
8,0
|
7,5
|
6
|
19
|
62
|
38
|
5
|
2,5
|
6
|
47
|
Л185-16-УХЛ3*
|
3449840231
|
150-185
|
17,0
|
35
|
19,0
|
25,0
|
8,0
|
7,5
|
6
|
19
|
62
|
38
|
5
|
2,5
|
6
|
49
|
Л185-20-УХЛ3*
|
3449840241
|
150-185
|
21,0
|
40
|
19,0
|
25,0
|
8,0
|
7,5
|
6
|
19
|
65
|
38
|
5
|
2,5
|
6
|
54
|
Л240-12-УХЛ3
|
3449840261
|
240
|
13,0
|
35
|
22,0
|
28,5
|
10,5
|
9,5
|
7
|
21
|
67
|
42
|
7
|
3,5
|
7
|
67
|
Л240-16-УХЛ3*
|
3449840271
|
240
|
17,0
|
35
|
22,0
|
28,5
|
10,5
|
9,5
|
7
|
21
|
67
|
42
|
7
|
3,5
|
7
|
81
|
Л240-20-УХЛ3*
|
3449840281
|
240
|
21,0
|
40
|
22,0
|
28,5
|
10,5
|
9,5
|
7
|
21
|
70
|
42
|
7
|
3,5
|
7
|
88
|
* Только для
присоединения к штыревым выводам.
3. Конструкция, коды ОКП,
размеры и масса кабельных штампованных прямых наконечников с закрытым
хвостовиком, с одним отверстием в зажимной части, закрепляемых на жилах
сечением от 16 до 240 мм2, должны соответствовать указанным на черт.
2 и в
табл. 2.

Черт. 2
Таблица 2
Размеры
в мм
Обозначение
|
Код ОКП
|
Сечение жилы, мм2
|
d
|
b
|
D1
|
D2
|
D3
|
s
|
N
|
h
|
h1
|
с
|
Масса 1000 шт., кг, не
более
|
не менее
|
А16-6-УХЛ3
|
3449840391
|
16
|
6,4
|
15
|
5,4
|
15
|
6,8
|
4
|
11
|
23,5
|
10
|
1,5
|
5
|
А16-8-УХЛ3
|
3449840401
|
8,4
|
20
|
26,0
|
6
|
А16-10-УХЛ3
|
3449840411
|
10,5
|
25
|
28,5
|
7
|
А35-6-УХЛ3
|
3449840431
|
25-35
|
6,4
|
15
|
8,0
|
9,6
|
23,5
|
2,0
|
5
|
А35-8-УХЛ3
|
3449840441
|
8,4
|
20
|
26,0
|
6
|
А35-10-УХЛ3
|
3449840451
|
10,5
|
25
|
28,5
|
8
|
А35-12-УХЛ3
|
3449840461
|
13,0
|
35
|
33,5
|
12
|
А70-8-УХЛ3
|
3449840481
|
50-70
|
8,4
|
20
|
12,0
|
20
|
13,6
|
5
|
14
|
33,0
|
17
|
2,5
|
12
|
А70-10-УХЛ3
|
3449840491
|
10,5
|
25
|
25
|
35,5
|
14
|
А70-12-УХЛ3
|
3449840501
|
13,0
|
35
|
40,5
|
20
|
А70-16-УХЛ3*
|
3449840511
|
17,0
|
48,0
|
26
|
А70-20-УХЛ3*
|
3449840521
|
21,0
|
40
|
53,0
|
32
|
А120-10-УХЛ3
|
3449840541
|
95-120
|
10,5
|
25
|
16,0
|
25
|
17,6
|
6
|
18
|
39,5
|
20
|
3,0
|
24
|
А120-12-УХЛ3
|
3449840551
|
13,0
|
35
|
30
|
44,5
|
32
|
А120-16-УХЛ3*
|
3449840561
|
17,0
|
52,0
|
42
|
А120-20-УХЛ3*
|
3449840571
|
21,0
|
40
|
57,0
|
48
|
А185-10-УХЛ3
|
3449840591
|
150-185
|
10,5
|
25
|
19,0
|
25
|
20,6
|
7
|
20
|
44,5
|
24
|
28
|
А185-12-УХЛ3
|
3449840601
|
13,0
|
35
|
35
|
49,5
|
36
|
А185-16-УХЛ3*
|
3449840611
|
17,0
|
57,0
|
52
|
А185-20-УХЛ3*
|
3449840621
|
21,0
|
40
|
62,0
|
58
|
А240-12-УХЛ3
|
3449840641
|
240
|
13,0
|
35
|
22,0
|
35
|
23,6
|
8
|
25
|
55,5
|
28
|
4,0
|
62
|
А240-16-УХЛ3*
|
34 4984 0651
|
17,0
|
63,0
|
78
|
А240-20-УХЛ3*
|
34 4984 0661
|
21,0
|
40
|
37
|
68,0
|
92
|
* Только для
присоединения к штыревым выводам.
4. Конструкция, коды ОКП,
размеры и масса кабельных литых прямых наконечников с закрытым хвостовиком, с
двумя отверстиями в зажимной части, расположенными на оси симметрии
наконечника, закрепляемых на жилах сечением от 300 до 1500 мм2,
должны соответствовать указанным на черт. 3 и в табл. 3.

* Размеры для справок.
Черт. 3
Таблица 3
Размеры в мм
Обозначение
|
Код ОКЛ
|
Сечение жилы, мм2
|
D1
|
D2
|
s
|
s1
|
s2
|
N
|
H
|
h
|
h1
|
h2
|
h3
|
R
|
Масса 1000 шт, кг, не
более
|
Л300-12-2-УХЛЗ
|
3449840671
|
300
|
24
|
31,5
|
11
|
10
|
8
|
22
|
136,5
|
74
|
50
|
10
|
4
|
6
|
190
|
Л400-12-2-УХЛЗ
|
3449840681
|
400
|
27
|
35,5
|
12
|
11
|
10
|
25
|
140,5
|
78
|
53
|
12
|
5
|
8
|
200
|
Л500-12-2-УХЛЗ
|
3449840691
|
500
|
30
|
39,5
|
14
|
13
|
12
|
28
|
146,5
|
84
|
56
|
250
|
Л625-12-2-УХЛЗ
|
3449840701
|
625
|
34
|
44,5
|
15
|
32
|
149,5
|
87
|
60
|
6
|
270
|
Л800-12-2-УХЛЗ
|
3449840711
|
800
|
38
|
50,0
|
16
|
15
|
18
|
35
|
152,5
|
90
|
63
|
330
|
Л1000-12-2-УХЛЗ
|
3449840721
|
1000
|
41
|
55,0
|
18
|
17
|
38
|
160,5
|
98
|
67
|
10
|
400
|
Л1500-12-2-УХПЗ
|
3449840731
|
1500
|
50
|
65,0
|
21
|
20
|
20
|
44
|
172,5
|
110
|
80
|
15
|
7
|
570
|
5. Конструкция, коды ОКП, размеры и масса кабельных литых прямых
наконечников с закрытым хвостовиком, с двумя отверстиями в зажимной части,
расположенными перпендикулярно оси симметрии наконечника, закрепляемых на жилах
сечением от 150 до 1500 мм2, должны соответствовать указанным на черт.
4 и
в табл. 4.

* Размеры для справок.
Черт. 4
Таблица 4
Размеры в мм
Обозначение
|
Код ОКП
|
Сечение жилы, мм2
|
d
|
b
|
D1
|
D2
|
Л185-8-2М-УХЛ3
|
34 4984 0761
|
150-185
|
8,4
|
40
|
19
|
25,0
|
Л240-8-2М-УХЛ3
|
34 4984 0771
|
240
|
22
|
28,5
|
Л300-10-2М-УХЛ3
|
34 4984 0781
|
300
|
10,5
|
50
|
24
|
31,5
|
Л400-10-2М-УХЛ3
|
34 4984 0791
|
400
|
27
|
35,5
|
Л400-12-2М-УХЛ3
|
34 4984 0801
|
13,0
|
70
|
Л500-10-2М-УХЛ3
|
34 4984 0811
|
500
|
10,5
|
50
|
30
|
39,5
|
Л500-12-2М-УХЛ3
|
34 4984 0821
|
13,0
|
70
|
Л625-10-2М-УХЛ3
|
34 4984 0831
|
625
|
10,5
|
50
|
34
|
44,5
|
Л625-12-2М-УХПЗ
|
34 4984 0841
|
13,0
|
70
|
Л800-10-2М-УХЛ3
|
34 4984 0851
|
800
|
10,5
|
50
|
38
|
50,0
|
Л800-12-2М-УХЛ3
|
34 4984 0861
|
13,0
|
70
|
Л1000-12-2М-УХПЗ
|
34 4984 0871
|
1000
|
41
|
55,0
|
Л1500-12-2М-УХЛ3
|
34 4984 0881
|
1500
|
50
|
65,0
|
Продолжение табл. 4
Размеры в мм
Обозначение
|
s
|
s1
|
s2
|
N
|
H
|
h
|
h1
|
h2
|
h3
|
l
|
l1
|
l2
|
R
|
Масса 1000 шт., кг, не более
|
Л185-8-2М-УХЛ3
|
8
|
7
|
6
|
19
|
64,0
|
54
|
38
|
5
|
2,5
|
20
|
10,0
|
20
|
4
|
50
|
Л240-8-2М-УХЛ3
|
10
|
9
|
7
|
21
|
70,0
|
60
|
42
|
7
|
3,5
|
5
|
75
|
Л300-10-2М-УХЛ3
|
11
|
10
|
8
|
22
|
81,5
|
69
|
50
|
10
|
25
|
12,5
|
25
|
6
|
115
|
Л400-10-2М-УХЛ3
|
12
|
11
|
10
|
25
|
85,5
|
73
|
53
|
12
|
5,0
|
8
|
140
|
Л400-12-2М-УХЛ3
|
95,5
|
78
|
35
|
17,5
|
45
|
200
|
Л500-10-2М-УХЛ3
|
14
|
13
|
12
|
28
|
91,5
|
79
|
56
|
25
|
12,5
|
25
|
185
|
Л500- 12-2М-УХЛ3
|
101,5
|
84
|
35
|
17,5
|
45
|
260
|
Л625-10-2М-УХЛ3
|
15
|
33
|
94,5
|
82
|
60
|
6,0
|
25
|
12,5
|
25
|
215
|
Л625-12-2М-УХЛ3
|
105,5
|
88
|
35
|
17,5
|
45
|
280
|
Л800-10-2М-УХЛ3
|
16
|
15
|
18
|
37
|
98,5
|
86
|
63
|
25
|
12,5
|
25
|
260
|
Л800-12-2М-УХЛ3
|
108,5
|
91
|
35
|
17,5
|
45
|
335
|
Л1000-12-2М-УХЛ3
|
18
|
17
|
39
|
115,5
|
98
|
67
|
10
|
340
|
Л1500-12-2М-УХЛ3
|
22
|
20
|
20
|
45
|
127,5
|
110
|
80
|
15
|
7,0
|
445
|
6. Конструкция, коды ОКП,
размеры и масса кабельных литых прямых наконечников с закрытым хвостовиком в
виде штуцера, с одним отверстием в зажимной части, закрепляемых на жилах
сечением от 16 до 240 мм2, должны соответствовать указанным на черт.
5 и
в табл. 5.

*Размеры для справок.
Черт. 5
Таблица 5
Размеры в мм
Обозначение
|
Код ОКП
|
Сечение жилы, мм2
|
d
|
b
|
D1
|
D2
|
Л16-6-Ш-УХЛ3
|
34 4984 0961
|
16
|
6,4
|
15
|
5,4
|
9,4
|
Л16-8-Ш-УХЛ3
|
34 4984 0971
|
8,4
|
20
|
Л16-10-Ш-УХЛ3
|
34 4984 0981
|
10,5
|
25
|
Л35-6-Ш-УХЛ3
|
34 4984 0991
|
25-35
|
6,4
|
15
|
8,0
|
12,5
|
Л35-8-Ш-УХЛ3
|
34 4984 1001
|
8,4
|
20
|
Л35 10-Ш-УХЛ3
|
34 4984 1011
|
10,5
|
25
|
Л35-12-Ш-УХЛ3
|
34 4984 1021
|
13,0
|
35
|
Л70-8-Ш-УХЛ3
|
34 4984 1041
|
50-70
|
8,4
|
20
|
12,0
|
16,5
|
Л70-10-Ш-УХЛ3
|
34 4984 1051
|
10,5
|
25
|
Л70-12-Ш-УХЛ3
|
34 4984 1061
|
13,0
|
35
|
Л70-16-Ш-УХЛ3*
|
34 4984 1071
|
17,0
|
Л70-20-Ш-УХЛ3*
|
34 4984 1081
|
21,0
|
40
|
Л120-10-Ш-УХЛ3
|
34 4984 1101
|
95-120
|
10,5
|
25
|
16,0
|
21,0
|
Л120-12-Ш-УХЛ3
|
34 4984 1111
|
13,0
|
35
|
Л120-16-Ш-УХЛ3*
|
34 4984 1121
|
17,0
|
Л120-20-Ш-УХЛ3*
|
34 4984 1131
|
21,0
|
40
|
Л185-10-Ш-УХЛ3
|
34 4984 1151
|
150-185
|
10,5
|
25
|
19,0
|
25,0
|
Л185-12-Ш-УХЛ3
|
34 4984 1161
|
13,0
|
35
|
Л185-16-Ш-УХЛ3*
|
34 4984 1171
|
17,0
|
Л185-20-Ш-УХЛ3*
|
34 4984 1181
|
21,0
|
40
|
Л240-12-Ш-УХЛ3
|
34 4984 1201
|
240
|
13,0
|
35
|
22,0
|
28,5
|
Л240-16-Ш-УХЛ3*
|
34 4984 1211
|
17,0
|
Л240-20-Ш-УХЛ3*
|
34 4984 1221
|
21,0
|
40
|
Продолжение табл. 5
Размеры
в мм
Обозначение
|
D3
|
D4
|
D5
|
s
|
s1
|
s2
|
N
|
h
|
h1
|
h2
|
R
|
Масса 1000 шт, кг, не более
|
Л16-6-Ш-УХЛ3
|
12
|
6
|
10
|
4,5
|
4,0
|
4
|
10
|
49
|
33
|
2,0
|
4
|
12
|
Л16-8-Ш-УХЛ3
|
51
|
14
|
Л16-10-Ш-УХЛ3
|
53
|
16
|
Л35-6-Ш-УХЛ3
|
17
|
11
|
15
|
5,0
|
4,5
|
11
|
50
|
18
|
Л35-8-Ш-УХЛ3
|
52
|
20
|
Л35-10-Ш-УХЛ3
|
54
|
22
|
Л35-12-Ш-УХЛ3
|
60
|
30
|
Л70-8-Ш-УХЛ3
|
24
|
18
|
22
|
5,5
|
5,0
|
5
|
14
|
56
|
40
|
28
|
Л70-10-Ш-УХЛ3
|
58
|
32
|
Л70-12-Ш-УХЛ3
|
64
|
38
|
Л70-16-Ш-УХЛ3*
|
35
|
Л70-20-Ш-УХЛ3*
|
66
|
45
|
Л120-10-Ш-УХЛ3
|
28
|
22
|
26
|
6,0
|
5,5
|
6
|
18
|
60
|
2,5
|
5
|
40
|
Л120-12-Ш-УХЛ3
|
65
|
50
|
Л120-16-Ш-УХЛ3*
|
|
45
|
Л120-20-Ш-УХЛ3*
|
68
|
60
|
Л185-10-Ш-УХЛ3
|
33
|
27
|
31
|
8,0
|
7,5
|
9
|
63
|
42
|
6
|
58
|
Л185-12-Ш-УХЛ3
|
19
|
68
|
70
|
Л185-16-Ш-УХЛ3*
|
65
|
Л185-20-Ш-УХЛ3*
|
71
|
82
|
Л240-12-Ш-УХЛ3
|
37
|
31
|
35
|
10,5
|
9,5
|
7
|
21
|
70
|
45
|
7
|
95
|
Л240-16-Ш-УХЛ3*
|
90
|
Л240-20-Ш-УХЛ3*
|
73
|
110
|
* Только для
присоединения к штыревым выводам.
7. Конструкция, коды ОКП,
размеры и масса кабельных литых прямых наконечников с закрытым хвостовиком в
виде штуцера, удлиненной выступающей жильной частью хвостовика для термитной
сварки, с одним отверстием в зажимной части, закрепляемых на жилах сечением от
50 до 240 мм2, должны соответствовать указанным на черт. 6 и в
табл. 6.

*Размеры для справок.
Черт. 6
Таблица 6
Размеры в мм
Обозначение
|
Код ОКП
|
Сечение жилы, мм2
|
d
|
b
|
D1
|
D2
|
D3
|
D4
|
D5
|
s
|
s1
|
N
|
h
|
h1
|
R
|
Масса 1000 шт, кг не
более
|
ЛТ70-8-Ш-УХЛ3
|
34 4984 1241
|
50-70
|
8,4
|
20
|
12
|
18
|
24
|
18
|
22
|
5,5
|
5,0
|
28
|
80
|
60
|
4
|
18
|
ЛТ70-10-Ш-УХЛ3
|
34 4984 1251
|
10,5
|
25
|
25
|
ЛТ70-12-Ш-УХЛ3
|
34 4984 1261
|
13,0
|
35
|
33
|
ЛТ70-16-Ш-УХЛ3*
|
34 4984 1271
|
17,0
|
30
|
ЛТ70-20-Ш-УХЛ3-
|
34 4984 1281
|
21,0
|
40
|
41
|
ЛТ120-10-Ш-УХЛ3
|
344984 1301
|
95-120
|
10,5
|
25
|
16
|
22
|
28
|
22
|
26
|
6,0
|
5,5
|
33
|
85
|
63
|
5
|
28
|
ЛТ120-12-Ш-УХЛ13
|
344984 1311
|
13,0
|
35
|
37
|
ЛТ120-16-Ш-УХЛ3*
|
344984 1321
|
17,0
|
35
|
ЛТ120-20-Ш-УХЛ3*
|
344984 1331
|
21,0
|
40
|
46
|
ЛТ185-10-Ш-УХЛ3
|
344984 1351
|
150-185
|
10,5
|
25
|
19
|
26
|
33
|
27
|
31
|
8,0
|
7,5
|
36
|
88
|
67
|
6
|
35
|
ЛТ185-12-Ш-УХЛ3
|
344984 1361
|
13,0
|
35
|
46
|
ЛТ185-16-Ш-УХЛ3*
|
344984 1371
|
17,0
|
43
|
ЛТ185-20-Ш-УХЛ3*
|
344984 1381
|
21,0
|
40
|
57
|
ЛТ240-12-Ш-УХЛ3
|
34 4984 1401
|
240
|
13,0
|
35
|
22
|
30
|
37
|
31
|
35
|
10,5
|
9,5
|
36
|
97
|
75
|
7
|
62
|
ЛТ240-16-Ш-УХЛ3*
|
344984 1411
|
17,0
|
59
|
ЛТ240-20-Ш-УХЛ3-
|
34 4984 1421
|
21,0
|
40
|
100
|
80
|
*Только для присоединения к штыревым выводам.
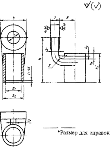
8. Конструкция, коды ОКП,
размеры и масса кабельных литых отогнутых наконечников с закрытым хвостовиком,
с одним отверстием в зажимной части, закрепляемых на жилах сечением 625 и 800
мм2, должны соответствовать указанным на черт. 7 и в
табл. 7.

* Размер для справок.
Черт. 7
Таблица 7
Размеры в мм
Обозначение
|
Код ОКП
|
Сечение жилы, мм2
|
D1
|
D2
|
s
|
s1
|
s2
|
N
|
h1
|
Масса 1000 шт., кг, не
более
|
Л625-16-0-УХЛ3
|
34 4984 1431
|
625
|
34
|
44,5
|
14
|
13
|
15
|
60
|
60
|
190
|
Л800-16-0-УХЛ3
|
34 4984 1441
|
800
|
38
|
50,0
|
16
|
15
|
18
|
62
|
62
|
230
|
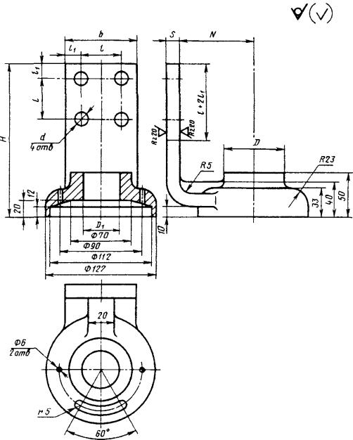
9. Конструкция, коды ОКП,
размеры и масса кабельных литых отогнутых наконечников с закрытым хвостовиком,
с двумя отверстиями в зажимной части, расположенными перпендикулярно оси
симметрии наконечника, закрепляемых на жилах сечением от 625 до 1500 мм2,
должны соответствовать указанным на черт. 8 и в табл. 8.

*Размер
для справок.
Черт. 8
Таблица 8
Размеры в мм
Обозначение
|
Код ОКП
|
Сечение жилы, мм2
|
d
|
b
|
D1
|
D2
|
s
|
s1
|
s2
|
N
|
h1
|
h2
|
h3
|
l
|
l1
|
l2
|
Масса 1000 шт., кг, не
более
|
Л625-10-0-2М-УХЛ3
|
34 4984 1451
|
625
|
10,5
|
50
|
34
|
44,5
|
14
|
13
|
15
|
47
|
60
|
12
|
6
|
25
|
12,5
|
25
|
165
|
Л625-12-0-2М-УХЛ3
|
34 4984 1461
|
13,0
|
70
|
52
|
35
|
17,5
|
45
|
220
|
Л800-10-0-2М-УХЛ3
|
34 4984 1471
|
800
|
10,5
|
50
|
38
|
50,0
|
16
|
15
|
18
|
63
|
25
|
12,5
|
25
|
200
|
Л800-12-0-2М-УХЛ3
|
34 4984 1481
|
13,0
|
70
|
57
|
35
|
17,5
|
45
|
270
|
Л1000-12-0-2М-УХЛ3
|
34 4984 1491
|
1000
|
41
|
55,0
|
18
|
17
|
59
|
67
|
370
|
Л1500-12-0-2М-УХЛ3
|
34 4984 1501
|
1500
|
50
|
65,0
|
22
|
20
|
20
|
65
|
80
|
15
|
7
|
500
|
10. Конструкция, коды ОКП,
размеры и масса кабельных литых флажковых наконечников с закрытым хвостовиком,
с одним отверстием в зажимной части, закрепляемых на жилах сечением 625 и 800
мм2, должны соответствовав указанным на черт. 9 и в
табл. 9.

*Размер
для справок.
Черт. 9
Таблица 9
Размеры в мм
Обозначение
|
Код ОКП
|
Сечение жилы, мм2
|
D1
|
D2
|
s
|
s1
|
s2
|
N
|
h
|
Масса 1000 шт., кг, не
более
|
Л625-16-Ф-УХЛ3
|
344984 1571
|
625
|
34
|
44,5
|
14
|
13
|
15
|
60
|
7
|
250
|
Л800-16-Ф-УХЛ3
|
34 4984 1581
|
800
|
38
|
50,0
|
16
|
15
|
18
|
63
|
8
|
300
|
11. Конструкция, коды ОКП,
размеры и масса кабельных литых флажковых наконечников с закрытым хвостовиком,
с двумя отверстиями в зажимной части, расположенными перпендикулярно оси
симметрии наконечника, закрепляемых на жилах сечением от 625 до 1500 мм2,
должны соответствовать указанным на черт. 10 и в табл. 10.

*Размер
для справок.
Черт. 10
Таблица 10
Размеры
в мм
Обозначение
|
Код ОКП
|
Сечение жилы, мм2
|
d
|
b
|
D1
|
D2
|
s
|
s1
|
s2
|
N
|
h1
|
h2
|
h3
|
l
|
l1
|
l2
|
Масса 1000 шт., кг, не
более
|
Л625-10-Ф-2М-УХЛ3
|
34 4984 1591
|
625
|
10,5
|
50
|
34
|
44,5
|
14
|
13
|
15
|
47
|
100
|
12
|
6
|
25
|
12,5
|
25
|
220
|
Л625-12-Ф-2М-УХЛ3
|
34 4984 1601
|
13,0
|
70
|
52
|
120
|
35
|
17,5
|
45
|
300
|
Л800-10-Ф-2М-УХЛ3
|
344984 1611
|
800
|
10,5
|
50
|
38
|
50,0
|
16
|
15
|
18
|
100
|
7
|
25
|
12,5
|
25
|
270
|
Л800-12-Ф-2М-УХЛ3
|
34 4984 1621
|
13,0
|
70
|
57
|
120
|
35
|
17,5
|
45
|
370
|
Л1000-12-Ф-2М-УХЛ3
|
34 4984 1631
|
1000
|
41
|
55,0
|
17
|
16
|
60
|
8
|
480
|
Л1500-12-Ф-2М-УХЛ3
|
34 4984 1641
|
1500
|
50
|
65,0
|
21
|
20
|
20
|
65
|
130
|
15
|
9
|
650
|
12. Конструкция, коды ОКП,
размеры и масса кабельных литых прямых наконечников со сплошным хвостовиком, с
одним отверстием в зажимной части, закрепляемых на жилах сечением от 300 до 800
мм2, должны соответствовать указанным на черт. 11 и в
табл. 11.

Черт. 11
Таблица 11
Размеры в мм
Обозначение
|
Код ОКП
|
Сечение жилы, мм2
|
d
|
b
|
D
|
s
|
s1
|
h
|
h1
|
Масса 1000 шт , кг, не
более
|
ЛС300-10-УХЛ3
|
34 4984 1711
|
300
|
10,5
|
25
|
24
|
12
|
11
|
74,5
|
45
|
85
|
ЛС300-12-УХЛ3
|
34 4984 1721
|
13,0
|
35
|
79,5
|
105
|
ЛС300-16-УХЛ3
|
34 4984 1731
|
17,0
|
50
|
87,0
|
135
|
ЛС400-12-УХЛ3
|
34 4984 1741
|
400
|
13,0
|
35
|
27
|
13
|
12
|
86,5
|
50
|
ЛС400-16-УХЛ3
|
34 4984 1751
|
17,0
|
50
|
94,0
|
170
|
ЛС500-12-УХЛ3
|
34 4984 1761
|
500
|
13,0
|
35
|
30
|
14
|
13
|
92,0
|
56
|
ЛС500-16-УХЛ3
|
34 4984 1771
|
17,0
|
50
|
100,0
|
210
|
ЛС625-16-УХЛ3
|
34 4984 1781
|
625
|
34
|
107,0
|
60
|
275
|
ЛС800-16-УХЛ3
|
34 4984 1791
|
800
|
38
|
16
|
15
|
119,0
|
355
|
Примечание. Допускается изготовление наконечников без
скоса стержневой части (угол 30°) для термитной сварки
13. Конструкция, коды ОКП,
размеры и масса кабельных литых прямых наконечников со сплошным хвостовиком, с
двумя отверстиями в зажимной части, расположенными на оси симметрии
наконечника, закрепляемых на жилах сечением от 300 до 1500 мм2,
должны соответствовать указанным на черт. 12 и в табл. 12.

Черт. 12
Таблица 12
Размеры в мм
Обозначение
|
Код ОКП
|
Сечение жилы, мм2
|
D
|
s
|
s1
|
H
|
h1
|
Масса 1000 шт., кг, не
более
|
ЛС300-12-2-УХЛ3
|
34 4984 1801
|
300
|
24
|
12
|
11
|
142
|
45
|
170
|
ЛС400-12-2-УХЛ3
|
34 4984 1811
|
400
|
27
|
13
|
12
|
149
|
50
|
205
|
ЛС500-12-2-УХЛ3
|
34 4984 1821
|
500
|
30
|
14
|
13
|
155
|
56
|
245
|
ЛС625-12-2-УХЛ3
|
34 4984 1831
|
625
|
34
|
160
|
60
|
300
|
ЛС800-12-2-УХЛ3
|
34 4984 1841
|
800
|
38
|
16
|
15
|
175
|
71
|
385
|
ЛС1000-12-2-УХЛ3
|
34 4984 1851
|
1000
|
18
|
17
|
405
|
ЛС1500-12-2-УХЛ3
|
34 4984 1861
|
1500
|
46
|
21
|
20
|
188
|
80
|
615
|
Примечание. Допускается
для жил сечением от 300 до 800 мм2 изготовление наконечников без
скоса цилиндрической части (угол 30°) для термитной сварки.
14. Конструкция, коды ОКП,
размеры и масса кабельных литых прямых наконечников со сплошным хвостовиком, с
двумя отверстиями в зажимной части, расположенными перпендикулярно оси
симметрии наконечника, закрепляемых на жилах сечением от 300 до 1500 мм2,
должны соответствовать указанным на черт. 13 и в табл. 13.

Черт. 13
Таблица 13
Размеры в мм
Обозначение
|
Код ОКП
|
Сечение жилы, мм2
|
d
|
b
|
D
|
s
|
s1
|
H
|
h1
|
l
|
l1
|
l2
|
Масса 1000 шт., кг, не
более
|
ЛС300-10-2М-УХЛ3
|
34 4984 1891
|
300
|
10,5
|
50
|
24
|
12
|
11
|
87
|
45
|
25
|
12,5
|
25
|
120
|
ЛС400-10-2М-УХЛ3
|
34 4984 1901
|
400
|
27
|
13
|
12
|
94
|
50
|
155
|
ЛС400-12-2М-УХЛ3
|
34 4984 1911
|
13,0
|
70
|
104
|
35
|
17,5
|
45
|
200
|
ЛС500-10-2М-УХЛ3
|
34 4984 1921
|
500
|
10,5
|
50
|
30
|
14
|
13
|
100
|
56
|
25
|
12,5
|
25
|
195
|
ЛС500-12-2М-УХПЗ
|
34 4984 1931
|
13,0
|
70
|
110
|
35
|
17,5
|
45
|
240
|
ЛС625-10-2М-УХЛ3
|
34 4984 1941
|
625
|
10,5
|
50
|
34
|
107
|
60
|
25
|
12,5
|
25
|
250
|
ЛС625-12-2М-УХЛ3
|
34 4984 1951
|
13,0
|
70
|
117
|
35
|
17,5
|
45
|
305
|
ЛС800-10-2М-УХЛ3
|
34 4984 1961
|
800
|
10,5
|
50
|
38
|
16
|
15
|
119
|
71
|
25
|
12,5
|
25
|
335
|
ЛС800-12-2М-УХЛ3
|
34 4984 1971
|
13,0
|
70
|
129
|
35
|
17,5
|
45
|
395
|
ЛС1000-12-2М-УХЛ3
|
34 4984 1981
|
1000
|
18
|
17
|
415
|
ЛС1500-12-2М-УХЛ3
|
34 4984 1991
|
1500
|
46
|
21
|
20
|
143
|
80
|
645
|
Примечание. Допускается
для жил сечением от 300 до 800 мм2 изготавливать наконечники без
скоса стержневой части (угол 30°) для термитной сварки.
15. Конструкция, коды ОКП,
размеры и масса кабельных литых прямых наконечников с закрытым хвостовиком, с
двумя отверстиями в зажимной части, расположенными на оси симметрии
наконечника, предназначенных для наружной установки, закрепляемых на жилах
сечением 1000 и 1500 мм2, должны соответствовать указанным на черт. 14 и в
табл. 14.

Черт. 14
Таблица 14
Размеры в мм
Обозначение
|
Код ОКП
|
Сечение жилы, мм2
|
D
|
D1
|
s
|
N
|
Масса 1000 шт, кг, не
более
|
Л1000-12-Н-2-УХЛ3
|
34 4984 2061
|
1000
|
54
|
41
|
10
|
65
|
600
|
Л1500-12-Н-2-УХЛ3
|
34 4984 2071
|
1500
|
65
|
50
|
15
|
60
|
850
|
16.
Конструкция, коды ОКП, размеры и масса кабельных литых прямых наконечников с
закрытым хвостовиком, с четырьмя отверстиями в зажимной части, предназначенных
для наружной установки, закрепляемых на жилах сечением 1000 и 1500 мм2
, должны соответствовать указанным на черт. 15 и в табл. 15.

Черт. 15
Таблица 15
Размеры в мм
Обозначение
|
Код ОКП
|
Сечение жилы, мм2
|
b
|
d
|
D
|
D1
|
s
|
N
|
H
|
l
|
l1
|
Масса 1000 шт., кг, не
более
|
Л1000-12-Н-4-УХЛ3
|
34 4984 2081
|
1000
|
80
|
13
|
54
|
41
|
10
|
65
|
150
|
45
|
17,5
|
870
|
Л1500-16-Н-4-УХЛ3
|
34 4984 2091
|
1500
|
100
|
17
|
65
|
50
|
15
|
60
|
170
|
60
|
20,0
|
1290
|
17.
Кабельные наконечники изготовляют из алюминиевых сплавов АЛ23, АЛ28 по ГОСТ 1583 или АД31 по ГОСТ 4784.
Допускается по согласованию
с потребителем применять сплав из алюминия А5 с содержанием кремния не более 4
%.
18. Вид провода или кабеля,
для которого предназначены кабельные наконечники, и предпочтительные способы
сварки приведены в приложении 1.
19 Структура условного
обозначения и маркировка наконечников приведены в приложении 2.
Примеры
условных обозначений
Наконечник штампованный
прямой номинальным сечением 120 мм2, с закрытым хвостовиком, с одним
отверстием в зажимной части, под контактный стержень диаметром 16 мм:
Наконечник А120 - 16-УХЛ3 ГОСТ 7387-82
Наконечник литой прямой
номинальным сечением 70 мм2, с закрытым хвостовиком в виде штуцера,
с удлиненной выступающей жильной частью хвостовика для термитной сварки, с
одним отверстием в зажимной части, под контактный стержень диаметром 12 мм:
Наконечник ЛТ70-12Ш-УХЛ3 ГОСТ 7387-82
Наконечник литой флажковый
номинальным сечением 800 мм2, с закрытым хвостовиком, с двумя
отверстиями в зажимной части, расположенными перпендикулярно оси симметрии
наконечника, под контактный стержень диаметром 10 мм:
Наконечник
Л800-10Ф-2М-УХЛ3 ГОСТ 7387-82
ПРИЛОЖЕНИЕ 1
Справочное
ВИД ПРОВОДА ИЛИ КАБЕЛЯ, ДЛЯ КОТОРОГО ПРЕДНАЗНАЧЕНЫ КАБЕЛЬНЫЕ
НАКОНЕЧНИКИ, И ПРЕДПОЧТИТЕЛЬНЫЕ СПОСОБЫ СВАРКИ
Тип наконечника по пунктам стандарта
|
Вид провода или кабеля
|
Способы сварки
|
2, 4, 5, 8-11
|
Провода и кабели с резиновой,
пластмассовой или бумажной изоляцией
|
Аргоно-дуговая, контактным разогревом
или газовая в формах
|
3
|
Провода и кабели с резиновой
или пластмассовой изоляцией
|
Аргоно-дуговая
|
6
|
Кабели с бумажной изоляцией*
|
Аргоно-дуговая, контактным
разогревом или газовая в формах
|
7
|
То же
|
Термитная
|
12-14
|
Провода и кабели с резиновой,
пластмассовой или бумажной изоляцией
|
Аргоно-дуговая, газовая в
формах для жил всех сечении, термитная для жил сечением 300- 800 мм2
|
15, 16
|
Кабели с пластмассовой
изоляцией
|
Аргоно-дуговая или контактным
разогревом
|
*При изолировании жил в концевых
кабельных заделках резиновыми или полимерными трубками, герметически
сочленяемыми с изоляционной частью хвостовика наконечника, выполненной в виде
штуцера.
ПРИЛОЖЕНИЕ
2
Обязательное
Структура условного
обозначения наконечников

*Исполнение наконечников: О -
отогнутые; Ф - флажковые; Ш - с закрытым хвостовиком в виде штуцера.
Примечания:
1. Исполнение
прямых наконечников и одно отверстие в зажимной части в условном обозначении не
указывают.
2. При
расположении двух отверстий под контактный стержень перпендикулярно оси
симметрии наконечника после обозначения числа отверстий ставят букву М.
3. Перед
условным обозначением наконечников проставляют дополнительные буквы:
С - для
наконечников со сплошным хвостовиком для сварки встык;
Т - для
наконечников с удлиненной выступающей жильной частью закрытого хвостовика для
термитной сварки;
Л - для литых
наконечников;
А - для
штампованных наконечников.
ИНФОРМАЦИОННЫЕ ДАННЫЕ
1. РАЗРАБОТАН И ВНЕСЕН Министерством монтажных и специальных
строительных работ СССР
РАЗРАБОТЧИКИ:
Р.Н. Карякин, Н.А. Румянцев,
Ю.С. Висленев, В.А. Книгель, Н.Н. Дзекцер, В.Л. Фукс
2. УТВЕРЖДЕН И
ВВЕДЕН В ДЕЙСТВИЕ Постановлением Государственного комитета СССР по стандартам
от 04.11.82 № 4151
3. ВЗАМЕН ГОСТ
7387-77
4. ССЫЛОЧНЫЕ
НОРМАТИВНО-ТЕХНИЧЕСКИЕ ДОКУМЕНТЫ
5. Ограничение срока действия снято по Протоколу № 3-93 Межгосударственного
Совета по стандартизации, метрологии и сертификации (ИУС 5-6-93)
6. ПЕРЕИЗДАНИЕ (ноябрь 1997 г.) с Изменением № 1, утвержденным в ноябре
1994 г. (ИУС 1-95)
|