Информационная система
«Ёшкин Кот»

XXXecatmenu

ГОСУДАРСТВЕННЫЙ СТАНДАРТ СОЮЗА ССР

 

ОКНА ДЕРЕВЯННЫЕ
ДЛЯ ПРОИЗВОДСТВЕННЫХ ЗДАНИЙ

Типы, конструкция и размеры

ГОСТ 12506-81

 

 

 

 

ИПК ИЗДАТЕЛЬСТВО СТАНДАРТОВ

Москва

 

 

ГОСУДАРСТВЕННЫЙ СТАНДАРТ СОЮЗА ССР

ОКНА ДЕРЕВЯННЫЕ ДЛЯ ПРОИЗВОДСТВЕННЫХ ЗДАНИЙ

Типы, конструкция и размеры

Wooden windows for industrial buildings.
Types, structure and dimensions

ГОСТ
12506-81

Дата введения 01.01.84

Настоящий стандарт распространяется на деревянные окна, предназначенные для заполнения проемов в производственных и вспомогательных зданиях промышленных и сельскохозяйственных предприятий.

Окна, представленные в настоящем стандарте, рассчитаны на ветровую нагрузку 850 Н/м2 (85 кгс/м2).

1. ТИПЫ, РАЗМЕРЫ И МАРКИ

1.1. В зависимости от способа открывания окна, изготовляемые по настоящему стандарту, подразделяют на серии:

В - открывающиеся внутрь помещения;

Н - открывающиеся наружу;

Г - глухие (неоткрывающиеся).

1.2. Окна серий В и Н состоят из коробок, переплетов и остекления, серии Г - из коробок и остекления.

Окна серий В и Н представляют собой одинарную конструкцию с одним рядом остекления или спаренную конструкцию с двумя рядами остекления.

Окна серии Г представляют собой одинарную конструкцию с одним рядом остекления.

1.3. Окна серий Н и Г следует применять только в одноэтажных зданиях, а серии В - в одно- и многоэтажных зданиях.

1.4. Заполнение проемов должно производиться: в зданиях промышленных предприятий одним или несколькими оконными блоками по высоте и ширине проема, а в зданиях сельскохозяйственных предприятий по высоте одним, а по ширине - одним или несколькими оконными блоками.

Примерные схемы заполнения оконных проемов приведены:

с простеночным остеклением для зданий промышленных предприятий - в приложении 1;

с ленточным остеклением для зданий промышленных предприятий в приложении 2;

с простеночным остеклением для зданий сельскохозяйственных предприятий - в приложении 3.

1.5. В зданиях промышленных предприятий для заполнения проемов высотой более 18 М (М = 100 мм) и шириной 30 М должны применяться оконные блоки с шириной деталей коробки 124 мм.

1.6. На чертежах настоящего стандарта указаны размеры в миллиметрах неокрашенных деталей и изделий.

1.7. Габаритные размеры окон для зданий промышленных предприятий указаны на черт. 1, а для зданий сельскохозяйственных предприятий - на черт. 2.

1.8. Устанавливают следующую структуру условного обозначения (марки) окон:

Примеры условных обозначений:

Окно для зданий промышленных предприятий, открывающееся внутрь помещения, спаренной конструкции, высотой 18 и шириной 30 дм, при ширине деталей коробки 124 мм:

ПВД 18-30.2 ГОСТ 12506-81

То же, с левым расположением узкой створки:

ПВД 18-30.21 ГОСТ 12506-81

Окно для зданий промышленных предприятий, открывающееся наружу, одинарной конструкции, высотой 12 и шириной 24 дм, при ширине деталей коробки 94 мм:

ПНО 12-24.1 ГОСТ 12506-81

То же, неоткрывающееся (глухое), высотой 12 и шириной 18 дм:

ПГ 12-18 ГОСТ 12506-81

Окно для зданий сельскохозяйственных предприятий неоткрывающееся (глухое), высотой 6 и шириной 12 дм:

СГ 6-12 ГОСТ 12506-81

То же, с жалюзийной решеткой:

СГ 6-12 Ж ГОСТ 12506-81

Окно для зданий сельскохозяйственных предприятий, открывающееся внутрь помещения, одинарной конструкции, высотой 12 и шириной 18 дм:

СВО 12-18 ГОСТ 12506-81

То же, спаренной конструкции:

СВД 12-18 ГОСТ 12506-81

Габаритные размеры окон для зданий промышленных предприятий

Черт. 1

Примечания:

1. Схемы окон изображены со стороны фасада.

2. Цифры над схемами означают размеры окон в модулях.

3. Схемы заполнения переплетами показаны для окон серии Н.

Габаритные размеры окон для зданий сельскохозяйственных предприятий

Черт. 2

Примечания см. на черт. 1.

2. ТРЕБОВАНИЯ К КОНСТРУКЦИИ

2.1. Окна должны изготовляться в соответствии с требованиями ГОСТ 23166 и настоящего стандарта по рабочим чертежам, утвержденным в установленном порядке.

2.2. Конструкция, форма, основные размеры и марки окон серии В для зданий промышленных предприятий должны соответствовать указанным на черт. 3, а для сельскохозяйственных предприятий - на черт. 4. Форма и размеры сечений деталей окон серии В с одинарным остеклением указаны на черт. 5, а с двойным остеклением - на черт. 6.

2.3. Конструкция, форма, основные размеры и марки окон серии Н для зданий промышленных предприятий должны соответствовать указанным на черт. 7 и 8. Форма и размеры сечений деталей окон серии Н с одинарным остеклением указаны на черт. 9, а с двойным остеклением на черт. 10.

2.4. Конструкция, форма, основные размеры и марки окон серии Г для зданий промышленных предприятий должны соответствовать указанным на черт. 11, а для сельскохозяйственных предприятий - на черт. 12. Форма и размеры сечений деталей окон серии Г для зданий промышленных предприятий указаны на черт. 13, а для зданий сельскохозяйственных предприятий - на черт. 14.

2.5. Навеска створок должна осуществляться по схемам, указанным на черт. 3, 4, 7 и 8.

2.6. Петли, угольники, запорные приборы и винтовые стяжки окон должны удовлетворять ГОСТ 5088, ГОСТ 5091и ГОСТ 5090.

Расположение приборов приведено в приложении 4.

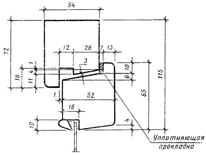
2.7. Уплотнение притворов окон должно производиться пенополиуретановыми прокладками по ГОСТ 10174, а места их крепления указаны на чертежах сечений деталей.

2.8. В нижних брусках коробок окон серии В спаренной конструкции должны устраиваться прорези для отвода дождевой воды, располагаемые на расстоянии 50 мм от вертикальных брусков коробок.

2.9. Для остекления окон следует применять стекло по ГОСТ 111.

Спецификации стекол для окон приведены в приложениях 5 и 6.

Конструкция, форма, основные размеры и марки окон

Черт. 3

Для зданий сельскохозяйственных предприятий

Черт. 4

Серия В

С одинарным остеклением

Сечение А

Сечение Б

Сечение Г

Черт. 5

Серия В

С двойным остеклением

Черт. 6

Конструкция, форма, основные размеры и марки окон

Серия Н

Для зданий промышленных предприятий

Черт. 7

Черт. 8

Серия Н

С одинарным остеклением

Черт. 9

Серия Н

С двойным остеклением

Черт. 10

Конструкция, форма, основные размеры и марки окон

Черт. 11

Для зданий сельскохозяйственных предприятий

Черт. 12

Для зданий промышленных предприятий

Черт. 13

Для зданий сельскохозяйственных предприятий

Черт. 14

ПРИЛОЖЕНИЕ 1
Справочное

ПРИМЕРНЫЕ СХЕМЫ ЗАПОЛНЕНИЯ ОКОННЫХ ПРОЕМОВ С ПРОСТЕНОЧНЫМ ОСТЕКЛЕНИЕМ ДЛЯ ЗДАНИЙ ПРОМЫШЛЕННЫХ ПРЕДПРИЯТИЙ

ПРИЛОЖЕНИЕ 2
Справочное

ПРИМЕРНЫЕ СХЕМЫ ЗАПОЛНЕНИЯ ОКОННЫХ ПРОЕМОВ С ЛЕНТОЧНЫМ ОСТЕКЛЕНИЕМ ДЛЯ ЗДАНИЙ ПРОМЫШЛЕННЫХ ПРЕДПРИЯТИЙ

ПРИЛОЖЕНИЕ 3
Справочное

ПРИМЕРНЫЕ СХЕМЫ ЗАПОЛНЕНИЯ ОКОННЫХ ПРОЕМОВ С ПРОСТЕНОЧНЫМ ОСТЕКЛЕНИЕМ ДЛЯ ЗДАНИЙ СЕЛЬСКОХОЗЯЙСТВЕННЫХ ПРЕДПРИЯТИЙ

ПРИЛОЖЕНИЕ 4
Рекомендуемое

ПРИМЕРЫ РАСПОЛОЖЕНИЯ ПРИБОРОВ В ОКНАХ

Черт. 1

Примечание:

В окнах ПВД 12-18.1; ПВД 18-18.1; ПНД 12-18.1; ПНД 18-18.1 завертки устанавливаются только при отсутствии механизмов открывания.

Серия В

Черт. 2

Серия Н

Черт. 3

ПРИЛОЖЕНИЕ 5
Справочное

Спецификация стекол для окон серии В

Марка окна

Размеры в мм

Количество

высота

ширина

толщина

Для зданий промышленных предприятий

ПВД 12-18.1

980

980

1025

450

4

3

2

2

ПВД 12-24.1

980

1025

4

4

ПВД 12-30.1

980

980

1025

450

4

3

4

2

ПВД 12-30.1П

980

980

1025

450

4

3

4

2

ПВД 12-30.2

980

980

1025

450

4

3

4

2

ПВД 12-30.2П

980

980

1025

450

4

3

4

2

ПВД 18-18.1

1580

1580

1025

450

4

3

2

2

ПВД 18-24.1

1580

1025

4

4

ПВД 18-30.1

1580

1025

450

4

3

4

2

ПВД 18-30.1П

1580

1580

1025

450

4

3

4

2

ПВД 18-30.2

1580

1580

1025

450

4

3

4

2

ПВД 18-30.2П

1580

1580

1025

450

4

3

4

2

Для зданий сельскохозяйственных предприятий

СВО 9-12

630

475

3

2

СВО 9-18

630

500

3

3

СВО 12-12

930

475

3

2

СВО 12-18

930

500

3

3

СВД 9-12

680

500

3

4

СВД 9-18

680

525

3

6

СВД 12-12

980

500

3

4

СВД 12-18

980

525

3

6

ПРИЛОЖЕНИЕ 6
Справочное

Спецификация стекол для окон серий Н и Г

Марка окна

Размеры в мм

Количество

высота

ширина

толщина

Для зданий промышленных предприятий

ПНО 12-18.1

980

980

1025

425

4

3

1

1

ПНО 12-24.1

980

1025

4

2

ПНО 12-30.1

980

980

1025

425

4

3

2

1

ПНО 12-30.2

980

980

1025

425

4

3

2

1

ПНО 18-18.1

1580

1580

1025

425

4

3

1

1

ПНО 18-24.1

1580

1025

4

2

ПНО 18-30.1

1580

1580

1025

425

4

3

2

1

ПНО 18-30.2

1580

1580

1025

425

4

3

2

1

ПНД 12-18.1

980

980

1025

425

4

3

2

2

ПНД 12-24.1

980

1025

4

4

ПНД 12-30.1

980

980

1025

425

4

3

4

2

ПНД 12-30.2

980

980

1025

425

4

3

4

2

ПНД 18-18.1

1580

1580

1025

425

4

3

2

2

Для зданий промышленных и сельскохозяйственных предприятий

ПНД 18-24.1

1580

1025

4

4

ПНД 18-30.1

1580

1580

1025

425

4

3

4

2

ПНД 18-30.2

1580

1580

1025

425

4

3

4

2

ПГО 12-18.1

1095

1095

1140

540

4

4

1

1

ПГО 12-24.1

1095

1140

4

2

ПГО 12-30.1

1095

1095

1140

540

4

4

2

1

ПГО 12-30.2

1095

1095

1140

540

4

4

2

1

ПГО 18-18.1

1695

1695

1140

540

4

4

1

ПГО 18-24.1

1695

1140

4

2

ПГО 18-30.1

1695

1695

1140

540

4

4

2

1

ПГО 18-30.2

1695

1695

1140

540

4

4

2

1

СГО 6-9

495

795

3

1

СГО 6-12

495

1070

3.

1

 

СОДЕРЖАНИЕ

1. Типы, размеры и марки. 1

2. Требования к конструкции. 4

Приложение 1 Примерные схемы заполнения оконных проемов с простеночным остеклением для зданий промышленных предприятий. 18

Приложение 2 Примерные схемы заполнения оконных проемов с ленточным остеклением для зданий промышленных предприятий. 18

Приложение 3 Примерные схемы заполнения оконных проемов с простеночным остеклением для зданий сельскохозяйственных предприятий. 19

Приложение 4 Примеры расположения приборов в окнах. 20

Приложение 5 Спецификация стекол для окон серии в.. 23

Приложение 6 Спецификация стекол для окон серий н и г. 24

 



© 2013 Ёшкин Кот :-)