Информационная система
«Ёшкин Кот»

XXXecatmenu

ГОСУДАРСТВЕННЫЙ СТАНДАРТ СОЮЗА ССР

Узел крепления крановых
рельсов к стальным
подкрановым балкам

Технические условия

ГОСТ 24741-81

 

ГОСУДАРСТВЕННЫЙ КОМИТЕТ СССР ПО ДЕЛАМ СТРОИТЕЛЬСТВА

Москва

 

ГОСУДАРСТВЕННЫЙ СТАНДАРТ СОЮЗА ССР

Узел крепления крановых рельсов
к стальным подкрановым балкам

Технические условия

Joint for connection of crane rails to steel crane girders. Specifications

ГОСТ
24741-81

Постановлением Государственного комитета СССР по делам строительства от 4 мая 1981 г. № 60 срок введения установлен

с 01.01.1982 г.

Настоящий стандарт распространяется на узел крепления крановых рельсов по ГОСТ 4121-76 к стальным подкрановым балкам под мостовые электрические краны общего назначения легкого, среднего и тяжелого режимов работы, применяемые в зданиях и на открытых крановых эстакадах с расчетной сейсмичностью до 9 баллов включительно и эксплуатируемые в районах с расчетной температурой наружного воздуха минус 65 °С и выше.

1. Конструкция и размеры

1.1. Конструкция узла крепления должна соответствовать указанной на черт. 1.

1 - упорная планка; 2 - прижимная планка; 3 - болт; 4 - гайка; 5 - шайба

* Размер для справок

Черт. 1

1.2. Марка узла крепления в зависимости от типа кранового рельса и расчетной температуры наружного воздуха района строительства (далее - расчетная температура), расстояние от оси подкрановой балки до оси узла крепления, а также обозначения деталей должны соответствовать указанным в табл. 1.

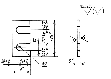
1.3. Конструкция и размеры упорных планок должны соответствовать указанным на черт. 2 и в табл. 2.

* Размер для справок

Черт. 2

Таблица 1

Марка узла крепления

Тип кранового рельса

Расстояние от оси подкрановой балки до оси узла крепления А, мм

Планка упорная

Планка прижимная

Болт

Гайка

Шайба

Расчетная температура, °С

Обозначение деталей

70

КР70

95

У1

П1

М24´l.46

М 24.4

 

Минус 40 °С и

80

КР80

100

 

П2

ГОСТ

ГОСТ

 

выше

100

КР100

110

У2

П1

15589-70

15526-70

 

 

120

КР120

120

У3

 

 

 

 

 

70ХЛ

КР70

95

У1ХЛ

П1ХЛ

М24´l.46

М 24.4

 

Ниже минус

80ХЛ

КР80

100

 

П2ХЛ

ГОСТ

ГОСТ

24.02

40 °С до минус

100ХЛ

КР100

110

У2ХЛ

П1ХЛ

7798-70

5915-70

ГОСТ

65 °С

120ХЛ

КР120

120

У3ХЛ

 

 

 

11371-78

 

Примечание. Длину болта l следует принимать:

(80 + б) мм - для крепления рельсов типов КР70, КР80, КР100;

(85 + б) мм      »          »                »       типа КР120;

где 80 и 85 - сумма толщин планок с учетом возможного наклонного положения прижимной планки, шайбы, гаек и выступающей части болта; б - толщина верхнего пояса подкрановой балки, мм, при этом следует учитывать размеры длин, указанные в стандартах на болты.

Таблица 2

Размеры в мм

Обозначение планки

b

b1

S

Масса, кг

У1; У1ХЛ

 

 

8

0,9

У2; У2ХЛ

85

65

10

1,1

У3; У3ХЛ

 

 

12

1,4

Пример условного обозначения упорной планки У1 для расчетной температуры минус 40 °С и выше:

Планка У1 ГОСТ 24741-81

То же, для расчетной температуры ниже минус 40 до минус 65 °С:

Планка У1ХЛ ГОСТ 24741-81

1.4. Конструкция и размеры прижимных планок должны соответствовать указанным на черт. 3 и в табл. 3.

* Размеры для справок.

Черт. 3

Таблица 3

Размеры в мм

Обозначение планки

b

b1

b2

Масса, кг

П1; П1ХЛ

125

55

70

2,4

П2; П2ХЛ

115

50

65

2,2

Пример условного обозначения прижимной планки П1 исполнения 1 для расчетной температуры минус 40 °С и выше:

Планка П1 ГОСТ 24741-81

То же, исполнения 2 для расчетной температуры ниже минус 40 до минус 65 °С:

Планка П1ХЛ - 2 ГОСТ 24741-81

Пример условного обозначения узла для крепления марки 70 с прижимной планкой исполнения 1 для расчетной температуры минус 40 °С и выше:

Крепление 70 ГОСТ 24741-81

То же, исполнения 2 для расчетной температуры ниже минус 40 до минус 65 °С:

Крепление 70ХЛ - 2 ГОСТ 24741-81

2. Технические требования

2.1. Упорные и прижимные планки должны изготовляться в соответствии с требованиями настоящего стандарта и СНиП III-18-75 по рабочим чертежам КМД, утвержденным в установленном порядке.

2.2. Материал прижимных и упорных планок - сталь по ГОСТ 380-71 следующих марок:

ВСт3кп2 - для расчетной температуры минус 40 °С и выше;

ВСт3Гпс5 или ВСт3сп5 - для расчетной температуры ниже минус 40 до минус 65 °С включ.

Разрешается применять стали по ГОСТ 23570-79 следующих марок:

18кп вместо ВСт3кп2;

18Гпс или 18сп вместо ВСт3Гпс5 и Вст3сп5.

2.3. Болты, предназначенные для эксплуатации при расчетной температуре минус 40 °С и выше, должны быть испытаны на разрыв по ГОСТ 1759-70, при расчетной температуре ниже минус 40 до минус 65 °С - дополнительно испытаны на разрыв на косой шайбе и ударную вязкость по ГОСТ 1759-70.

2.4. Предельные отклонения линейных размеров от номинальных, а также шероховатость поверхностей планок должны соответствовать указанным на черт. 2 и 3.

2.5. Предельные отклонения диаметров отверстий прижимных планок от номинальных - по ГОСТ 25347-82.

3. Комплектность

3.1. Детали узлов крепления крановых рельсов должны поставляться предприятием-изготовителем комплектно.

В состав комплекта должны входить:

детали в соответствии с табл. 4;

техническая документация в соответствии с требованиями ГОСТ 23118-78.

Таблица 4

Марка узла крепления

Упорная планка

Прижимная планка

Болт

Гайка

Шайба

Обозначение

Число

Обозначение

Число

Число

70

У1

 

П1

 

 

 

 

80

 

 

П2

 

 

 

 

100

У2

 

П1

 

 

 

 

120

У3

 

 

 

 

 

 

70ХЛ

У1ХЛ

1

П1ХЛ

1

2

4

2

80ХЛ

 

 

П2ХЛ

 

 

 

 

100ХЛ

У2ХЛ

 

П1ХЛ

 

 

 

 

120ХЛ

У3ХЛ

 

 

 

 

 

 

Примечание. Допускается по согласованию между предприятием-изготовителем и потребителем поставлять упорные и прижимные планки отдельно от болтов, гаек и шайб.

4. Правила приемки

4.1. Упорные и прижимные планки должны быть приняты техническим контролем предприятия-изготовителя.

4.2. Приемку планок производят партиями.

В состав партии должны входить планки одинакового обозначения, изготовленные по одной технологии. Размер партии планок устанавливается по соглашению между потребителем и предприятием-изготовителем и не должен превышать 1000 шт.

4.3. Для выборочной проверки линейных размеров и шероховатости поверхностей планок от каждой партии отбирают 5 % планок, но не менее 5 шт. Если при проверке отобранных планок окажется хотя бы одно изделие, не удовлетворяющее требованиям настоящего стандарта по одному из показателей, проводят повторную проверку по этому показателю удвоенного количества образцов, отобранных от той же партии. В случае неудовлетворительных результатов повторной проверки партия планок приемке не подлежит.

4.4. Потребитель имеет право производить контроль качества планок, соблюдая при этом правила приемки и применяя методы контроля, установленные настоящим стандартом.

5. Методы контроля

5.1. Контроль линейных размеров планок следует проводить металлической измерительной линейкой по ГОСТ 427-75 и штангенциркулем по ГОСТ 166-80.

5.2. Шероховатость поверхностей планок должна проверяться методом сравнения их с образцами шероховатости по ГОСТ 9378-75.

6. Упаковка, маркировка, транспортирование и хранение

6.1. Упорные и прижимные планки должны быть упакованы раздельно в деревянные ящики по ГОСТ 2991-76 или в тару, изготовленную предприятием-изготовителем по документации, утвержденной в установленном порядке.

6.2. Правила маркировки тары с планками должны соответствовать установленным ГОСТ 14192-77. Маркировка должна содержать следующие маркировочные знаки:

наименование или товарный знак предприятия-изготовителя;

условное обозначение марки узла крепления;

условное обозначение планки (без обозначения номера стандарта);

номер партии;

количество деталей;

штамп ОТК;

масса брутто.

6.3. Транспортирование планок допускается любым видом транспорта при условии защиты их от загрязнения и механического повреждения.

6.4. При хранении тара с планками должна быть защищена от загрязнения и попадания атмосферных осадков.

7. Указания по монтажу

7.1. Монтаж деталей узла крепления крановых рельсов следует производить в соответствии с монтажными схемами подкрановых путей, утвержденными в установленном порядке, и требованиями СНиП III-18-75.

7.2. Монтажная сварка планок должна производиться после рихтовки рельсов. Толщина сварного шва - 6 мм.

7.3. Тип электродов должен соответствовать указанному в табл. 5.

Таблица 5

Расчетная температура, °С

Тип электрода по ГОСТ 9467-75

Минус 40 и выше

Э42

Ниже минус 40 до минус 65

Э42А

7.4. Детали узлов крепления после окончания монтажных работ должны быть очищены, зашпатлеваны, огрунтованы и окрашены, при этом материал лакокрасочного покрытия должен соответствовать материалу покрытия подкрановых балок.

СОДЕРЖАНИЕ

 



© 2013 Ёшкин Кот :-)