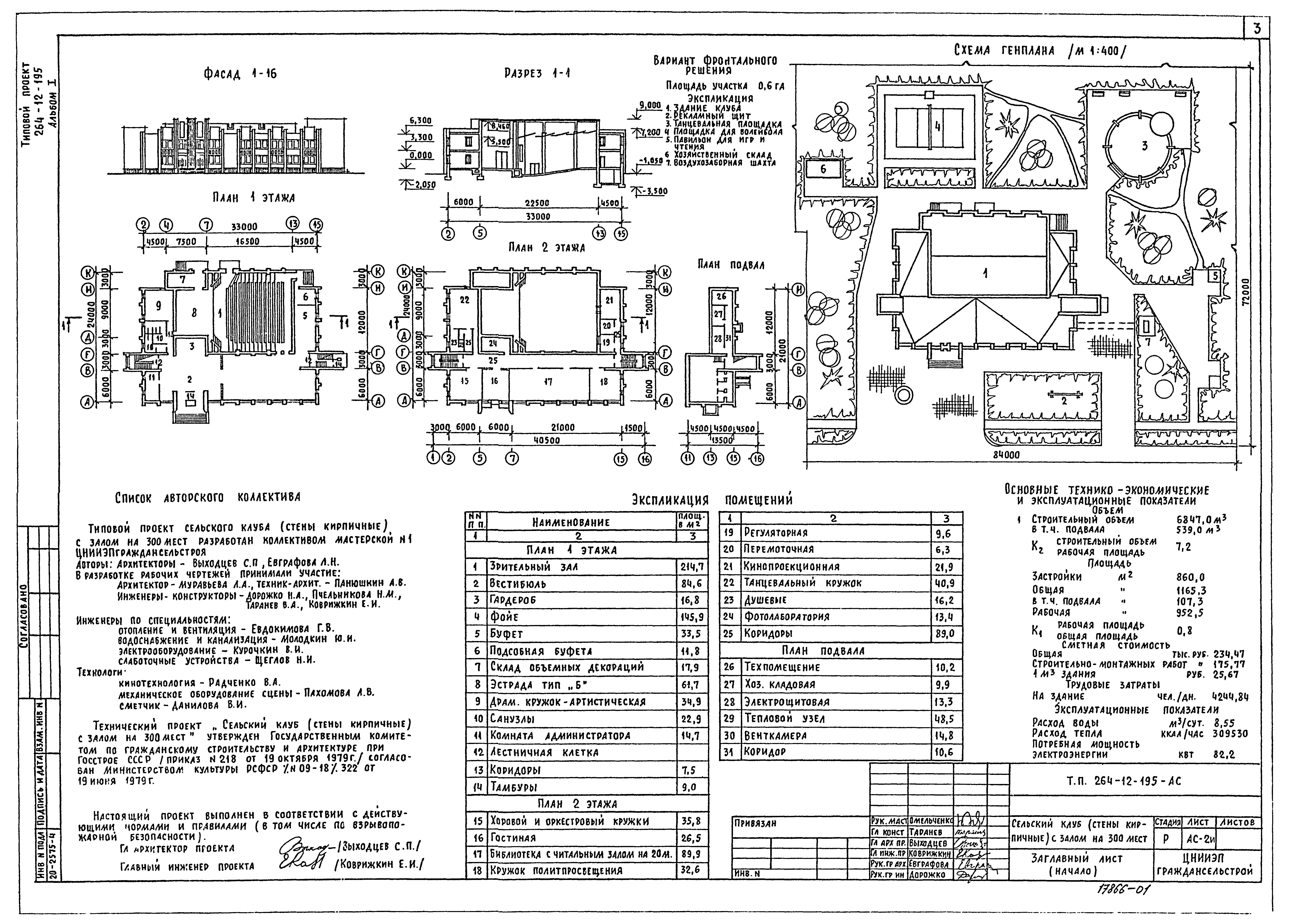
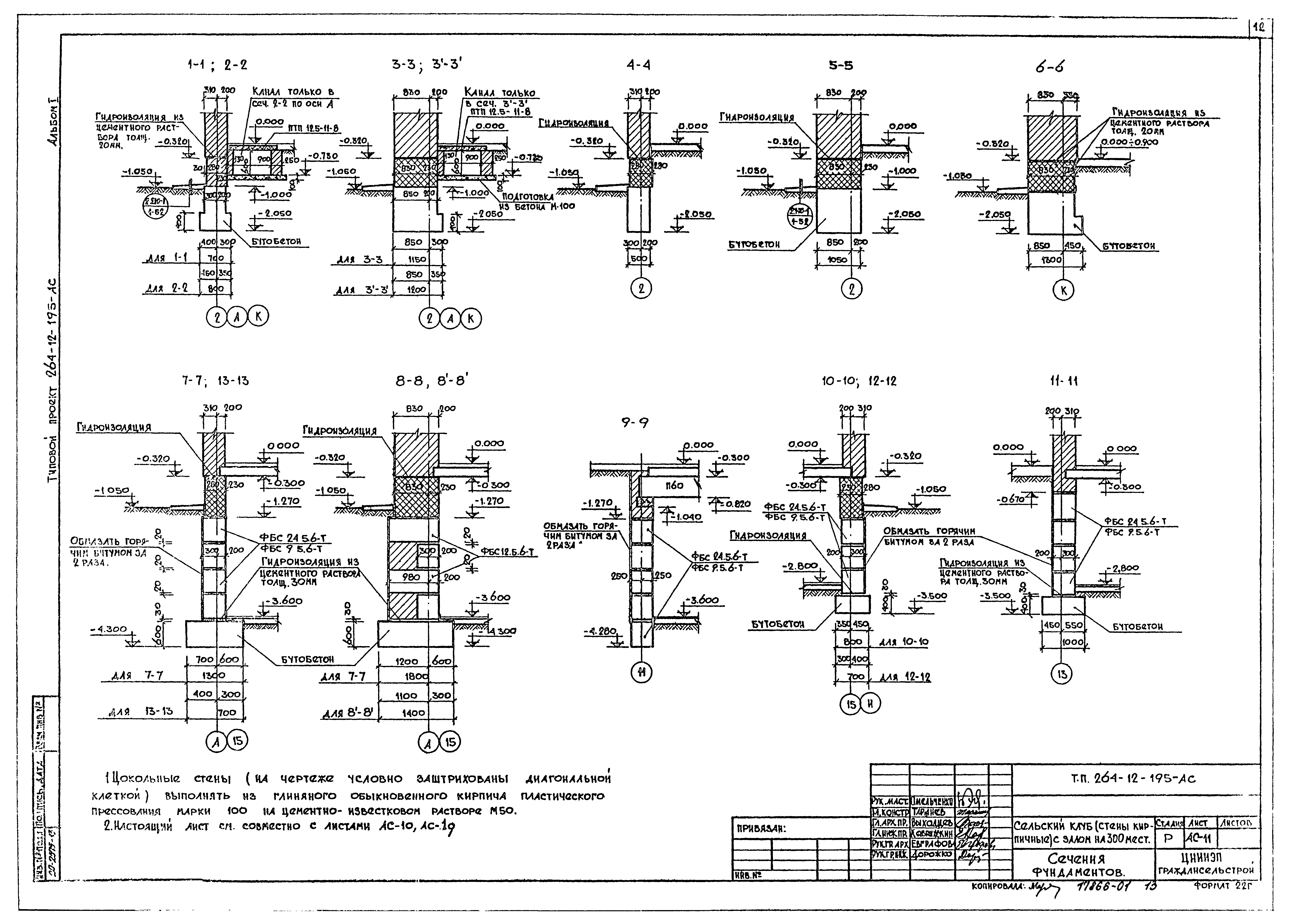
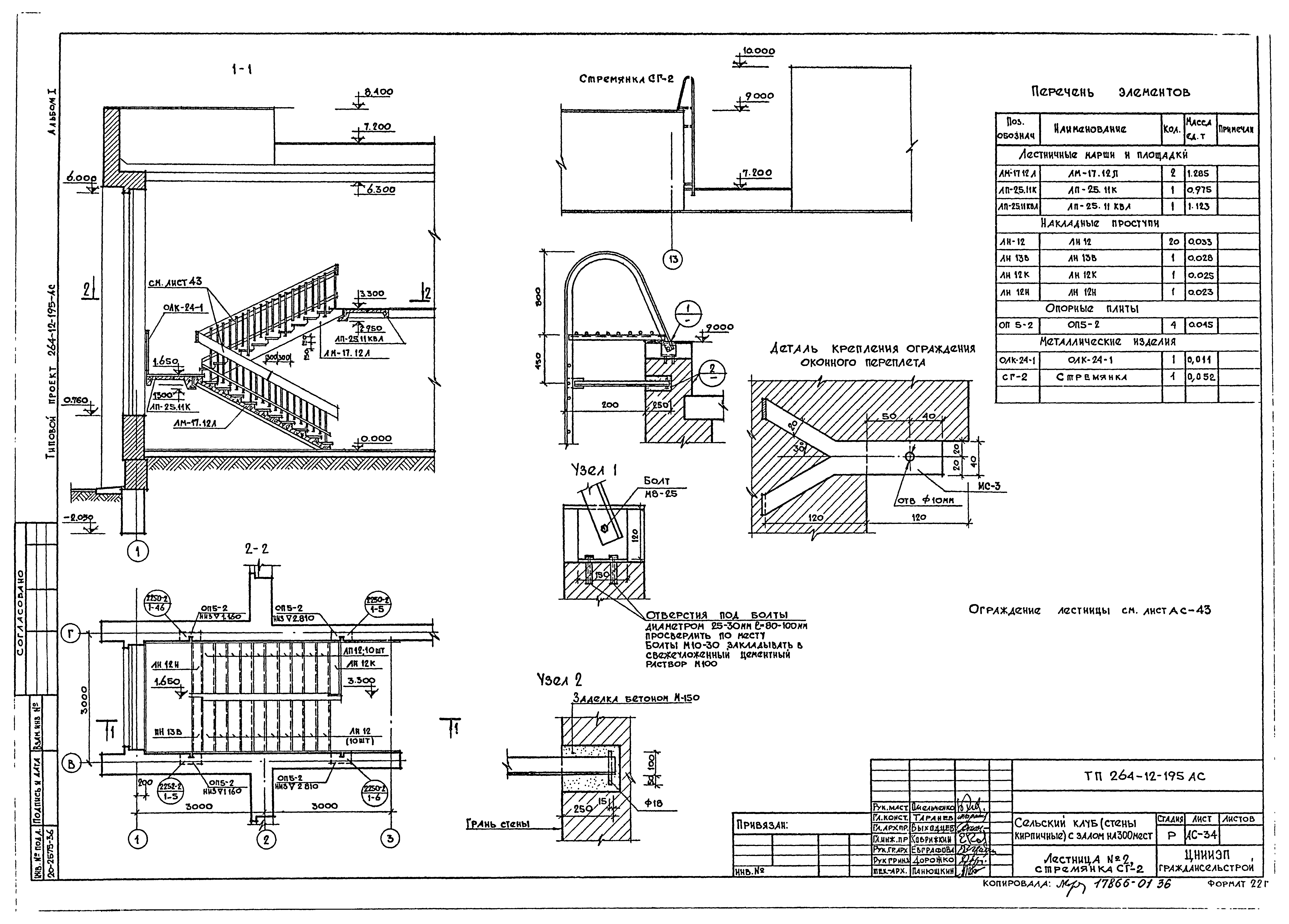
Скачать Типовой проект 264-12-195 Альбом I. Архитектурно-строительные и технологические чертежиДата актуализации: 10.08.2017 Типовой проект 264-12-195
Альбом I. Архитектурно-строительные и технологические чертежиОбозначение: | Типовой проект 264-12-195 | Обозначение англ: | 264-12-195 | Статус: | действует | Название рус.: | Альбом I. Архитектурно-строительные и технологические чертежи | Дата добавления в базу: | 05.05.2017 | Дата актуализации: | 05.05.2017 | Разработан: | ЦНИИЭП граждансельстрой
| Утверждён: | 19.10.1979 Госгражданстрой (Gosgrazhdanstroy 218)
| Издан: | ЦИТП Госстроя СССР (CITP, Gosstroy (USSR) 1987 г. )
| Расположен в: |
|
                                                        
|