Информационная система
«Ёшкин Кот»

Скачать базу одним архивом
Скачать обновления
История создания базы
Карта сайта

Скачать ГОСТ Р 57390-2017 Имплантаты для хирургии. Стандартные методы испытания для конструкций спинальных имплантатов в модели вертеброэктомии

Дата актуализации: 10.08.2017

ГОСТ Р 57390-2017

Имплантаты для хирургии. Стандартные методы испытания для конструкций спинальных имплантатов в модели вертеброэктомии

Обозначение: ГОСТ Р 57390-2017
Обозначение англ: GOST R 57390-2017
Статус:принят
Название рус.:Имплантаты для хирургии. Стандартные методы испытания для конструкций спинальных имплантатов в модели вертеброэктомии
Название англ.:Implants for surgery. Specification standard test methods for spinal implant constructs in a vertebrectomy model
Дата добавления в базу:05.05.2017
Дата актуализации:05.05.2017
Дата введения:22.02.2017
Дата окончания срока действия:01.01.2018
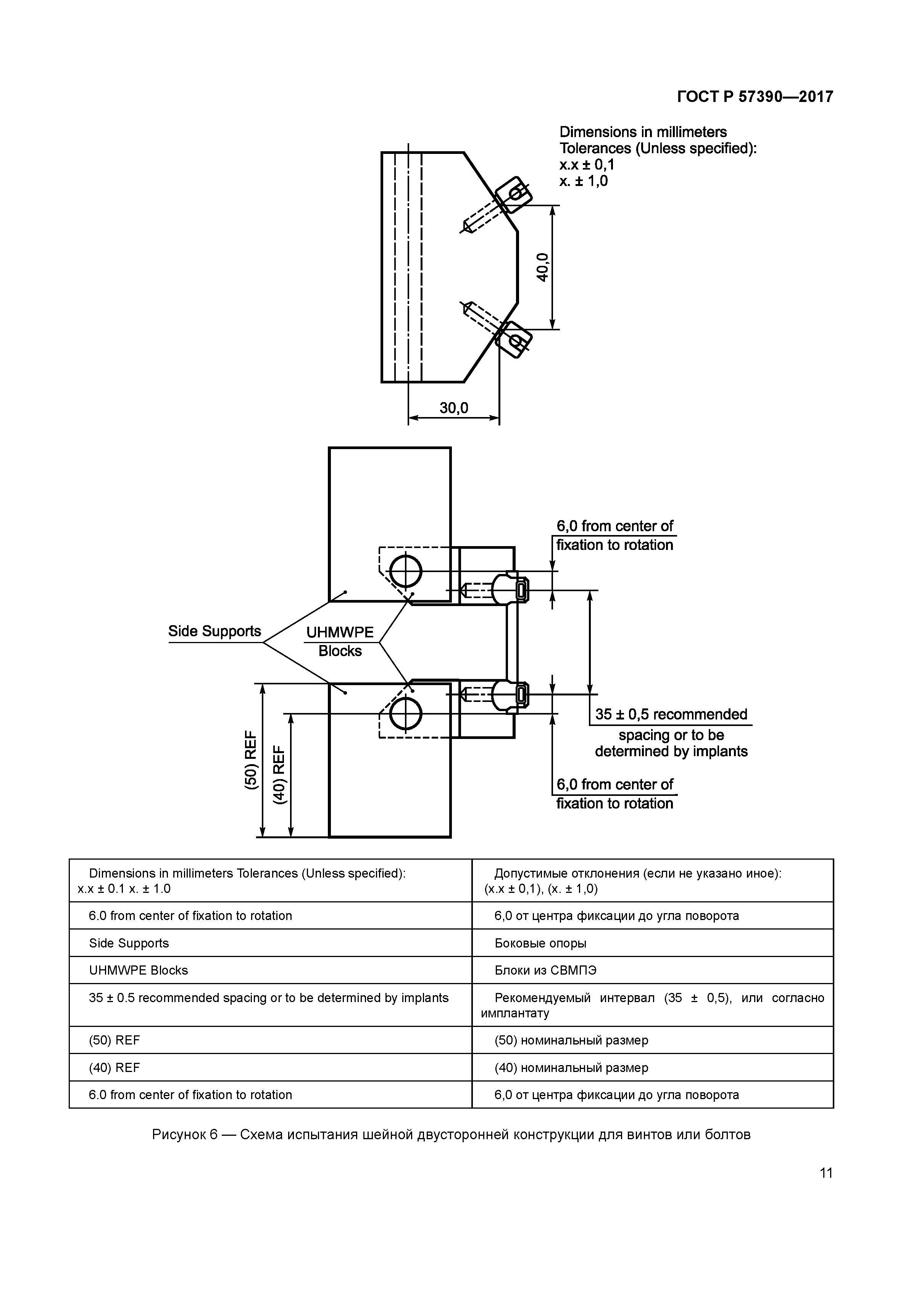
Область применения:Стандарт устанавливает материалы и методы статических и усталостных испытаний спинальных узлов имплантатов в модели вертеброэктомии.
Оглавление:1 Область применения
2 Нормативные ссылки
3 Термины и определения
4 Обзор методов испытаний
5 Значение и применение
6 Устройство
7 Отбор образцов
8 Процедура
9 Отчет
10 Точность и погрешность
11 Ключевые слова
Приложение Х1 (справочное) Обоснование
Приложение Х2 (справочное) Альтернативные методы испытаний
Приложение ДА (справочное) Сведения о соответствии ссылочных международных стандартов национальным стандартам
Библиография
Разработан: ООО ЦИТОпроект
Утверждён:22.02.2017 Федеральное агентство по техническому регулированию и метрологии (57-ст)
Издан: Стандартинформ (2017 г. )
Расположен в:Техническая документация Электроэнергия ЗДРАВООХРАНЕНИЕ Медицинское оборудование Имплантаты для хирургии, протезирования и ортоптики Экология ЗДРАВООХРАНЕНИЕ Медицинское оборудование Имплантаты для хирургии, протезирования и ортоптики
ГОСТ Р 57390-2017ГОСТ Р 57390-2017ГОСТ Р 57390-2017ГОСТ Р 57390-2017ГОСТ Р 57390-2017ГОСТ Р 57390-2017ГОСТ Р 57390-2017ГОСТ Р 57390-2017ГОСТ Р 57390-2017ГОСТ Р 57390-2017ГОСТ Р 57390-2017ГОСТ Р 57390-2017ГОСТ Р 57390-2017ГОСТ Р 57390-2017ГОСТ Р 57390-2017ГОСТ Р 57390-2017ГОСТ Р 57390-2017ГОСТ Р 57390-2017ГОСТ Р 57390-2017ГОСТ Р 57390-2017ГОСТ Р 57390-2017ГОСТ Р 57390-2017ГОСТ Р 57390-2017ГОСТ Р 57390-2017ГОСТ Р 57390-2017ГОСТ Р 57390-2017ГОСТ Р 57390-2017ГОСТ Р 57390-2017ГОСТ Р 57390-2017ГОСТ Р 57390-2017ГОСТ Р 57390-2017ГОСТ Р 57390-2017ГОСТ Р 57390-2017ГОСТ Р 57390-2017ГОСТ Р 57390-2017ГОСТ Р 57390-2017ГОСТ Р 57390-2017ГОСТ Р 57390-2017ГОСТ Р 57390-2017

© 2013 Ёшкин Кот :-) Карта сайта