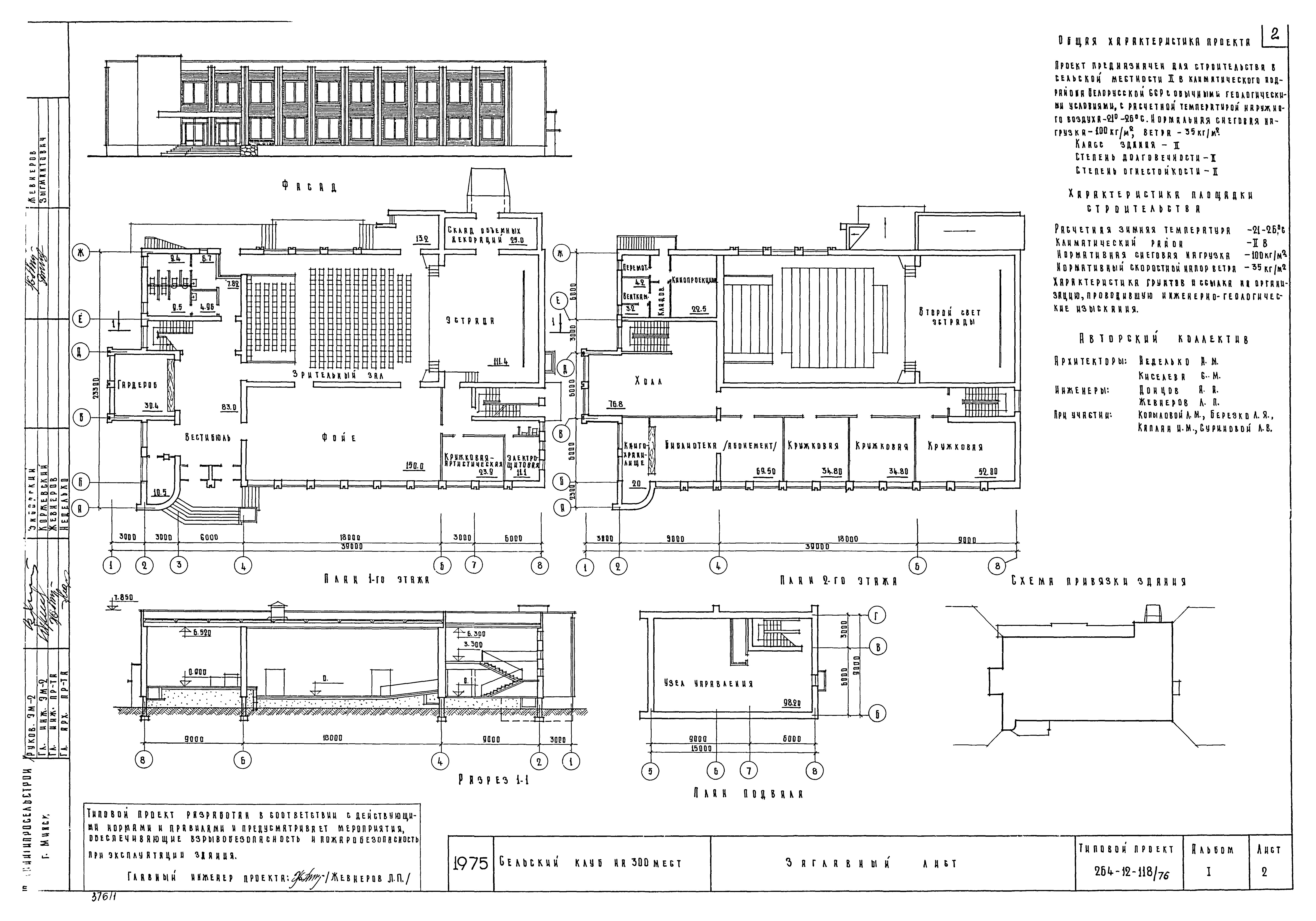
Скачать Типовой проект 264-12-118/76 Альбом I. Архитектурно-строительная, санитарно-техническая и электротехническая части. КинотехнологияДата актуализации: 10.08.2017 Типовой проект 264-12-118/76
Альбом I. Архитектурно-строительная, санитарно-техническая и электротехническая части. КинотехнологияОбозначение: | Типовой проект 264-12-118/76 | Обозначение англ: | 264-12-118/76 | Статус: | действует | Название рус.: | Альбом I. Архитектурно-строительная, санитарно-техническая и электротехническая части. Кинотехнология | Дата добавления в базу: | 05.05.2017 | Дата актуализации: | 05.05.2017 | Разработан: | БелНИИгипросельстрой
| Утверждён: | 23.03.1976 Госстрой БССР (BSSR Gosstroy 29)
| Издан: | ЦИТП Госстроя СССР (CITP, Gosstroy (USSR) 1981 г. )
| Расположен в: |
|
                                                                                                                           
|