Информационная система
«Ёшкин Кот»

Скачать базу одним архивом
Скачать обновления
История создания базы
Карта сайта

Скачать ГОСТ Р МЭК 60268-11-2016 Оборудование звуковых систем. Часть 11. Применение соединителей для соединения элементов звуковых систем

Дата актуализации: 10.08.2017

ГОСТ Р МЭК 60268-11-2016

Оборудование звуковых систем. Часть 11. Применение соединителей для соединения элементов звуковых систем

Обозначение: ГОСТ Р МЭК 60268-11-2016
Обозначение англ: GOST R IEC 60268-11-2016
Статус:принят
Название рус.:Оборудование звуковых систем. Часть 11. Применение соединителей для соединения элементов звуковых систем
Название англ.:Sound system equipment. Part 11. Application of connectors for the interconnection of sound system components
Дата добавления в базу:01.02.2017
Дата актуализации:05.05.2017
Дата введения:20.10.2016
Дата окончания срока действия:01.11.2017
Область применения:Стандарт распространяется на цилиндрические и концентрические соединители, используемые для соединения компонентов звуковых систем и устанавливает их область применения, а также схемы расположения и обозначение контактов.
Оглавление:1 Область применения
2 Назначение
3 Общие положения
4 Применение и обозначение контактов
5 Типы цилиндрических соединителей и их применение
6 Сопряжение цилиндрических соединителей
7 Данные о соединении цилиндрических соединителей
8 Типы концентрических соединителей и их применение
Приложение А (справочное) Пример многофункциональности одного гнездового соединителя на магнитофоне
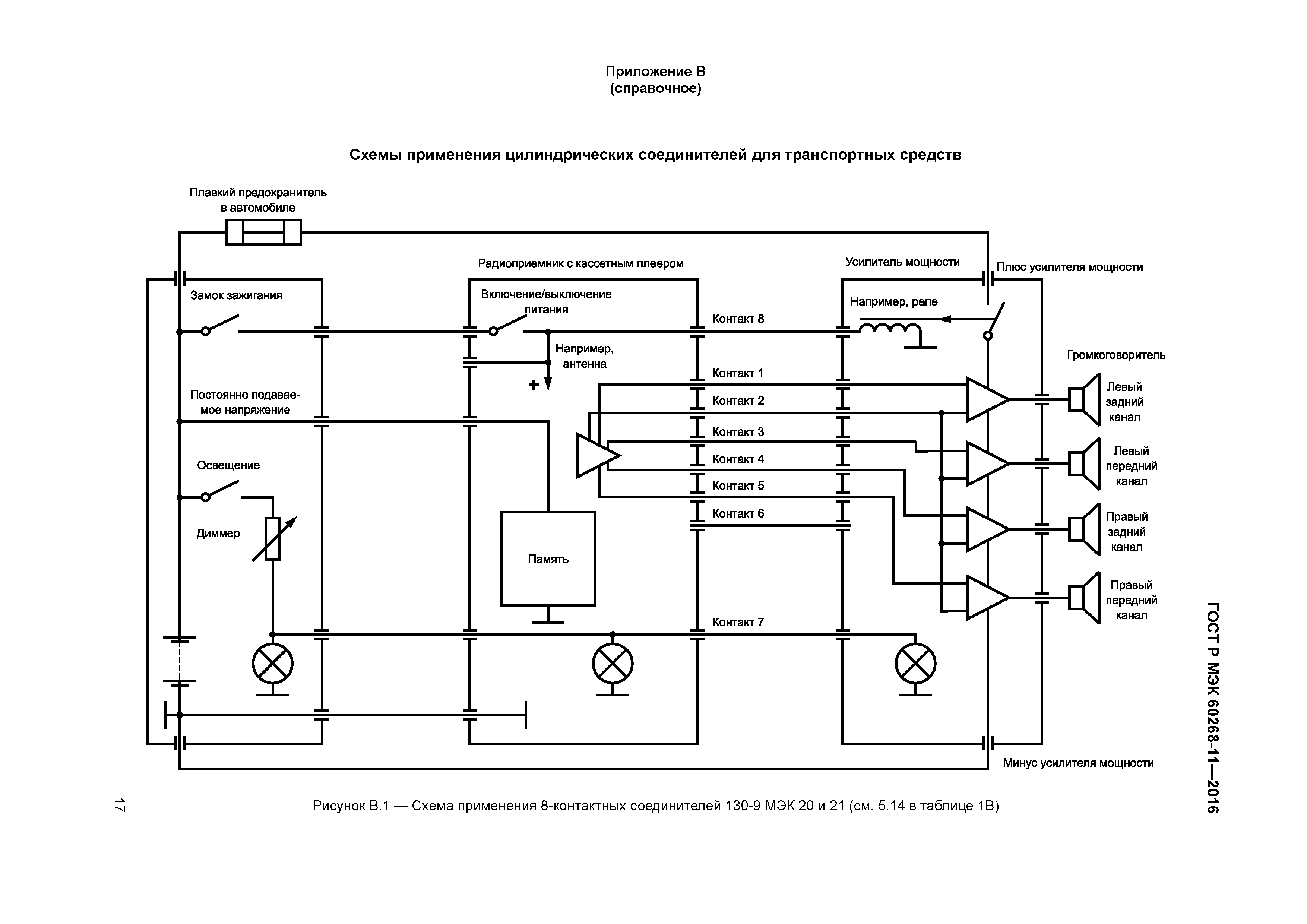
Приложение В (справочное) Схемы применения цилиндрических соединителей для транспортных средств
Приложение ДА (справочное) Сведения о соответствии ссылочных международных стандартов национальным стандартам Российской Федерации (и действующим в этом качестве межгосударственным стандартам)
Разработан: АНО НТЦ СЭ ИСЭП
Утверждён:20.10.2016 Федеральное агентство по техническому регулированию и метрологии (1453-ст)
Издан: Стандартинформ (2016 г. )
Расположен в:Техническая документация Электроэнергия ЭЛЕКТРОНИКА Электромеханические компоненты электронного оборудования и телекоммуникационного оборудования Штепсельные разъемы. Соединители Экология ЭЛЕКТРОНИКА Электромеханические компоненты электронного оборудования и телекоммуникационного оборудования Штепсельные разъемы. Соединители
Нормативные ссылки:
ГОСТ Р МЭК 60268-11-2016ГОСТ Р МЭК 60268-11-2016ГОСТ Р МЭК 60268-11-2016ГОСТ Р МЭК 60268-11-2016ГОСТ Р МЭК 60268-11-2016ГОСТ Р МЭК 60268-11-2016ГОСТ Р МЭК 60268-11-2016ГОСТ Р МЭК 60268-11-2016ГОСТ Р МЭК 60268-11-2016ГОСТ Р МЭК 60268-11-2016ГОСТ Р МЭК 60268-11-2016ГОСТ Р МЭК 60268-11-2016ГОСТ Р МЭК 60268-11-2016ГОСТ Р МЭК 60268-11-2016ГОСТ Р МЭК 60268-11-2016ГОСТ Р МЭК 60268-11-2016ГОСТ Р МЭК 60268-11-2016ГОСТ Р МЭК 60268-11-2016ГОСТ Р МЭК 60268-11-2016ГОСТ Р МЭК 60268-11-2016ГОСТ Р МЭК 60268-11-2016ГОСТ Р МЭК 60268-11-2016ГОСТ Р МЭК 60268-11-2016ГОСТ Р МЭК 60268-11-2016

© 2013 Ёшкин Кот :-) Карта сайта