Скачать Прогрессивная технологическая схема очистных и подготовительных работ при комбинированной системе разработки камера - лава для шахт ленинградского месторождения горючих сланцевДата актуализации: 10.08.2017
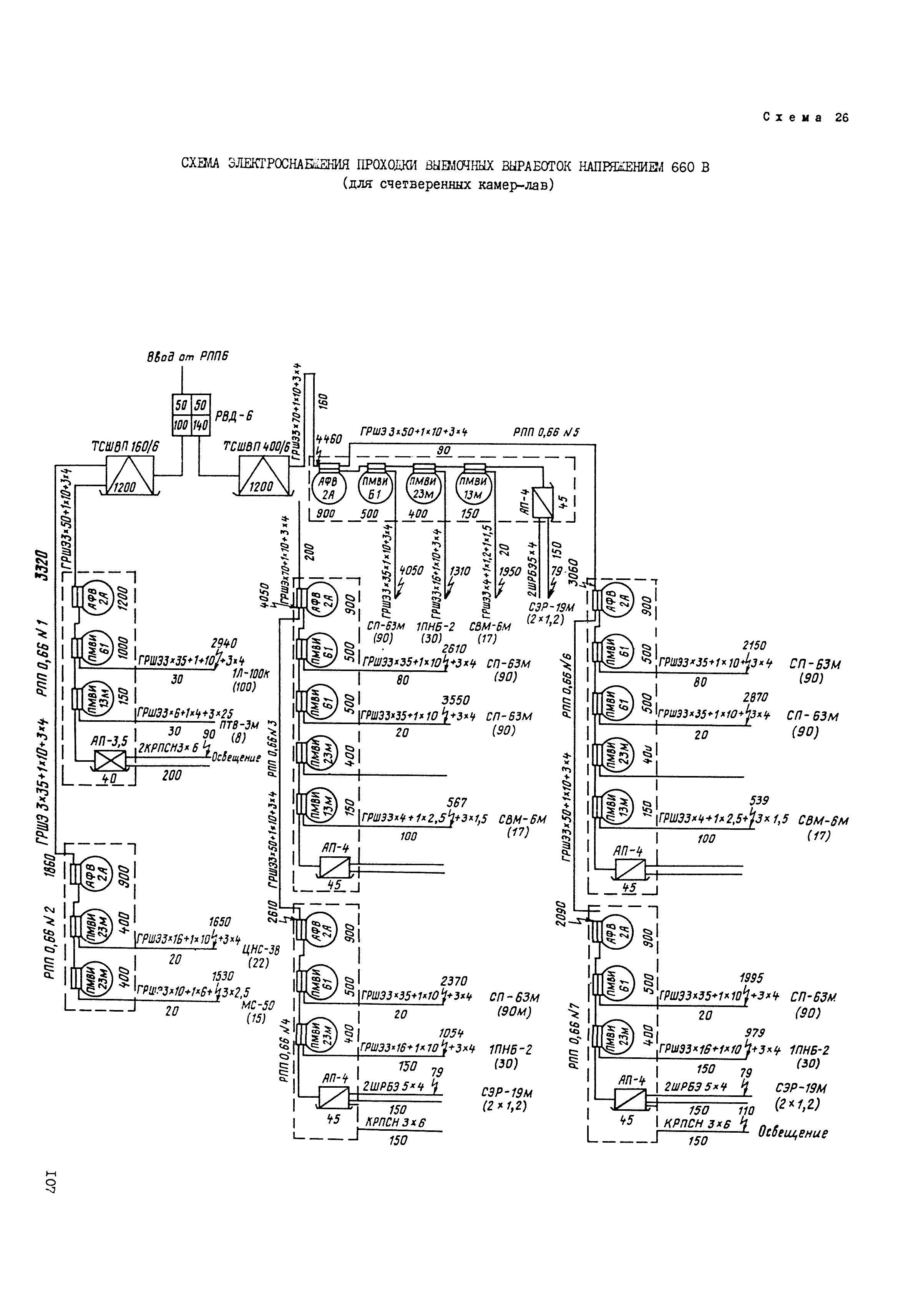
Прогрессивная технологическая схема очистных и подготовительных работ при комбинированной системе разработки "камера - лава" для шахт ленинградского месторождения горючих сланцевСтатус: | cправочные материалы, мп, тпр | Название рус.: | Прогрессивная технологическая схема очистных и подготовительных работ при комбинированной системе разработки "камера - лава" для шахт ленинградского месторождения горючих сланцев | Дата добавления в базу: | 01.02.2017 | Дата актуализации: | 05.05.2017 | Область применения: | Технологическая схема состоит из пояснительной записки и ряда отдельных схем. Пояснительная записка содержит основные принципы разработки схемы, выбор параметров управления кровлей и конструктивных элементов системы разработки, характеристику технологических процессов и средств механизации очистных и подготовительных работ, а также транспорта, вопросы вентиляции, борьбы с пылью, электроснабжения очистных и подготовительных работ, опыт работы передовых бригад на вахтах, вопросы организации работ, методики определения нагрузки на забой и определения экономической эффективности технологической схемы. В качестве отдельных схем приведены схемы подготовки и система разработки, схем очистного забоя и размещения оборудования, схемы подготовки выемочных участков и проведения выработок, размещения оборудования для пылеподавления, схемы вентиляционных соединений и электроснабжения | Оглавление: | 1 Введение 2 Современное состояние и пути совершенствования технологии подземной добычи сланцев на ленинградском месторождении 3 Основные принципы и исходные положения разработки технологической схемы 4 Выбор параметров управления кровлей и конструктивных элементов системы разработки 5 Технологические процессы очистных работ и средства механизации 6 Участковый транспорт 7 Горноподготовительные работы 8 Вопросы вентиляции и борьбы с пылью 9 Электроснабжение очистных и подготовительных работ 10 Производственно-технологическая связь и сигнализация 11 Производственная эстетика и культура труда на подземных участках сланцевых шахт 12 Опыт передовых бригад на очистных[ и подготовительных работах 13 Организация очистных работ 14 Расчет нагрузки на очистной забой 15 Экономическая эффективность технологической схемы 16 Методические указания по внедрению технологической схемы 17 Заключение Схемы очистных и подготовительных работ | Разработан: | ВНИМИ ПО Ленинградсланец Эстонский филиал ИГД им. А.А. Скочинского
| Утверждён: | 12.11.1980 ПО Ленинградсланец
| Расположен в: |
| Список изменений: | |
                                                                                                                  
Текстовое изменение дополнения
   
|