Информационная система
«Ёшкин Кот»

Скачать базу одним архивом
Скачать обновления
История создания базы
Карта сайта

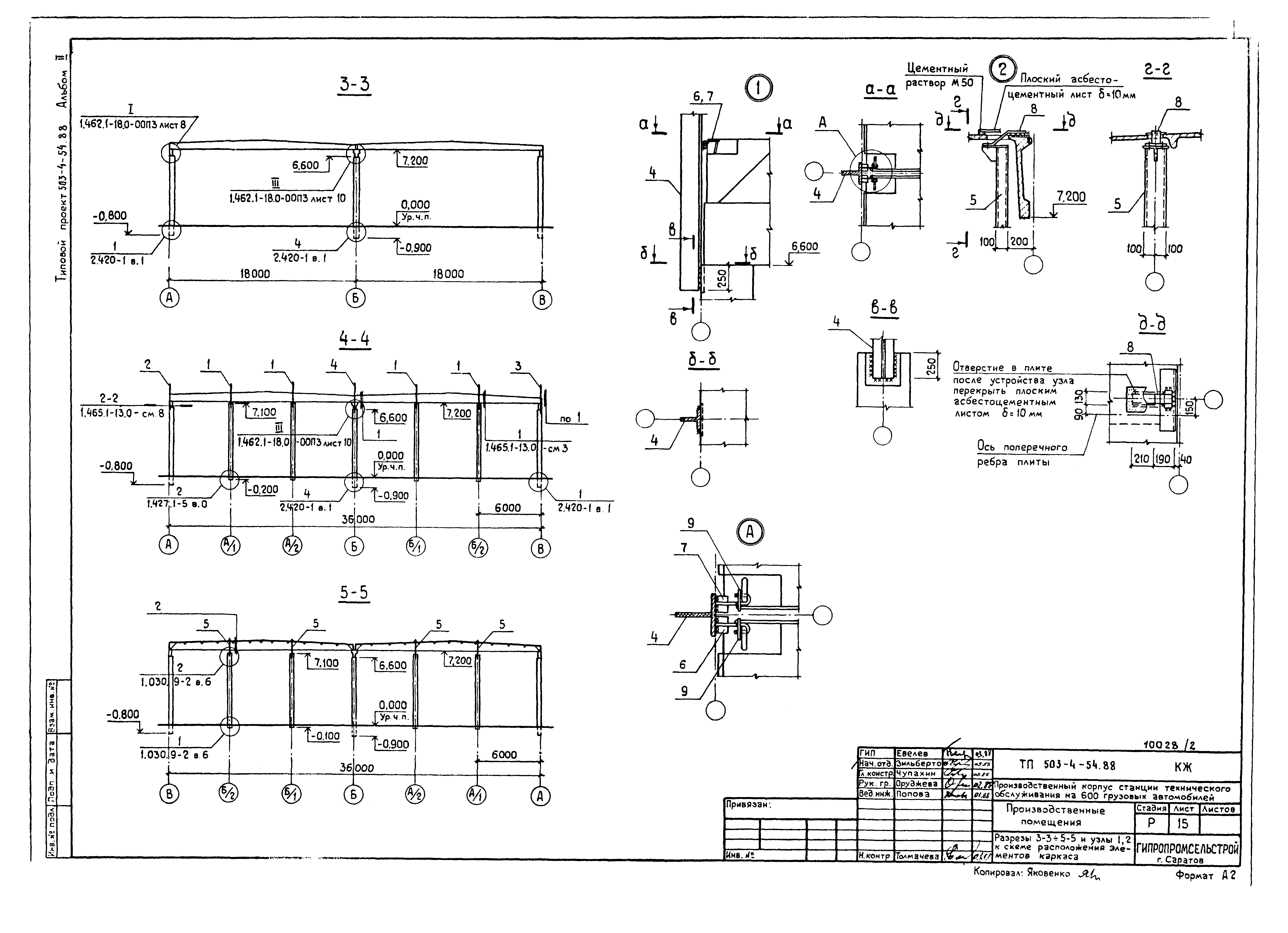
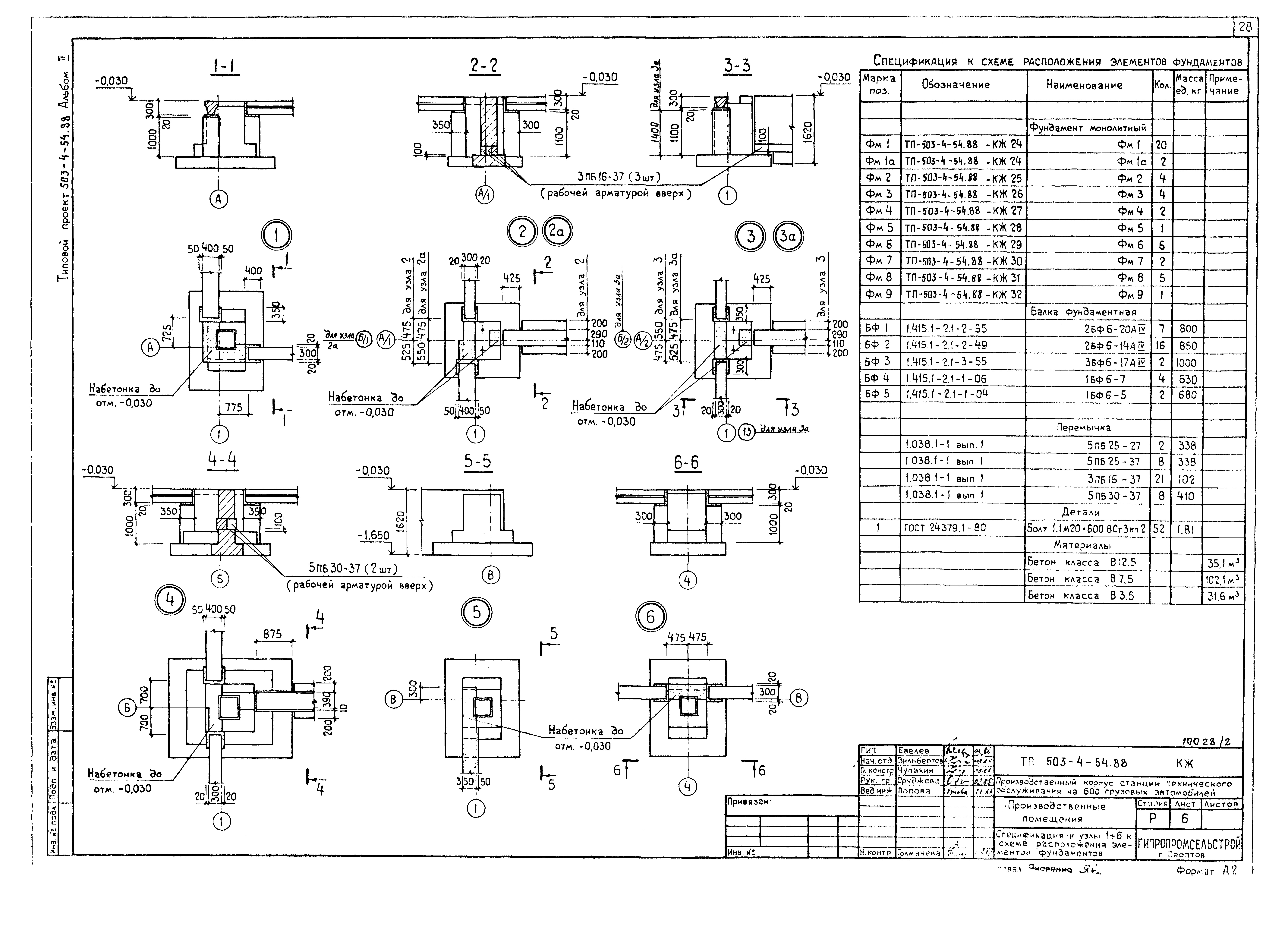
Скачать Типовой проект 503-4-54.88 Альбом II. Производственные помещения. Архитектурные решения. Конструкции железобетонные. Конструкции металлические

Дата актуализации: 10.08.2017

Типовой проект 503-4-54.88

Альбом II. Производственные помещения. Архитектурные решения. Конструкции железобетонные. Конструкции металлические

Обозначение: Типовой проект 503-4-54.88
Обозначение англ: 503-4-54.88
Статус:действует
Название рус.:Альбом II. Производственные помещения. Архитектурные решения. Конструкции железобетонные. Конструкции металлические
Дата добавления в базу:01.02.2017
Дата актуализации:05.05.2017
Разработан: Гипропромсельстрой
Утверждён:01.04.1988 Гипропромсельстрой (119)
Издан: ЦИТП Госстроя СССР (CITP, Gosstroy (USSR) 1989 г. )
Расположен в:Техническая документация Строительство Справочные документы Типовые строительные конструкции, изделия и узлы Общероссийский строительный каталог Промышленные предприятия, здания и сооружения Предприятия, здания и сооружения транспорта Транспорт автомобильный Корпуса производственные, станции технического обслуживания и ремонта грузовых и легковых автомобилей и автобусов
Заменяет собой:
  • Типовой проект 503-4-23
Нормативные ссылки:
Типовой проект 503-4-54.88Типовой проект 503-4-54.88Типовой проект 503-4-54.88Типовой проект 503-4-54.88Типовой проект 503-4-54.88Типовой проект 503-4-54.88Типовой проект 503-4-54.88Типовой проект 503-4-54.88Типовой проект 503-4-54.88Типовой проект 503-4-54.88Типовой проект 503-4-54.88Типовой проект 503-4-54.88Типовой проект 503-4-54.88Типовой проект 503-4-54.88Типовой проект 503-4-54.88Типовой проект 503-4-54.88Типовой проект 503-4-54.88Типовой проект 503-4-54.88Типовой проект 503-4-54.88Типовой проект 503-4-54.88Типовой проект 503-4-54.88Типовой проект 503-4-54.88Типовой проект 503-4-54.88Типовой проект 503-4-54.88Типовой проект 503-4-54.88Типовой проект 503-4-54.88Типовой проект 503-4-54.88Типовой проект 503-4-54.88Типовой проект 503-4-54.88Типовой проект 503-4-54.88Типовой проект 503-4-54.88Типовой проект 503-4-54.88Типовой проект 503-4-54.88Типовой проект 503-4-54.88Типовой проект 503-4-54.88Типовой проект 503-4-54.88Типовой проект 503-4-54.88Типовой проект 503-4-54.88Типовой проект 503-4-54.88Типовой проект 503-4-54.88Типовой проект 503-4-54.88Типовой проект 503-4-54.88Типовой проект 503-4-54.88Типовой проект 503-4-54.88Типовой проект 503-4-54.88Типовой проект 503-4-54.88Типовой проект 503-4-54.88Типовой проект 503-4-54.88Типовой проект 503-4-54.88Типовой проект 503-4-54.88Типовой проект 503-4-54.88Типовой проект 503-4-54.88Типовой проект 503-4-54.88Типовой проект 503-4-54.88Типовой проект 503-4-54.88Типовой проект 503-4-54.88Типовой проект 503-4-54.88Типовой проект 503-4-54.88Типовой проект 503-4-54.88Типовой проект 503-4-54.88Типовой проект 503-4-54.88Типовой проект 503-4-54.88Типовой проект 503-4-54.88Типовой проект 503-4-54.88Типовой проект 503-4-54.88Типовой проект 503-4-54.88Типовой проект 503-4-54.88Типовой проект 503-4-54.88Типовой проект 503-4-54.88

© 2013 Ёшкин Кот :-) Карта сайта