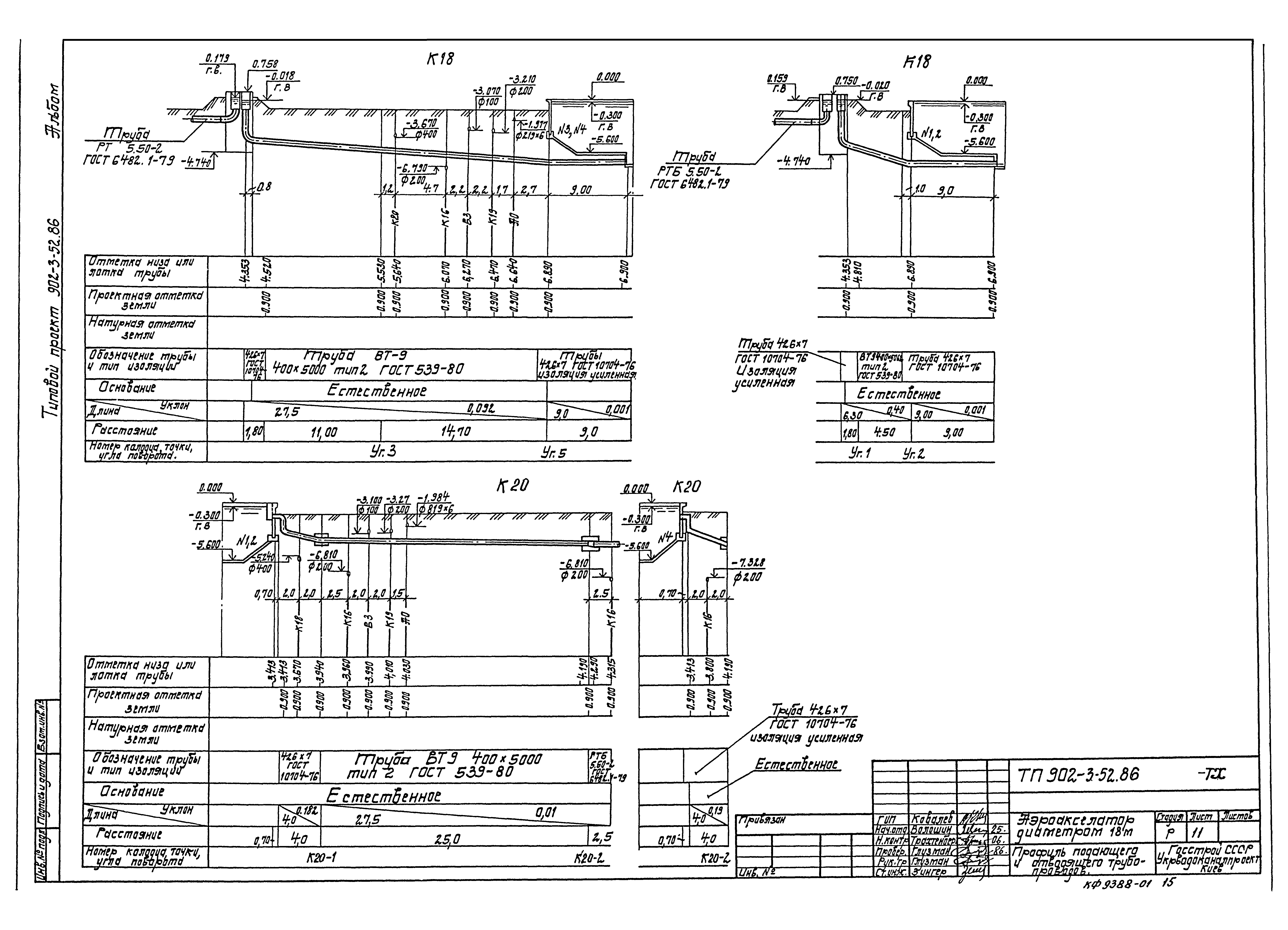
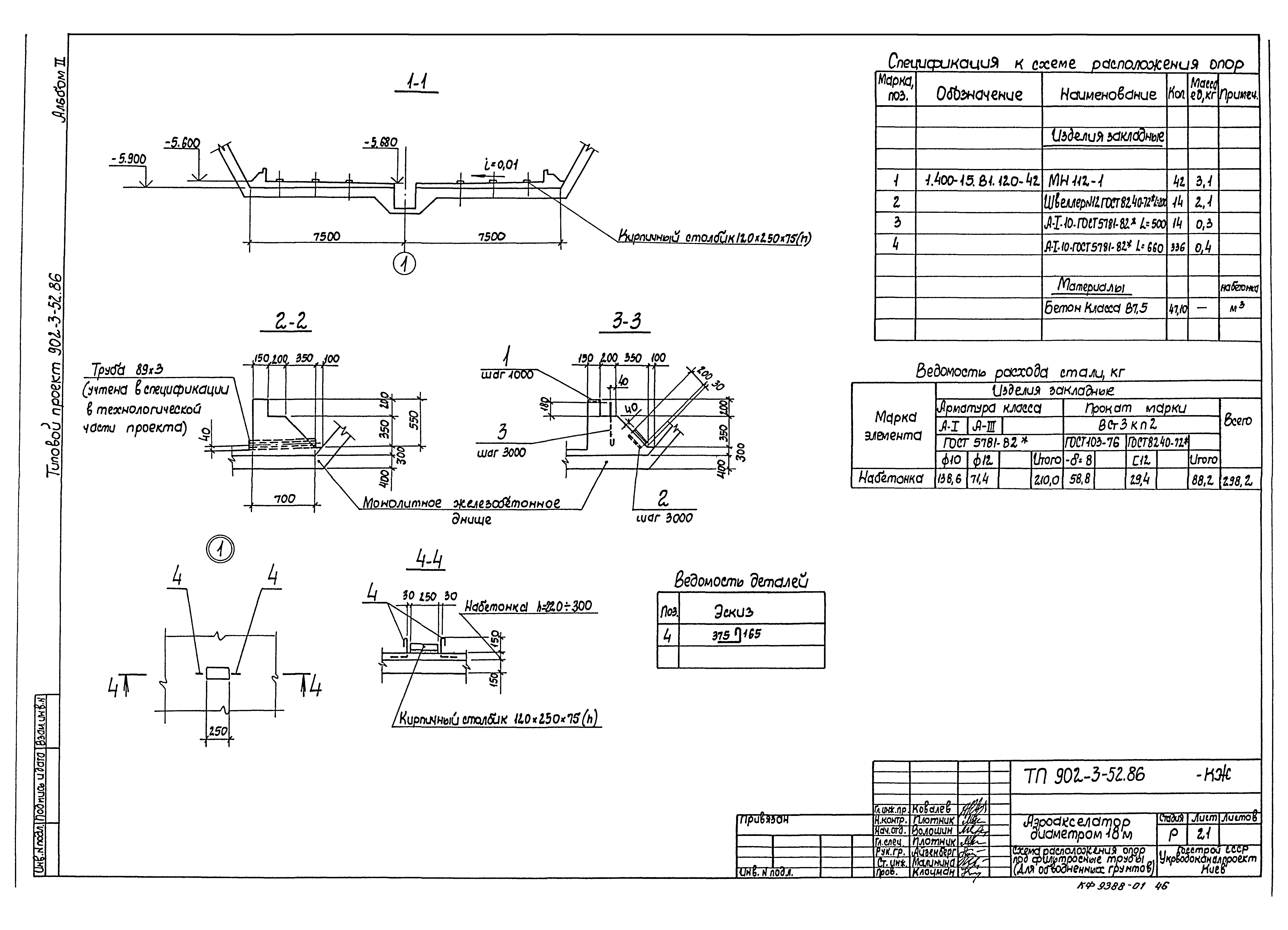
Скачать Типовой проект 902-3-52.86 Альбом II. Технологические, строительные решения. Электрооборудование. Автоматизация и технологический контрольДата актуализации: 10.08.2017 Типовой проект 902-3-52.86
Альбом II. Технологические, строительные решения. Электрооборудование. Автоматизация и технологический контрольОбозначение: | Типовой проект 902-3-52.86 | Обозначение англ: | 902-3-52.86 | Статус: | не определен законодательством | Название рус.: | Альбом II. Технологические, строительные решения. Электрооборудование. Автоматизация и технологический контроль | Дата добавления в базу: | 01.02.2017 | Дата актуализации: | 05.05.2017 | Дата введения: | 30.07.1986 | Разработан: | Укрводоканалпроект
| Утверждён: | 03.07.1986 Госстрой СССР (ИИ-19)
| Издан: | ЦИТП Госстроя СССР (CITP, Gosstroy (USSR) 1987 г. )
| Расположен в: |
|
                                                                                
|