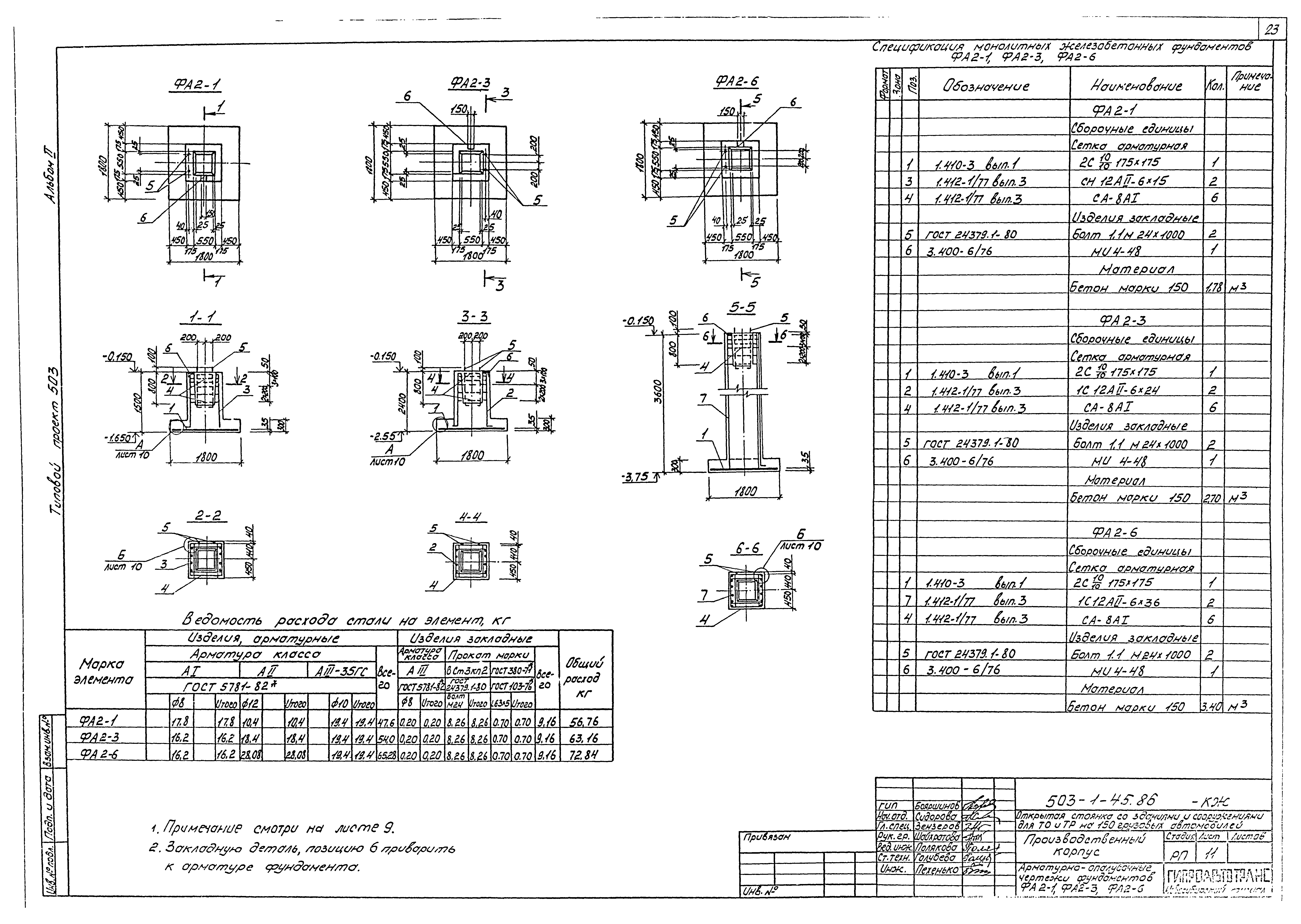
Скачать Типовой проект 503-1-45.86 Альбом II. Архитектурные решения, конструкции железобетонные, металлические отопление и вентиляция, внутренние водопровод и канализацияДата актуализации: 10.08.2017 Типовой проект 503-1-45.86
Альбом II. Архитектурные решения, конструкции железобетонные, металлические отопление и вентиляция, внутренние водопровод и канализацияОбозначение: | Типовой проект 503-1-45.86 | Обозначение англ: | 503-1-45.86 | Статус: | не определен законодательством | Название рус.: | Альбом II. Архитектурные решения, конструкции железобетонные, металлические отопление и вентиляция, внутренние водопровод и канализация | Дата добавления в базу: | 12.02.2016 | Дата актуализации: | 05.05.2017 | Дата введения: | 13.12.1985 | Разработан: | Новосибирский филиал Гипроавтотранса
| Утверждён: | 13.12.1985 Госкомсельхозтехника СССР (81-85)
| Издан: | ЦИТП Госстроя СССР (CITP, Gosstroy (USSR) 1987 г. )
| Расположен в: |
|
                                                                               
|