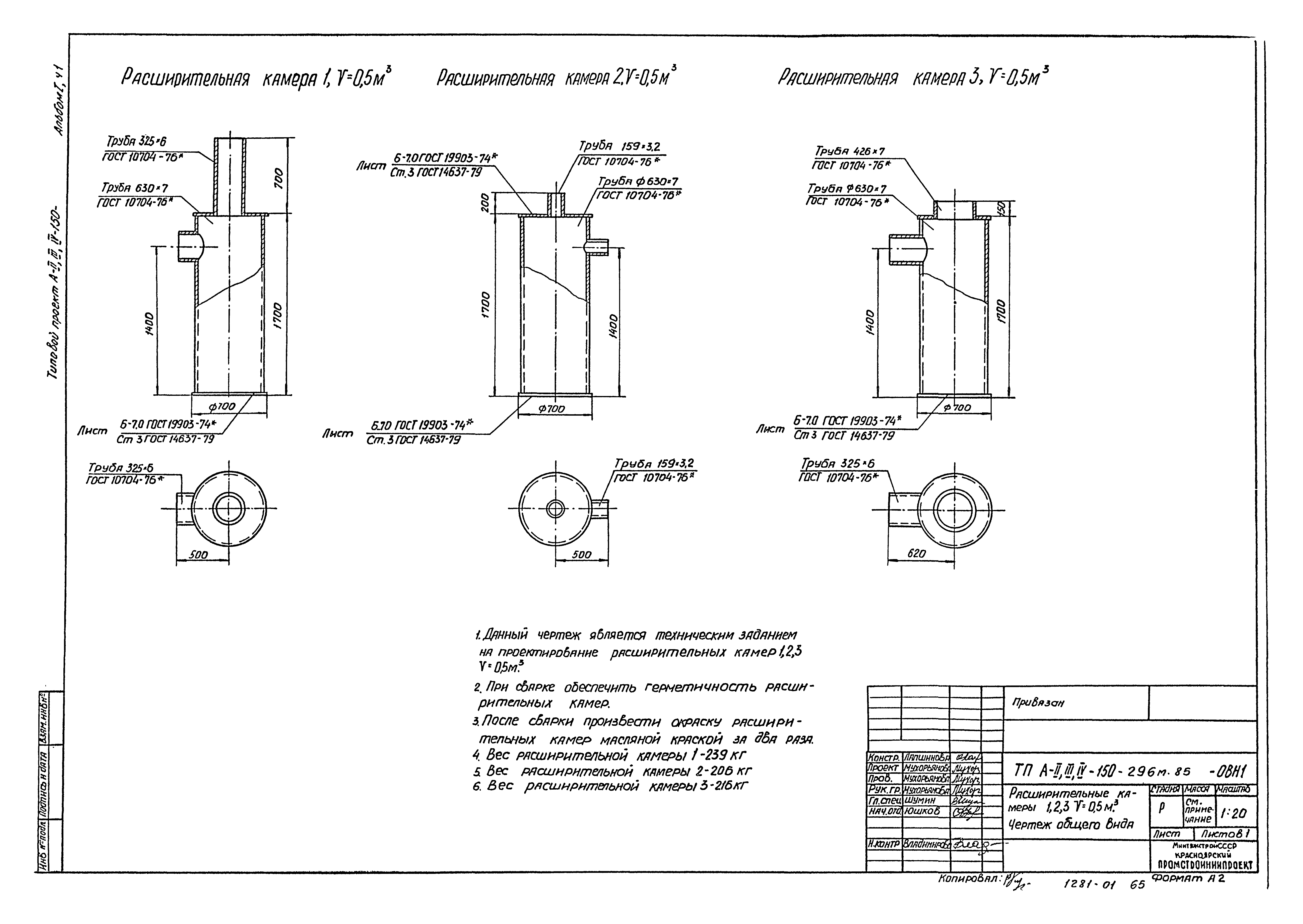
Скачать Типовой проект А-II,III,IV-150-296м.85 Альбом I. Часть 1. Общая пояснительная записка. Архитектурные решения. Конструкции железобетонные. Конструкции металлические. Внутренние водопровод и канализация. Отопление и вентиляция. Электротехническая частьДата актуализации: 10.08.2017 Типовой проект А-II,III,IV-150-296м.85
Альбом I. Часть 1. Общая пояснительная записка. Архитектурные решения. Конструкции железобетонные. Конструкции металлические. Внутренние водопровод и канализация. Отопление и вентиляция. Электротехническая частьОбозначение: | Типовой проект А-II,III,IV-150-296м.85 | Обозначение англ: | А-II,III,IV-150-296м.85 | Статус: | не определен законодательством | Название рус.: | Альбом I. Часть 1. Общая пояснительная записка. Архитектурные решения. Конструкции железобетонные. Конструкции металлические. Внутренние водопровод и канализация. Отопление и вентиляция. Электротехническая часть | Дата добавления в базу: | 12.02.2016 | Дата актуализации: | 05.05.2017 | Дата введения: | 11.04.1985 | Разработан: | Красноярский Промстройниипроект Госстроя СССР
| Утверждён: | 26.03.1985 Минтяжстрой СССР (USSR Mintyazhstroy 1 ДСП)
| Издан: | ЦИТП Госстроя СССР (CITP, Gosstroy (USSR) 1987 г. )
| Расположен в: |
|
                                                                          
|