Информационная система
«Ёшкин Кот»

Скачать базу одним архивом
Скачать обновления
История создания базы
Карта сайта

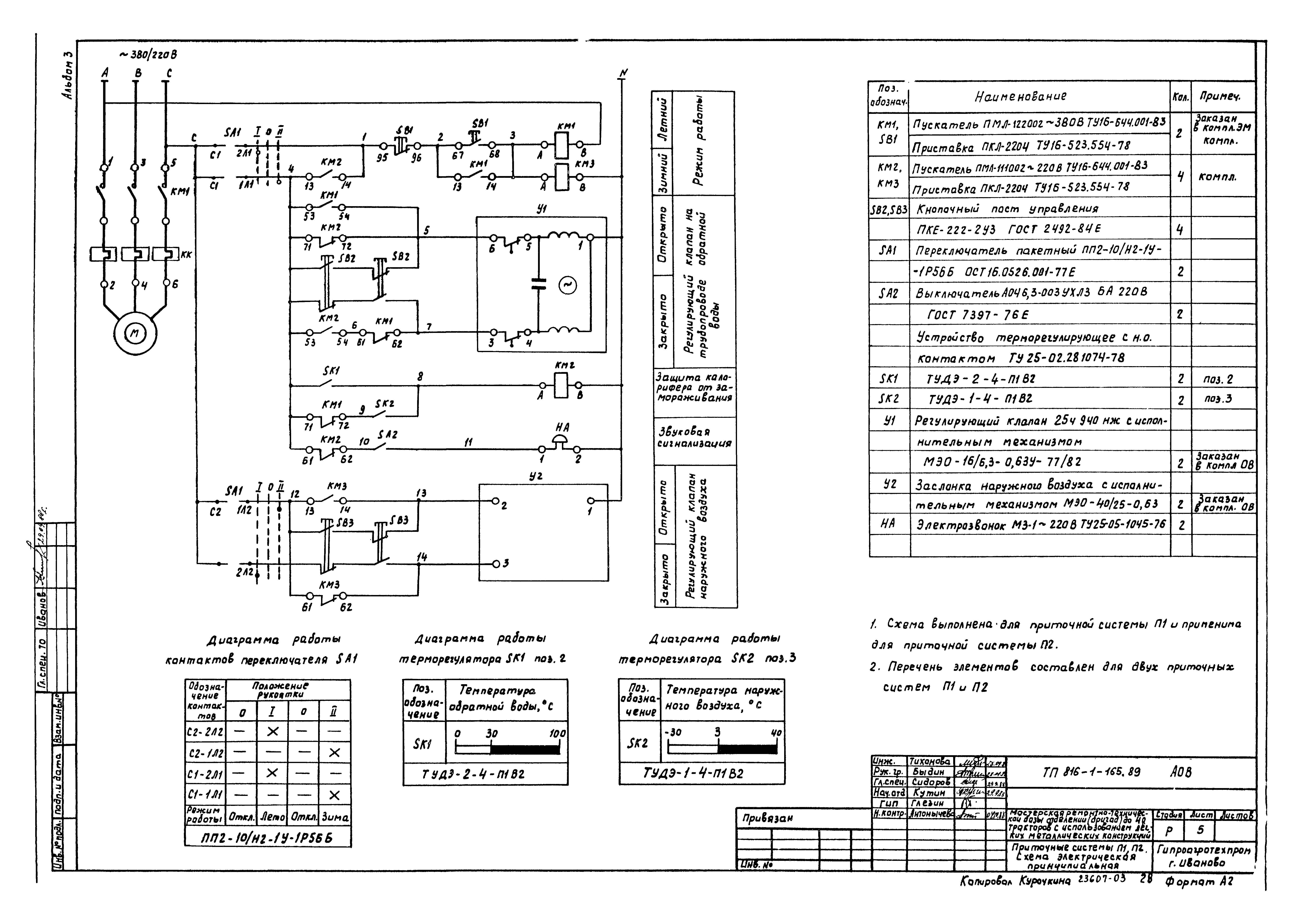
Скачать Типовой проект 816-1-165.89 Альбом 3. Внутренние водопровод и канализация. Отопление и вентиляция. Силовое электрооборудование. Автоматизация отопления и вентиляции. Связь и сигнализация

Дата актуализации: 10.08.2017

Типовой проект 816-1-165.89

Альбом 3. Внутренние водопровод и канализация. Отопление и вентиляция. Силовое электрооборудование. Автоматизация отопления и вентиляции. Связь и сигнализация

Обозначение: Типовой проект 816-1-165.89
Обозначение англ: 816-1-165.89
Статус:не определен законодательством
Название рус.:Альбом 3. Внутренние водопровод и канализация. Отопление и вентиляция. Силовое электрооборудование. Автоматизация отопления и вентиляции. Связь и сигнализация
Дата добавления в базу:12.02.2016
Дата актуализации:05.05.2017
Дата введения:12.01.1989
Разработан: Гипроагротехпром
Утверждён:12.01.1989 Гипроагротехпром (12)
Издан: ЦИТП Госстроя СССР (CITP, Gosstroy (USSR) 1989 г. )
Расположен в:Техническая документация Строительство Справочные документы Типовые строительные конструкции, изделия и узлы Общероссийский строительный каталог Сельскохозяйственные предприятия, здания и сооружения Предприятия, здания и сооружения по ремонту, техническому обслуживанию, хранению и обеспечению горюче-смазочными материалами сельхозтехники Мастерские отделений хозяйств
Типовой проект 816-1-165.89Типовой проект 816-1-165.89Типовой проект 816-1-165.89Типовой проект 816-1-165.89Типовой проект 816-1-165.89Типовой проект 816-1-165.89Типовой проект 816-1-165.89Типовой проект 816-1-165.89Типовой проект 816-1-165.89Типовой проект 816-1-165.89Типовой проект 816-1-165.89Типовой проект 816-1-165.89Типовой проект 816-1-165.89Типовой проект 816-1-165.89Типовой проект 816-1-165.89Типовой проект 816-1-165.89Типовой проект 816-1-165.89Типовой проект 816-1-165.89Типовой проект 816-1-165.89Типовой проект 816-1-165.89Типовой проект 816-1-165.89Типовой проект 816-1-165.89Типовой проект 816-1-165.89Типовой проект 816-1-165.89Типовой проект 816-1-165.89Типовой проект 816-1-165.89Типовой проект 816-1-165.89Типовой проект 816-1-165.89Типовой проект 816-1-165.89Типовой проект 816-1-165.89Типовой проект 816-1-165.89Типовой проект 816-1-165.89Типовой проект 816-1-165.89Типовой проект 816-1-165.89Типовой проект 816-1-165.89Типовой проект 816-1-165.89

© 2013 Ёшкин Кот :-) Карта сайта