| ||||||||||||||||||||||||||||||||||||
Скачать ГОСТ Р 50530-2015 Патроны к гражданскому и служебному огнестрельному оружию, устройствам производственного и специального назначения. Требования безопасности и методы испытаний на безопасностьДата актуализации: 10.08.2017
|
| Обозначение: | ГОСТ Р 50530-2015 |
| Обозначение англ: | GOST R 50530-2015 |
| Статус: | взамен |
| Название рус.: | Патроны к гражданскому и служебному огнестрельному оружию, устройствам производственного и специального назначения. Требования безопасности и методы испытаний на безопасность |
| Название англ.: | Cartridges for civilian and duty firearms and for devices for industrial and special purposes. Safety requirements and test methods for safety |
| Дата добавления в базу: | 01.02.2017 |
| Дата актуализации: | 05.05.2017 |
| Дата введения: | 01.05.2016 |
| Область применения: | Стандарт распространяется на патроны ко всем видам гражданского и служебного оружия и устройствам производственного или специального назначения, которые для придания движения метаемым элементам, газам, жидкости или твердым веществам или только для создания эффекта детонации воспламеняют заряд, изготовленный из взрывчатых или пиротехнических веществ. Стандарт устанавливает требования, выполнение которых обеспечивает безопасность применения патронов, а также методы их испытаний на безопасность. |
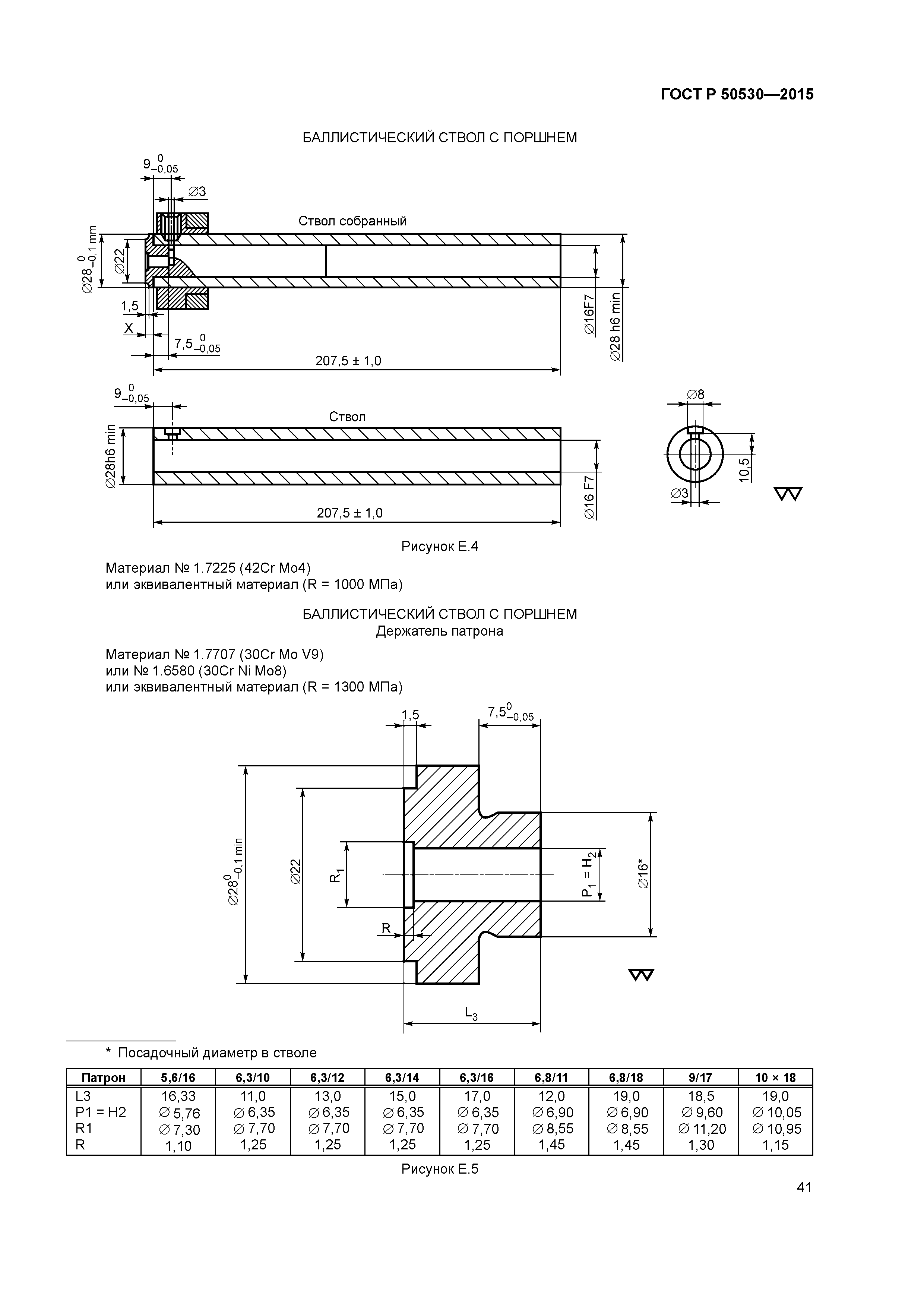
| Оглавление: | 1 Область применения 2 Нормативные ссылки 3 Термины и определения 4 Обозначения 5 Требования безопасности 6 Методы испытаний на безопасность 7 Оформление результатов контроля Приложение А (обязательное) Патрон максимальный. Условные обозначения в ТРПП и их определения Приложение Б (рекомендуемое) Калибры для контроля размеров патронов при проверке безопасности Приложение В (обязательное) Стволы баллистические. Размеры и допуски Приложение Г (обязательное) дробь, не содержащая свинец. Метод измерения деформации Приложение Д (обязательное) дробь, не содержащая свинец. Метод измерения твердости сердцевины по Виккерсу Приложение Е (обязательное) Измерение давления газа электромеханическими датчиками Приложение Ж (обязательное) Крешерный метод измерения максимального давления Приложение И (обязательное) Метод определения кинетической энергии метаемого элемента Приложение К (обязательное) Метод определения скорости и количества движения метаемого элемента (для эксплуатационных патронов центрального боя к гладкоствольному оружию) |
| Разработан: | АНО Стандарт-Оружие ФБУ Удмурский ЦСМ |
| Утверждён: | 20.10.2015 Федеральное агентство по техническому регулированию и метрологии (1588-ст) |
| Издан: | Стандартинформ (2016 г. ) |
| Расположен в: | |
| Заменяет собой: | |
| Нормативные ссылки: |
|




















































