Информационная система
«Ёшкин Кот»

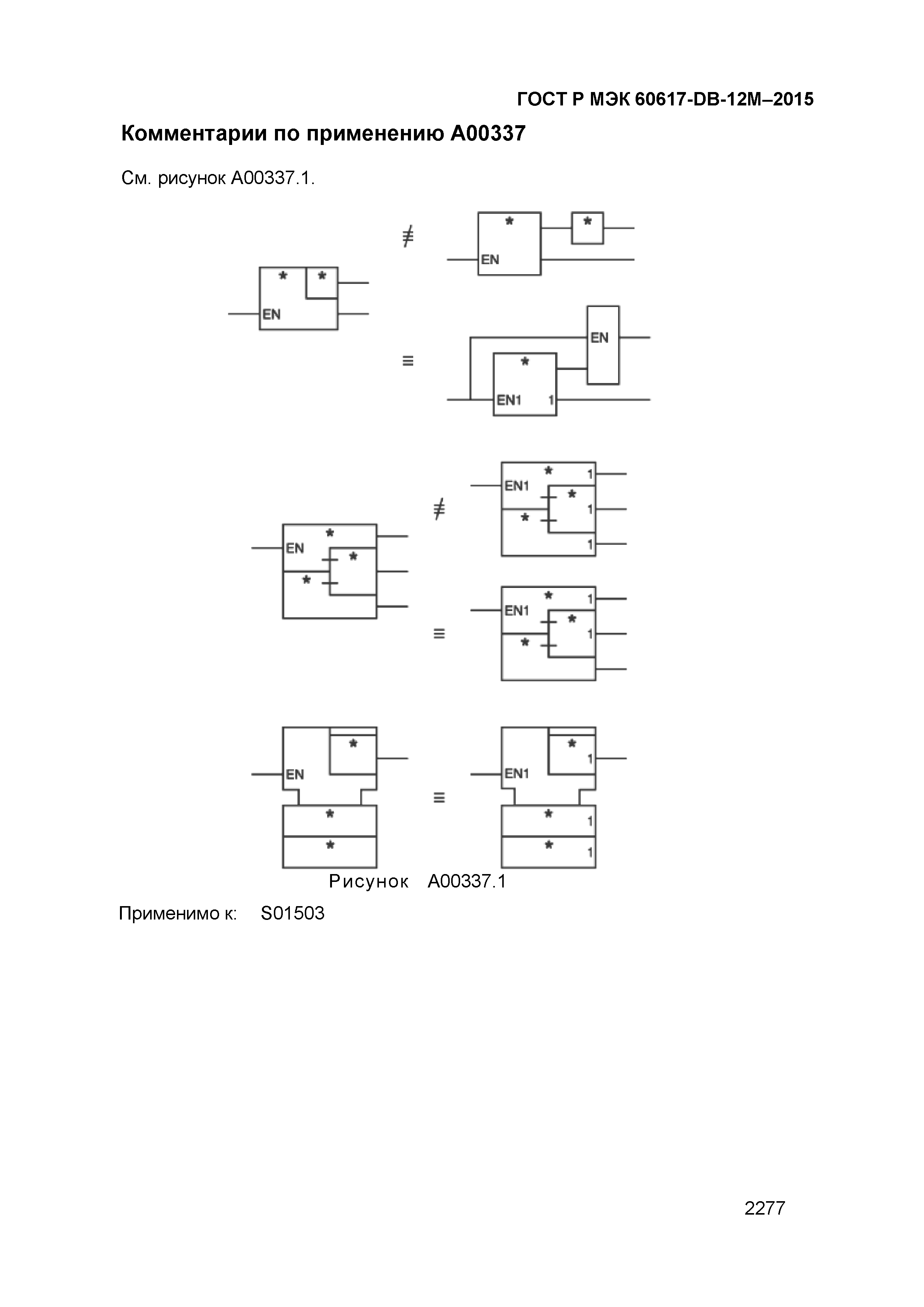
Скачать базу одним архивом
Скачать обновления
История создания базы
Карта сайта

Скачать ГОСТ Р МЭК 60617-DB-12M-2015 Графические символы для схем (в формате базы данных)

Дата актуализации: 10.08.2017

ГОСТ Р МЭК 60617-DB-12M-2015

Графические символы для схем (в формате базы данных)

Обозначение: ГОСТ Р МЭК 60617-DB-12M-2015
Обозначение англ: GOST R IEC 60617-DB-12M-2015
Статус:введен впервые
Название рус.:Графические символы для схем (в формате базы данных)
Название англ.:Graphical symbols for diagrams (in the format of data base)
Дата добавления в базу:01.02.2017
Дата актуализации:05.05.2017
Дата введения:01.02.2016
Область применения:Стандарт определяет графические символы для использования в электротехнических схемах. Стандарт содержит около 1900 графических символов. Стандарт устанавливает международный «графический язык», используемый в электротехнических схемах. Так же как слова могут быть объединены в более сложные выражения и понятия, так и графические представления объекта, могут быть объединены для разработки нового более информативного или специализированного символа. Понятие «графический символ», как правило, определяется как наглядный рисунок, используемый для передачи информации независимо от языка. В настоящем стандарте понятие графического символа, несколько расширено и включает в себя объекты, содержащие информацию о понятиях, включая связанные с ними графические изображения.
Оглавление:1 Общее описание
2 Нормативные ссылки
3 Использование существующих графических символов
   3.1 Классы приложения
   3.2 Выбор графических символов
   3.3 Размер графического символа
   3.4 Ориентация графических символов
   3.5 Изображение контактов в графических символах
4 Разработка нового графического символа из существующих элементов
5 Обработка запросов на разработку новых графических символов
6 Перечень информационных листов
Приложение ДА (справочное) Сведения о соответствии ссылочных международных стандартов национальным стандартам Российской Федерации и межгосударственным стандартам
Разработан: ФГУП ВНИИНМАШ
НОЧУ НИШ
МЭК/ТК 91
Утверждён:10.06.2015 Федеральное агентство по техническому регулированию и метрологии (630-ст)
Издан: Стандартинформ (2016 г. )
Расположен в:Техническая документация Электроэнергия ЭЛЕКТРОТЕХНИКА Электротехника в целом ОБЩИЕ ПОЛОЖЕНИЯ. ТЕРМИНОЛОГИЯ. СТАНДАРТИЗАЦИЯ. ДОКУМЕНТАЦИЯ Графические обозначения Обозначения общедоступной информации Экология ЭЛЕКТРОТЕХНИКА Электротехника в целом ОБЩИЕ ПОЛОЖЕНИЯ. ТЕРМИНОЛОГИЯ. СТАНДАРТИЗАЦИЯ. ДОКУМЕНТАЦИЯ Графические обозначения Обозначения общедоступной информации
ГОСТ Р МЭК 60617-DB-12M-2015ГОСТ Р МЭК 60617-DB-12M-2015ГОСТ Р МЭК 60617-DB-12M-2015ГОСТ Р МЭК 60617-DB-12M-2015ГОСТ Р МЭК 60617-DB-12M-2015ГОСТ Р МЭК 60617-DB-12M-2015ГОСТ Р МЭК 60617-DB-12M-2015ГОСТ Р МЭК 60617-DB-12M-2015ГОСТ Р МЭК 60617-DB-12M-2015ГОСТ Р МЭК 60617-DB-12M-2015ГОСТ Р МЭК 60617-DB-12M-2015ГОСТ Р МЭК 60617-DB-12M-2015ГОСТ Р МЭК 60617-DB-12M-2015ГОСТ Р МЭК 60617-DB-12M-2015ГОСТ Р МЭК 60617-DB-12M-2015ГОСТ Р МЭК 60617-DB-12M-2015ГОСТ Р МЭК 60617-DB-12M-2015ГОСТ Р МЭК 60617-DB-12M-2015ГОСТ Р МЭК 60617-DB-12M-2015ГОСТ Р МЭК 60617-DB-12M-2015ГОСТ Р МЭК 60617-DB-12M-2015ГОСТ Р МЭК 60617-DB-12M-2015ГОСТ Р МЭК 60617-DB-12M-2015ГОСТ Р МЭК 60617-DB-12M-2015ГОСТ Р МЭК 60617-DB-12M-2015ГОСТ Р МЭК 60617-DB-12M-2015ГОСТ Р МЭК 60617-DB-12M-2015ГОСТ Р МЭК 60617-DB-12M-2015ГОСТ Р МЭК 60617-DB-12M-2015ГОСТ Р МЭК 60617-DB-12M-2015ГОСТ Р МЭК 60617-DB-12M-2015ГОСТ Р МЭК 60617-DB-12M-2015ГОСТ Р МЭК 60617-DB-12M-2015ГОСТ Р МЭК 60617-DB-12M-2015ГОСТ Р МЭК 60617-DB-12M-2015ГОСТ Р МЭК 60617-DB-12M-2015ГОСТ Р МЭК 60617-DB-12M-2015ГОСТ Р МЭК 60617-DB-12M-2015ГОСТ Р МЭК 60617-DB-12M-2015ГОСТ Р МЭК 60617-DB-12M-2015ГОСТ Р МЭК 60617-DB-12M-2015ГОСТ Р МЭК 60617-DB-12M-2015ГОСТ Р МЭК 60617-DB-12M-2015ГОСТ Р МЭК 60617-DB-12M-2015ГОСТ Р МЭК 60617-DB-12M-2015ГОСТ Р МЭК 60617-DB-12M-2015ГОСТ Р МЭК 60617-DB-12M-2015ГОСТ Р МЭК 60617-DB-12M-2015ГОСТ Р МЭК 60617-DB-12M-2015ГОСТ Р МЭК 60617-DB-12M-2015ГОСТ Р МЭК 60617-DB-12M-2015ГОСТ Р МЭК 60617-DB-12M-2015ГОСТ Р МЭК 60617-DB-12M-2015ГОСТ Р МЭК 60617-DB-12M-2015ГОСТ Р МЭК 60617-DB-12M-2015ГОСТ Р МЭК 60617-DB-12M-2015ГОСТ Р МЭК 60617-DB-12M-2015ГОСТ Р МЭК 60617-DB-12M-2015ГОСТ Р МЭК 60617-DB-12M-2015ГОСТ Р МЭК 60617-DB-12M-2015ГОСТ Р МЭК 60617-DB-12M-2015ГОСТ Р МЭК 60617-DB-12M-2015ГОСТ Р МЭК 60617-DB-12M-2015ГОСТ Р МЭК 60617-DB-12M-2015ГОСТ Р МЭК 60617-DB-12M-2015ГОСТ Р МЭК 60617-DB-12M-2015ГОСТ Р МЭК 60617-DB-12M-2015ГОСТ Р МЭК 60617-DB-12M-2015ГОСТ Р МЭК 60617-DB-12M-2015ГОСТ Р МЭК 60617-DB-12M-2015ГОСТ Р МЭК 60617-DB-12M-2015ГОСТ Р МЭК 60617-DB-12M-2015ГОСТ Р МЭК 60617-DB-12M-2015ГОСТ Р МЭК 60617-DB-12M-2015ГОСТ Р МЭК 60617-DB-12M-2015ГОСТ Р МЭК 60617-DB-12M-2015ГОСТ Р МЭК 60617-DB-12M-2015ГОСТ Р МЭК 60617-DB-12M-2015ГОСТ Р МЭК 60617-DB-12M-2015ГОСТ Р МЭК 60617-DB-12M-2015ГОСТ Р МЭК 60617-DB-12M-2015ГОСТ Р МЭК 60617-DB-12M-2015ГОСТ Р МЭК 60617-DB-12M-2015ГОСТ Р МЭК 60617-DB-12M-2015ГОСТ Р МЭК 60617-DB-12M-2015ГОСТ Р МЭК 60617-DB-12M-2015ГОСТ Р МЭК 60617-DB-12M-2015ГОСТ Р МЭК 60617-DB-12M-2015ГОСТ Р МЭК 60617-DB-12M-2015ГОСТ Р МЭК 60617-DB-12M-2015ГОСТ Р МЭК 60617-DB-12M-2015ГОСТ Р МЭК 60617-DB-12M-2015ГОСТ Р МЭК 60617-DB-12M-2015ГОСТ Р МЭК 60617-DB-12M-2015ГОСТ Р МЭК 60617-DB-12M-2015ГОСТ Р МЭК 60617-DB-12M-2015ГОСТ Р МЭК 60617-DB-12M-2015ГОСТ Р МЭК 60617-DB-12M-2015ГОСТ Р МЭК 60617-DB-12M-2015ГОСТ Р МЭК 60617-DB-12M-2015ГОСТ Р МЭК 60617-DB-12M-2015ГОСТ Р МЭК 60617-DB-12M-2015ГОСТ Р МЭК 60617-DB-12M-2015ГОСТ Р МЭК 60617-DB-12M-2015ГОСТ Р МЭК 60617-DB-12M-2015ГОСТ Р МЭК 60617-DB-12M-2015ГОСТ Р МЭК 60617-DB-12M-2015ГОСТ Р МЭК 60617-DB-12M-2015ГОСТ Р МЭК 60617-DB-12M-2015ГОСТ Р МЭК 60617-DB-12M-2015ГОСТ Р МЭК 60617-DB-12M-2015ГОСТ Р МЭК 60617-DB-12M-2015ГОСТ Р МЭК 60617-DB-12M-2015ГОСТ Р МЭК 60617-DB-12M-2015ГОСТ Р МЭК 60617-DB-12M-2015ГОСТ Р МЭК 60617-DB-12M-2015ГОСТ Р МЭК 60617-DB-12M-2015ГОСТ Р МЭК 60617-DB-12M-2015ГОСТ Р МЭК 60617-DB-12M-2015ГОСТ Р МЭК 60617-DB-12M-2015ГОСТ Р МЭК 60617-DB-12M-2015ГОСТ Р МЭК 60617-DB-12M-2015ГОСТ Р МЭК 60617-DB-12M-2015ГОСТ Р МЭК 60617-DB-12M-2015ГОСТ Р МЭК 60617-DB-12M-2015ГОСТ Р МЭК 60617-DB-12M-2015ГОСТ Р МЭК 60617-DB-12M-2015ГОСТ Р МЭК 60617-DB-12M-2015ГОСТ Р МЭК 60617-DB-12M-2015ГОСТ Р МЭК 60617-DB-12M-2015ГОСТ Р МЭК 60617-DB-12M-2015ГОСТ Р МЭК 60617-DB-12M-2015ГОСТ Р МЭК 60617-DB-12M-2015ГОСТ Р МЭК 60617-DB-12M-2015ГОСТ Р МЭК 60617-DB-12M-2015ГОСТ Р МЭК 60617-DB-12M-2015ГОСТ Р МЭК 60617-DB-12M-2015ГОСТ Р МЭК 60617-DB-12M-2015ГОСТ Р МЭК 60617-DB-12M-2015ГОСТ Р МЭК 60617-DB-12M-2015ГОСТ Р МЭК 60617-DB-12M-2015ГОСТ Р МЭК 60617-DB-12M-2015ГОСТ Р МЭК 60617-DB-12M-2015ГОСТ Р МЭК 60617-DB-12M-2015ГОСТ Р МЭК 60617-DB-12M-2015ГОСТ Р МЭК 60617-DB-12M-2015ГОСТ Р МЭК 60617-DB-12M-2015ГОСТ Р МЭК 60617-DB-12M-2015ГОСТ Р МЭК 60617-DB-12M-2015ГОСТ Р МЭК 60617-DB-12M-2015ГОСТ Р МЭК 60617-DB-12M-2015ГОСТ Р МЭК 60617-DB-12M-2015ГОСТ Р МЭК 60617-DB-12M-2015ГОСТ Р МЭК 60617-DB-12M-2015ГОСТ Р МЭК 60617-DB-12M-2015ГОСТ Р МЭК 60617-DB-12M-2015ГОСТ Р МЭК 60617-DB-12M-2015ГОСТ Р МЭК 60617-DB-12M-2015ГОСТ Р МЭК 60617-DB-12M-2015ГОСТ Р МЭК 60617-DB-12M-2015ГОСТ Р МЭК 60617-DB-12M-2015ГОСТ Р МЭК 60617-DB-12M-2015ГОСТ Р МЭК 60617-DB-12M-2015ГОСТ Р МЭК 60617-DB-12M-2015ГОСТ Р МЭК 60617-DB-12M-2015ГОСТ Р МЭК 60617-DB-12M-2015ГОСТ Р МЭК 60617-DB-12M-2015ГОСТ Р МЭК 60617-DB-12M-2015ГОСТ Р МЭК 60617-DB-12M-2015ГОСТ Р МЭК 60617-DB-12M-2015ГОСТ Р МЭК 60617-DB-12M-2015ГОСТ Р МЭК 60617-DB-12M-2015ГОСТ Р МЭК 60617-DB-12M-2015ГОСТ Р МЭК 60617-DB-12M-2015ГОСТ Р МЭК 60617-DB-12M-2015ГОСТ Р МЭК 60617-DB-12M-2015ГОСТ Р МЭК 60617-DB-12M-2015ГОСТ Р МЭК 60617-DB-12M-2015ГОСТ Р МЭК 60617-DB-12M-2015ГОСТ Р МЭК 60617-DB-12M-2015ГОСТ Р МЭК 60617-DB-12M-2015ГОСТ Р МЭК 60617-DB-12M-2015ГОСТ Р МЭК 60617-DB-12M-2015ГОСТ Р МЭК 60617-DB-12M-2015ГОСТ Р МЭК 60617-DB-12M-2015ГОСТ Р МЭК 60617-DB-12M-2015ГОСТ Р МЭК 60617-DB-12M-2015ГОСТ Р МЭК 60617-DB-12M-2015ГОСТ Р МЭК 60617-DB-12M-2015ГОСТ Р МЭК 60617-DB-12M-2015ГОСТ Р МЭК 60617-DB-12M-2015ГОСТ Р МЭК 60617-DB-12M-2015ГОСТ Р МЭК 60617-DB-12M-2015ГОСТ Р МЭК 60617-DB-12M-2015ГОСТ Р МЭК 60617-DB-12M-2015ГОСТ Р МЭК 60617-DB-12M-2015ГОСТ Р МЭК 60617-DB-12M-2015ГОСТ Р МЭК 60617-DB-12M-2015ГОСТ Р МЭК 60617-DB-12M-2015ГОСТ Р МЭК 60617-DB-12M-2015ГОСТ Р МЭК 60617-DB-12M-2015ГОСТ Р МЭК 60617-DB-12M-2015ГОСТ Р МЭК 60617-DB-12M-2015ГОСТ Р МЭК 60617-DB-12M-2015ГОСТ Р МЭК 60617-DB-12M-2015ГОСТ Р МЭК 60617-DB-12M-2015ГОСТ Р МЭК 60617-DB-12M-2015ГОСТ Р МЭК 60617-DB-12M-2015ГОСТ Р МЭК 60617-DB-12M-2015ГОСТ Р МЭК 60617-DB-12M-2015ГОСТ Р МЭК 60617-DB-12M-2015ГОСТ Р МЭК 60617-DB-12M-2015ГОСТ Р МЭК 60617-DB-12M-2015ГОСТ Р МЭК 60617-DB-12M-2015ГОСТ Р МЭК 60617-DB-12M-2015ГОСТ Р МЭК 60617-DB-12M-2015ГОСТ Р МЭК 60617-DB-12M-2015ГОСТ Р МЭК 60617-DB-12M-2015ГОСТ Р МЭК 60617-DB-12M-2015ГОСТ Р МЭК 60617-DB-12M-2015ГОСТ Р МЭК 60617-DB-12M-2015ГОСТ Р МЭК 60617-DB-12M-2015ГОСТ Р МЭК 60617-DB-12M-2015ГОСТ Р МЭК 60617-DB-12M-2015ГОСТ Р МЭК 60617-DB-12M-2015ГОСТ Р МЭК 60617-DB-12M-2015ГОСТ Р МЭК 60617-DB-12M-2015ГОСТ Р МЭК 60617-DB-12M-2015ГОСТ Р МЭК 60617-DB-12M-2015ГОСТ Р МЭК 60617-DB-12M-2015ГОСТ Р МЭК 60617-DB-12M-2015ГОСТ Р МЭК 60617-DB-12M-2015ГОСТ Р МЭК 60617-DB-12M-2015ГОСТ Р МЭК 60617-DB-12M-2015ГОСТ Р МЭК 60617-DB-12M-2015ГОСТ Р МЭК 60617-DB-12M-2015ГОСТ Р МЭК 60617-DB-12M-2015ГОСТ Р МЭК 60617-DB-12M-2015ГОСТ Р МЭК 60617-DB-12M-2015ГОСТ Р МЭК 60617-DB-12M-2015ГОСТ Р МЭК 60617-DB-12M-2015ГОСТ Р МЭК 60617-DB-12M-2015ГОСТ Р МЭК 60617-DB-12M-2015ГОСТ Р МЭК 60617-DB-12M-2015ГОСТ Р МЭК 60617-DB-12M-2015ГОСТ Р МЭК 60617-DB-12M-2015ГОСТ Р МЭК 60617-DB-12M-2015ГОСТ Р МЭК 60617-DB-12M-2015ГОСТ Р МЭК 60617-DB-12M-2015ГОСТ Р МЭК 60617-DB-12M-2015ГОСТ Р МЭК 60617-DB-12M-2015ГОСТ Р МЭК 60617-DB-12M-2015ГОСТ Р МЭК 60617-DB-12M-2015ГОСТ Р МЭК 60617-DB-12M-2015ГОСТ Р МЭК 60617-DB-12M-2015ГОСТ Р МЭК 60617-DB-12M-2015ГОСТ Р МЭК 60617-DB-12M-2015ГОСТ Р МЭК 60617-DB-12M-2015ГОСТ Р МЭК 60617-DB-12M-2015ГОСТ Р МЭК 60617-DB-12M-2015ГОСТ Р МЭК 60617-DB-12M-2015ГОСТ Р МЭК 60617-DB-12M-2015ГОСТ Р МЭК 60617-DB-12M-2015ГОСТ Р МЭК 60617-DB-12M-2015ГОСТ Р МЭК 60617-DB-12M-2015ГОСТ Р МЭК 60617-DB-12M-2015ГОСТ Р МЭК 60617-DB-12M-2015ГОСТ Р МЭК 60617-DB-12M-2015ГОСТ Р МЭК 60617-DB-12M-2015ГОСТ Р МЭК 60617-DB-12M-2015ГОСТ Р МЭК 60617-DB-12M-2015ГОСТ Р МЭК 60617-DB-12M-2015ГОСТ Р МЭК 60617-DB-12M-2015ГОСТ Р МЭК 60617-DB-12M-2015ГОСТ Р МЭК 60617-DB-12M-2015ГОСТ Р МЭК 60617-DB-12M-2015ГОСТ Р МЭК 60617-DB-12M-2015ГОСТ Р МЭК 60617-DB-12M-2015ГОСТ Р МЭК 60617-DB-12M-2015ГОСТ Р МЭК 60617-DB-12M-2015ГОСТ Р МЭК 60617-DB-12M-2015ГОСТ Р МЭК 60617-DB-12M-2015ГОСТ Р МЭК 60617-DB-12M-2015ГОСТ Р МЭК 60617-DB-12M-2015ГОСТ Р МЭК 60617-DB-12M-2015ГОСТ Р МЭК 60617-DB-12M-2015ГОСТ Р МЭК 60617-DB-12M-2015ГОСТ Р МЭК 60617-DB-12M-2015ГОСТ Р МЭК 60617-DB-12M-2015ГОСТ Р МЭК 60617-DB-12M-2015ГОСТ Р МЭК 60617-DB-12M-2015ГОСТ Р МЭК 60617-DB-12M-2015ГОСТ Р МЭК 60617-DB-12M-2015ГОСТ Р МЭК 60617-DB-12M-2015ГОСТ Р МЭК 60617-DB-12M-2015ГОСТ Р МЭК 60617-DB-12M-2015ГОСТ Р МЭК 60617-DB-12M-2015ГОСТ Р МЭК 60617-DB-12M-2015ГОСТ Р МЭК 60617-DB-12M-2015ГОСТ Р МЭК 60617-DB-12M-2015ГОСТ Р МЭК 60617-DB-12M-2015ГОСТ Р МЭК 60617-DB-12M-2015ГОСТ Р МЭК 60617-DB-12M-2015ГОСТ Р МЭК 60617-DB-12M-2015ГОСТ Р МЭК 60617-DB-12M-2015ГОСТ Р МЭК 60617-DB-12M-2015ГОСТ Р МЭК 60617-DB-12M-2015ГОСТ Р МЭК 60617-DB-12M-2015ГОСТ Р МЭК 60617-DB-12M-2015ГОСТ Р МЭК 60617-DB-12M-2015ГОСТ Р МЭК 60617-DB-12M-2015ГОСТ Р МЭК 60617-DB-12M-2015ГОСТ Р МЭК 60617-DB-12M-2015ГОСТ Р МЭК 60617-DB-12M-2015ГОСТ Р МЭК 60617-DB-12M-2015ГОСТ Р МЭК 60617-DB-12M-2015ГОСТ Р МЭК 60617-DB-12M-2015ГОСТ Р МЭК 60617-DB-12M-2015ГОСТ Р МЭК 60617-DB-12M-2015ГОСТ Р МЭК 60617-DB-12M-2015ГОСТ Р МЭК 60617-DB-12M-2015ГОСТ Р МЭК 60617-DB-12M-2015ГОСТ Р МЭК 60617-DB-12M-2015ГОСТ Р МЭК 60617-DB-12M-2015ГОСТ Р МЭК 60617-DB-12M-2015ГОСТ Р МЭК 60617-DB-12M-2015ГОСТ Р МЭК 60617-DB-12M-2015ГОСТ Р МЭК 60617-DB-12M-2015ГОСТ Р МЭК 60617-DB-12M-2015ГОСТ Р МЭК 60617-DB-12M-2015ГОСТ Р МЭК 60617-DB-12M-2015ГОСТ Р МЭК 60617-DB-12M-2015ГОСТ Р МЭК 60617-DB-12M-2015ГОСТ Р МЭК 60617-DB-12M-2015ГОСТ Р МЭК 60617-DB-12M-2015ГОСТ Р МЭК 60617-DB-12M-2015ГОСТ Р МЭК 60617-DB-12M-2015ГОСТ Р МЭК 60617-DB-12M-2015ГОСТ Р МЭК 60617-DB-12M-2015ГОСТ Р МЭК 60617-DB-12M-2015ГОСТ Р МЭК 60617-DB-12M-2015ГОСТ Р МЭК 60617-DB-12M-2015ГОСТ Р МЭК 60617-DB-12M-2015ГОСТ Р МЭК 60617-DB-12M-2015ГОСТ Р МЭК 60617-DB-12M-2015ГОСТ Р МЭК 60617-DB-12M-2015ГОСТ Р МЭК 60617-DB-12M-2015ГОСТ Р МЭК 60617-DB-12M-2015ГОСТ Р МЭК 60617-DB-12M-2015ГОСТ Р МЭК 60617-DB-12M-2015ГОСТ Р МЭК 60617-DB-12M-2015ГОСТ Р МЭК 60617-DB-12M-2015ГОСТ Р МЭК 60617-DB-12M-2015ГОСТ Р МЭК 60617-DB-12M-2015ГОСТ Р МЭК 60617-DB-12M-2015ГОСТ Р МЭК 60617-DB-12M-2015ГОСТ Р МЭК 60617-DB-12M-2015ГОСТ Р МЭК 60617-DB-12M-2015ГОСТ Р МЭК 60617-DB-12M-2015ГОСТ Р МЭК 60617-DB-12M-2015ГОСТ Р МЭК 60617-DB-12M-2015ГОСТ Р МЭК 60617-DB-12M-2015ГОСТ Р МЭК 60617-DB-12M-2015ГОСТ Р МЭК 60617-DB-12M-2015ГОСТ Р МЭК 60617-DB-12M-2015ГОСТ Р МЭК 60617-DB-12M-2015ГОСТ Р МЭК 60617-DB-12M-2015ГОСТ Р МЭК 60617-DB-12M-2015ГОСТ Р МЭК 60617-DB-12M-2015ГОСТ Р МЭК 60617-DB-12M-2015ГОСТ Р МЭК 60617-DB-12M-2015ГОСТ Р МЭК 60617-DB-12M-2015ГОСТ Р МЭК 60617-DB-12M-2015ГОСТ Р МЭК 60617-DB-12M-2015ГОСТ Р МЭК 60617-DB-12M-2015ГОСТ Р МЭК 60617-DB-12M-2015ГОСТ Р МЭК 60617-DB-12M-2015ГОСТ Р МЭК 60617-DB-12M-2015ГОСТ Р МЭК 60617-DB-12M-2015ГОСТ Р МЭК 60617-DB-12M-2015ГОСТ Р МЭК 60617-DB-12M-2015ГОСТ Р МЭК 60617-DB-12M-2015ГОСТ Р МЭК 60617-DB-12M-2015ГОСТ Р МЭК 60617-DB-12M-2015ГОСТ Р МЭК 60617-DB-12M-2015ГОСТ Р МЭК 60617-DB-12M-2015ГОСТ Р МЭК 60617-DB-12M-2015ГОСТ Р МЭК 60617-DB-12M-2015ГОСТ Р МЭК 60617-DB-12M-2015ГОСТ Р МЭК 60617-DB-12M-2015ГОСТ Р МЭК 60617-DB-12M-2015ГОСТ Р МЭК 60617-DB-12M-2015ГОСТ Р МЭК 60617-DB-12M-2015ГОСТ Р МЭК 60617-DB-12M-2015ГОСТ Р МЭК 60617-DB-12M-2015ГОСТ Р МЭК 60617-DB-12M-2015ГОСТ Р МЭК 60617-DB-12M-2015ГОСТ Р МЭК 60617-DB-12M-2015ГОСТ Р МЭК 60617-DB-12M-2015ГОСТ Р МЭК 60617-DB-12M-2015ГОСТ Р МЭК 60617-DB-12M-2015ГОСТ Р МЭК 60617-DB-12M-2015ГОСТ Р МЭК 60617-DB-12M-2015ГОСТ Р МЭК 60617-DB-12M-2015ГОСТ Р МЭК 60617-DB-12M-2015ГОСТ Р МЭК 60617-DB-12M-2015ГОСТ Р МЭК 60617-DB-12M-2015ГОСТ Р МЭК 60617-DB-12M-2015ГОСТ Р МЭК 60617-DB-12M-2015ГОСТ Р МЭК 60617-DB-12M-2015ГОСТ Р МЭК 60617-DB-12M-2015ГОСТ Р МЭК 60617-DB-12M-2015ГОСТ Р МЭК 60617-DB-12M-2015ГОСТ Р МЭК 60617-DB-12M-2015ГОСТ Р МЭК 60617-DB-12M-2015ГОСТ Р МЭК 60617-DB-12M-2015ГОСТ Р МЭК 60617-DB-12M-2015ГОСТ Р МЭК 60617-DB-12M-2015ГОСТ Р МЭК 60617-DB-12M-2015ГОСТ Р МЭК 60617-DB-12M-2015ГОСТ Р МЭК 60617-DB-12M-2015ГОСТ Р МЭК 60617-DB-12M-2015ГОСТ Р МЭК 60617-DB-12M-2015ГОСТ Р МЭК 60617-DB-12M-2015ГОСТ Р МЭК 60617-DB-12M-2015ГОСТ Р МЭК 60617-DB-12M-2015ГОСТ Р МЭК 60617-DB-12M-2015ГОСТ Р МЭК 60617-DB-12M-2015ГОСТ Р МЭК 60617-DB-12M-2015ГОСТ Р МЭК 60617-DB-12M-2015ГОСТ Р МЭК 60617-DB-12M-2015ГОСТ Р МЭК 60617-DB-12M-2015ГОСТ Р МЭК 60617-DB-12M-2015ГОСТ Р МЭК 60617-DB-12M-2015ГОСТ Р МЭК 60617-DB-12M-2015ГОСТ Р МЭК 60617-DB-12M-2015ГОСТ Р МЭК 60617-DB-12M-2015ГОСТ Р МЭК 60617-DB-12M-2015ГОСТ Р МЭК 60617-DB-12M-2015ГОСТ Р МЭК 60617-DB-12M-2015ГОСТ Р МЭК 60617-DB-12M-2015ГОСТ Р МЭК 60617-DB-12M-2015ГОСТ Р МЭК 60617-DB-12M-2015ГОСТ Р МЭК 60617-DB-12M-2015ГОСТ Р МЭК 60617-DB-12M-2015ГОСТ Р МЭК 60617-DB-12M-2015ГОСТ Р МЭК 60617-DB-12M-2015ГОСТ Р МЭК 60617-DB-12M-2015ГОСТ Р МЭК 60617-DB-12M-2015ГОСТ Р МЭК 60617-DB-12M-2015ГОСТ Р МЭК 60617-DB-12M-2015ГОСТ Р МЭК 60617-DB-12M-2015ГОСТ Р МЭК 60617-DB-12M-2015ГОСТ Р МЭК 60617-DB-12M-2015ГОСТ Р МЭК 60617-DB-12M-2015ГОСТ Р МЭК 60617-DB-12M-2015ГОСТ Р МЭК 60617-DB-12M-2015ГОСТ Р МЭК 60617-DB-12M-2015ГОСТ Р МЭК 60617-DB-12M-2015ГОСТ Р МЭК 60617-DB-12M-2015ГОСТ Р МЭК 60617-DB-12M-2015ГОСТ Р МЭК 60617-DB-12M-2015ГОСТ Р МЭК 60617-DB-12M-2015ГОСТ Р МЭК 60617-DB-12M-2015ГОСТ Р МЭК 60617-DB-12M-2015ГОСТ Р МЭК 60617-DB-12M-2015ГОСТ Р МЭК 60617-DB-12M-2015ГОСТ Р МЭК 60617-DB-12M-2015ГОСТ Р МЭК 60617-DB-12M-2015ГОСТ Р МЭК 60617-DB-12M-2015ГОСТ Р МЭК 60617-DB-12M-2015ГОСТ Р МЭК 60617-DB-12M-2015ГОСТ Р МЭК 60617-DB-12M-2015ГОСТ Р МЭК 60617-DB-12M-2015ГОСТ Р МЭК 60617-DB-12M-2015ГОСТ Р МЭК 60617-DB-12M-2015ГОСТ Р МЭК 60617-DB-12M-2015ГОСТ Р МЭК 60617-DB-12M-2015ГОСТ Р МЭК 60617-DB-12M-2015ГОСТ Р МЭК 60617-DB-12M-2015ГОСТ Р МЭК 60617-DB-12M-2015ГОСТ Р МЭК 60617-DB-12M-2015ГОСТ Р МЭК 60617-DB-12M-2015ГОСТ Р МЭК 60617-DB-12M-2015ГОСТ Р МЭК 60617-DB-12M-2015ГОСТ Р МЭК 60617-DB-12M-2015ГОСТ Р МЭК 60617-DB-12M-2015ГОСТ Р МЭК 60617-DB-12M-2015ГОСТ Р МЭК 60617-DB-12M-2015ГОСТ Р МЭК 60617-DB-12M-2015ГОСТ Р МЭК 60617-DB-12M-2015ГОСТ Р МЭК 60617-DB-12M-2015ГОСТ Р МЭК 60617-DB-12M-2015ГОСТ Р МЭК 60617-DB-12M-2015ГОСТ Р МЭК 60617-DB-12M-2015ГОСТ Р МЭК 60617-DB-12M-2015ГОСТ Р МЭК 60617-DB-12M-2015ГОСТ Р МЭК 60617-DB-12M-2015ГОСТ Р МЭК 60617-DB-12M-2015ГОСТ Р МЭК 60617-DB-12M-2015ГОСТ Р МЭК 60617-DB-12M-2015ГОСТ Р МЭК 60617-DB-12M-2015ГОСТ Р МЭК 60617-DB-12M-2015ГОСТ Р МЭК 60617-DB-12M-2015ГОСТ Р МЭК 60617-DB-12M-2015ГОСТ Р МЭК 60617-DB-12M-2015ГОСТ Р МЭК 60617-DB-12M-2015ГОСТ Р МЭК 60617-DB-12M-2015ГОСТ Р МЭК 60617-DB-12M-2015ГОСТ Р МЭК 60617-DB-12M-2015ГОСТ Р МЭК 60617-DB-12M-2015ГОСТ Р МЭК 60617-DB-12M-2015ГОСТ Р МЭК 60617-DB-12M-2015ГОСТ Р МЭК 60617-DB-12M-2015ГОСТ Р МЭК 60617-DB-12M-2015ГОСТ Р МЭК 60617-DB-12M-2015ГОСТ Р МЭК 60617-DB-12M-2015ГОСТ Р МЭК 60617-DB-12M-2015ГОСТ Р МЭК 60617-DB-12M-2015ГОСТ Р МЭК 60617-DB-12M-2015ГОСТ Р МЭК 60617-DB-12M-2015ГОСТ Р МЭК 60617-DB-12M-2015ГОСТ Р МЭК 60617-DB-12M-2015ГОСТ Р МЭК 60617-DB-12M-2015ГОСТ Р МЭК 60617-DB-12M-2015ГОСТ Р МЭК 60617-DB-12M-2015ГОСТ Р МЭК 60617-DB-12M-2015ГОСТ Р МЭК 60617-DB-12M-2015ГОСТ Р МЭК 60617-DB-12M-2015ГОСТ Р МЭК 60617-DB-12M-2015ГОСТ Р МЭК 60617-DB-12M-2015ГОСТ Р МЭК 60617-DB-12M-2015ГОСТ Р МЭК 60617-DB-12M-2015ГОСТ Р МЭК 60617-DB-12M-2015ГОСТ Р МЭК 60617-DB-12M-2015ГОСТ Р МЭК 60617-DB-12M-2015ГОСТ Р МЭК 60617-DB-12M-2015ГОСТ Р МЭК 60617-DB-12M-2015ГОСТ Р МЭК 60617-DB-12M-2015ГОСТ Р МЭК 60617-DB-12M-2015ГОСТ Р МЭК 60617-DB-12M-2015ГОСТ Р МЭК 60617-DB-12M-2015ГОСТ Р МЭК 60617-DB-12M-2015ГОСТ Р МЭК 60617-DB-12M-2015ГОСТ Р МЭК 60617-DB-12M-2015ГОСТ Р МЭК 60617-DB-12M-2015ГОСТ Р МЭК 60617-DB-12M-2015ГОСТ Р МЭК 60617-DB-12M-2015ГОСТ Р МЭК 60617-DB-12M-2015ГОСТ Р МЭК 60617-DB-12M-2015ГОСТ Р МЭК 60617-DB-12M-2015ГОСТ Р МЭК 60617-DB-12M-2015ГОСТ Р МЭК 60617-DB-12M-2015ГОСТ Р МЭК 60617-DB-12M-2015ГОСТ Р МЭК 60617-DB-12M-2015ГОСТ Р МЭК 60617-DB-12M-2015ГОСТ Р МЭК 60617-DB-12M-2015ГОСТ Р МЭК 60617-DB-12M-2015ГОСТ Р МЭК 60617-DB-12M-2015ГОСТ Р МЭК 60617-DB-12M-2015ГОСТ Р МЭК 60617-DB-12M-2015ГОСТ Р МЭК 60617-DB-12M-2015ГОСТ Р МЭК 60617-DB-12M-2015ГОСТ Р МЭК 60617-DB-12M-2015ГОСТ Р МЭК 60617-DB-12M-2015ГОСТ Р МЭК 60617-DB-12M-2015ГОСТ Р МЭК 60617-DB-12M-2015ГОСТ Р МЭК 60617-DB-12M-2015ГОСТ Р МЭК 60617-DB-12M-2015ГОСТ Р МЭК 60617-DB-12M-2015ГОСТ Р МЭК 60617-DB-12M-2015ГОСТ Р МЭК 60617-DB-12M-2015ГОСТ Р МЭК 60617-DB-12M-2015ГОСТ Р МЭК 60617-DB-12M-2015ГОСТ Р МЭК 60617-DB-12M-2015ГОСТ Р МЭК 60617-DB-12M-2015ГОСТ Р МЭК 60617-DB-12M-2015ГОСТ Р МЭК 60617-DB-12M-2015ГОСТ Р МЭК 60617-DB-12M-2015ГОСТ Р МЭК 60617-DB-12M-2015ГОСТ Р МЭК 60617-DB-12M-2015ГОСТ Р МЭК 60617-DB-12M-2015ГОСТ Р МЭК 60617-DB-12M-2015ГОСТ Р МЭК 60617-DB-12M-2015ГОСТ Р МЭК 60617-DB-12M-2015ГОСТ Р МЭК 60617-DB-12M-2015ГОСТ Р МЭК 60617-DB-12M-2015ГОСТ Р МЭК 60617-DB-12M-2015ГОСТ Р МЭК 60617-DB-12M-2015ГОСТ Р МЭК 60617-DB-12M-2015ГОСТ Р МЭК 60617-DB-12M-2015ГОСТ Р МЭК 60617-DB-12M-2015ГОСТ Р МЭК 60617-DB-12M-2015ГОСТ Р МЭК 60617-DB-12M-2015ГОСТ Р МЭК 60617-DB-12M-2015ГОСТ Р МЭК 60617-DB-12M-2015ГОСТ Р МЭК 60617-DB-12M-2015ГОСТ Р МЭК 60617-DB-12M-2015ГОСТ Р МЭК 60617-DB-12M-2015ГОСТ Р МЭК 60617-DB-12M-2015ГОСТ Р МЭК 60617-DB-12M-2015ГОСТ Р МЭК 60617-DB-12M-2015ГОСТ Р МЭК 60617-DB-12M-2015ГОСТ Р МЭК 60617-DB-12M-2015ГОСТ Р МЭК 60617-DB-12M-2015ГОСТ Р МЭК 60617-DB-12M-2015ГОСТ Р МЭК 60617-DB-12M-2015ГОСТ Р МЭК 60617-DB-12M-2015ГОСТ Р МЭК 60617-DB-12M-2015ГОСТ Р МЭК 60617-DB-12M-2015ГОСТ Р МЭК 60617-DB-12M-2015ГОСТ Р МЭК 60617-DB-12M-2015ГОСТ Р МЭК 60617-DB-12M-2015ГОСТ Р МЭК 60617-DB-12M-2015ГОСТ Р МЭК 60617-DB-12M-2015ГОСТ Р МЭК 60617-DB-12M-2015ГОСТ Р МЭК 60617-DB-12M-2015ГОСТ Р МЭК 60617-DB-12M-2015ГОСТ Р МЭК 60617-DB-12M-2015ГОСТ Р МЭК 60617-DB-12M-2015ГОСТ Р МЭК 60617-DB-12M-2015ГОСТ Р МЭК 60617-DB-12M-2015ГОСТ Р МЭК 60617-DB-12M-2015ГОСТ Р МЭК 60617-DB-12M-2015ГОСТ Р МЭК 60617-DB-12M-2015ГОСТ Р МЭК 60617-DB-12M-2015ГОСТ Р МЭК 60617-DB-12M-2015ГОСТ Р МЭК 60617-DB-12M-2015ГОСТ Р МЭК 60617-DB-12M-2015ГОСТ Р МЭК 60617-DB-12M-2015ГОСТ Р МЭК 60617-DB-12M-2015ГОСТ Р МЭК 60617-DB-12M-2015ГОСТ Р МЭК 60617-DB-12M-2015ГОСТ Р МЭК 60617-DB-12M-2015ГОСТ Р МЭК 60617-DB-12M-2015ГОСТ Р МЭК 60617-DB-12M-2015ГОСТ Р МЭК 60617-DB-12M-2015ГОСТ Р МЭК 60617-DB-12M-2015ГОСТ Р МЭК 60617-DB-12M-2015ГОСТ Р МЭК 60617-DB-12M-2015ГОСТ Р МЭК 60617-DB-12M-2015ГОСТ Р МЭК 60617-DB-12M-2015ГОСТ Р МЭК 60617-DB-12M-2015ГОСТ Р МЭК 60617-DB-12M-2015ГОСТ Р МЭК 60617-DB-12M-2015ГОСТ Р МЭК 60617-DB-12M-2015ГОСТ Р МЭК 60617-DB-12M-2015ГОСТ Р МЭК 60617-DB-12M-2015ГОСТ Р МЭК 60617-DB-12M-2015ГОСТ Р МЭК 60617-DB-12M-2015ГОСТ Р МЭК 60617-DB-12M-2015ГОСТ Р МЭК 60617-DB-12M-2015ГОСТ Р МЭК 60617-DB-12M-2015ГОСТ Р МЭК 60617-DB-12M-2015ГОСТ Р МЭК 60617-DB-12M-2015ГОСТ Р МЭК 60617-DB-12M-2015ГОСТ Р МЭК 60617-DB-12M-2015ГОСТ Р МЭК 60617-DB-12M-2015ГОСТ Р МЭК 60617-DB-12M-2015ГОСТ Р МЭК 60617-DB-12M-2015ГОСТ Р МЭК 60617-DB-12M-2015ГОСТ Р МЭК 60617-DB-12M-2015ГОСТ Р МЭК 60617-DB-12M-2015ГОСТ Р МЭК 60617-DB-12M-2015ГОСТ Р МЭК 60617-DB-12M-2015ГОСТ Р МЭК 60617-DB-12M-2015ГОСТ Р МЭК 60617-DB-12M-2015ГОСТ Р МЭК 60617-DB-12M-2015ГОСТ Р МЭК 60617-DB-12M-2015ГОСТ Р МЭК 60617-DB-12M-2015ГОСТ Р МЭК 60617-DB-12M-2015ГОСТ Р МЭК 60617-DB-12M-2015ГОСТ Р МЭК 60617-DB-12M-2015ГОСТ Р МЭК 60617-DB-12M-2015ГОСТ Р МЭК 60617-DB-12M-2015ГОСТ Р МЭК 60617-DB-12M-2015ГОСТ Р МЭК 60617-DB-12M-2015ГОСТ Р МЭК 60617-DB-12M-2015ГОСТ Р МЭК 60617-DB-12M-2015ГОСТ Р МЭК 60617-DB-12M-2015ГОСТ Р МЭК 60617-DB-12M-2015ГОСТ Р МЭК 60617-DB-12M-2015ГОСТ Р МЭК 60617-DB-12M-2015ГОСТ Р МЭК 60617-DB-12M-2015ГОСТ Р МЭК 60617-DB-12M-2015ГОСТ Р МЭК 60617-DB-12M-2015ГОСТ Р МЭК 60617-DB-12M-2015ГОСТ Р МЭК 60617-DB-12M-2015ГОСТ Р МЭК 60617-DB-12M-2015ГОСТ Р МЭК 60617-DB-12M-2015ГОСТ Р МЭК 60617-DB-12M-2015ГОСТ Р МЭК 60617-DB-12M-2015ГОСТ Р МЭК 60617-DB-12M-2015ГОСТ Р МЭК 60617-DB-12M-2015ГОСТ Р МЭК 60617-DB-12M-2015ГОСТ Р МЭК 60617-DB-12M-2015ГОСТ Р МЭК 60617-DB-12M-2015ГОСТ Р МЭК 60617-DB-12M-2015ГОСТ Р МЭК 60617-DB-12M-2015ГОСТ Р МЭК 60617-DB-12M-2015ГОСТ Р МЭК 60617-DB-12M-2015ГОСТ Р МЭК 60617-DB-12M-2015ГОСТ Р МЭК 60617-DB-12M-2015ГОСТ Р МЭК 60617-DB-12M-2015ГОСТ Р МЭК 60617-DB-12M-2015ГОСТ Р МЭК 60617-DB-12M-2015ГОСТ Р МЭК 60617-DB-12M-2015ГОСТ Р МЭК 60617-DB-12M-2015ГОСТ Р МЭК 60617-DB-12M-2015ГОСТ Р МЭК 60617-DB-12M-2015ГОСТ Р МЭК 60617-DB-12M-2015ГОСТ Р МЭК 60617-DB-12M-2015ГОСТ Р МЭК 60617-DB-12M-2015ГОСТ Р МЭК 60617-DB-12M-2015ГОСТ Р МЭК 60617-DB-12M-2015ГОСТ Р МЭК 60617-DB-12M-2015ГОСТ Р МЭК 60617-DB-12M-2015ГОСТ Р МЭК 60617-DB-12M-2015ГОСТ Р МЭК 60617-DB-12M-2015ГОСТ Р МЭК 60617-DB-12M-2015ГОСТ Р МЭК 60617-DB-12M-2015ГОСТ Р МЭК 60617-DB-12M-2015ГОСТ Р МЭК 60617-DB-12M-2015ГОСТ Р МЭК 60617-DB-12M-2015ГОСТ Р МЭК 60617-DB-12M-2015ГОСТ Р МЭК 60617-DB-12M-2015ГОСТ Р МЭК 60617-DB-12M-2015ГОСТ Р МЭК 60617-DB-12M-2015ГОСТ Р МЭК 60617-DB-12M-2015ГОСТ Р МЭК 60617-DB-12M-2015ГОСТ Р МЭК 60617-DB-12M-2015ГОСТ Р МЭК 60617-DB-12M-2015ГОСТ Р МЭК 60617-DB-12M-2015ГОСТ Р МЭК 60617-DB-12M-2015ГОСТ Р МЭК 60617-DB-12M-2015ГОСТ Р МЭК 60617-DB-12M-2015ГОСТ Р МЭК 60617-DB-12M-2015ГОСТ Р МЭК 60617-DB-12M-2015ГОСТ Р МЭК 60617-DB-12M-2015ГОСТ Р МЭК 60617-DB-12M-2015ГОСТ Р МЭК 60617-DB-12M-2015ГОСТ Р МЭК 60617-DB-12M-2015ГОСТ Р МЭК 60617-DB-12M-2015ГОСТ Р МЭК 60617-DB-12M-2015ГОСТ Р МЭК 60617-DB-12M-2015ГОСТ Р МЭК 60617-DB-12M-2015ГОСТ Р МЭК 60617-DB-12M-2015ГОСТ Р МЭК 60617-DB-12M-2015ГОСТ Р МЭК 60617-DB-12M-2015ГОСТ Р МЭК 60617-DB-12M-2015ГОСТ Р МЭК 60617-DB-12M-2015ГОСТ Р МЭК 60617-DB-12M-2015ГОСТ Р МЭК 60617-DB-12M-2015ГОСТ Р МЭК 60617-DB-12M-2015ГОСТ Р МЭК 60617-DB-12M-2015ГОСТ Р МЭК 60617-DB-12M-2015ГОСТ Р МЭК 60617-DB-12M-2015ГОСТ Р МЭК 60617-DB-12M-2015ГОСТ Р МЭК 60617-DB-12M-2015ГОСТ Р МЭК 60617-DB-12M-2015ГОСТ Р МЭК 60617-DB-12M-2015ГОСТ Р МЭК 60617-DB-12M-2015ГОСТ Р МЭК 60617-DB-12M-2015ГОСТ Р МЭК 60617-DB-12M-2015ГОСТ Р МЭК 60617-DB-12M-2015ГОСТ Р МЭК 60617-DB-12M-2015ГОСТ Р МЭК 60617-DB-12M-2015ГОСТ Р МЭК 60617-DB-12M-2015ГОСТ Р МЭК 60617-DB-12M-2015ГОСТ Р МЭК 60617-DB-12M-2015ГОСТ Р МЭК 60617-DB-12M-2015ГОСТ Р МЭК 60617-DB-12M-2015ГОСТ Р МЭК 60617-DB-12M-2015ГОСТ Р МЭК 60617-DB-12M-2015ГОСТ Р МЭК 60617-DB-12M-2015ГОСТ Р МЭК 60617-DB-12M-2015ГОСТ Р МЭК 60617-DB-12M-2015ГОСТ Р МЭК 60617-DB-12M-2015ГОСТ Р МЭК 60617-DB-12M-2015ГОСТ Р МЭК 60617-DB-12M-2015ГОСТ Р МЭК 60617-DB-12M-2015ГОСТ Р МЭК 60617-DB-12M-2015ГОСТ Р МЭК 60617-DB-12M-2015ГОСТ Р МЭК 60617-DB-12M-2015ГОСТ Р МЭК 60617-DB-12M-2015ГОСТ Р МЭК 60617-DB-12M-2015ГОСТ Р МЭК 60617-DB-12M-2015ГОСТ Р МЭК 60617-DB-12M-2015ГОСТ Р МЭК 60617-DB-12M-2015ГОСТ Р МЭК 60617-DB-12M-2015ГОСТ Р МЭК 60617-DB-12M-2015ГОСТ Р МЭК 60617-DB-12M-2015ГОСТ Р МЭК 60617-DB-12M-2015ГОСТ Р МЭК 60617-DB-12M-2015ГОСТ Р МЭК 60617-DB-12M-2015ГОСТ Р МЭК 60617-DB-12M-2015ГОСТ Р МЭК 60617-DB-12M-2015ГОСТ Р МЭК 60617-DB-12M-2015ГОСТ Р МЭК 60617-DB-12M-2015ГОСТ Р МЭК 60617-DB-12M-2015ГОСТ Р МЭК 60617-DB-12M-2015ГОСТ Р МЭК 60617-DB-12M-2015ГОСТ Р МЭК 60617-DB-12M-2015ГОСТ Р МЭК 60617-DB-12M-2015ГОСТ Р МЭК 60617-DB-12M-2015ГОСТ Р МЭК 60617-DB-12M-2015ГОСТ Р МЭК 60617-DB-12M-2015ГОСТ Р МЭК 60617-DB-12M-2015ГОСТ Р МЭК 60617-DB-12M-2015ГОСТ Р МЭК 60617-DB-12M-2015ГОСТ Р МЭК 60617-DB-12M-2015ГОСТ Р МЭК 60617-DB-12M-2015ГОСТ Р МЭК 60617-DB-12M-2015ГОСТ Р МЭК 60617-DB-12M-2015ГОСТ Р МЭК 60617-DB-12M-2015ГОСТ Р МЭК 60617-DB-12M-2015ГОСТ Р МЭК 60617-DB-12M-2015ГОСТ Р МЭК 60617-DB-12M-2015ГОСТ Р МЭК 60617-DB-12M-2015ГОСТ Р МЭК 60617-DB-12M-2015ГОСТ Р МЭК 60617-DB-12M-2015ГОСТ Р МЭК 60617-DB-12M-2015ГОСТ Р МЭК 60617-DB-12M-2015ГОСТ Р МЭК 60617-DB-12M-2015ГОСТ Р МЭК 60617-DB-12M-2015ГОСТ Р МЭК 60617-DB-12M-2015ГОСТ Р МЭК 60617-DB-12M-2015ГОСТ Р МЭК 60617-DB-12M-2015ГОСТ Р МЭК 60617-DB-12M-2015ГОСТ Р МЭК 60617-DB-12M-2015ГОСТ Р МЭК 60617-DB-12M-2015ГОСТ Р МЭК 60617-DB-12M-2015ГОСТ Р МЭК 60617-DB-12M-2015ГОСТ Р МЭК 60617-DB-12M-2015ГОСТ Р МЭК 60617-DB-12M-2015ГОСТ Р МЭК 60617-DB-12M-2015ГОСТ Р МЭК 60617-DB-12M-2015ГОСТ Р МЭК 60617-DB-12M-2015ГОСТ Р МЭК 60617-DB-12M-2015ГОСТ Р МЭК 60617-DB-12M-2015ГОСТ Р МЭК 60617-DB-12M-2015ГОСТ Р МЭК 60617-DB-12M-2015ГОСТ Р МЭК 60617-DB-12M-2015ГОСТ Р МЭК 60617-DB-12M-2015ГОСТ Р МЭК 60617-DB-12M-2015ГОСТ Р МЭК 60617-DB-12M-2015ГОСТ Р МЭК 60617-DB-12M-2015ГОСТ Р МЭК 60617-DB-12M-2015ГОСТ Р МЭК 60617-DB-12M-2015ГОСТ Р МЭК 60617-DB-12M-2015ГОСТ Р МЭК 60617-DB-12M-2015ГОСТ Р МЭК 60617-DB-12M-2015ГОСТ Р МЭК 60617-DB-12M-2015ГОСТ Р МЭК 60617-DB-12M-2015ГОСТ Р МЭК 60617-DB-12M-2015ГОСТ Р МЭК 60617-DB-12M-2015ГОСТ Р МЭК 60617-DB-12M-2015ГОСТ Р МЭК 60617-DB-12M-2015ГОСТ Р МЭК 60617-DB-12M-2015ГОСТ Р МЭК 60617-DB-12M-2015ГОСТ Р МЭК 60617-DB-12M-2015ГОСТ Р МЭК 60617-DB-12M-2015ГОСТ Р МЭК 60617-DB-12M-2015ГОСТ Р МЭК 60617-DB-12M-2015ГОСТ Р МЭК 60617-DB-12M-2015ГОСТ Р МЭК 60617-DB-12M-2015ГОСТ Р МЭК 60617-DB-12M-2015ГОСТ Р МЭК 60617-DB-12M-2015ГОСТ Р МЭК 60617-DB-12M-2015ГОСТ Р МЭК 60617-DB-12M-2015ГОСТ Р МЭК 60617-DB-12M-2015ГОСТ Р МЭК 60617-DB-12M-2015ГОСТ Р МЭК 60617-DB-12M-2015ГОСТ Р МЭК 60617-DB-12M-2015ГОСТ Р МЭК 60617-DB-12M-2015ГОСТ Р МЭК 60617-DB-12M-2015ГОСТ Р МЭК 60617-DB-12M-2015ГОСТ Р МЭК 60617-DB-12M-2015ГОСТ Р МЭК 60617-DB-12M-2015ГОСТ Р МЭК 60617-DB-12M-2015ГОСТ Р МЭК 60617-DB-12M-2015ГОСТ Р МЭК 60617-DB-12M-2015ГОСТ Р МЭК 60617-DB-12M-2015ГОСТ Р МЭК 60617-DB-12M-2015ГОСТ Р МЭК 60617-DB-12M-2015ГОСТ Р МЭК 60617-DB-12M-2015ГОСТ Р МЭК 60617-DB-12M-2015ГОСТ Р МЭК 60617-DB-12M-2015ГОСТ Р МЭК 60617-DB-12M-2015ГОСТ Р МЭК 60617-DB-12M-2015ГОСТ Р МЭК 60617-DB-12M-2015ГОСТ Р МЭК 60617-DB-12M-2015ГОСТ Р МЭК 60617-DB-12M-2015ГОСТ Р МЭК 60617-DB-12M-2015ГОСТ Р МЭК 60617-DB-12M-2015ГОСТ Р МЭК 60617-DB-12M-2015ГОСТ Р МЭК 60617-DB-12M-2015ГОСТ Р МЭК 60617-DB-12M-2015ГОСТ Р МЭК 60617-DB-12M-2015ГОСТ Р МЭК 60617-DB-12M-2015ГОСТ Р МЭК 60617-DB-12M-2015ГОСТ Р МЭК 60617-DB-12M-2015ГОСТ Р МЭК 60617-DB-12M-2015ГОСТ Р МЭК 60617-DB-12M-2015ГОСТ Р МЭК 60617-DB-12M-2015ГОСТ Р МЭК 60617-DB-12M-2015ГОСТ Р МЭК 60617-DB-12M-2015ГОСТ Р МЭК 60617-DB-12M-2015ГОСТ Р МЭК 60617-DB-12M-2015ГОСТ Р МЭК 60617-DB-12M-2015ГОСТ Р МЭК 60617-DB-12M-2015ГОСТ Р МЭК 60617-DB-12M-2015ГОСТ Р МЭК 60617-DB-12M-2015ГОСТ Р МЭК 60617-DB-12M-2015ГОСТ Р МЭК 60617-DB-12M-2015ГОСТ Р МЭК 60617-DB-12M-2015ГОСТ Р МЭК 60617-DB-12M-2015ГОСТ Р МЭК 60617-DB-12M-2015ГОСТ Р МЭК 60617-DB-12M-2015ГОСТ Р МЭК 60617-DB-12M-2015ГОСТ Р МЭК 60617-DB-12M-2015ГОСТ Р МЭК 60617-DB-12M-2015ГОСТ Р МЭК 60617-DB-12M-2015ГОСТ Р МЭК 60617-DB-12M-2015ГОСТ Р МЭК 60617-DB-12M-2015ГОСТ Р МЭК 60617-DB-12M-2015ГОСТ Р МЭК 60617-DB-12M-2015ГОСТ Р МЭК 60617-DB-12M-2015ГОСТ Р МЭК 60617-DB-12M-2015ГОСТ Р МЭК 60617-DB-12M-2015ГОСТ Р МЭК 60617-DB-12M-2015ГОСТ Р МЭК 60617-DB-12M-2015ГОСТ Р МЭК 60617-DB-12M-2015ГОСТ Р МЭК 60617-DB-12M-2015ГОСТ Р МЭК 60617-DB-12M-2015ГОСТ Р МЭК 60617-DB-12M-2015ГОСТ Р МЭК 60617-DB-12M-2015ГОСТ Р МЭК 60617-DB-12M-2015ГОСТ Р МЭК 60617-DB-12M-2015ГОСТ Р МЭК 60617-DB-12M-2015ГОСТ Р МЭК 60617-DB-12M-2015ГОСТ Р МЭК 60617-DB-12M-2015ГОСТ Р МЭК 60617-DB-12M-2015ГОСТ Р МЭК 60617-DB-12M-2015ГОСТ Р МЭК 60617-DB-12M-2015ГОСТ Р МЭК 60617-DB-12M-2015ГОСТ Р МЭК 60617-DB-12M-2015ГОСТ Р МЭК 60617-DB-12M-2015ГОСТ Р МЭК 60617-DB-12M-2015ГОСТ Р МЭК 60617-DB-12M-2015ГОСТ Р МЭК 60617-DB-12M-2015ГОСТ Р МЭК 60617-DB-12M-2015ГОСТ Р МЭК 60617-DB-12M-2015ГОСТ Р МЭК 60617-DB-12M-2015ГОСТ Р МЭК 60617-DB-12M-2015ГОСТ Р МЭК 60617-DB-12M-2015ГОСТ Р МЭК 60617-DB-12M-2015ГОСТ Р МЭК 60617-DB-12M-2015ГОСТ Р МЭК 60617-DB-12M-2015ГОСТ Р МЭК 60617-DB-12M-2015ГОСТ Р МЭК 60617-DB-12M-2015ГОСТ Р МЭК 60617-DB-12M-2015ГОСТ Р МЭК 60617-DB-12M-2015ГОСТ Р МЭК 60617-DB-12M-2015ГОСТ Р МЭК 60617-DB-12M-2015ГОСТ Р МЭК 60617-DB-12M-2015ГОСТ Р МЭК 60617-DB-12M-2015ГОСТ Р МЭК 60617-DB-12M-2015ГОСТ Р МЭК 60617-DB-12M-2015ГОСТ Р МЭК 60617-DB-12M-2015ГОСТ Р МЭК 60617-DB-12M-2015ГОСТ Р МЭК 60617-DB-12M-2015ГОСТ Р МЭК 60617-DB-12M-2015ГОСТ Р МЭК 60617-DB-12M-2015ГОСТ Р МЭК 60617-DB-12M-2015ГОСТ Р МЭК 60617-DB-12M-2015ГОСТ Р МЭК 60617-DB-12M-2015ГОСТ Р МЭК 60617-DB-12M-2015ГОСТ Р МЭК 60617-DB-12M-2015ГОСТ Р МЭК 60617-DB-12M-2015ГОСТ Р МЭК 60617-DB-12M-2015ГОСТ Р МЭК 60617-DB-12M-2015ГОСТ Р МЭК 60617-DB-12M-2015ГОСТ Р МЭК 60617-DB-12M-2015ГОСТ Р МЭК 60617-DB-12M-2015ГОСТ Р МЭК 60617-DB-12M-2015ГОСТ Р МЭК 60617-DB-12M-2015ГОСТ Р МЭК 60617-DB-12M-2015ГОСТ Р МЭК 60617-DB-12M-2015ГОСТ Р МЭК 60617-DB-12M-2015ГОСТ Р МЭК 60617-DB-12M-2015ГОСТ Р МЭК 60617-DB-12M-2015ГОСТ Р МЭК 60617-DB-12M-2015ГОСТ Р МЭК 60617-DB-12M-2015ГОСТ Р МЭК 60617-DB-12M-2015ГОСТ Р МЭК 60617-DB-12M-2015ГОСТ Р МЭК 60617-DB-12M-2015ГОСТ Р МЭК 60617-DB-12M-2015ГОСТ Р МЭК 60617-DB-12M-2015ГОСТ Р МЭК 60617-DB-12M-2015ГОСТ Р МЭК 60617-DB-12M-2015ГОСТ Р МЭК 60617-DB-12M-2015ГОСТ Р МЭК 60617-DB-12M-2015ГОСТ Р МЭК 60617-DB-12M-2015ГОСТ Р МЭК 60617-DB-12M-2015ГОСТ Р МЭК 60617-DB-12M-2015ГОСТ Р МЭК 60617-DB-12M-2015ГОСТ Р МЭК 60617-DB-12M-2015ГОСТ Р МЭК 60617-DB-12M-2015ГОСТ Р МЭК 60617-DB-12M-2015ГОСТ Р МЭК 60617-DB-12M-2015ГОСТ Р МЭК 60617-DB-12M-2015ГОСТ Р МЭК 60617-DB-12M-2015ГОСТ Р МЭК 60617-DB-12M-2015ГОСТ Р МЭК 60617-DB-12M-2015ГОСТ Р МЭК 60617-DB-12M-2015ГОСТ Р МЭК 60617-DB-12M-2015ГОСТ Р МЭК 60617-DB-12M-2015ГОСТ Р МЭК 60617-DB-12M-2015ГОСТ Р МЭК 60617-DB-12M-2015ГОСТ Р МЭК 60617-DB-12M-2015ГОСТ Р МЭК 60617-DB-12M-2015ГОСТ Р МЭК 60617-DB-12M-2015ГОСТ Р МЭК 60617-DB-12M-2015ГОСТ Р МЭК 60617-DB-12M-2015ГОСТ Р МЭК 60617-DB-12M-2015ГОСТ Р МЭК 60617-DB-12M-2015ГОСТ Р МЭК 60617-DB-12M-2015ГОСТ Р МЭК 60617-DB-12M-2015ГОСТ Р МЭК 60617-DB-12M-2015ГОСТ Р МЭК 60617-DB-12M-2015ГОСТ Р МЭК 60617-DB-12M-2015ГОСТ Р МЭК 60617-DB-12M-2015ГОСТ Р МЭК 60617-DB-12M-2015ГОСТ Р МЭК 60617-DB-12M-2015ГОСТ Р МЭК 60617-DB-12M-2015ГОСТ Р МЭК 60617-DB-12M-2015ГОСТ Р МЭК 60617-DB-12M-2015ГОСТ Р МЭК 60617-DB-12M-2015ГОСТ Р МЭК 60617-DB-12M-2015ГОСТ Р МЭК 60617-DB-12M-2015ГОСТ Р МЭК 60617-DB-12M-2015ГОСТ Р МЭК 60617-DB-12M-2015ГОСТ Р МЭК 60617-DB-12M-2015ГОСТ Р МЭК 60617-DB-12M-2015ГОСТ Р МЭК 60617-DB-12M-2015ГОСТ Р МЭК 60617-DB-12M-2015ГОСТ Р МЭК 60617-DB-12M-2015ГОСТ Р МЭК 60617-DB-12M-2015ГОСТ Р МЭК 60617-DB-12M-2015ГОСТ Р МЭК 60617-DB-12M-2015ГОСТ Р МЭК 60617-DB-12M-2015ГОСТ Р МЭК 60617-DB-12M-2015ГОСТ Р МЭК 60617-DB-12M-2015ГОСТ Р МЭК 60617-DB-12M-2015ГОСТ Р МЭК 60617-DB-12M-2015ГОСТ Р МЭК 60617-DB-12M-2015ГОСТ Р МЭК 60617-DB-12M-2015ГОСТ Р МЭК 60617-DB-12M-2015ГОСТ Р МЭК 60617-DB-12M-2015ГОСТ Р МЭК 60617-DB-12M-2015ГОСТ Р МЭК 60617-DB-12M-2015ГОСТ Р МЭК 60617-DB-12M-2015ГОСТ Р МЭК 60617-DB-12M-2015ГОСТ Р МЭК 60617-DB-12M-2015ГОСТ Р МЭК 60617-DB-12M-2015ГОСТ Р МЭК 60617-DB-12M-2015ГОСТ Р МЭК 60617-DB-12M-2015ГОСТ Р МЭК 60617-DB-12M-2015ГОСТ Р МЭК 60617-DB-12M-2015ГОСТ Р МЭК 60617-DB-12M-2015ГОСТ Р МЭК 60617-DB-12M-2015ГОСТ Р МЭК 60617-DB-12M-2015ГОСТ Р МЭК 60617-DB-12M-2015ГОСТ Р МЭК 60617-DB-12M-2015ГОСТ Р МЭК 60617-DB-12M-2015ГОСТ Р МЭК 60617-DB-12M-2015ГОСТ Р МЭК 60617-DB-12M-2015ГОСТ Р МЭК 60617-DB-12M-2015ГОСТ Р МЭК 60617-DB-12M-2015ГОСТ Р МЭК 60617-DB-12M-2015ГОСТ Р МЭК 60617-DB-12M-2015ГОСТ Р МЭК 60617-DB-12M-2015ГОСТ Р МЭК 60617-DB-12M-2015ГОСТ Р МЭК 60617-DB-12M-2015ГОСТ Р МЭК 60617-DB-12M-2015ГОСТ Р МЭК 60617-DB-12M-2015ГОСТ Р МЭК 60617-DB-12M-2015ГОСТ Р МЭК 60617-DB-12M-2015ГОСТ Р МЭК 60617-DB-12M-2015ГОСТ Р МЭК 60617-DB-12M-2015ГОСТ Р МЭК 60617-DB-12M-2015ГОСТ Р МЭК 60617-DB-12M-2015ГОСТ Р МЭК 60617-DB-12M-2015ГОСТ Р МЭК 60617-DB-12M-2015ГОСТ Р МЭК 60617-DB-12M-2015ГОСТ Р МЭК 60617-DB-12M-2015ГОСТ Р МЭК 60617-DB-12M-2015ГОСТ Р МЭК 60617-DB-12M-2015ГОСТ Р МЭК 60617-DB-12M-2015ГОСТ Р МЭК 60617-DB-12M-2015ГОСТ Р МЭК 60617-DB-12M-2015ГОСТ Р МЭК 60617-DB-12M-2015ГОСТ Р МЭК 60617-DB-12M-2015ГОСТ Р МЭК 60617-DB-12M-2015ГОСТ Р МЭК 60617-DB-12M-2015ГОСТ Р МЭК 60617-DB-12M-2015ГОСТ Р МЭК 60617-DB-12M-2015ГОСТ Р МЭК 60617-DB-12M-2015ГОСТ Р МЭК 60617-DB-12M-2015ГОСТ Р МЭК 60617-DB-12M-2015ГОСТ Р МЭК 60617-DB-12M-2015ГОСТ Р МЭК 60617-DB-12M-2015ГОСТ Р МЭК 60617-DB-12M-2015ГОСТ Р МЭК 60617-DB-12M-2015ГОСТ Р МЭК 60617-DB-12M-2015ГОСТ Р МЭК 60617-DB-12M-2015ГОСТ Р МЭК 60617-DB-12M-2015ГОСТ Р МЭК 60617-DB-12M-2015ГОСТ Р МЭК 60617-DB-12M-2015ГОСТ Р МЭК 60617-DB-12M-2015ГОСТ Р МЭК 60617-DB-12M-2015ГОСТ Р МЭК 60617-DB-12M-2015ГОСТ Р МЭК 60617-DB-12M-2015ГОСТ Р МЭК 60617-DB-12M-2015ГОСТ Р МЭК 60617-DB-12M-2015ГОСТ Р МЭК 60617-DB-12M-2015ГОСТ Р МЭК 60617-DB-12M-2015ГОСТ Р МЭК 60617-DB-12M-2015ГОСТ Р МЭК 60617-DB-12M-2015ГОСТ Р МЭК 60617-DB-12M-2015ГОСТ Р МЭК 60617-DB-12M-2015ГОСТ Р МЭК 60617-DB-12M-2015ГОСТ Р МЭК 60617-DB-12M-2015ГОСТ Р МЭК 60617-DB-12M-2015ГОСТ Р МЭК 60617-DB-12M-2015ГОСТ Р МЭК 60617-DB-12M-2015ГОСТ Р МЭК 60617-DB-12M-2015ГОСТ Р МЭК 60617-DB-12M-2015ГОСТ Р МЭК 60617-DB-12M-2015ГОСТ Р МЭК 60617-DB-12M-2015ГОСТ Р МЭК 60617-DB-12M-2015ГОСТ Р МЭК 60617-DB-12M-2015ГОСТ Р МЭК 60617-DB-12M-2015ГОСТ Р МЭК 60617-DB-12M-2015ГОСТ Р МЭК 60617-DB-12M-2015ГОСТ Р МЭК 60617-DB-12M-2015ГОСТ Р МЭК 60617-DB-12M-2015ГОСТ Р МЭК 60617-DB-12M-2015ГОСТ Р МЭК 60617-DB-12M-2015ГОСТ Р МЭК 60617-DB-12M-2015ГОСТ Р МЭК 60617-DB-12M-2015ГОСТ Р МЭК 60617-DB-12M-2015ГОСТ Р МЭК 60617-DB-12M-2015ГОСТ Р МЭК 60617-DB-12M-2015ГОСТ Р МЭК 60617-DB-12M-2015ГОСТ Р МЭК 60617-DB-12M-2015ГОСТ Р МЭК 60617-DB-12M-2015ГОСТ Р МЭК 60617-DB-12M-2015ГОСТ Р МЭК 60617-DB-12M-2015ГОСТ Р МЭК 60617-DB-12M-2015ГОСТ Р МЭК 60617-DB-12M-2015ГОСТ Р МЭК 60617-DB-12M-2015ГОСТ Р МЭК 60617-DB-12M-2015ГОСТ Р МЭК 60617-DB-12M-2015ГОСТ Р МЭК 60617-DB-12M-2015ГОСТ Р МЭК 60617-DB-12M-2015ГОСТ Р МЭК 60617-DB-12M-2015ГОСТ Р МЭК 60617-DB-12M-2015ГОСТ Р МЭК 60617-DB-12M-2015ГОСТ Р МЭК 60617-DB-12M-2015ГОСТ Р МЭК 60617-DB-12M-2015ГОСТ Р МЭК 60617-DB-12M-2015ГОСТ Р МЭК 60617-DB-12M-2015ГОСТ Р МЭК 60617-DB-12M-2015ГОСТ Р МЭК 60617-DB-12M-2015ГОСТ Р МЭК 60617-DB-12M-2015ГОСТ Р МЭК 60617-DB-12M-2015ГОСТ Р МЭК 60617-DB-12M-2015ГОСТ Р МЭК 60617-DB-12M-2015ГОСТ Р МЭК 60617-DB-12M-2015ГОСТ Р МЭК 60617-DB-12M-2015ГОСТ Р МЭК 60617-DB-12M-2015ГОСТ Р МЭК 60617-DB-12M-2015ГОСТ Р МЭК 60617-DB-12M-2015ГОСТ Р МЭК 60617-DB-12M-2015ГОСТ Р МЭК 60617-DB-12M-2015ГОСТ Р МЭК 60617-DB-12M-2015ГОСТ Р МЭК 60617-DB-12M-2015ГОСТ Р МЭК 60617-DB-12M-2015ГОСТ Р МЭК 60617-DB-12M-2015ГОСТ Р МЭК 60617-DB-12M-2015ГОСТ Р МЭК 60617-DB-12M-2015ГОСТ Р МЭК 60617-DB-12M-2015ГОСТ Р МЭК 60617-DB-12M-2015ГОСТ Р МЭК 60617-DB-12M-2015ГОСТ Р МЭК 60617-DB-12M-2015ГОСТ Р МЭК 60617-DB-12M-2015ГОСТ Р МЭК 60617-DB-12M-2015ГОСТ Р МЭК 60617-DB-12M-2015ГОСТ Р МЭК 60617-DB-12M-2015ГОСТ Р МЭК 60617-DB-12M-2015ГОСТ Р МЭК 60617-DB-12M-2015ГОСТ Р МЭК 60617-DB-12M-2015ГОСТ Р МЭК 60617-DB-12M-2015ГОСТ Р МЭК 60617-DB-12M-2015ГОСТ Р МЭК 60617-DB-12M-2015ГОСТ Р МЭК 60617-DB-12M-2015ГОСТ Р МЭК 60617-DB-12M-2015ГОСТ Р МЭК 60617-DB-12M-2015ГОСТ Р МЭК 60617-DB-12M-2015ГОСТ Р МЭК 60617-DB-12M-2015ГОСТ Р МЭК 60617-DB-12M-2015ГОСТ Р МЭК 60617-DB-12M-2015ГОСТ Р МЭК 60617-DB-12M-2015ГОСТ Р МЭК 60617-DB-12M-2015ГОСТ Р МЭК 60617-DB-12M-2015ГОСТ Р МЭК 60617-DB-12M-2015ГОСТ Р МЭК 60617-DB-12M-2015ГОСТ Р МЭК 60617-DB-12M-2015ГОСТ Р МЭК 60617-DB-12M-2015ГОСТ Р МЭК 60617-DB-12M-2015ГОСТ Р МЭК 60617-DB-12M-2015ГОСТ Р МЭК 60617-DB-12M-2015ГОСТ Р МЭК 60617-DB-12M-2015ГОСТ Р МЭК 60617-DB-12M-2015ГОСТ Р МЭК 60617-DB-12M-2015ГОСТ Р МЭК 60617-DB-12M-2015ГОСТ Р МЭК 60617-DB-12M-2015ГОСТ Р МЭК 60617-DB-12M-2015ГОСТ Р МЭК 60617-DB-12M-2015ГОСТ Р МЭК 60617-DB-12M-2015ГОСТ Р МЭК 60617-DB-12M-2015ГОСТ Р МЭК 60617-DB-12M-2015ГОСТ Р МЭК 60617-DB-12M-2015ГОСТ Р МЭК 60617-DB-12M-2015ГОСТ Р МЭК 60617-DB-12M-2015ГОСТ Р МЭК 60617-DB-12M-2015ГОСТ Р МЭК 60617-DB-12M-2015ГОСТ Р МЭК 60617-DB-12M-2015ГОСТ Р МЭК 60617-DB-12M-2015ГОСТ Р МЭК 60617-DB-12M-2015ГОСТ Р МЭК 60617-DB-12M-2015ГОСТ Р МЭК 60617-DB-12M-2015ГОСТ Р МЭК 60617-DB-12M-2015ГОСТ Р МЭК 60617-DB-12M-2015ГОСТ Р МЭК 60617-DB-12M-2015ГОСТ Р МЭК 60617-DB-12M-2015ГОСТ Р МЭК 60617-DB-12M-2015ГОСТ Р МЭК 60617-DB-12M-2015ГОСТ Р МЭК 60617-DB-12M-2015ГОСТ Р МЭК 60617-DB-12M-2015ГОСТ Р МЭК 60617-DB-12M-2015ГОСТ Р МЭК 60617-DB-12M-2015ГОСТ Р МЭК 60617-DB-12M-2015ГОСТ Р МЭК 60617-DB-12M-2015ГОСТ Р МЭК 60617-DB-12M-2015ГОСТ Р МЭК 60617-DB-12M-2015ГОСТ Р МЭК 60617-DB-12M-2015ГОСТ Р МЭК 60617-DB-12M-2015ГОСТ Р МЭК 60617-DB-12M-2015ГОСТ Р МЭК 60617-DB-12M-2015ГОСТ Р МЭК 60617-DB-12M-2015ГОСТ Р МЭК 60617-DB-12M-2015ГОСТ Р МЭК 60617-DB-12M-2015ГОСТ Р МЭК 60617-DB-12M-2015ГОСТ Р МЭК 60617-DB-12M-2015ГОСТ Р МЭК 60617-DB-12M-2015ГОСТ Р МЭК 60617-DB-12M-2015ГОСТ Р МЭК 60617-DB-12M-2015ГОСТ Р МЭК 60617-DB-12M-2015ГОСТ Р МЭК 60617-DB-12M-2015ГОСТ Р МЭК 60617-DB-12M-2015ГОСТ Р МЭК 60617-DB-12M-2015ГОСТ Р МЭК 60617-DB-12M-2015ГОСТ Р МЭК 60617-DB-12M-2015ГОСТ Р МЭК 60617-DB-12M-2015ГОСТ Р МЭК 60617-DB-12M-2015ГОСТ Р МЭК 60617-DB-12M-2015ГОСТ Р МЭК 60617-DB-12M-2015ГОСТ Р МЭК 60617-DB-12M-2015ГОСТ Р МЭК 60617-DB-12M-2015ГОСТ Р МЭК 60617-DB-12M-2015ГОСТ Р МЭК 60617-DB-12M-2015ГОСТ Р МЭК 60617-DB-12M-2015ГОСТ Р МЭК 60617-DB-12M-2015ГОСТ Р МЭК 60617-DB-12M-2015ГОСТ Р МЭК 60617-DB-12M-2015ГОСТ Р МЭК 60617-DB-12M-2015ГОСТ Р МЭК 60617-DB-12M-2015ГОСТ Р МЭК 60617-DB-12M-2015ГОСТ Р МЭК 60617-DB-12M-2015ГОСТ Р МЭК 60617-DB-12M-2015ГОСТ Р МЭК 60617-DB-12M-2015ГОСТ Р МЭК 60617-DB-12M-2015ГОСТ Р МЭК 60617-DB-12M-2015ГОСТ Р МЭК 60617-DB-12M-2015ГОСТ Р МЭК 60617-DB-12M-2015ГОСТ Р МЭК 60617-DB-12M-2015ГОСТ Р МЭК 60617-DB-12M-2015ГОСТ Р МЭК 60617-DB-12M-2015ГОСТ Р МЭК 60617-DB-12M-2015ГОСТ Р МЭК 60617-DB-12M-2015ГОСТ Р МЭК 60617-DB-12M-2015ГОСТ Р МЭК 60617-DB-12M-2015ГОСТ Р МЭК 60617-DB-12M-2015ГОСТ Р МЭК 60617-DB-12M-2015ГОСТ Р МЭК 60617-DB-12M-2015ГОСТ Р МЭК 60617-DB-12M-2015ГОСТ Р МЭК 60617-DB-12M-2015ГОСТ Р МЭК 60617-DB-12M-2015ГОСТ Р МЭК 60617-DB-12M-2015ГОСТ Р МЭК 60617-DB-12M-2015ГОСТ Р МЭК 60617-DB-12M-2015ГОСТ Р МЭК 60617-DB-12M-2015ГОСТ Р МЭК 60617-DB-12M-2015ГОСТ Р МЭК 60617-DB-12M-2015ГОСТ Р МЭК 60617-DB-12M-2015ГОСТ Р МЭК 60617-DB-12M-2015ГОСТ Р МЭК 60617-DB-12M-2015ГОСТ Р МЭК 60617-DB-12M-2015ГОСТ Р МЭК 60617-DB-12M-2015ГОСТ Р МЭК 60617-DB-12M-2015ГОСТ Р МЭК 60617-DB-12M-2015ГОСТ Р МЭК 60617-DB-12M-2015ГОСТ Р МЭК 60617-DB-12M-2015ГОСТ Р МЭК 60617-DB-12M-2015ГОСТ Р МЭК 60617-DB-12M-2015ГОСТ Р МЭК 60617-DB-12M-2015ГОСТ Р МЭК 60617-DB-12M-2015ГОСТ Р МЭК 60617-DB-12M-2015ГОСТ Р МЭК 60617-DB-12M-2015ГОСТ Р МЭК 60617-DB-12M-2015ГОСТ Р МЭК 60617-DB-12M-2015ГОСТ Р МЭК 60617-DB-12M-2015ГОСТ Р МЭК 60617-DB-12M-2015ГОСТ Р МЭК 60617-DB-12M-2015ГОСТ Р МЭК 60617-DB-12M-2015ГОСТ Р МЭК 60617-DB-12M-2015ГОСТ Р МЭК 60617-DB-12M-2015ГОСТ Р МЭК 60617-DB-12M-2015ГОСТ Р МЭК 60617-DB-12M-2015ГОСТ Р МЭК 60617-DB-12M-2015ГОСТ Р МЭК 60617-DB-12M-2015ГОСТ Р МЭК 60617-DB-12M-2015ГОСТ Р МЭК 60617-DB-12M-2015ГОСТ Р МЭК 60617-DB-12M-2015ГОСТ Р МЭК 60617-DB-12M-2015ГОСТ Р МЭК 60617-DB-12M-2015ГОСТ Р МЭК 60617-DB-12M-2015ГОСТ Р МЭК 60617-DB-12M-2015ГОСТ Р МЭК 60617-DB-12M-2015ГОСТ Р МЭК 60617-DB-12M-2015ГОСТ Р МЭК 60617-DB-12M-2015ГОСТ Р МЭК 60617-DB-12M-2015ГОСТ Р МЭК 60617-DB-12M-2015ГОСТ Р МЭК 60617-DB-12M-2015ГОСТ Р МЭК 60617-DB-12M-2015ГОСТ Р МЭК 60617-DB-12M-2015ГОСТ Р МЭК 60617-DB-12M-2015ГОСТ Р МЭК 60617-DB-12M-2015ГОСТ Р МЭК 60617-DB-12M-2015ГОСТ Р МЭК 60617-DB-12M-2015ГОСТ Р МЭК 60617-DB-12M-2015ГОСТ Р МЭК 60617-DB-12M-2015ГОСТ Р МЭК 60617-DB-12M-2015ГОСТ Р МЭК 60617-DB-12M-2015ГОСТ Р МЭК 60617-DB-12M-2015ГОСТ Р МЭК 60617-DB-12M-2015ГОСТ Р МЭК 60617-DB-12M-2015ГОСТ Р МЭК 60617-DB-12M-2015ГОСТ Р МЭК 60617-DB-12M-2015ГОСТ Р МЭК 60617-DB-12M-2015ГОСТ Р МЭК 60617-DB-12M-2015ГОСТ Р МЭК 60617-DB-12M-2015ГОСТ Р МЭК 60617-DB-12M-2015ГОСТ Р МЭК 60617-DB-12M-2015ГОСТ Р МЭК 60617-DB-12M-2015ГОСТ Р МЭК 60617-DB-12M-2015ГОСТ Р МЭК 60617-DB-12M-2015ГОСТ Р МЭК 60617-DB-12M-2015ГОСТ Р МЭК 60617-DB-12M-2015ГОСТ Р МЭК 60617-DB-12M-2015ГОСТ Р МЭК 60617-DB-12M-2015ГОСТ Р МЭК 60617-DB-12M-2015ГОСТ Р МЭК 60617-DB-12M-2015ГОСТ Р МЭК 60617-DB-12M-2015ГОСТ Р МЭК 60617-DB-12M-2015ГОСТ Р МЭК 60617-DB-12M-2015ГОСТ Р МЭК 60617-DB-12M-2015ГОСТ Р МЭК 60617-DB-12M-2015ГОСТ Р МЭК 60617-DB-12M-2015ГОСТ Р МЭК 60617-DB-12M-2015ГОСТ Р МЭК 60617-DB-12M-2015ГОСТ Р МЭК 60617-DB-12M-2015ГОСТ Р МЭК 60617-DB-12M-2015ГОСТ Р МЭК 60617-DB-12M-2015ГОСТ Р МЭК 60617-DB-12M-2015ГОСТ Р МЭК 60617-DB-12M-2015ГОСТ Р МЭК 60617-DB-12M-2015ГОСТ Р МЭК 60617-DB-12M-2015ГОСТ Р МЭК 60617-DB-12M-2015ГОСТ Р МЭК 60617-DB-12M-2015ГОСТ Р МЭК 60617-DB-12M-2015ГОСТ Р МЭК 60617-DB-12M-2015ГОСТ Р МЭК 60617-DB-12M-2015ГОСТ Р МЭК 60617-DB-12M-2015ГОСТ Р МЭК 60617-DB-12M-2015ГОСТ Р МЭК 60617-DB-12M-2015ГОСТ Р МЭК 60617-DB-12M-2015ГОСТ Р МЭК 60617-DB-12M-2015ГОСТ Р МЭК 60617-DB-12M-2015ГОСТ Р МЭК 60617-DB-12M-2015ГОСТ Р МЭК 60617-DB-12M-2015ГОСТ Р МЭК 60617-DB-12M-2015ГОСТ Р МЭК 60617-DB-12M-2015ГОСТ Р МЭК 60617-DB-12M-2015ГОСТ Р МЭК 60617-DB-12M-2015ГОСТ Р МЭК 60617-DB-12M-2015ГОСТ Р МЭК 60617-DB-12M-2015ГОСТ Р МЭК 60617-DB-12M-2015ГОСТ Р МЭК 60617-DB-12M-2015ГОСТ Р МЭК 60617-DB-12M-2015ГОСТ Р МЭК 60617-DB-12M-2015ГОСТ Р МЭК 60617-DB-12M-2015ГОСТ Р МЭК 60617-DB-12M-2015ГОСТ Р МЭК 60617-DB-12M-2015ГОСТ Р МЭК 60617-DB-12M-2015ГОСТ Р МЭК 60617-DB-12M-2015ГОСТ Р МЭК 60617-DB-12M-2015ГОСТ Р МЭК 60617-DB-12M-2015ГОСТ Р МЭК 60617-DB-12M-2015ГОСТ Р МЭК 60617-DB-12M-2015ГОСТ Р МЭК 60617-DB-12M-2015ГОСТ Р МЭК 60617-DB-12M-2015ГОСТ Р МЭК 60617-DB-12M-2015ГОСТ Р МЭК 60617-DB-12M-2015ГОСТ Р МЭК 60617-DB-12M-2015ГОСТ Р МЭК 60617-DB-12M-2015ГОСТ Р МЭК 60617-DB-12M-2015ГОСТ Р МЭК 60617-DB-12M-2015ГОСТ Р МЭК 60617-DB-12M-2015ГОСТ Р МЭК 60617-DB-12M-2015ГОСТ Р МЭК 60617-DB-12M-2015ГОСТ Р МЭК 60617-DB-12M-2015ГОСТ Р МЭК 60617-DB-12M-2015ГОСТ Р МЭК 60617-DB-12M-2015ГОСТ Р МЭК 60617-DB-12M-2015ГОСТ Р МЭК 60617-DB-12M-2015ГОСТ Р МЭК 60617-DB-12M-2015ГОСТ Р МЭК 60617-DB-12M-2015ГОСТ Р МЭК 60617-DB-12M-2015ГОСТ Р МЭК 60617-DB-12M-2015ГОСТ Р МЭК 60617-DB-12M-2015ГОСТ Р МЭК 60617-DB-12M-2015ГОСТ Р МЭК 60617-DB-12M-2015ГОСТ Р МЭК 60617-DB-12M-2015ГОСТ Р МЭК 60617-DB-12M-2015ГОСТ Р МЭК 60617-DB-12M-2015ГОСТ Р МЭК 60617-DB-12M-2015ГОСТ Р МЭК 60617-DB-12M-2015ГОСТ Р МЭК 60617-DB-12M-2015ГОСТ Р МЭК 60617-DB-12M-2015ГОСТ Р МЭК 60617-DB-12M-2015ГОСТ Р МЭК 60617-DB-12M-2015ГОСТ Р МЭК 60617-DB-12M-2015ГОСТ Р МЭК 60617-DB-12M-2015ГОСТ Р МЭК 60617-DB-12M-2015ГОСТ Р МЭК 60617-DB-12M-2015ГОСТ Р МЭК 60617-DB-12M-2015ГОСТ Р МЭК 60617-DB-12M-2015ГОСТ Р МЭК 60617-DB-12M-2015ГОСТ Р МЭК 60617-DB-12M-2015ГОСТ Р МЭК 60617-DB-12M-2015ГОСТ Р МЭК 60617-DB-12M-2015ГОСТ Р МЭК 60617-DB-12M-2015ГОСТ Р МЭК 60617-DB-12M-2015ГОСТ Р МЭК 60617-DB-12M-2015ГОСТ Р МЭК 60617-DB-12M-2015ГОСТ Р МЭК 60617-DB-12M-2015ГОСТ Р МЭК 60617-DB-12M-2015ГОСТ Р МЭК 60617-DB-12M-2015ГОСТ Р МЭК 60617-DB-12M-2015ГОСТ Р МЭК 60617-DB-12M-2015ГОСТ Р МЭК 60617-DB-12M-2015ГОСТ Р МЭК 60617-DB-12M-2015ГОСТ Р МЭК 60617-DB-12M-2015ГОСТ Р МЭК 60617-DB-12M-2015ГОСТ Р МЭК 60617-DB-12M-2015ГОСТ Р МЭК 60617-DB-12M-2015ГОСТ Р МЭК 60617-DB-12M-2015ГОСТ Р МЭК 60617-DB-12M-2015ГОСТ Р МЭК 60617-DB-12M-2015ГОСТ Р МЭК 60617-DB-12M-2015ГОСТ Р МЭК 60617-DB-12M-2015ГОСТ Р МЭК 60617-DB-12M-2015ГОСТ Р МЭК 60617-DB-12M-2015ГОСТ Р МЭК 60617-DB-12M-2015ГОСТ Р МЭК 60617-DB-12M-2015ГОСТ Р МЭК 60617-DB-12M-2015ГОСТ Р МЭК 60617-DB-12M-2015ГОСТ Р МЭК 60617-DB-12M-2015ГОСТ Р МЭК 60617-DB-12M-2015ГОСТ Р МЭК 60617-DB-12M-2015ГОСТ Р МЭК 60617-DB-12M-2015ГОСТ Р МЭК 60617-DB-12M-2015ГОСТ Р МЭК 60617-DB-12M-2015ГОСТ Р МЭК 60617-DB-12M-2015ГОСТ Р МЭК 60617-DB-12M-2015ГОСТ Р МЭК 60617-DB-12M-2015ГОСТ Р МЭК 60617-DB-12M-2015ГОСТ Р МЭК 60617-DB-12M-2015ГОСТ Р МЭК 60617-DB-12M-2015ГОСТ Р МЭК 60617-DB-12M-2015ГОСТ Р МЭК 60617-DB-12M-2015ГОСТ Р МЭК 60617-DB-12M-2015ГОСТ Р МЭК 60617-DB-12M-2015ГОСТ Р МЭК 60617-DB-12M-2015ГОСТ Р МЭК 60617-DB-12M-2015ГОСТ Р МЭК 60617-DB-12M-2015ГОСТ Р МЭК 60617-DB-12M-2015ГОСТ Р МЭК 60617-DB-12M-2015ГОСТ Р МЭК 60617-DB-12M-2015ГОСТ Р МЭК 60617-DB-12M-2015ГОСТ Р МЭК 60617-DB-12M-2015ГОСТ Р МЭК 60617-DB-12M-2015ГОСТ Р МЭК 60617-DB-12M-2015ГОСТ Р МЭК 60617-DB-12M-2015ГОСТ Р МЭК 60617-DB-12M-2015ГОСТ Р МЭК 60617-DB-12M-2015ГОСТ Р МЭК 60617-DB-12M-2015ГОСТ Р МЭК 60617-DB-12M-2015ГОСТ Р МЭК 60617-DB-12M-2015ГОСТ Р МЭК 60617-DB-12M-2015ГОСТ Р МЭК 60617-DB-12M-2015ГОСТ Р МЭК 60617-DB-12M-2015ГОСТ Р МЭК 60617-DB-12M-2015ГОСТ Р МЭК 60617-DB-12M-2015ГОСТ Р МЭК 60617-DB-12M-2015ГОСТ Р МЭК 60617-DB-12M-2015ГОСТ Р МЭК 60617-DB-12M-2015ГОСТ Р МЭК 60617-DB-12M-2015ГОСТ Р МЭК 60617-DB-12M-2015ГОСТ Р МЭК 60617-DB-12M-2015ГОСТ Р МЭК 60617-DB-12M-2015ГОСТ Р МЭК 60617-DB-12M-2015ГОСТ Р МЭК 60617-DB-12M-2015ГОСТ Р МЭК 60617-DB-12M-2015ГОСТ Р МЭК 60617-DB-12M-2015ГОСТ Р МЭК 60617-DB-12M-2015ГОСТ Р МЭК 60617-DB-12M-2015ГОСТ Р МЭК 60617-DB-12M-2015ГОСТ Р МЭК 60617-DB-12M-2015ГОСТ Р МЭК 60617-DB-12M-2015ГОСТ Р МЭК 60617-DB-12M-2015ГОСТ Р МЭК 60617-DB-12M-2015ГОСТ Р МЭК 60617-DB-12M-2015ГОСТ Р МЭК 60617-DB-12M-2015ГОСТ Р МЭК 60617-DB-12M-2015ГОСТ Р МЭК 60617-DB-12M-2015ГОСТ Р МЭК 60617-DB-12M-2015ГОСТ Р МЭК 60617-DB-12M-2015ГОСТ Р МЭК 60617-DB-12M-2015ГОСТ Р МЭК 60617-DB-12M-2015ГОСТ Р МЭК 60617-DB-12M-2015ГОСТ Р МЭК 60617-DB-12M-2015ГОСТ Р МЭК 60617-DB-12M-2015ГОСТ Р МЭК 60617-DB-12M-2015ГОСТ Р МЭК 60617-DB-12M-2015ГОСТ Р МЭК 60617-DB-12M-2015ГОСТ Р МЭК 60617-DB-12M-2015ГОСТ Р МЭК 60617-DB-12M-2015ГОСТ Р МЭК 60617-DB-12M-2015ГОСТ Р МЭК 60617-DB-12M-2015ГОСТ Р МЭК 60617-DB-12M-2015ГОСТ Р МЭК 60617-DB-12M-2015ГОСТ Р МЭК 60617-DB-12M-2015ГОСТ Р МЭК 60617-DB-12M-2015ГОСТ Р МЭК 60617-DB-12M-2015ГОСТ Р МЭК 60617-DB-12M-2015ГОСТ Р МЭК 60617-DB-12M-2015ГОСТ Р МЭК 60617-DB-12M-2015ГОСТ Р МЭК 60617-DB-12M-2015ГОСТ Р МЭК 60617-DB-12M-2015ГОСТ Р МЭК 60617-DB-12M-2015ГОСТ Р МЭК 60617-DB-12M-2015ГОСТ Р МЭК 60617-DB-12M-2015ГОСТ Р МЭК 60617-DB-12M-2015ГОСТ Р МЭК 60617-DB-12M-2015ГОСТ Р МЭК 60617-DB-12M-2015ГОСТ Р МЭК 60617-DB-12M-2015ГОСТ Р МЭК 60617-DB-12M-2015ГОСТ Р МЭК 60617-DB-12M-2015ГОСТ Р МЭК 60617-DB-12M-2015ГОСТ Р МЭК 60617-DB-12M-2015ГОСТ Р МЭК 60617-DB-12M-2015ГОСТ Р МЭК 60617-DB-12M-2015ГОСТ Р МЭК 60617-DB-12M-2015ГОСТ Р МЭК 60617-DB-12M-2015ГОСТ Р МЭК 60617-DB-12M-2015ГОСТ Р МЭК 60617-DB-12M-2015ГОСТ Р МЭК 60617-DB-12M-2015ГОСТ Р МЭК 60617-DB-12M-2015ГОСТ Р МЭК 60617-DB-12M-2015ГОСТ Р МЭК 60617-DB-12M-2015ГОСТ Р МЭК 60617-DB-12M-2015ГОСТ Р МЭК 60617-DB-12M-2015ГОСТ Р МЭК 60617-DB-12M-2015ГОСТ Р МЭК 60617-DB-12M-2015ГОСТ Р МЭК 60617-DB-12M-2015ГОСТ Р МЭК 60617-DB-12M-2015ГОСТ Р МЭК 60617-DB-12M-2015ГОСТ Р МЭК 60617-DB-12M-2015ГОСТ Р МЭК 60617-DB-12M-2015ГОСТ Р МЭК 60617-DB-12M-2015ГОСТ Р МЭК 60617-DB-12M-2015ГОСТ Р МЭК 60617-DB-12M-2015ГОСТ Р МЭК 60617-DB-12M-2015ГОСТ Р МЭК 60617-DB-12M-2015ГОСТ Р МЭК 60617-DB-12M-2015ГОСТ Р МЭК 60617-DB-12M-2015ГОСТ Р МЭК 60617-DB-12M-2015ГОСТ Р МЭК 60617-DB-12M-2015ГОСТ Р МЭК 60617-DB-12M-2015ГОСТ Р МЭК 60617-DB-12M-2015ГОСТ Р МЭК 60617-DB-12M-2015ГОСТ Р МЭК 60617-DB-12M-2015ГОСТ Р МЭК 60617-DB-12M-2015ГОСТ Р МЭК 60617-DB-12M-2015ГОСТ Р МЭК 60617-DB-12M-2015ГОСТ Р МЭК 60617-DB-12M-2015ГОСТ Р МЭК 60617-DB-12M-2015ГОСТ Р МЭК 60617-DB-12M-2015ГОСТ Р МЭК 60617-DB-12M-2015ГОСТ Р МЭК 60617-DB-12M-2015ГОСТ Р МЭК 60617-DB-12M-2015ГОСТ Р МЭК 60617-DB-12M-2015ГОСТ Р МЭК 60617-DB-12M-2015ГОСТ Р МЭК 60617-DB-12M-2015ГОСТ Р МЭК 60617-DB-12M-2015ГОСТ Р МЭК 60617-DB-12M-2015ГОСТ Р МЭК 60617-DB-12M-2015ГОСТ Р МЭК 60617-DB-12M-2015ГОСТ Р МЭК 60617-DB-12M-2015ГОСТ Р МЭК 60617-DB-12M-2015ГОСТ Р МЭК 60617-DB-12M-2015ГОСТ Р МЭК 60617-DB-12M-2015ГОСТ Р МЭК 60617-DB-12M-2015ГОСТ Р МЭК 60617-DB-12M-2015ГОСТ Р МЭК 60617-DB-12M-2015ГОСТ Р МЭК 60617-DB-12M-2015ГОСТ Р МЭК 60617-DB-12M-2015ГОСТ Р МЭК 60617-DB-12M-2015ГОСТ Р МЭК 60617-DB-12M-2015ГОСТ Р МЭК 60617-DB-12M-2015ГОСТ Р МЭК 60617-DB-12M-2015ГОСТ Р МЭК 60617-DB-12M-2015ГОСТ Р МЭК 60617-DB-12M-2015ГОСТ Р МЭК 60617-DB-12M-2015ГОСТ Р МЭК 60617-DB-12M-2015ГОСТ Р МЭК 60617-DB-12M-2015ГОСТ Р МЭК 60617-DB-12M-2015ГОСТ Р МЭК 60617-DB-12M-2015ГОСТ Р МЭК 60617-DB-12M-2015ГОСТ Р МЭК 60617-DB-12M-2015ГОСТ Р МЭК 60617-DB-12M-2015ГОСТ Р МЭК 60617-DB-12M-2015ГОСТ Р МЭК 60617-DB-12M-2015ГОСТ Р МЭК 60617-DB-12M-2015ГОСТ Р МЭК 60617-DB-12M-2015ГОСТ Р МЭК 60617-DB-12M-2015ГОСТ Р МЭК 60617-DB-12M-2015ГОСТ Р МЭК 60617-DB-12M-2015ГОСТ Р МЭК 60617-DB-12M-2015ГОСТ Р МЭК 60617-DB-12M-2015ГОСТ Р МЭК 60617-DB-12M-2015ГОСТ Р МЭК 60617-DB-12M-2015ГОСТ Р МЭК 60617-DB-12M-2015ГОСТ Р МЭК 60617-DB-12M-2015ГОСТ Р МЭК 60617-DB-12M-2015ГОСТ Р МЭК 60617-DB-12M-2015ГОСТ Р МЭК 60617-DB-12M-2015ГОСТ Р МЭК 60617-DB-12M-2015ГОСТ Р МЭК 60617-DB-12M-2015ГОСТ Р МЭК 60617-DB-12M-2015ГОСТ Р МЭК 60617-DB-12M-2015ГОСТ Р МЭК 60617-DB-12M-2015ГОСТ Р МЭК 60617-DB-12M-2015ГОСТ Р МЭК 60617-DB-12M-2015ГОСТ Р МЭК 60617-DB-12M-2015ГОСТ Р МЭК 60617-DB-12M-2015ГОСТ Р МЭК 60617-DB-12M-2015ГОСТ Р МЭК 60617-DB-12M-2015ГОСТ Р МЭК 60617-DB-12M-2015ГОСТ Р МЭК 60617-DB-12M-2015ГОСТ Р МЭК 60617-DB-12M-2015ГОСТ Р МЭК 60617-DB-12M-2015ГОСТ Р МЭК 60617-DB-12M-2015ГОСТ Р МЭК 60617-DB-12M-2015ГОСТ Р МЭК 60617-DB-12M-2015ГОСТ Р МЭК 60617-DB-12M-2015ГОСТ Р МЭК 60617-DB-12M-2015ГОСТ Р МЭК 60617-DB-12M-2015ГОСТ Р МЭК 60617-DB-12M-2015ГОСТ Р МЭК 60617-DB-12M-2015ГОСТ Р МЭК 60617-DB-12M-2015ГОСТ Р МЭК 60617-DB-12M-2015ГОСТ Р МЭК 60617-DB-12M-2015ГОСТ Р МЭК 60617-DB-12M-2015ГОСТ Р МЭК 60617-DB-12M-2015ГОСТ Р МЭК 60617-DB-12M-2015ГОСТ Р МЭК 60617-DB-12M-2015ГОСТ Р МЭК 60617-DB-12M-2015ГОСТ Р МЭК 60617-DB-12M-2015ГОСТ Р МЭК 60617-DB-12M-2015ГОСТ Р МЭК 60617-DB-12M-2015ГОСТ Р МЭК 60617-DB-12M-2015ГОСТ Р МЭК 60617-DB-12M-2015ГОСТ Р МЭК 60617-DB-12M-2015ГОСТ Р МЭК 60617-DB-12M-2015ГОСТ Р МЭК 60617-DB-12M-2015ГОСТ Р МЭК 60617-DB-12M-2015ГОСТ Р МЭК 60617-DB-12M-2015ГОСТ Р МЭК 60617-DB-12M-2015ГОСТ Р МЭК 60617-DB-12M-2015ГОСТ Р МЭК 60617-DB-12M-2015ГОСТ Р МЭК 60617-DB-12M-2015ГОСТ Р МЭК 60617-DB-12M-2015ГОСТ Р МЭК 60617-DB-12M-2015ГОСТ Р МЭК 60617-DB-12M-2015ГОСТ Р МЭК 60617-DB-12M-2015ГОСТ Р МЭК 60617-DB-12M-2015ГОСТ Р МЭК 60617-DB-12M-2015ГОСТ Р МЭК 60617-DB-12M-2015ГОСТ Р МЭК 60617-DB-12M-2015ГОСТ Р МЭК 60617-DB-12M-2015ГОСТ Р МЭК 60617-DB-12M-2015ГОСТ Р МЭК 60617-DB-12M-2015ГОСТ Р МЭК 60617-DB-12M-2015ГОСТ Р МЭК 60617-DB-12M-2015ГОСТ Р МЭК 60617-DB-12M-2015ГОСТ Р МЭК 60617-DB-12M-2015ГОСТ Р МЭК 60617-DB-12M-2015ГОСТ Р МЭК 60617-DB-12M-2015ГОСТ Р МЭК 60617-DB-12M-2015ГОСТ Р МЭК 60617-DB-12M-2015ГОСТ Р МЭК 60617-DB-12M-2015ГОСТ Р МЭК 60617-DB-12M-2015ГОСТ Р МЭК 60617-DB-12M-2015ГОСТ Р МЭК 60617-DB-12M-2015ГОСТ Р МЭК 60617-DB-12M-2015ГОСТ Р МЭК 60617-DB-12M-2015ГОСТ Р МЭК 60617-DB-12M-2015ГОСТ Р МЭК 60617-DB-12M-2015ГОСТ Р МЭК 60617-DB-12M-2015ГОСТ Р МЭК 60617-DB-12M-2015ГОСТ Р МЭК 60617-DB-12M-2015ГОСТ Р МЭК 60617-DB-12M-2015ГОСТ Р МЭК 60617-DB-12M-2015ГОСТ Р МЭК 60617-DB-12M-2015ГОСТ Р МЭК 60617-DB-12M-2015ГОСТ Р МЭК 60617-DB-12M-2015ГОСТ Р МЭК 60617-DB-12M-2015ГОСТ Р МЭК 60617-DB-12M-2015ГОСТ Р МЭК 60617-DB-12M-2015ГОСТ Р МЭК 60617-DB-12M-2015ГОСТ Р МЭК 60617-DB-12M-2015ГОСТ Р МЭК 60617-DB-12M-2015ГОСТ Р МЭК 60617-DB-12M-2015ГОСТ Р МЭК 60617-DB-12M-2015ГОСТ Р МЭК 60617-DB-12M-2015ГОСТ Р МЭК 60617-DB-12M-2015ГОСТ Р МЭК 60617-DB-12M-2015ГОСТ Р МЭК 60617-DB-12M-2015ГОСТ Р МЭК 60617-DB-12M-2015ГОСТ Р МЭК 60617-DB-12M-2015ГОСТ Р МЭК 60617-DB-12M-2015ГОСТ Р МЭК 60617-DB-12M-2015ГОСТ Р МЭК 60617-DB-12M-2015ГОСТ Р МЭК 60617-DB-12M-2015ГОСТ Р МЭК 60617-DB-12M-2015ГОСТ Р МЭК 60617-DB-12M-2015ГОСТ Р МЭК 60617-DB-12M-2015ГОСТ Р МЭК 60617-DB-12M-2015ГОСТ Р МЭК 60617-DB-12M-2015ГОСТ Р МЭК 60617-DB-12M-2015ГОСТ Р МЭК 60617-DB-12M-2015ГОСТ Р МЭК 60617-DB-12M-2015ГОСТ Р МЭК 60617-DB-12M-2015ГОСТ Р МЭК 60617-DB-12M-2015ГОСТ Р МЭК 60617-DB-12M-2015ГОСТ Р МЭК 60617-DB-12M-2015ГОСТ Р МЭК 60617-DB-12M-2015ГОСТ Р МЭК 60617-DB-12M-2015ГОСТ Р МЭК 60617-DB-12M-2015ГОСТ Р МЭК 60617-DB-12M-2015ГОСТ Р МЭК 60617-DB-12M-2015ГОСТ Р МЭК 60617-DB-12M-2015ГОСТ Р МЭК 60617-DB-12M-2015ГОСТ Р МЭК 60617-DB-12M-2015ГОСТ Р МЭК 60617-DB-12M-2015ГОСТ Р МЭК 60617-DB-12M-2015ГОСТ Р МЭК 60617-DB-12M-2015ГОСТ Р МЭК 60617-DB-12M-2015ГОСТ Р МЭК 60617-DB-12M-2015ГОСТ Р МЭК 60617-DB-12M-2015ГОСТ Р МЭК 60617-DB-12M-2015ГОСТ Р МЭК 60617-DB-12M-2015ГОСТ Р МЭК 60617-DB-12M-2015ГОСТ Р МЭК 60617-DB-12M-2015ГОСТ Р МЭК 60617-DB-12M-2015ГОСТ Р МЭК 60617-DB-12M-2015ГОСТ Р МЭК 60617-DB-12M-2015ГОСТ Р МЭК 60617-DB-12M-2015ГОСТ Р МЭК 60617-DB-12M-2015ГОСТ Р МЭК 60617-DB-12M-2015ГОСТ Р МЭК 60617-DB-12M-2015ГОСТ Р МЭК 60617-DB-12M-2015ГОСТ Р МЭК 60617-DB-12M-2015ГОСТ Р МЭК 60617-DB-12M-2015ГОСТ Р МЭК 60617-DB-12M-2015ГОСТ Р МЭК 60617-DB-12M-2015ГОСТ Р МЭК 60617-DB-12M-2015ГОСТ Р МЭК 60617-DB-12M-2015ГОСТ Р МЭК 60617-DB-12M-2015ГОСТ Р МЭК 60617-DB-12M-2015ГОСТ Р МЭК 60617-DB-12M-2015ГОСТ Р МЭК 60617-DB-12M-2015ГОСТ Р МЭК 60617-DB-12M-2015ГОСТ Р МЭК 60617-DB-12M-2015ГОСТ Р МЭК 60617-DB-12M-2015ГОСТ Р МЭК 60617-DB-12M-2015ГОСТ Р МЭК 60617-DB-12M-2015ГОСТ Р МЭК 60617-DB-12M-2015ГОСТ Р МЭК 60617-DB-12M-2015ГОСТ Р МЭК 60617-DB-12M-2015ГОСТ Р МЭК 60617-DB-12M-2015ГОСТ Р МЭК 60617-DB-12M-2015ГОСТ Р МЭК 60617-DB-12M-2015ГОСТ Р МЭК 60617-DB-12M-2015ГОСТ Р МЭК 60617-DB-12M-2015ГОСТ Р МЭК 60617-DB-12M-2015ГОСТ Р МЭК 60617-DB-12M-2015ГОСТ Р МЭК 60617-DB-12M-2015ГОСТ Р МЭК 60617-DB-12M-2015ГОСТ Р МЭК 60617-DB-12M-2015ГОСТ Р МЭК 60617-DB-12M-2015ГОСТ Р МЭК 60617-DB-12M-2015ГОСТ Р МЭК 60617-DB-12M-2015ГОСТ Р МЭК 60617-DB-12M-2015ГОСТ Р МЭК 60617-DB-12M-2015ГОСТ Р МЭК 60617-DB-12M-2015ГОСТ Р МЭК 60617-DB-12M-2015ГОСТ Р МЭК 60617-DB-12M-2015ГОСТ Р МЭК 60617-DB-12M-2015ГОСТ Р МЭК 60617-DB-12M-2015ГОСТ Р МЭК 60617-DB-12M-2015ГОСТ Р МЭК 60617-DB-12M-2015ГОСТ Р МЭК 60617-DB-12M-2015ГОСТ Р МЭК 60617-DB-12M-2015ГОСТ Р МЭК 60617-DB-12M-2015ГОСТ Р МЭК 60617-DB-12M-2015ГОСТ Р МЭК 60617-DB-12M-2015ГОСТ Р МЭК 60617-DB-12M-2015ГОСТ Р МЭК 60617-DB-12M-2015ГОСТ Р МЭК 60617-DB-12M-2015ГОСТ Р МЭК 60617-DB-12M-2015ГОСТ Р МЭК 60617-DB-12M-2015ГОСТ Р МЭК 60617-DB-12M-2015ГОСТ Р МЭК 60617-DB-12M-2015ГОСТ Р МЭК 60617-DB-12M-2015ГОСТ Р МЭК 60617-DB-12M-2015ГОСТ Р МЭК 60617-DB-12M-2015ГОСТ Р МЭК 60617-DB-12M-2015ГОСТ Р МЭК 60617-DB-12M-2015ГОСТ Р МЭК 60617-DB-12M-2015ГОСТ Р МЭК 60617-DB-12M-2015ГОСТ Р МЭК 60617-DB-12M-2015ГОСТ Р МЭК 60617-DB-12M-2015ГОСТ Р МЭК 60617-DB-12M-2015ГОСТ Р МЭК 60617-DB-12M-2015ГОСТ Р МЭК 60617-DB-12M-2015ГОСТ Р МЭК 60617-DB-12M-2015ГОСТ Р МЭК 60617-DB-12M-2015ГОСТ Р МЭК 60617-DB-12M-2015ГОСТ Р МЭК 60617-DB-12M-2015ГОСТ Р МЭК 60617-DB-12M-2015ГОСТ Р МЭК 60617-DB-12M-2015ГОСТ Р МЭК 60617-DB-12M-2015ГОСТ Р МЭК 60617-DB-12M-2015ГОСТ Р МЭК 60617-DB-12M-2015ГОСТ Р МЭК 60617-DB-12M-2015ГОСТ Р МЭК 60617-DB-12M-2015ГОСТ Р МЭК 60617-DB-12M-2015ГОСТ Р МЭК 60617-DB-12M-2015ГОСТ Р МЭК 60617-DB-12M-2015ГОСТ Р МЭК 60617-DB-12M-2015ГОСТ Р МЭК 60617-DB-12M-2015ГОСТ Р МЭК 60617-DB-12M-2015ГОСТ Р МЭК 60617-DB-12M-2015ГОСТ Р МЭК 60617-DB-12M-2015ГОСТ Р МЭК 60617-DB-12M-2015ГОСТ Р МЭК 60617-DB-12M-2015ГОСТ Р МЭК 60617-DB-12M-2015ГОСТ Р МЭК 60617-DB-12M-2015ГОСТ Р МЭК 60617-DB-12M-2015ГОСТ Р МЭК 60617-DB-12M-2015ГОСТ Р МЭК 60617-DB-12M-2015ГОСТ Р МЭК 60617-DB-12M-2015ГОСТ Р МЭК 60617-DB-12M-2015ГОСТ Р МЭК 60617-DB-12M-2015ГОСТ Р МЭК 60617-DB-12M-2015ГОСТ Р МЭК 60617-DB-12M-2015ГОСТ Р МЭК 60617-DB-12M-2015ГОСТ Р МЭК 60617-DB-12M-2015ГОСТ Р МЭК 60617-DB-12M-2015ГОСТ Р МЭК 60617-DB-12M-2015ГОСТ Р МЭК 60617-DB-12M-2015ГОСТ Р МЭК 60617-DB-12M-2015ГОСТ Р МЭК 60617-DB-12M-2015ГОСТ Р МЭК 60617-DB-12M-2015ГОСТ Р МЭК 60617-DB-12M-2015ГОСТ Р МЭК 60617-DB-12M-2015ГОСТ Р МЭК 60617-DB-12M-2015ГОСТ Р МЭК 60617-DB-12M-2015ГОСТ Р МЭК 60617-DB-12M-2015ГОСТ Р МЭК 60617-DB-12M-2015ГОСТ Р МЭК 60617-DB-12M-2015ГОСТ Р МЭК 60617-DB-12M-2015ГОСТ Р МЭК 60617-DB-12M-2015ГОСТ Р МЭК 60617-DB-12M-2015ГОСТ Р МЭК 60617-DB-12M-2015ГОСТ Р МЭК 60617-DB-12M-2015ГОСТ Р МЭК 60617-DB-12M-2015ГОСТ Р МЭК 60617-DB-12M-2015ГОСТ Р МЭК 60617-DB-12M-2015ГОСТ Р МЭК 60617-DB-12M-2015ГОСТ Р МЭК 60617-DB-12M-2015ГОСТ Р МЭК 60617-DB-12M-2015ГОСТ Р МЭК 60617-DB-12M-2015ГОСТ Р МЭК 60617-DB-12M-2015ГОСТ Р МЭК 60617-DB-12M-2015ГОСТ Р МЭК 60617-DB-12M-2015ГОСТ Р МЭК 60617-DB-12M-2015ГОСТ Р МЭК 60617-DB-12M-2015ГОСТ Р МЭК 60617-DB-12M-2015ГОСТ Р МЭК 60617-DB-12M-2015ГОСТ Р МЭК 60617-DB-12M-2015ГОСТ Р МЭК 60617-DB-12M-2015ГОСТ Р МЭК 60617-DB-12M-2015ГОСТ Р МЭК 60617-DB-12M-2015ГОСТ Р МЭК 60617-DB-12M-2015ГОСТ Р МЭК 60617-DB-12M-2015ГОСТ Р МЭК 60617-DB-12M-2015ГОСТ Р МЭК 60617-DB-12M-2015ГОСТ Р МЭК 60617-DB-12M-2015ГОСТ Р МЭК 60617-DB-12M-2015ГОСТ Р МЭК 60617-DB-12M-2015ГОСТ Р МЭК 60617-DB-12M-2015ГОСТ Р МЭК 60617-DB-12M-2015ГОСТ Р МЭК 60617-DB-12M-2015ГОСТ Р МЭК 60617-DB-12M-2015ГОСТ Р МЭК 60617-DB-12M-2015ГОСТ Р МЭК 60617-DB-12M-2015ГОСТ Р МЭК 60617-DB-12M-2015ГОСТ Р МЭК 60617-DB-12M-2015ГОСТ Р МЭК 60617-DB-12M-2015ГОСТ Р МЭК 60617-DB-12M-2015ГОСТ Р МЭК 60617-DB-12M-2015ГОСТ Р МЭК 60617-DB-12M-2015ГОСТ Р МЭК 60617-DB-12M-2015ГОСТ Р МЭК 60617-DB-12M-2015ГОСТ Р МЭК 60617-DB-12M-2015ГОСТ Р МЭК 60617-DB-12M-2015ГОСТ Р МЭК 60617-DB-12M-2015ГОСТ Р МЭК 60617-DB-12M-2015ГОСТ Р МЭК 60617-DB-12M-2015ГОСТ Р МЭК 60617-DB-12M-2015ГОСТ Р МЭК 60617-DB-12M-2015ГОСТ Р МЭК 60617-DB-12M-2015ГОСТ Р МЭК 60617-DB-12M-2015ГОСТ Р МЭК 60617-DB-12M-2015ГОСТ Р МЭК 60617-DB-12M-2015ГОСТ Р МЭК 60617-DB-12M-2015ГОСТ Р МЭК 60617-DB-12M-2015ГОСТ Р МЭК 60617-DB-12M-2015ГОСТ Р МЭК 60617-DB-12M-2015ГОСТ Р МЭК 60617-DB-12M-2015ГОСТ Р МЭК 60617-DB-12M-2015ГОСТ Р МЭК 60617-DB-12M-2015ГОСТ Р МЭК 60617-DB-12M-2015ГОСТ Р МЭК 60617-DB-12M-2015ГОСТ Р МЭК 60617-DB-12M-2015ГОСТ Р МЭК 60617-DB-12M-2015ГОСТ Р МЭК 60617-DB-12M-2015ГОСТ Р МЭК 60617-DB-12M-2015ГОСТ Р МЭК 60617-DB-12M-2015ГОСТ Р МЭК 60617-DB-12M-2015ГОСТ Р МЭК 60617-DB-12M-2015ГОСТ Р МЭК 60617-DB-12M-2015ГОСТ Р МЭК 60617-DB-12M-2015ГОСТ Р МЭК 60617-DB-12M-2015ГОСТ Р МЭК 60617-DB-12M-2015ГОСТ Р МЭК 60617-DB-12M-2015ГОСТ Р МЭК 60617-DB-12M-2015ГОСТ Р МЭК 60617-DB-12M-2015ГОСТ Р МЭК 60617-DB-12M-2015ГОСТ Р МЭК 60617-DB-12M-2015ГОСТ Р МЭК 60617-DB-12M-2015ГОСТ Р МЭК 60617-DB-12M-2015ГОСТ Р МЭК 60617-DB-12M-2015ГОСТ Р МЭК 60617-DB-12M-2015ГОСТ Р МЭК 60617-DB-12M-2015ГОСТ Р МЭК 60617-DB-12M-2015ГОСТ Р МЭК 60617-DB-12M-2015ГОСТ Р МЭК 60617-DB-12M-2015ГОСТ Р МЭК 60617-DB-12M-2015ГОСТ Р МЭК 60617-DB-12M-2015ГОСТ Р МЭК 60617-DB-12M-2015ГОСТ Р МЭК 60617-DB-12M-2015ГОСТ Р МЭК 60617-DB-12M-2015ГОСТ Р МЭК 60617-DB-12M-2015ГОСТ Р МЭК 60617-DB-12M-2015ГОСТ Р МЭК 60617-DB-12M-2015ГОСТ Р МЭК 60617-DB-12M-2015ГОСТ Р МЭК 60617-DB-12M-2015ГОСТ Р МЭК 60617-DB-12M-2015ГОСТ Р МЭК 60617-DB-12M-2015ГОСТ Р МЭК 60617-DB-12M-2015ГОСТ Р МЭК 60617-DB-12M-2015ГОСТ Р МЭК 60617-DB-12M-2015ГОСТ Р МЭК 60617-DB-12M-2015ГОСТ Р МЭК 60617-DB-12M-2015ГОСТ Р МЭК 60617-DB-12M-2015ГОСТ Р МЭК 60617-DB-12M-2015ГОСТ Р МЭК 60617-DB-12M-2015ГОСТ Р МЭК 60617-DB-12M-2015ГОСТ Р МЭК 60617-DB-12M-2015ГОСТ Р МЭК 60617-DB-12M-2015ГОСТ Р МЭК 60617-DB-12M-2015ГОСТ Р МЭК 60617-DB-12M-2015ГОСТ Р МЭК 60617-DB-12M-2015ГОСТ Р МЭК 60617-DB-12M-2015ГОСТ Р МЭК 60617-DB-12M-2015ГОСТ Р МЭК 60617-DB-12M-2015ГОСТ Р МЭК 60617-DB-12M-2015ГОСТ Р МЭК 60617-DB-12M-2015ГОСТ Р МЭК 60617-DB-12M-2015ГОСТ Р МЭК 60617-DB-12M-2015ГОСТ Р МЭК 60617-DB-12M-2015ГОСТ Р МЭК 60617-DB-12M-2015ГОСТ Р МЭК 60617-DB-12M-2015ГОСТ Р МЭК 60617-DB-12M-2015ГОСТ Р МЭК 60617-DB-12M-2015ГОСТ Р МЭК 60617-DB-12M-2015ГОСТ Р МЭК 60617-DB-12M-2015ГОСТ Р МЭК 60617-DB-12M-2015ГОСТ Р МЭК 60617-DB-12M-2015ГОСТ Р МЭК 60617-DB-12M-2015ГОСТ Р МЭК 60617-DB-12M-2015ГОСТ Р МЭК 60617-DB-12M-2015ГОСТ Р МЭК 60617-DB-12M-2015ГОСТ Р МЭК 60617-DB-12M-2015ГОСТ Р МЭК 60617-DB-12M-2015ГОСТ Р МЭК 60617-DB-12M-2015ГОСТ Р МЭК 60617-DB-12M-2015ГОСТ Р МЭК 60617-DB-12M-2015ГОСТ Р МЭК 60617-DB-12M-2015ГОСТ Р МЭК 60617-DB-12M-2015ГОСТ Р МЭК 60617-DB-12M-2015ГОСТ Р МЭК 60617-DB-12M-2015ГОСТ Р МЭК 60617-DB-12M-2015ГОСТ Р МЭК 60617-DB-12M-2015ГОСТ Р МЭК 60617-DB-12M-2015ГОСТ Р МЭК 60617-DB-12M-2015ГОСТ Р МЭК 60617-DB-12M-2015ГОСТ Р МЭК 60617-DB-12M-2015ГОСТ Р МЭК 60617-DB-12M-2015ГОСТ Р МЭК 60617-DB-12M-2015ГОСТ Р МЭК 60617-DB-12M-2015ГОСТ Р МЭК 60617-DB-12M-2015ГОСТ Р МЭК 60617-DB-12M-2015ГОСТ Р МЭК 60617-DB-12M-2015ГОСТ Р МЭК 60617-DB-12M-2015ГОСТ Р МЭК 60617-DB-12M-2015ГОСТ Р МЭК 60617-DB-12M-2015ГОСТ Р МЭК 60617-DB-12M-2015ГОСТ Р МЭК 60617-DB-12M-2015ГОСТ Р МЭК 60617-DB-12M-2015ГОСТ Р МЭК 60617-DB-12M-2015ГОСТ Р МЭК 60617-DB-12M-2015ГОСТ Р МЭК 60617-DB-12M-2015ГОСТ Р МЭК 60617-DB-12M-2015ГОСТ Р МЭК 60617-DB-12M-2015ГОСТ Р МЭК 60617-DB-12M-2015ГОСТ Р МЭК 60617-DB-12M-2015ГОСТ Р МЭК 60617-DB-12M-2015ГОСТ Р МЭК 60617-DB-12M-2015ГОСТ Р МЭК 60617-DB-12M-2015ГОСТ Р МЭК 60617-DB-12M-2015ГОСТ Р МЭК 60617-DB-12M-2015ГОСТ Р МЭК 60617-DB-12M-2015ГОСТ Р МЭК 60617-DB-12M-2015ГОСТ Р МЭК 60617-DB-12M-2015ГОСТ Р МЭК 60617-DB-12M-2015ГОСТ Р МЭК 60617-DB-12M-2015ГОСТ Р МЭК 60617-DB-12M-2015ГОСТ Р МЭК 60617-DB-12M-2015ГОСТ Р МЭК 60617-DB-12M-2015ГОСТ Р МЭК 60617-DB-12M-2015ГОСТ Р МЭК 60617-DB-12M-2015ГОСТ Р МЭК 60617-DB-12M-2015ГОСТ Р МЭК 60617-DB-12M-2015ГОСТ Р МЭК 60617-DB-12M-2015ГОСТ Р МЭК 60617-DB-12M-2015ГОСТ Р МЭК 60617-DB-12M-2015ГОСТ Р МЭК 60617-DB-12M-2015ГОСТ Р МЭК 60617-DB-12M-2015ГОСТ Р МЭК 60617-DB-12M-2015ГОСТ Р МЭК 60617-DB-12M-2015ГОСТ Р МЭК 60617-DB-12M-2015ГОСТ Р МЭК 60617-DB-12M-2015ГОСТ Р МЭК 60617-DB-12M-2015ГОСТ Р МЭК 60617-DB-12M-2015ГОСТ Р МЭК 60617-DB-12M-2015ГОСТ Р МЭК 60617-DB-12M-2015ГОСТ Р МЭК 60617-DB-12M-2015ГОСТ Р МЭК 60617-DB-12M-2015ГОСТ Р МЭК 60617-DB-12M-2015ГОСТ Р МЭК 60617-DB-12M-2015ГОСТ Р МЭК 60617-DB-12M-2015ГОСТ Р МЭК 60617-DB-12M-2015ГОСТ Р МЭК 60617-DB-12M-2015ГОСТ Р МЭК 60617-DB-12M-2015ГОСТ Р МЭК 60617-DB-12M-2015ГОСТ Р МЭК 60617-DB-12M-2015ГОСТ Р МЭК 60617-DB-12M-2015ГОСТ Р МЭК 60617-DB-12M-2015ГОСТ Р МЭК 60617-DB-12M-2015ГОСТ Р МЭК 60617-DB-12M-2015ГОСТ Р МЭК 60617-DB-12M-2015ГОСТ Р МЭК 60617-DB-12M-2015ГОСТ Р МЭК 60617-DB-12M-2015ГОСТ Р МЭК 60617-DB-12M-2015ГОСТ Р МЭК 60617-DB-12M-2015ГОСТ Р МЭК 60617-DB-12M-2015ГОСТ Р МЭК 60617-DB-12M-2015ГОСТ Р МЭК 60617-DB-12M-2015ГОСТ Р МЭК 60617-DB-12M-2015ГОСТ Р МЭК 60617-DB-12M-2015ГОСТ Р МЭК 60617-DB-12M-2015ГОСТ Р МЭК 60617-DB-12M-2015ГОСТ Р МЭК 60617-DB-12M-2015ГОСТ Р МЭК 60617-DB-12M-2015ГОСТ Р МЭК 60617-DB-12M-2015ГОСТ Р МЭК 60617-DB-12M-2015ГОСТ Р МЭК 60617-DB-12M-2015ГОСТ Р МЭК 60617-DB-12M-2015ГОСТ Р МЭК 60617-DB-12M-2015ГОСТ Р МЭК 60617-DB-12M-2015ГОСТ Р МЭК 60617-DB-12M-2015ГОСТ Р МЭК 60617-DB-12M-2015ГОСТ Р МЭК 60617-DB-12M-2015ГОСТ Р МЭК 60617-DB-12M-2015ГОСТ Р МЭК 60617-DB-12M-2015ГОСТ Р МЭК 60617-DB-12M-2015ГОСТ Р МЭК 60617-DB-12M-2015ГОСТ Р МЭК 60617-DB-12M-2015ГОСТ Р МЭК 60617-DB-12M-2015ГОСТ Р МЭК 60617-DB-12M-2015ГОСТ Р МЭК 60617-DB-12M-2015ГОСТ Р МЭК 60617-DB-12M-2015ГОСТ Р МЭК 60617-DB-12M-2015ГОСТ Р МЭК 60617-DB-12M-2015ГОСТ Р МЭК 60617-DB-12M-2015ГОСТ Р МЭК 60617-DB-12M-2015ГОСТ Р МЭК 60617-DB-12M-2015ГОСТ Р МЭК 60617-DB-12M-2015ГОСТ Р МЭК 60617-DB-12M-2015ГОСТ Р МЭК 60617-DB-12M-2015ГОСТ Р МЭК 60617-DB-12M-2015ГОСТ Р МЭК 60617-DB-12M-2015ГОСТ Р МЭК 60617-DB-12M-2015ГОСТ Р МЭК 60617-DB-12M-2015ГОСТ Р МЭК 60617-DB-12M-2015ГОСТ Р МЭК 60617-DB-12M-2015ГОСТ Р МЭК 60617-DB-12M-2015ГОСТ Р МЭК 60617-DB-12M-2015ГОСТ Р МЭК 60617-DB-12M-2015ГОСТ Р МЭК 60617-DB-12M-2015ГОСТ Р МЭК 60617-DB-12M-2015ГОСТ Р МЭК 60617-DB-12M-2015ГОСТ Р МЭК 60617-DB-12M-2015ГОСТ Р МЭК 60617-DB-12M-2015ГОСТ Р МЭК 60617-DB-12M-2015ГОСТ Р МЭК 60617-DB-12M-2015ГОСТ Р МЭК 60617-DB-12M-2015ГОСТ Р МЭК 60617-DB-12M-2015ГОСТ Р МЭК 60617-DB-12M-2015ГОСТ Р МЭК 60617-DB-12M-2015ГОСТ Р МЭК 60617-DB-12M-2015ГОСТ Р МЭК 60617-DB-12M-2015ГОСТ Р МЭК 60617-DB-12M-2015ГОСТ Р МЭК 60617-DB-12M-2015ГОСТ Р МЭК 60617-DB-12M-2015ГОСТ Р МЭК 60617-DB-12M-2015ГОСТ Р МЭК 60617-DB-12M-2015ГОСТ Р МЭК 60617-DB-12M-2015ГОСТ Р МЭК 60617-DB-12M-2015ГОСТ Р МЭК 60617-DB-12M-2015ГОСТ Р МЭК 60617-DB-12M-2015ГОСТ Р МЭК 60617-DB-12M-2015ГОСТ Р МЭК 60617-DB-12M-2015ГОСТ Р МЭК 60617-DB-12M-2015ГОСТ Р МЭК 60617-DB-12M-2015ГОСТ Р МЭК 60617-DB-12M-2015ГОСТ Р МЭК 60617-DB-12M-2015ГОСТ Р МЭК 60617-DB-12M-2015ГОСТ Р МЭК 60617-DB-12M-2015ГОСТ Р МЭК 60617-DB-12M-2015ГОСТ Р МЭК 60617-DB-12M-2015ГОСТ Р МЭК 60617-DB-12M-2015ГОСТ Р МЭК 60617-DB-12M-2015ГОСТ Р МЭК 60617-DB-12M-2015ГОСТ Р МЭК 60617-DB-12M-2015ГОСТ Р МЭК 60617-DB-12M-2015ГОСТ Р МЭК 60617-DB-12M-2015ГОСТ Р МЭК 60617-DB-12M-2015ГОСТ Р МЭК 60617-DB-12M-2015ГОСТ Р МЭК 60617-DB-12M-2015ГОСТ Р МЭК 60617-DB-12M-2015ГОСТ Р МЭК 60617-DB-12M-2015ГОСТ Р МЭК 60617-DB-12M-2015ГОСТ Р МЭК 60617-DB-12M-2015ГОСТ Р МЭК 60617-DB-12M-2015ГОСТ Р МЭК 60617-DB-12M-2015ГОСТ Р МЭК 60617-DB-12M-2015ГОСТ Р МЭК 60617-DB-12M-2015ГОСТ Р МЭК 60617-DB-12M-2015ГОСТ Р МЭК 60617-DB-12M-2015ГОСТ Р МЭК 60617-DB-12M-2015ГОСТ Р МЭК 60617-DB-12M-2015ГОСТ Р МЭК 60617-DB-12M-2015ГОСТ Р МЭК 60617-DB-12M-2015ГОСТ Р МЭК 60617-DB-12M-2015ГОСТ Р МЭК 60617-DB-12M-2015ГОСТ Р МЭК 60617-DB-12M-2015ГОСТ Р МЭК 60617-DB-12M-2015ГОСТ Р МЭК 60617-DB-12M-2015ГОСТ Р МЭК 60617-DB-12M-2015ГОСТ Р МЭК 60617-DB-12M-2015ГОСТ Р МЭК 60617-DB-12M-2015ГОСТ Р МЭК 60617-DB-12M-2015ГОСТ Р МЭК 60617-DB-12M-2015ГОСТ Р МЭК 60617-DB-12M-2015ГОСТ Р МЭК 60617-DB-12M-2015ГОСТ Р МЭК 60617-DB-12M-2015ГОСТ Р МЭК 60617-DB-12M-2015ГОСТ Р МЭК 60617-DB-12M-2015ГОСТ Р МЭК 60617-DB-12M-2015ГОСТ Р МЭК 60617-DB-12M-2015ГОСТ Р МЭК 60617-DB-12M-2015ГОСТ Р МЭК 60617-DB-12M-2015ГОСТ Р МЭК 60617-DB-12M-2015ГОСТ Р МЭК 60617-DB-12M-2015ГОСТ Р МЭК 60617-DB-12M-2015ГОСТ Р МЭК 60617-DB-12M-2015ГОСТ Р МЭК 60617-DB-12M-2015ГОСТ Р МЭК 60617-DB-12M-2015ГОСТ Р МЭК 60617-DB-12M-2015ГОСТ Р МЭК 60617-DB-12M-2015ГОСТ Р МЭК 60617-DB-12M-2015ГОСТ Р МЭК 60617-DB-12M-2015ГОСТ Р МЭК 60617-DB-12M-2015ГОСТ Р МЭК 60617-DB-12M-2015ГОСТ Р МЭК 60617-DB-12M-2015ГОСТ Р МЭК 60617-DB-12M-2015ГОСТ Р МЭК 60617-DB-12M-2015ГОСТ Р МЭК 60617-DB-12M-2015ГОСТ Р МЭК 60617-DB-12M-2015ГОСТ Р МЭК 60617-DB-12M-2015ГОСТ Р МЭК 60617-DB-12M-2015ГОСТ Р МЭК 60617-DB-12M-2015ГОСТ Р МЭК 60617-DB-12M-2015ГОСТ Р МЭК 60617-DB-12M-2015ГОСТ Р МЭК 60617-DB-12M-2015ГОСТ Р МЭК 60617-DB-12M-2015ГОСТ Р МЭК 60617-DB-12M-2015ГОСТ Р МЭК 60617-DB-12M-2015ГОСТ Р МЭК 60617-DB-12M-2015ГОСТ Р МЭК 60617-DB-12M-2015ГОСТ Р МЭК 60617-DB-12M-2015ГОСТ Р МЭК 60617-DB-12M-2015ГОСТ Р МЭК 60617-DB-12M-2015ГОСТ Р МЭК 60617-DB-12M-2015ГОСТ Р МЭК 60617-DB-12M-2015ГОСТ Р МЭК 60617-DB-12M-2015ГОСТ Р МЭК 60617-DB-12M-2015ГОСТ Р МЭК 60617-DB-12M-2015ГОСТ Р МЭК 60617-DB-12M-2015ГОСТ Р МЭК 60617-DB-12M-2015ГОСТ Р МЭК 60617-DB-12M-2015ГОСТ Р МЭК 60617-DB-12M-2015ГОСТ Р МЭК 60617-DB-12M-2015ГОСТ Р МЭК 60617-DB-12M-2015ГОСТ Р МЭК 60617-DB-12M-2015ГОСТ Р МЭК 60617-DB-12M-2015ГОСТ Р МЭК 60617-DB-12M-2015ГОСТ Р МЭК 60617-DB-12M-2015ГОСТ Р МЭК 60617-DB-12M-2015ГОСТ Р МЭК 60617-DB-12M-2015ГОСТ Р МЭК 60617-DB-12M-2015ГОСТ Р МЭК 60617-DB-12M-2015ГОСТ Р МЭК 60617-DB-12M-2015ГОСТ Р МЭК 60617-DB-12M-2015

© 2013 Ёшкин Кот :-) Карта сайта