Информационная система
«Ёшкин Кот»

Скачать базу одним архивом
Скачать обновления
История создания базы
Карта сайта

Скачать РТМ 24.020.30-75 Методика испытаний парогазовых установок

Дата актуализации: 10.08.2017

РТМ 24.020.30-75

Методика испытаний парогазовых установок

Обозначение: РТМ 24.020.30-75
Обозначение англ: RTM 24.020.30-75
Статус:cправочные материалы, мп, тпр
Название рус.:Методика испытаний парогазовых установок
Дата добавления в базу:12.02.2016
Дата актуализации:05.05.2017
Область применения:Руководящий технический материал распространяется на парогазовые установки (ПГУ) электростанций и устанавливает единую методику испытаний ПГУ, выполненных по различным схемам, и их наиболее специфичных агрегатов. Методика испытаний ПГУ предусматривает определение надежности и специфических характеристик отдельных элементов, экономичности установок на номинальном режиме и на режимах, отличных от расчетного, а также содержит рекомендации по выбору измерительных устройств и мест их установки.
Оглавление:1 Классификация испытаний по их назначению
2 Особенности испытаний ПГУ
   2.1 Проведение испытаний
   2.2 Параметры теплоносителей и рабочих тел при испытаниях на частичных нагрузках
3 Организационно-технические вопросы
   3.1 Организация испытаний
   3.2 Тепловая схема блока ПГУ
   3.3 Схема и точность измерений
   3.4 Журналы наблюдений
   3.5 Установка измерительных приборов и приспособлений
   3.6 Градуировка приборов
4 Режимно-наладочные, гарантийные и балансовые тепловые испытания блоков ПГУ
5. Исследовательские испытания ПГУ
6. Методы измерений, приборы и приспособления
7. Обработка результатов измерений
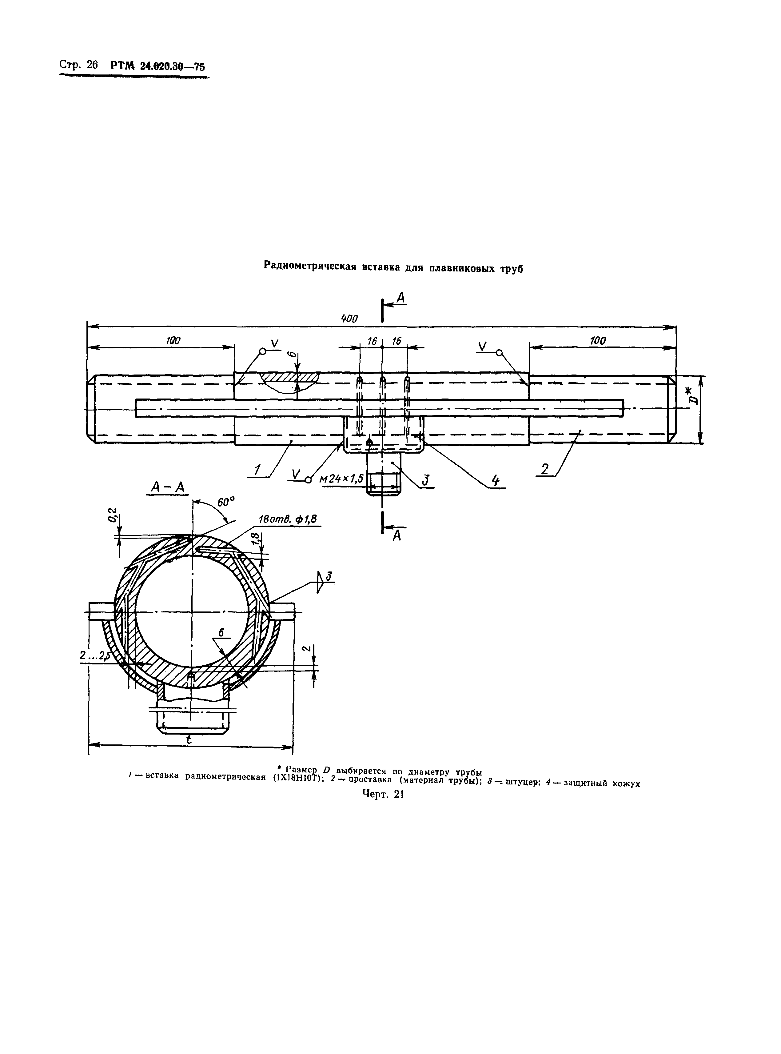
Приложение 1. Особенности изготовления и оснащения термо- и радиометрических вставок и поверхностных термопар
Приложение 2. Литература
Разработан: НПО ЦКТИ им. И.И. Ползунова
Утверждён:28.01.1975 Министерство тяжелого, энергетического и транспортного машиностроения СССР (ПС-002/963)
Принят: Южное отделение ОРГРЭС Министерства энергетики и электрификации СССР
Издан: НПО ЦКТИ (1975 г. )
Расположен в:Техническая документация Экология ЭНЕРГЕТИКА И ТЕПЛОТЕХНИКА Электростанции в целом Строительство Нормативные документы Отраслевые и ведомственные нормативно-методические документы Проектирование и строительство объектов энергетического комплекса
РТМ 24.020.30-75РТМ 24.020.30-75РТМ 24.020.30-75РТМ 24.020.30-75РТМ 24.020.30-75РТМ 24.020.30-75РТМ 24.020.30-75РТМ 24.020.30-75РТМ 24.020.30-75РТМ 24.020.30-75РТМ 24.020.30-75РТМ 24.020.30-75РТМ 24.020.30-75РТМ 24.020.30-75РТМ 24.020.30-75РТМ 24.020.30-75РТМ 24.020.30-75РТМ 24.020.30-75РТМ 24.020.30-75РТМ 24.020.30-75РТМ 24.020.30-75РТМ 24.020.30-75РТМ 24.020.30-75РТМ 24.020.30-75РТМ 24.020.30-75РТМ 24.020.30-75РТМ 24.020.30-75РТМ 24.020.30-75РТМ 24.020.30-75РТМ 24.020.30-75РТМ 24.020.30-75РТМ 24.020.30-75РТМ 24.020.30-75РТМ 24.020.30-75РТМ 24.020.30-75РТМ 24.020.30-75РТМ 24.020.30-75РТМ 24.020.30-75РТМ 24.020.30-75РТМ 24.020.30-75РТМ 24.020.30-75РТМ 24.020.30-75РТМ 24.020.30-75РТМ 24.020.30-75РТМ 24.020.30-75

© 2013 Ёшкин Кот :-) Карта сайта