Информационная система
«Ёшкин Кот»

Скачать базу одним архивом
Скачать обновления
История создания базы
Карта сайта

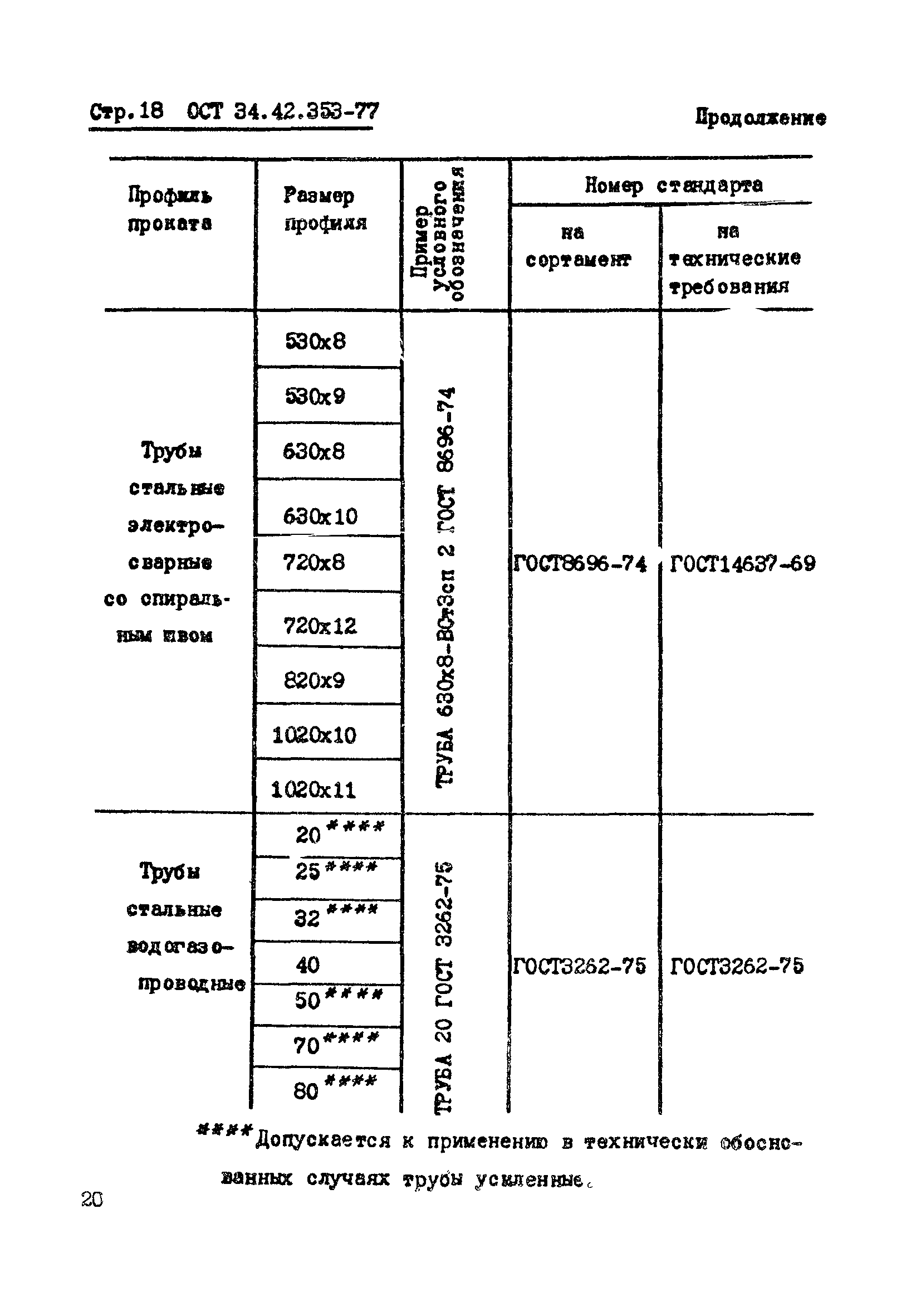
Скачать ОСТ 34-42-353-77 Прокат черных металлов и трубы для изготовления котельно-вспомогательного оборудования и трубопроводов. Ограничительный сортамент

Дата актуализации: 10.08.2017

ОСТ 34-42-353-77

Прокат черных металлов и трубы для изготовления котельно-вспомогательного оборудования и трубопроводов. Ограничительный сортамент

Обозначение: ОСТ 34-42-353-77
Обозначение англ: OST 34-42-353-77
Статус:не определен законодательством
Название рус.:Прокат черных металлов и трубы для изготовления котельно-вспомогательного оборудования и трубопроводов. Ограничительный сортамент
Дата добавления в базу:21.05.2015
Дата актуализации:05.05.2017
Дата введения:30.06.2003
Область применения:Стандарт распространяется на прокат черных металлов и трубы и является ограничительным сортаментом ГОСТ 2590-71, 2591-71, 103-76, 8509-72, 8510-72. 8239-72, 8240-72, 19903-74, 19904-74, 8278-75, 8281-69, 19771-74, 8568-57, 3282-74, 8732-70, 8734-75, 10704-76, 8696-74, 3562-75, ТУ 14-2-24-72 и ЧМТУ 2-138-70, обязательным для предприятий и организаций Министерства энергетики и электрификации СССР в части проектирования и изготовления пылегазовоздухопроводов, трубопроводов, технологического нестандартного оборудования и технологических металлоконструкций тепловых электростанций
Разработан: ПТИ Энергомонтажпроект
Утверждён:12.12.1977 Министерство энергетики и электрификации СССР (USSR Ministry of Energy and Electrical Power 207)
Принят: ВГПИ Теплоэлектропроект (Teploelektroproject VGPI )
Расположен в:Техническая документация Строительство Стандарты Отраслевые стандарты и технические условия Отраслевые стандарты
Нормативные ссылки:
ОСТ 34-42-353-77ОСТ 34-42-353-77ОСТ 34-42-353-77ОСТ 34-42-353-77ОСТ 34-42-353-77ОСТ 34-42-353-77ОСТ 34-42-353-77ОСТ 34-42-353-77ОСТ 34-42-353-77ОСТ 34-42-353-77ОСТ 34-42-353-77ОСТ 34-42-353-77ОСТ 34-42-353-77ОСТ 34-42-353-77ОСТ 34-42-353-77ОСТ 34-42-353-77ОСТ 34-42-353-77ОСТ 34-42-353-77ОСТ 34-42-353-77ОСТ 34-42-353-77

© 2013 Ёшкин Кот :-) Карта сайта