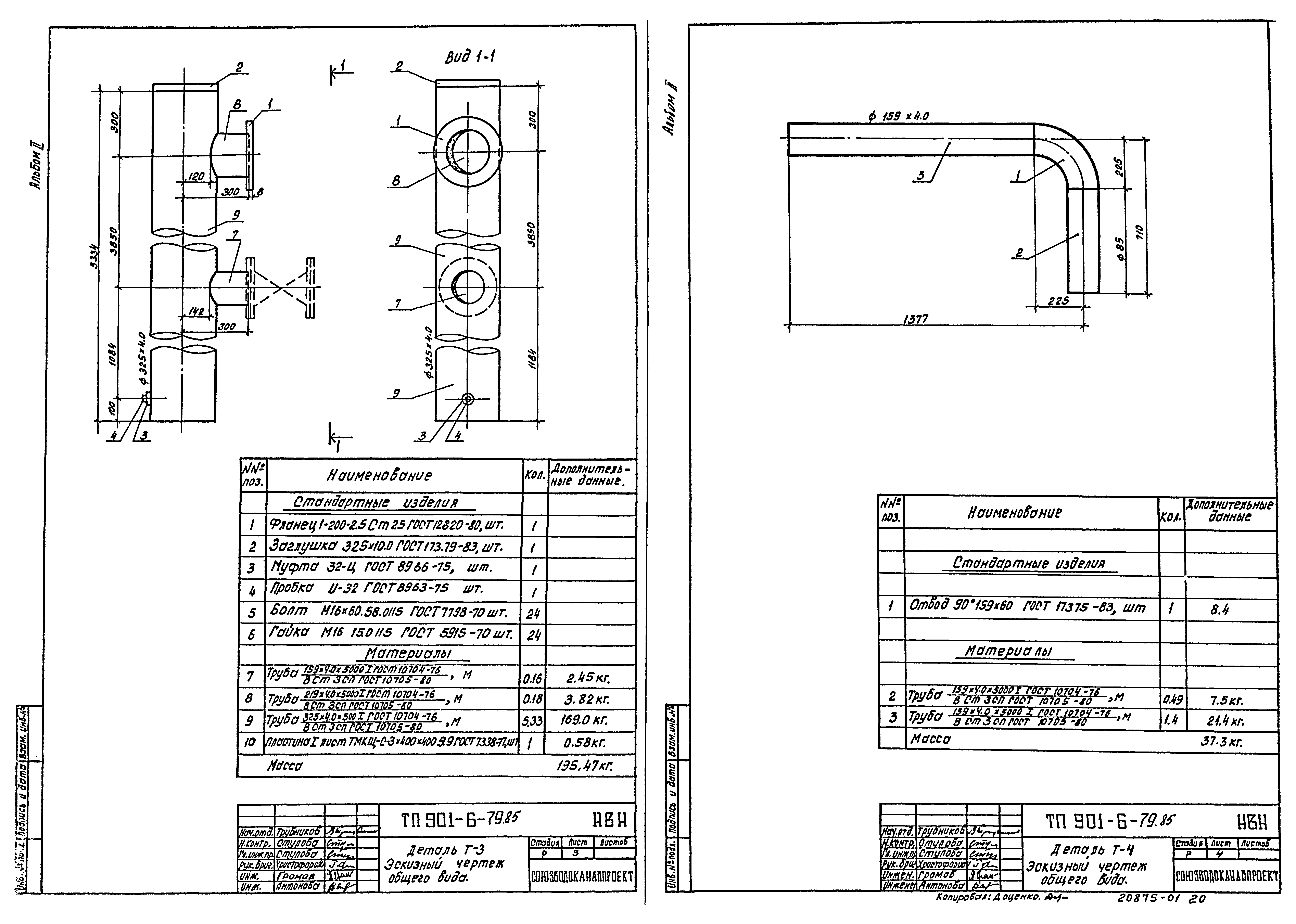
Скачать Типовой проект 901-6-79.85 Альбом II. Технологические и архитектурно-строительные чертежи. Спецификация оборудованияДата актуализации: 10.08.2017 Типовой проект 901-6-79.85
Альбом II. Технологические и архитектурно-строительные чертежи. Спецификация оборудованияОбозначение: | Типовой проект 901-6-79.85 | Обозначение англ: | 901-6-79.85 | Статус: | отменен | Название рус.: | Альбом II. Технологические и архитектурно-строительные чертежи. Спецификация оборудования | Дата добавления в базу: | 21.05.2015 | Дата актуализации: | 05.05.2017 | Дата введения: | 01.07.1996 | Разработан: | Союзводоканалпроект
| Утверждён: | 27.09.1996 Госстрой СССР (АЧ-39)
| Издан: | ЦИТП Госстроя СССР (CITP, Gosstroy (USSR) 1986 г. )
| Расположен в: |
|
                       
|