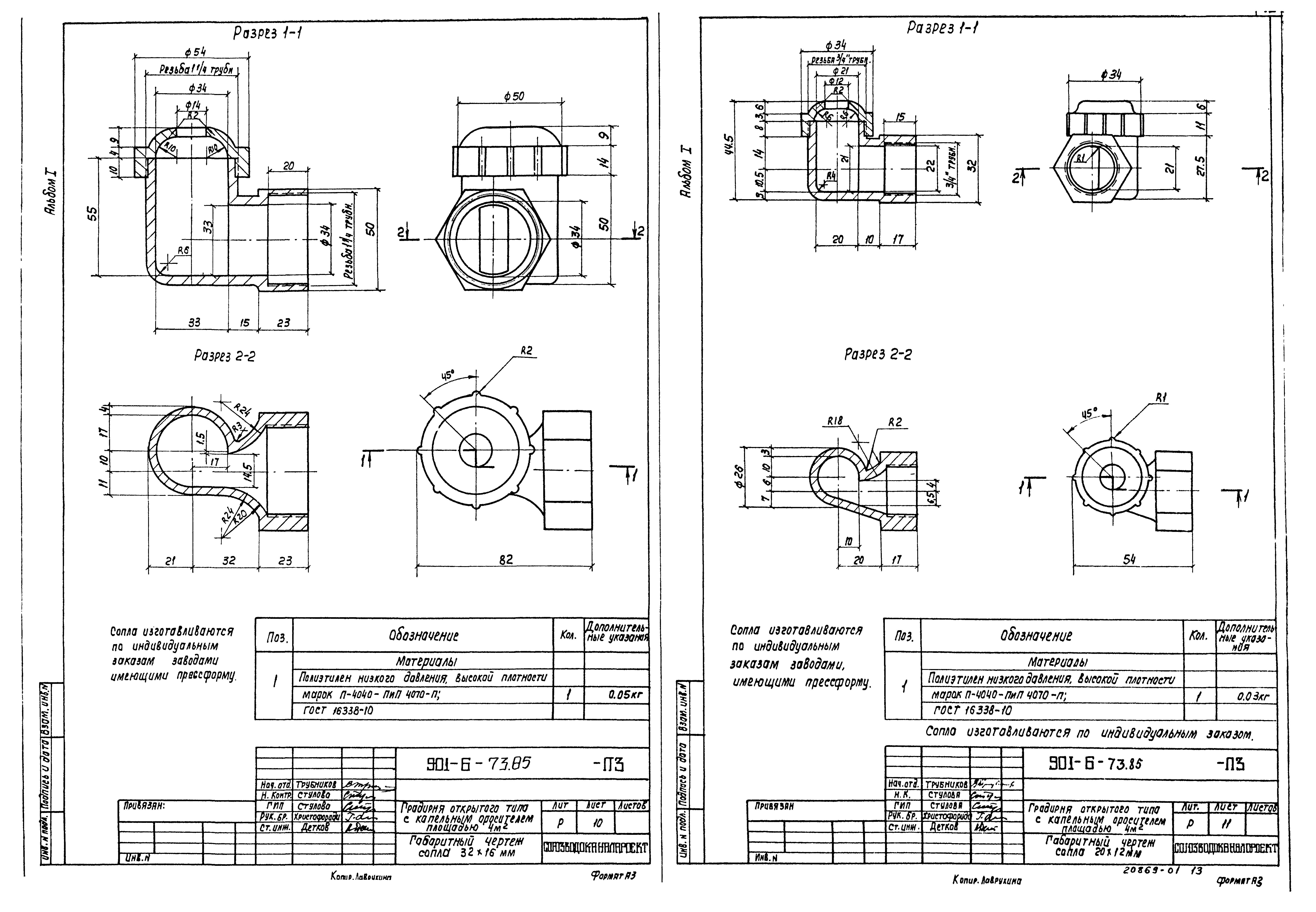
Скачать Типовой проект 901-6-75.85 Альбом I. Пояснительная записка. Показатели изменения сметной стоимости строительно-монтажных работ (из ТП 901-6-73.85)Дата актуализации: 10.08.2017 Типовой проект 901-6-75.85
Альбом I. Пояснительная записка. Показатели изменения сметной стоимости строительно-монтажных работ (из ТП 901-6-73.85)Обозначение: | Типовой проект 901-6-75.85 | Обозначение англ: | 901-6-75.85 | Статус: | отменен | Название рус.: | Альбом I. Пояснительная записка. Показатели изменения сметной стоимости строительно-монтажных работ (из ТП 901-6-73.85) | Дата добавления в базу: | 21.05.2015 | Дата актуализации: | 05.05.2017 | Дата введения: | 01.07.1996 | Разработан: | Союзводоканалпроект
| Утверждён: | 27.09.1985 Госстрой СССР (АЧ-39)
| Издан: | ЦИТП Госстроя СССР (CITP, Gosstroy (USSR) 1989 г. )
| Расположен в: |
|
               
|