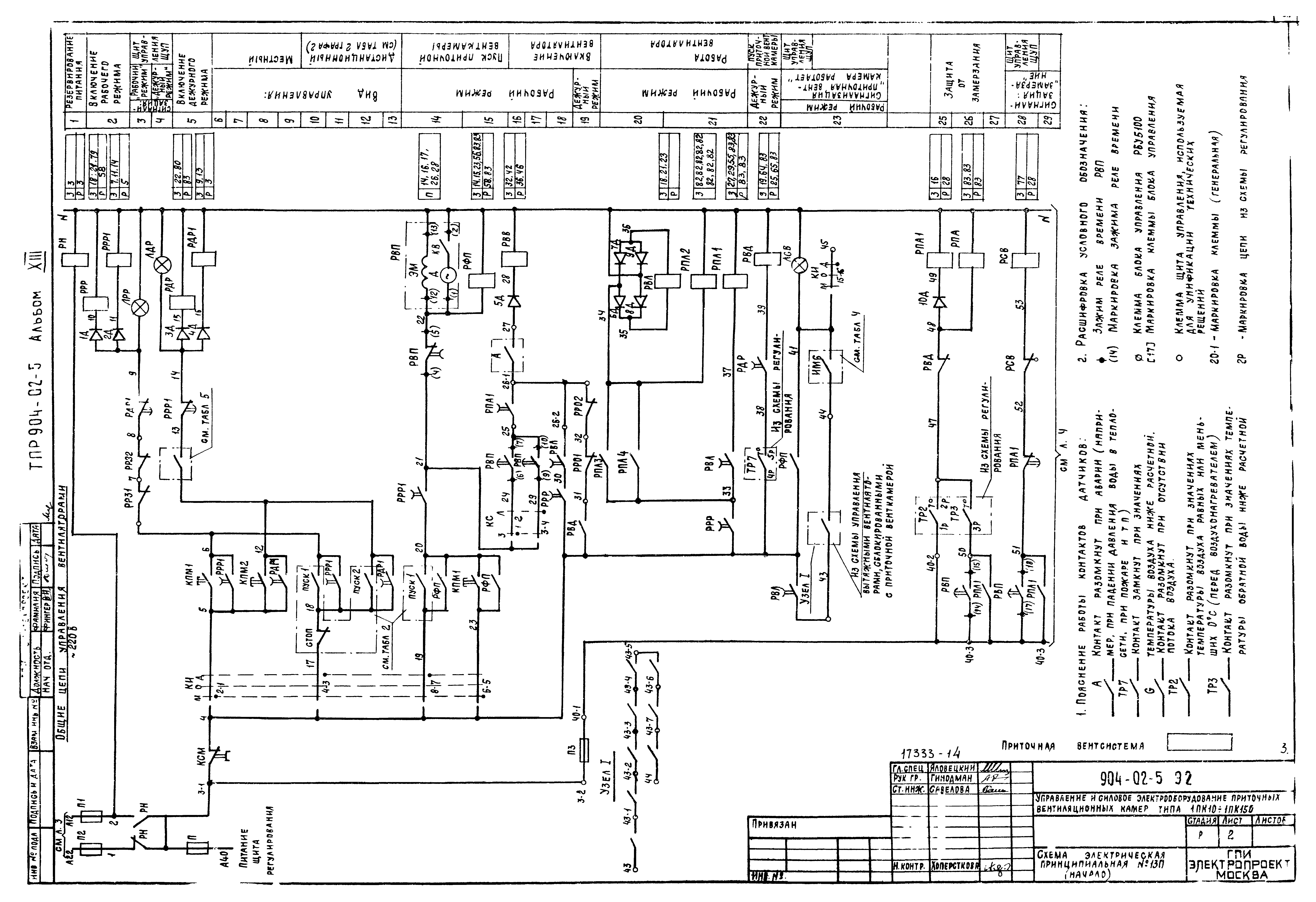
Скачать Типовые проектные решения 904-02-5 Альбом XIII. Приточная вентиляционная камера, переключаемая на режим дежурного отопления, с двумя (рабочим и резервным) вентиляторамиДата актуализации: 10.08.2017 Типовые проектные решения 904-02-5
Альбом XIII. Приточная вентиляционная камера, переключаемая на режим дежурного отопления, с двумя (рабочим и резервным) вентиляторамиОбозначение: | Типовые проектные решения 904-02-5 | Обозначение англ: | 904-02-5 | Статус: | отменен | Название рус.: | Альбом XIII. Приточная вентиляционная камера, переключаемая на режим дежурного отопления, с двумя (рабочим и резервным) вентиляторами | Дата добавления в базу: | 21.05.2015 | Дата актуализации: | 05.05.2017 | Дата введения: | 01.02.1987 | Разработан: | Электропроект Минмонтажспецстроя СССР
| Утверждён: | 10.07.1981 Главпромстройпроект Госстроя СССР (45)
| Расположен в: |
|
                       
|