Информационная система
«Ёшкин Кот»

Скачать базу одним архивом
Скачать обновления
История создания базы
Карта сайта

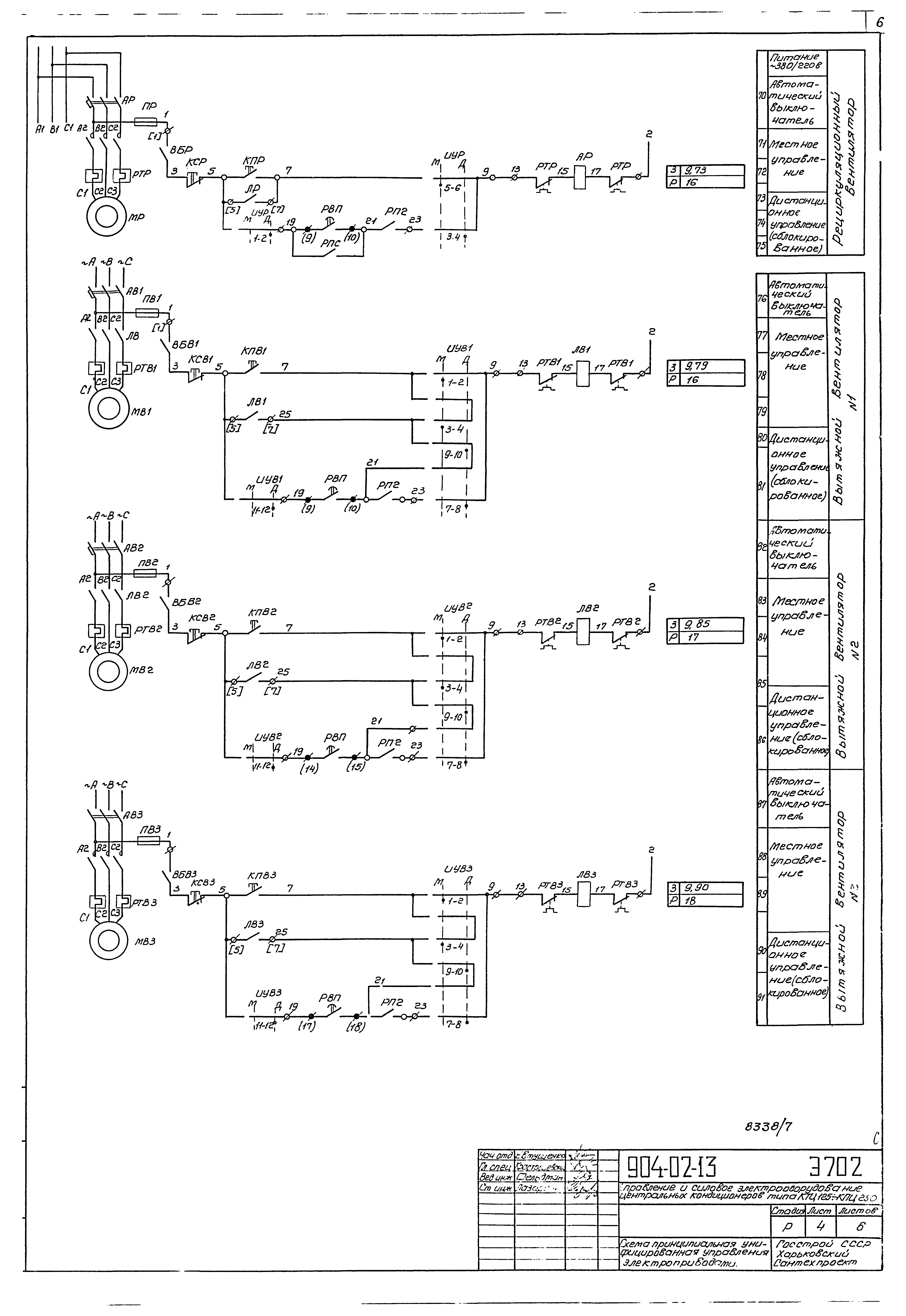
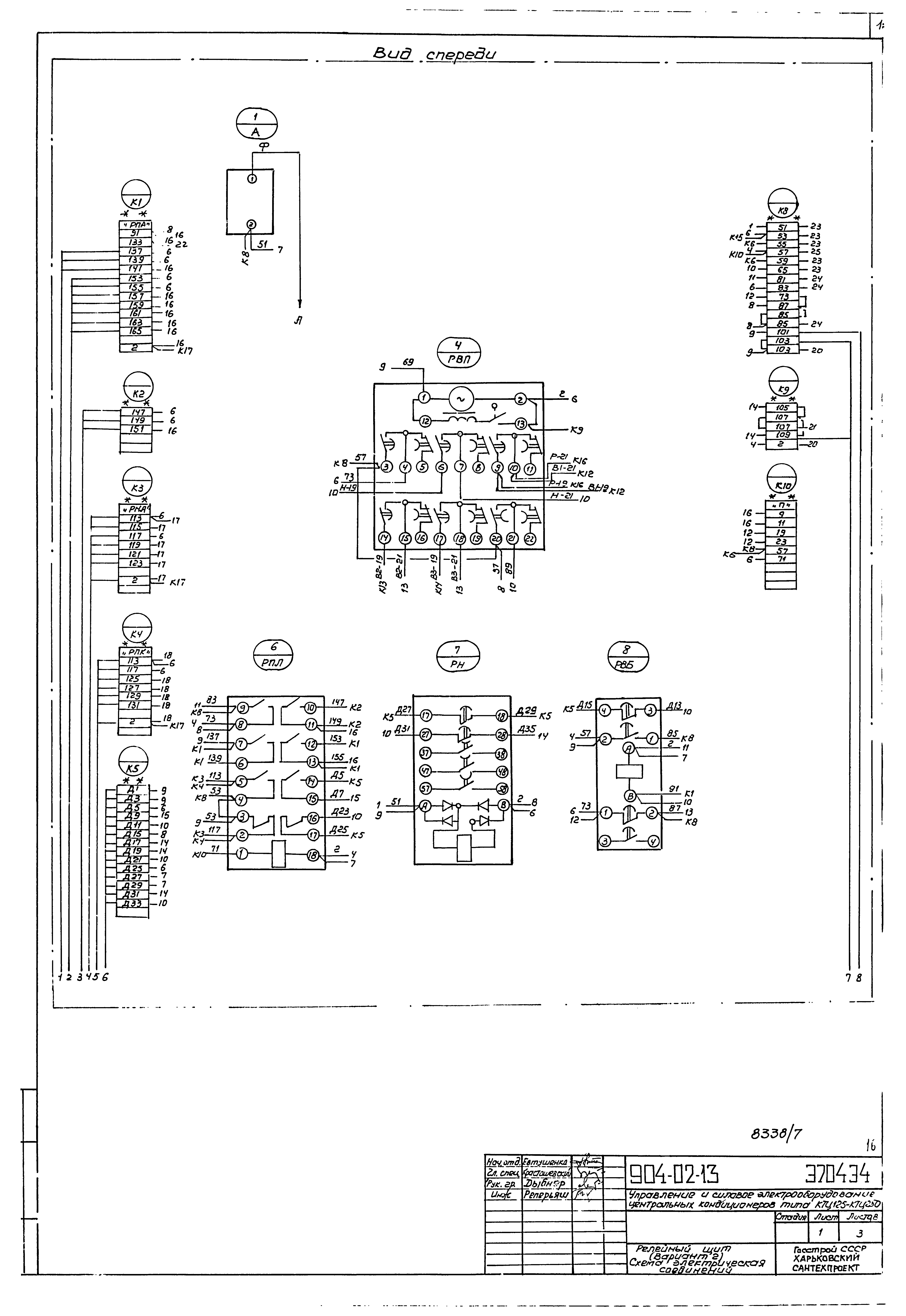
Скачать Типовые проектные решения 904-02-13 Альбом 7. Управление и силовое электрооборудование. Схемы принципиальные. Релейные щиты и силовые панели

Дата актуализации: 10.08.2017

Типовые проектные решения 904-02-13

Альбом 7. Управление и силовое электрооборудование. Схемы принципиальные. Релейные щиты и силовые панели

Обозначение: Типовые проектные решения 904-02-13
Обозначение англ: 904-02-13
Статус:заменен
Название рус.:Альбом 7. Управление и силовое электрооборудование. Схемы принципиальные. Релейные щиты и силовые панели
Дата добавления в базу:21.05.2015
Дата актуализации:05.05.2017
Дата введения:01.12.1986
Разработан: Харьковский Сантехпроект
Утверждён:03.07.1979 Главпромстройпроект Госстроя СССР (19/5-2540)
Расположен в:Техническая документация Строительство Справочные документы Типовые строительные конструкции, изделия и узлы Общероссийский строительный каталог Промышленные предприятия, здания и сооружения Здания и сооружения санитарно-технические Воздухоснабжение, вентиляция и кондиционирование воздуха Вентиляция, кондиционирование воздуха
Чем заменён:
Типовые проектные решения 904-02-13Типовые проектные решения 904-02-13Типовые проектные решения 904-02-13Типовые проектные решения 904-02-13Типовые проектные решения 904-02-13Типовые проектные решения 904-02-13Типовые проектные решения 904-02-13Типовые проектные решения 904-02-13Типовые проектные решения 904-02-13Типовые проектные решения 904-02-13Типовые проектные решения 904-02-13Типовые проектные решения 904-02-13Типовые проектные решения 904-02-13Типовые проектные решения 904-02-13Типовые проектные решения 904-02-13Типовые проектные решения 904-02-13Типовые проектные решения 904-02-13Типовые проектные решения 904-02-13Типовые проектные решения 904-02-13Типовые проектные решения 904-02-13Типовые проектные решения 904-02-13Типовые проектные решения 904-02-13Типовые проектные решения 904-02-13Типовые проектные решения 904-02-13Типовые проектные решения 904-02-13Типовые проектные решения 904-02-13Типовые проектные решения 904-02-13Типовые проектные решения 904-02-13Типовые проектные решения 904-02-13Типовые проектные решения 904-02-13Типовые проектные решения 904-02-13Типовые проектные решения 904-02-13Типовые проектные решения 904-02-13Типовые проектные решения 904-02-13Типовые проектные решения 904-02-13Типовые проектные решения 904-02-13Типовые проектные решения 904-02-13Типовые проектные решения 904-02-13Типовые проектные решения 904-02-13Типовые проектные решения 904-02-13Типовые проектные решения 904-02-13Типовые проектные решения 904-02-13Типовые проектные решения 904-02-13Типовые проектные решения 904-02-13Типовые проектные решения 904-02-13

© 2013 Ёшкин Кот :-) Карта сайта