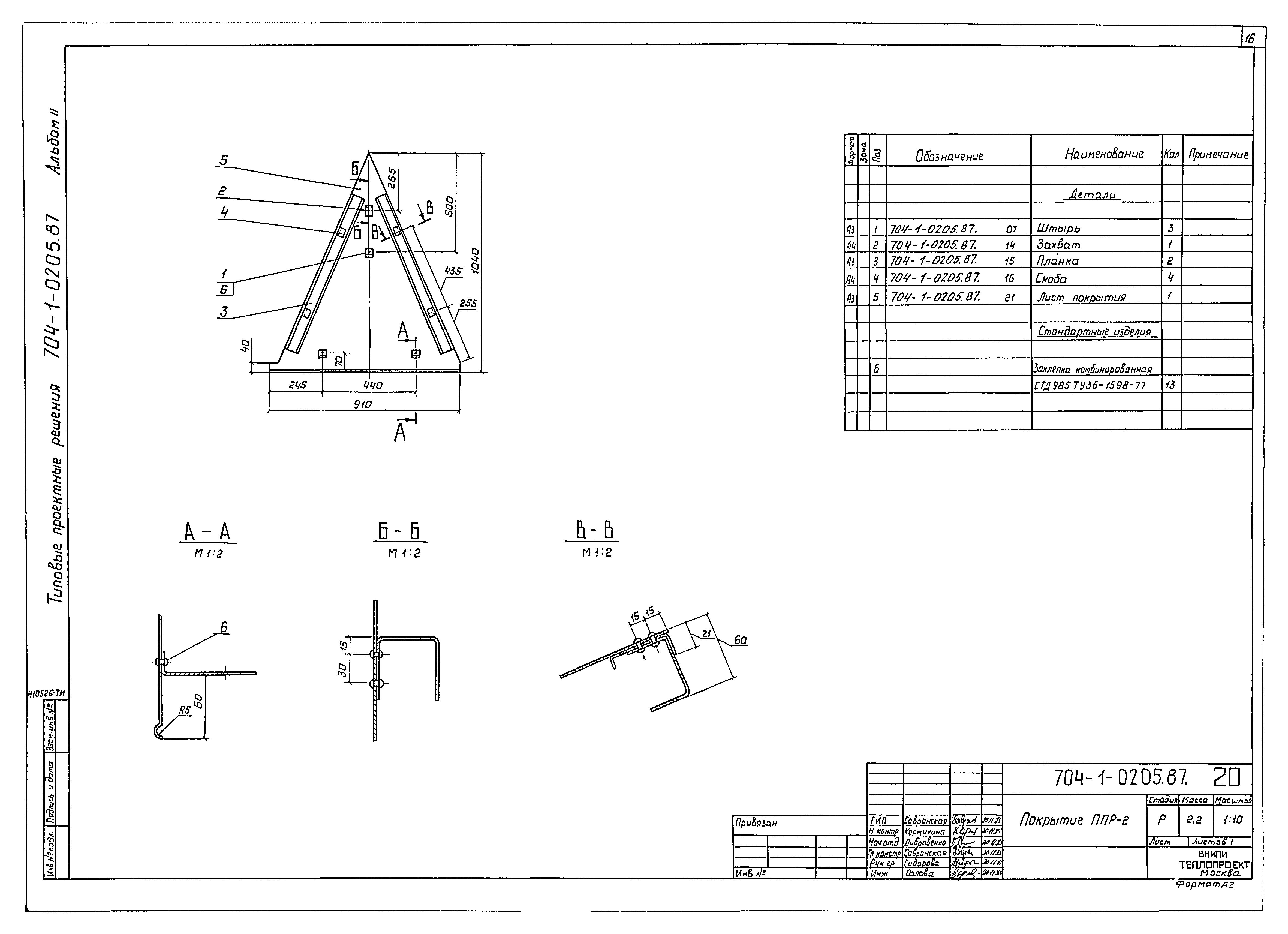
Скачать Типовые проектные решения 704-1-0209.87 Альбом II. Сборочные чертежи. Детали (из ТП 704-1-0205.87)Дата актуализации: 10.08.2017 Типовые проектные решения 704-1-0209.87
Альбом II. Сборочные чертежи. Детали (из ТП 704-1-0205.87)Обозначение: | Типовые проектные решения 704-1-0209.87 | Обозначение англ: | 704-1-0209.87 | Статус: | cправочные материалы, мп, тпр | Название рус.: | Альбом II. Сборочные чертежи. Детали (из ТП 704-1-0205.87) | Дата добавления в базу: | 21.05.2015 | Дата актуализации: | 05.05.2017 | Разработан: | ВНИПИТеплопроект
| Утверждён: | 08.08.1986 Минмонтажспецстрой СССР (USSR Minmontazhspetsstroy )
| Расположен в: |
|
                
|