Информационная система
«Ёшкин Кот»

Скачать базу одним архивом
Скачать обновления
История создания базы
Карта сайта

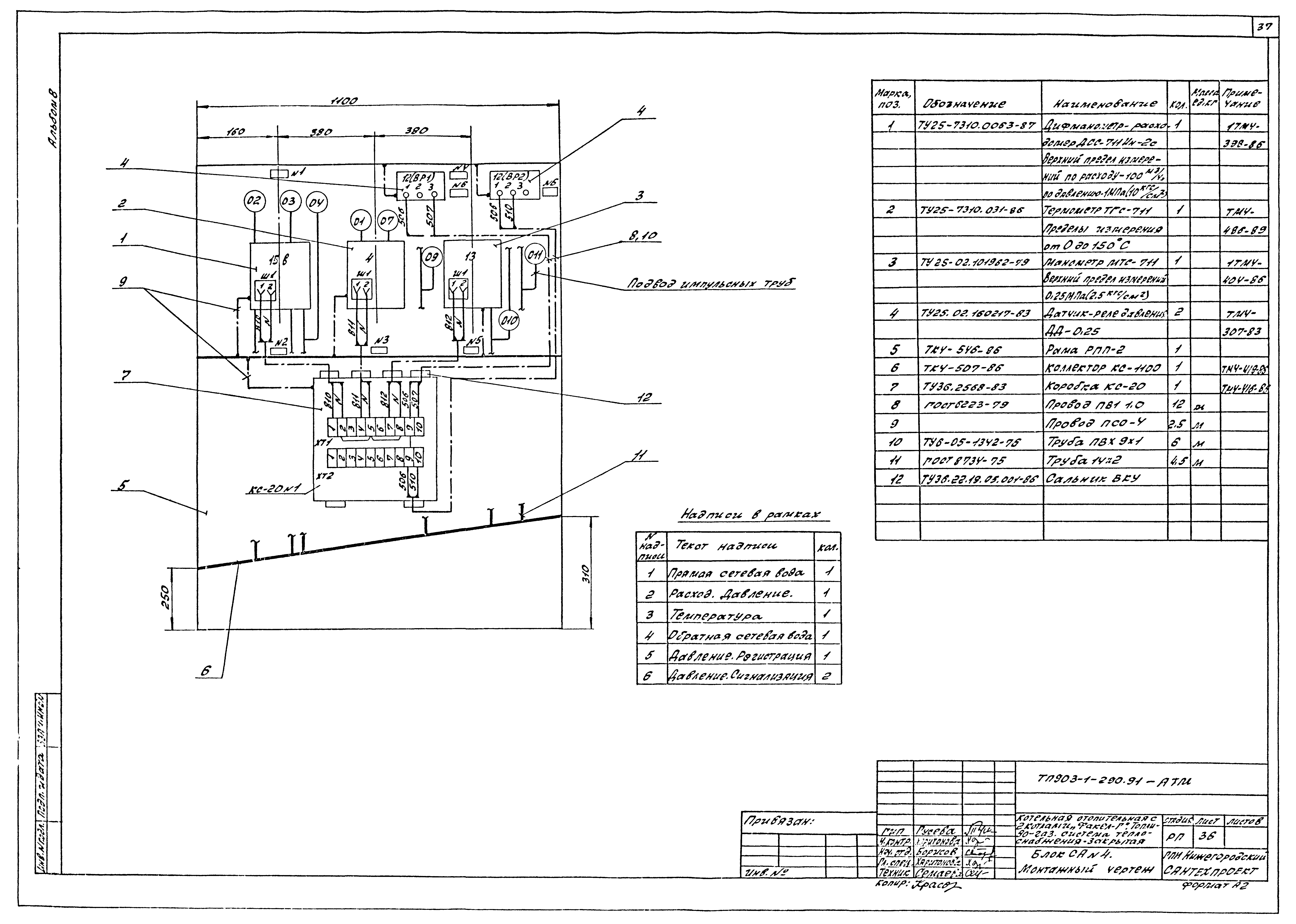
Скачать Типовой проект 903-1-290.91 Альбом 8. Автоматизация

Дата актуализации: 10.08.2017

Типовой проект 903-1-290.91

Альбом 8. Автоматизация

Обозначение: Типовой проект 903-1-290.91
Обозначение англ: 903-1-290.91
Статус:не определен законодательством
Название рус.:Альбом 8. Автоматизация
Дата добавления в базу:21.05.2015
Дата актуализации:05.05.2017
Дата введения:13.11.1991
Разработан: Нижегородский Сантехпроект
Утверждён:13.11.1991 ГПИ Нижегородский Сантехпроект (70)
Расположен в:Техническая документация Строительство Справочные документы Типовые строительные конструкции, изделия и узлы Общероссийский строительный каталог Промышленные предприятия, здания и сооружения Здания и сооружения санитарно-технические Теплоснабжение Котельные установки Закрытые системы теплоснабжения Топливо - газ
Типовой проект 903-1-290.91Типовой проект 903-1-290.91Типовой проект 903-1-290.91Типовой проект 903-1-290.91Типовой проект 903-1-290.91Типовой проект 903-1-290.91Типовой проект 903-1-290.91Типовой проект 903-1-290.91Типовой проект 903-1-290.91Типовой проект 903-1-290.91Типовой проект 903-1-290.91Типовой проект 903-1-290.91Типовой проект 903-1-290.91Типовой проект 903-1-290.91Типовой проект 903-1-290.91Типовой проект 903-1-290.91Типовой проект 903-1-290.91Типовой проект 903-1-290.91Типовой проект 903-1-290.91Типовой проект 903-1-290.91Типовой проект 903-1-290.91Типовой проект 903-1-290.91Типовой проект 903-1-290.91Типовой проект 903-1-290.91Типовой проект 903-1-290.91Типовой проект 903-1-290.91Типовой проект 903-1-290.91Типовой проект 903-1-290.91Типовой проект 903-1-290.91Типовой проект 903-1-290.91Типовой проект 903-1-290.91Типовой проект 903-1-290.91Типовой проект 903-1-290.91Типовой проект 903-1-290.91Типовой проект 903-1-290.91Типовой проект 903-1-290.91Типовой проект 903-1-290.91Типовой проект 903-1-290.91Типовой проект 903-1-290.91

© 2013 Ёшкин Кот :-) Карта сайта