Информационная система
«Ёшкин Кот»

Скачать базу одним архивом
Скачать обновления
История создания базы
Карта сайта

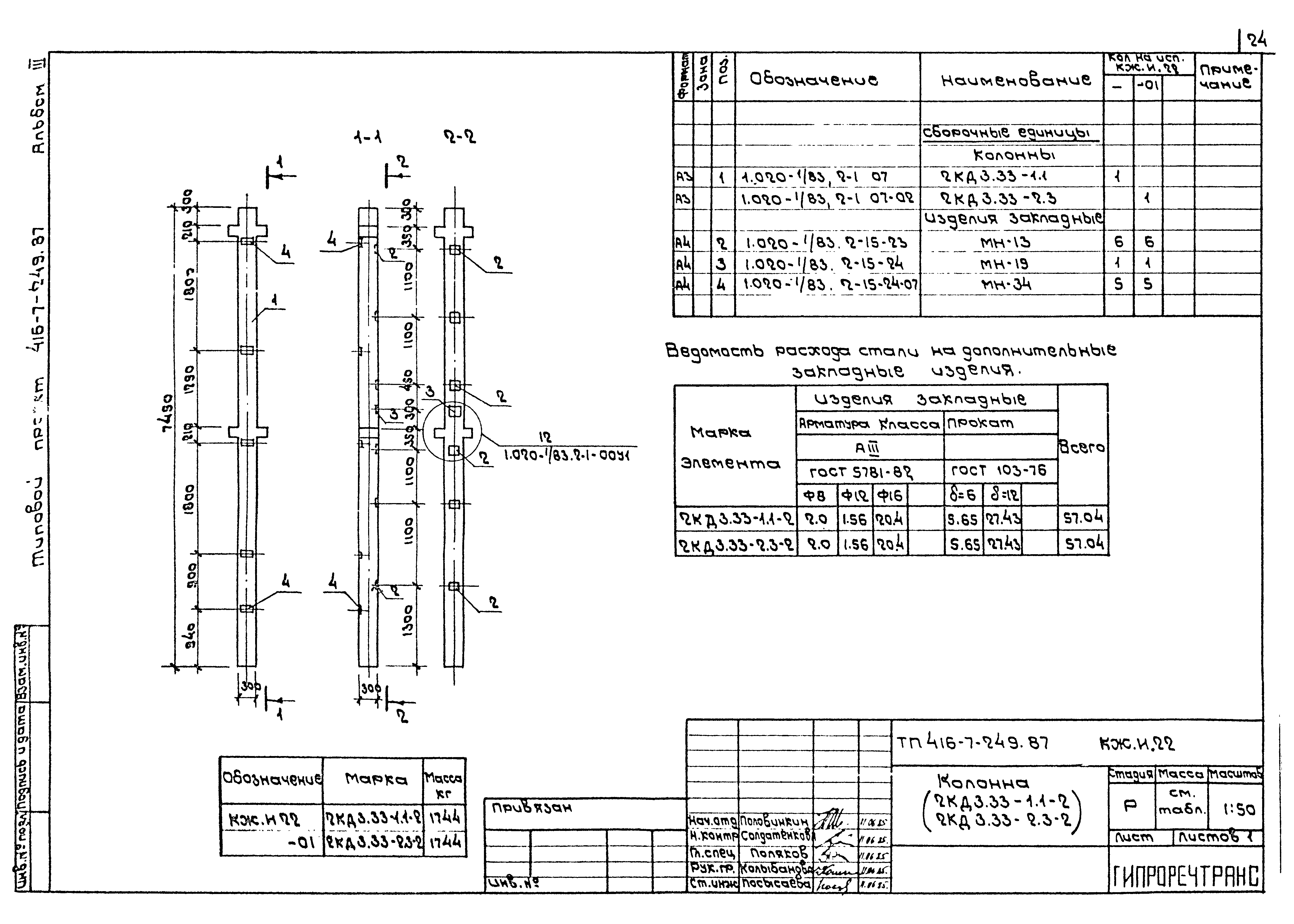
Скачать Типовой проект 416-7-249.87 Альбом III. Строительные конструкции и изделия

Дата актуализации: 10.08.2017

Типовой проект 416-7-249.87

Альбом III. Строительные конструкции и изделия

Обозначение: Типовой проект 416-7-249.87
Обозначение англ: 416-7-249.87
Статус:не определен законодательством
Название рус.:Альбом III. Строительные конструкции и изделия
Дата добавления в базу:01.11.2014
Дата актуализации:05.05.2017
Дата введения:24.06.1986
Разработан: Гипроречтранс
Утверждён:24.06.1986 Министерство речного флота РСФСР (53)
Расположен в:Техническая документация Строительство Справочные документы Типовые строительные конструкции, изделия и узлы Общероссийский строительный каталог Промышленные предприятия, здания и сооружения Предприятия, здания и сооружения промышленности и электроэнергетики Ремонтные предприятия. Административно-бытовые, производственные и вспомогательные здания и сооружения промышленных предприятий Ремонтные предприятия, производственные и вспомогательные здания и сооружения
Типовой проект 416-7-249.87Типовой проект 416-7-249.87Типовой проект 416-7-249.87Типовой проект 416-7-249.87Типовой проект 416-7-249.87Типовой проект 416-7-249.87Типовой проект 416-7-249.87Типовой проект 416-7-249.87Типовой проект 416-7-249.87Типовой проект 416-7-249.87Типовой проект 416-7-249.87Типовой проект 416-7-249.87Типовой проект 416-7-249.87Типовой проект 416-7-249.87Типовой проект 416-7-249.87Типовой проект 416-7-249.87Типовой проект 416-7-249.87Типовой проект 416-7-249.87Типовой проект 416-7-249.87Типовой проект 416-7-249.87Типовой проект 416-7-249.87Типовой проект 416-7-249.87Типовой проект 416-7-249.87Типовой проект 416-7-249.87Типовой проект 416-7-249.87Типовой проект 416-7-249.87Типовой проект 416-7-249.87Типовой проект 416-7-249.87Типовой проект 416-7-249.87Типовой проект 416-7-249.87Типовой проект 416-7-249.87Типовой проект 416-7-249.87Типовой проект 416-7-249.87Типовой проект 416-7-249.87Типовой проект 416-7-249.87Типовой проект 416-7-249.87Типовой проект 416-7-249.87Типовой проект 416-7-249.87Типовой проект 416-7-249.87Типовой проект 416-7-249.87Типовой проект 416-7-249.87Типовой проект 416-7-249.87Типовой проект 416-7-249.87Типовой проект 416-7-249.87Типовой проект 416-7-249.87Типовой проект 416-7-249.87Типовой проект 416-7-249.87Типовой проект 416-7-249.87Типовой проект 416-7-249.87Типовой проект 416-7-249.87Типовой проект 416-7-249.87Типовой проект 416-7-249.87Типовой проект 416-7-249.87Типовой проект 416-7-249.87Типовой проект 416-7-249.87Типовой проект 416-7-249.87Типовой проект 416-7-249.87Типовой проект 416-7-249.87Типовой проект 416-7-249.87Типовой проект 416-7-249.87Типовой проект 416-7-249.87Типовой проект 416-7-249.87Типовой проект 416-7-249.87Типовой проект 416-7-249.87Типовой проект 416-7-249.87Типовой проект 416-7-249.87Типовой проект 416-7-249.87Типовой проект 416-7-249.87Типовой проект 416-7-249.87Типовой проект 416-7-249.87Типовой проект 416-7-249.87Типовой проект 416-7-249.87Типовой проект 416-7-249.87Типовой проект 416-7-249.87Типовой проект 416-7-249.87Типовой проект 416-7-249.87Типовой проект 416-7-249.87Типовой проект 416-7-249.87Типовой проект 416-7-249.87Типовой проект 416-7-249.87Типовой проект 416-7-249.87Типовой проект 416-7-249.87Типовой проект 416-7-249.87

© 2013 Ёшкин Кот :-) Карта сайта