Информационная система
«Ёшкин Кот»

Скачать базу одним архивом
Скачать обновления
История создания базы
Карта сайта

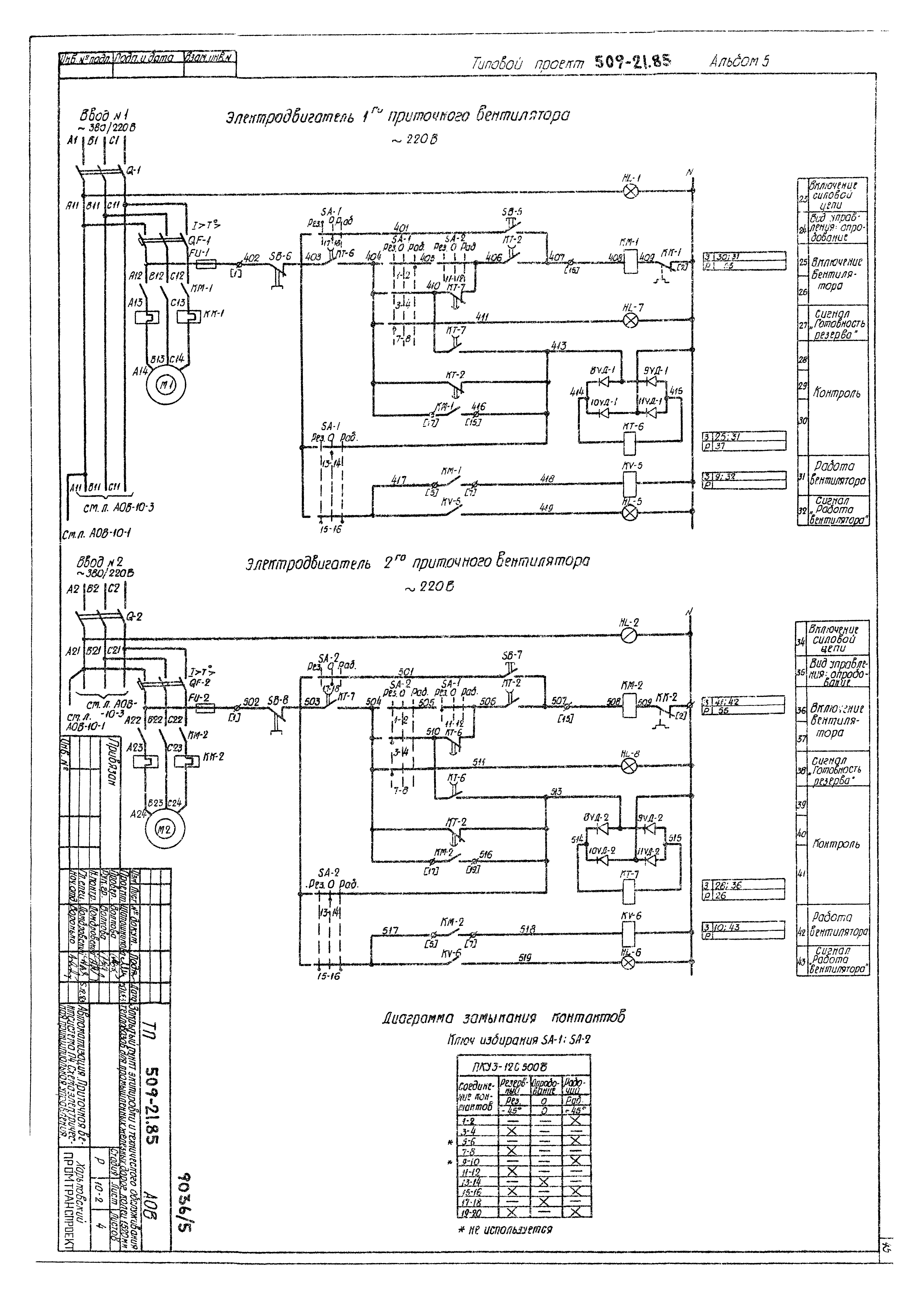
Скачать Типовой проект 509-21.85 Альбом 5. Силовое электрооборудование. Электрическое освещение. Автоматизация отопления и вентиляция. Связь и сигнализация

Дата актуализации: 10.08.2017

Типовой проект 509-21.85

Альбом 5. Силовое электрооборудование. Электрическое освещение. Автоматизация отопления и вентиляция. Связь и сигнализация

Обозначение: Типовой проект 509-21.85
Обозначение англ: 509-21.85
Статус:не определен законодательством
Название рус.:Альбом 5. Силовое электрооборудование. Электрическое освещение. Автоматизация отопления и вентиляция. Связь и сигнализация
Дата добавления в базу:01.10.2014
Дата актуализации:05.05.2017
Дата введения:23.01.1985
Разработан: ГПИ Харьковский Промтранспроект
ПромстройНИИпроект г. Харьков
Утверждён:10.01.1985 Госстрой СССР (1)
Расположен в:Техническая документация Строительство Справочные документы Типовые строительные конструкции, изделия и узлы Общероссийский строительный каталог Промышленные предприятия, здания и сооружения Предприятия, здания и сооружения транспорта Транспорт промпредприятий железнодорожный
Заменяет собой:
  • Типовой проект 501-9-2
Типовой проект 509-21.85Типовой проект 509-21.85Типовой проект 509-21.85Типовой проект 509-21.85Типовой проект 509-21.85Типовой проект 509-21.85Типовой проект 509-21.85Типовой проект 509-21.85Типовой проект 509-21.85Типовой проект 509-21.85Типовой проект 509-21.85Типовой проект 509-21.85Типовой проект 509-21.85Типовой проект 509-21.85Типовой проект 509-21.85Типовой проект 509-21.85Типовой проект 509-21.85Типовой проект 509-21.85Типовой проект 509-21.85Типовой проект 509-21.85Типовой проект 509-21.85Типовой проект 509-21.85Типовой проект 509-21.85Типовой проект 509-21.85Типовой проект 509-21.85Типовой проект 509-21.85Типовой проект 509-21.85Типовой проект 509-21.85Типовой проект 509-21.85Типовой проект 509-21.85Типовой проект 509-21.85Типовой проект 509-21.85Типовой проект 509-21.85Типовой проект 509-21.85Типовой проект 509-21.85Типовой проект 509-21.85Типовой проект 509-21.85Типовой проект 509-21.85Типовой проект 509-21.85Типовой проект 509-21.85Типовой проект 509-21.85Типовой проект 509-21.85Типовой проект 509-21.85Типовой проект 509-21.85Типовой проект 509-21.85Типовой проект 509-21.85Типовой проект 509-21.85Типовой проект 509-21.85Типовой проект 509-21.85Типовой проект 509-21.85Типовой проект 509-21.85Типовой проект 509-21.85Типовой проект 509-21.85Типовой проект 509-21.85Типовой проект 509-21.85Типовой проект 509-21.85Типовой проект 509-21.85Типовой проект 509-21.85Типовой проект 509-21.85Типовой проект 509-21.85Типовой проект 509-21.85Типовой проект 509-21.85Типовой проект 509-21.85Типовой проект 509-21.85Типовой проект 509-21.85Типовой проект 509-21.85Типовой проект 509-21.85Типовой проект 509-21.85Типовой проект 509-21.85Типовой проект 509-21.85Типовой проект 509-21.85

© 2013 Ёшкин Кот :-) Карта сайта