Информационная система
«Ёшкин Кот»

Скачать базу одним архивом
Скачать обновления
История создания базы
Карта сайта

Скачать Типовой проект 902-1-140.88 Альбом 6. Силовое электрооборудование. Технологический контроль (из ТП 902-1-136.88)

Дата актуализации: 10.08.2017

Типовой проект 902-1-140.88

Альбом 6. Силовое электрооборудование. Технологический контроль (из ТП 902-1-136.88)

Обозначение: Типовой проект 902-1-140.88
Обозначение англ: 902-1-140.88
Статус:не определен законодательством
Название рус.:Альбом 6. Силовое электрооборудование. Технологический контроль (из ТП 902-1-136.88)
Дата добавления в базу:01.10.2014
Дата актуализации:05.05.2017
Дата введения:19.07.1988
Оглавление:Содержание альбома
Основной комплект марки ЭМ
   Общие данные
   Схема электрическая принципиальная однолинейная распределительной сети ~380/220В (с двумя вводами)
   Схемы электрические принципиальные однолинейная распределительной сети ~380/220В и учета электроэнергии (с одним вводом)
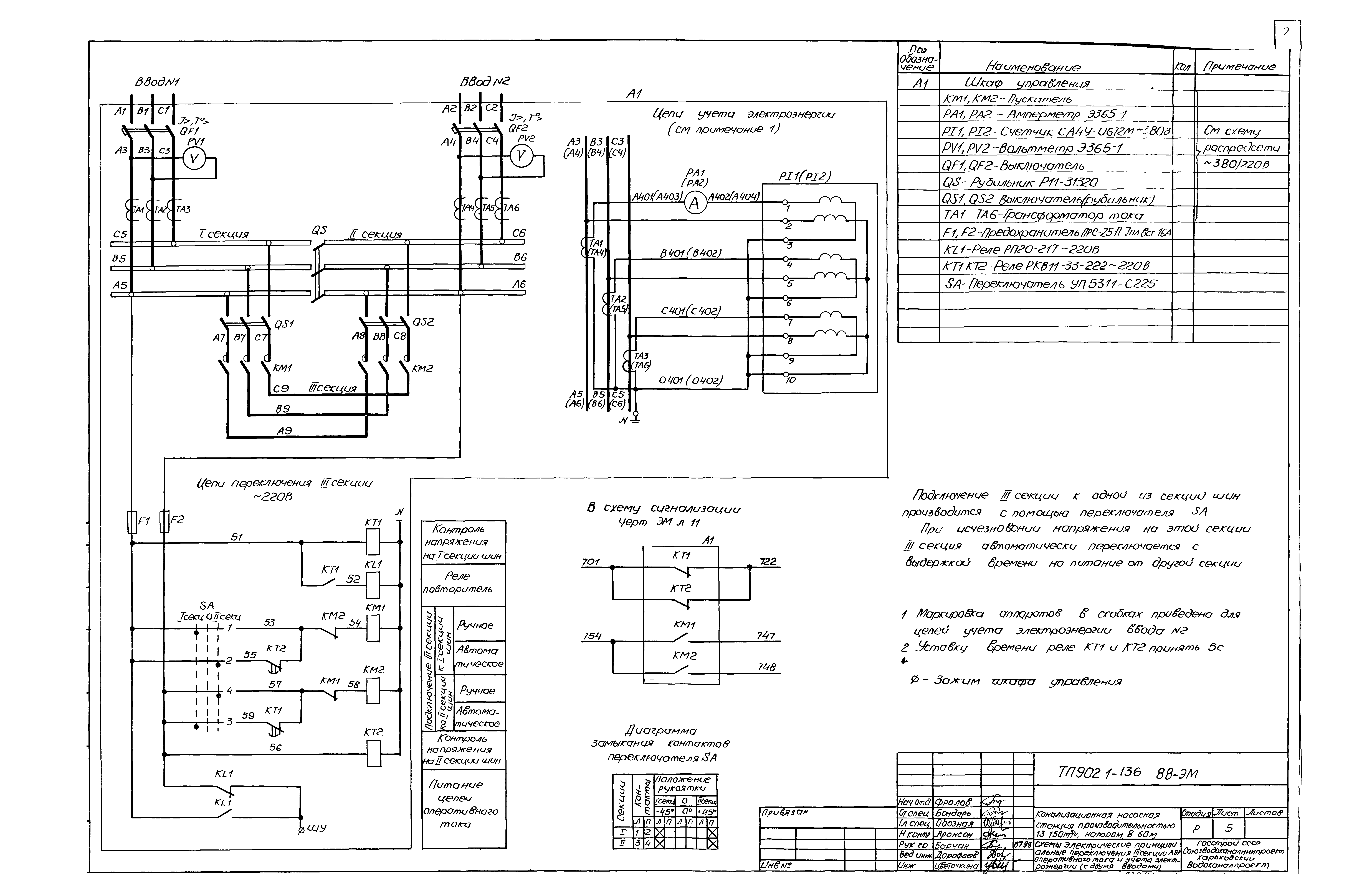
   Схемы электрические принципиальные переключения lll секции, АВР оперативного тока и учета электроэнергии (с двумя вводами)
   Схема электрическая принципиальная управления насосами перекачки стоков
   Схема электрическая принципиальная управления задвижкой на подводящем коллекторе
   Схемы электрические принципиальные управления насосом гидроуправления и дренажными насосами
   Схемы электрические принципиальные управления вентиляторами
   Схема электрическая принципиальная контроля уровней
   Схема электрическая принципиальная сигнализации
   Схема подключения электрооборудования
   Схема подключения шкафа управления (с двумя вводами)
   Схема подключения шкафа управления (с одним вводом)
   Кабельный журнал
   План расположения электрооборудования. Прокладка кабелей. Зануление
   Электроосвещение
   Задание марки ЭМИ
Основной комплект марки АТХ
   Общие данные ведомости
   Схема автоматизации
   Схема соединений внешних проводок. План расположения
   Статив датчиков ст1. Монтажный чертеж
   Статив датчиков ст2. Монтажный чертеж
   Кронштейн. Монтажный чертеж
   Стойка статива датчиков. Монтажный чертеж
Разработан: Харьковский Водоканалпроект
Утверждён:19.07.1988 Госстрой СССР (46)
Издан: ЦИТП Госстроя СССР (CITP, Gosstroy (USSR) 1988 г. )
Расположен в:Техническая документация Строительство Справочные документы Типовые строительные конструкции, изделия и узлы Общероссийский строительный каталог Промышленные предприятия, здания и сооружения Здания и сооружения санитарно-технические Канализация Станции насосные Станции насосные для перекачки бытовых сточных вод
Заменяет собой:
Типовой проект 902-1-140.88Типовой проект 902-1-140.88Типовой проект 902-1-140.88Типовой проект 902-1-140.88Типовой проект 902-1-140.88Типовой проект 902-1-140.88Типовой проект 902-1-140.88Типовой проект 902-1-140.88Типовой проект 902-1-140.88Типовой проект 902-1-140.88Типовой проект 902-1-140.88Типовой проект 902-1-140.88Типовой проект 902-1-140.88Типовой проект 902-1-140.88Типовой проект 902-1-140.88Типовой проект 902-1-140.88Типовой проект 902-1-140.88Типовой проект 902-1-140.88Типовой проект 902-1-140.88Типовой проект 902-1-140.88Типовой проект 902-1-140.88Типовой проект 902-1-140.88Типовой проект 902-1-140.88Типовой проект 902-1-140.88Типовой проект 902-1-140.88Типовой проект 902-1-140.88Типовой проект 902-1-140.88Типовой проект 902-1-140.88Типовой проект 902-1-140.88Типовой проект 902-1-140.88Типовой проект 902-1-140.88Типовой проект 902-1-140.88Типовой проект 902-1-140.88Типовой проект 902-1-140.88

© 2013 Ёшкин Кот :-) Карта сайта