Информационная система
«Ёшкин Кот»

Скачать базу одним архивом
Скачать обновления
История создания базы
Карта сайта

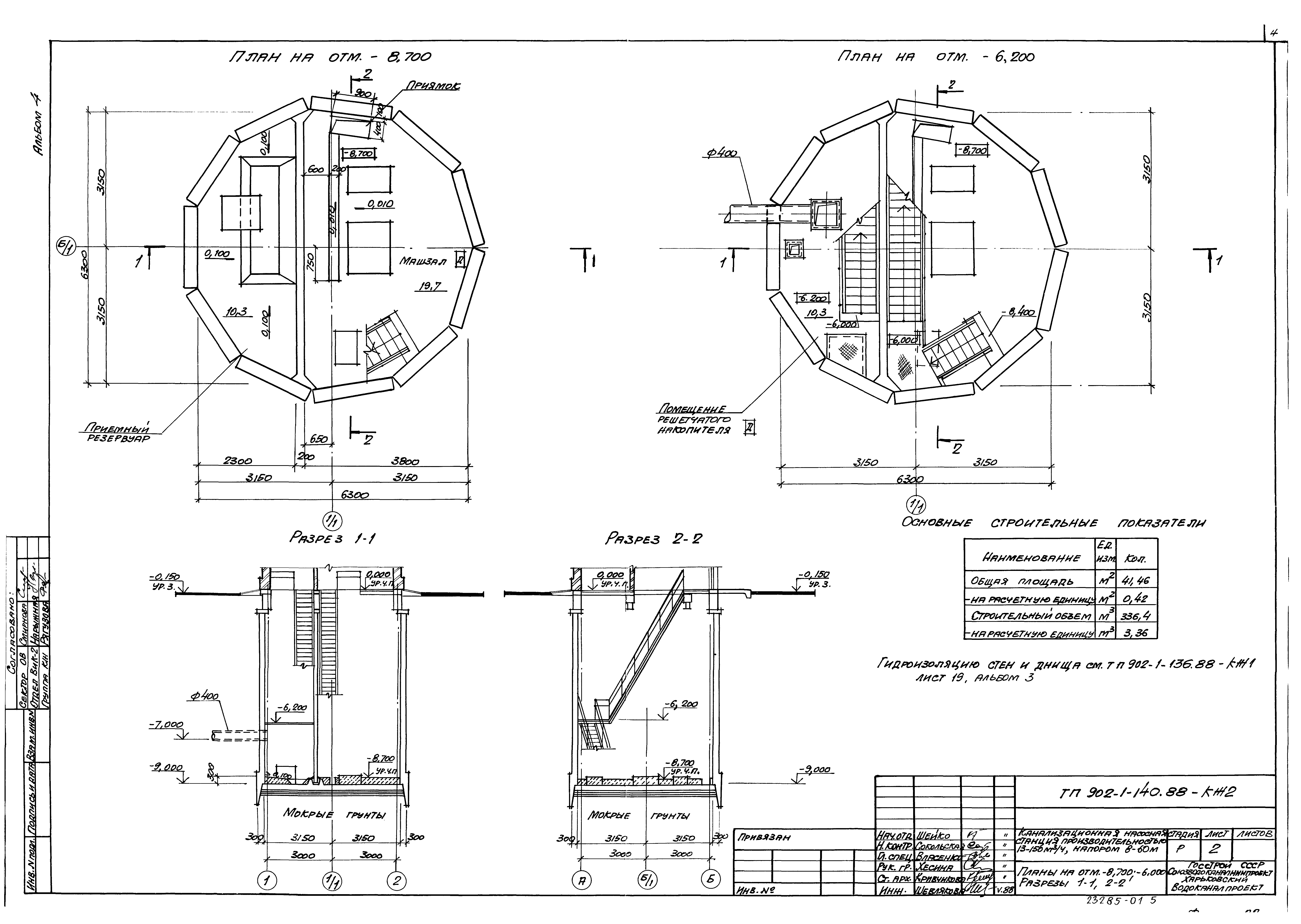
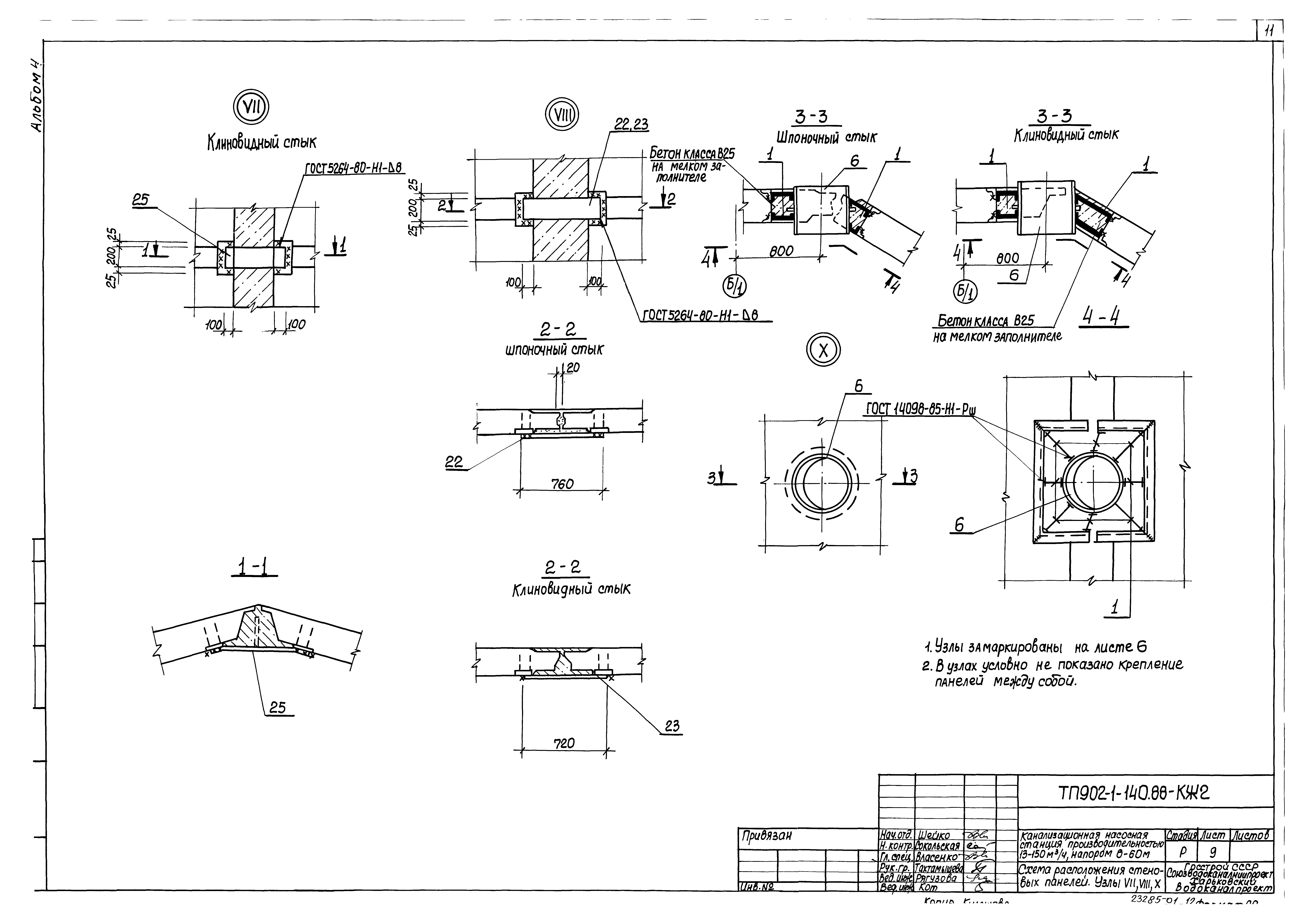
Скачать Типовой проект 902-1-140.88 Альбом 4. Подземная часть. Конструкции железобетонные. Конструкции металлические

Дата актуализации: 10.08.2017

Типовой проект 902-1-140.88

Альбом 4. Подземная часть. Конструкции железобетонные. Конструкции металлические

Обозначение: Типовой проект 902-1-140.88
Обозначение англ: 902-1-140.88
Статус:не определен законодательством
Название рус.:Альбом 4. Подземная часть. Конструкции железобетонные. Конструкции металлические
Дата добавления в базу:01.10.2014
Дата актуализации:05.05.2017
Дата введения:19.07.1988
Разработан: Харьковский Водоканалпроект
Утверждён:19.07.1988 Госстрой СССР (46)
Издан: ЦИТП Госстроя СССР (CITP, Gosstroy (USSR) 1988 г. )
Расположен в:Техническая документация Строительство Справочные документы Типовые строительные конструкции, изделия и узлы Общероссийский строительный каталог Промышленные предприятия, здания и сооружения Здания и сооружения санитарно-технические Канализация Станции насосные Станции насосные для перекачки бытовых сточных вод
Заменяет собой:
Типовой проект 902-1-140.88Типовой проект 902-1-140.88Типовой проект 902-1-140.88Типовой проект 902-1-140.88Типовой проект 902-1-140.88Типовой проект 902-1-140.88Типовой проект 902-1-140.88Типовой проект 902-1-140.88Типовой проект 902-1-140.88Типовой проект 902-1-140.88Типовой проект 902-1-140.88Типовой проект 902-1-140.88Типовой проект 902-1-140.88Типовой проект 902-1-140.88Типовой проект 902-1-140.88Типовой проект 902-1-140.88Типовой проект 902-1-140.88Типовой проект 902-1-140.88

© 2013 Ёшкин Кот :-) Карта сайта