Информационная система
«Ёшкин Кот»

Скачать базу одним архивом
Скачать обновления
История создания базы
Карта сайта

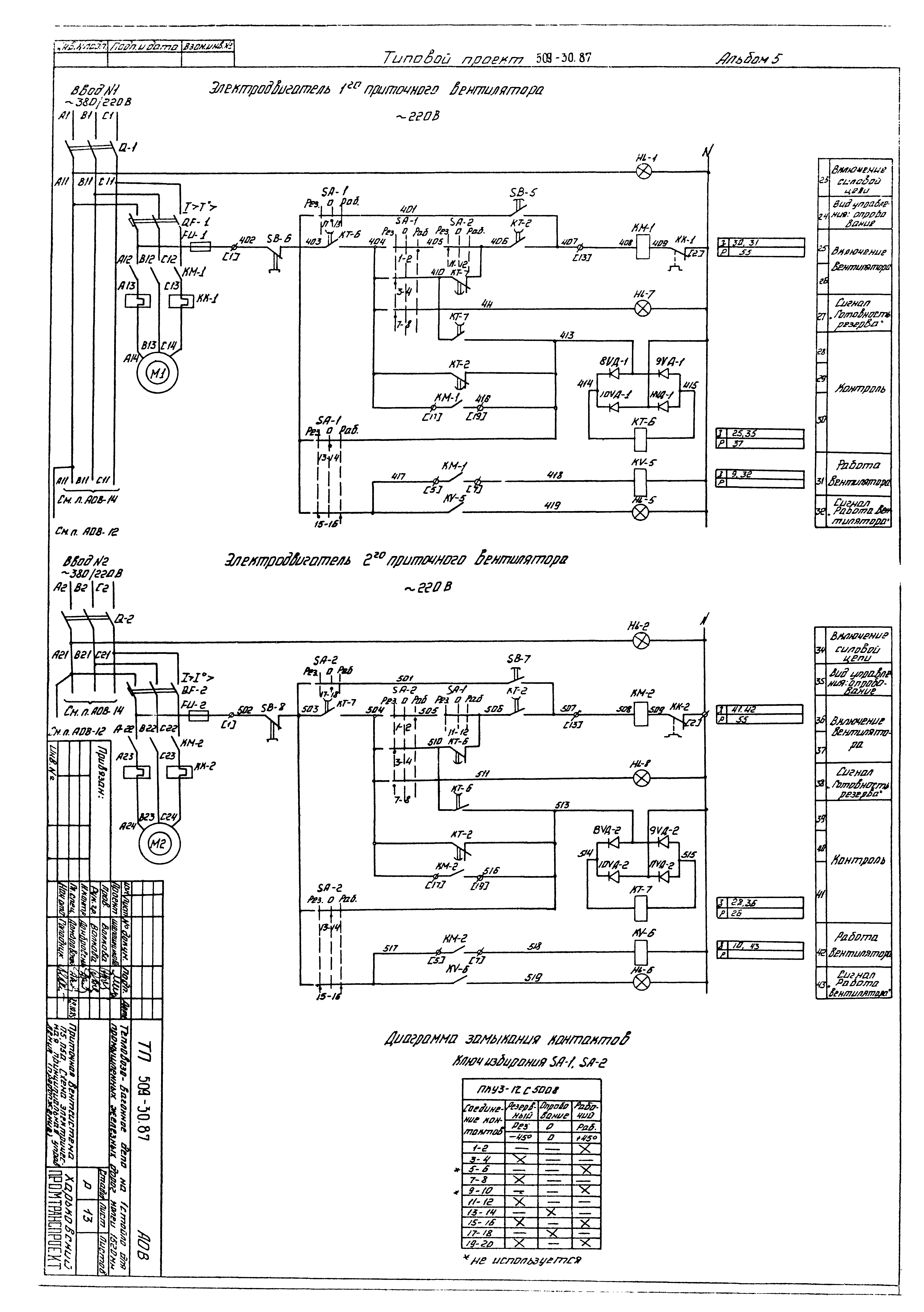
Скачать Типовой проект 509-30.87 Альбом 5. Силовое электрооборудование. Электрическое освещение. Автоматизация отопления и вентиляции. Автоматизация водопровода и канализации. Связь и сигнализация

Дата актуализации: 10.08.2017

Типовой проект 509-30.87

Альбом 5. Силовое электрооборудование. Электрическое освещение. Автоматизация отопления и вентиляции. Автоматизация водопровода и канализации. Связь и сигнализация

Обозначение: Типовой проект 509-30.87
Обозначение англ: 509-30.87
Статус:не определен законодательством
Название рус.:Альбом 5. Силовое электрооборудование. Электрическое освещение. Автоматизация отопления и вентиляции. Автоматизация водопровода и канализации. Связь и сигнализация
Дата добавления в базу:01.10.2014
Дата актуализации:05.05.2017
Дата введения:24.11.1986
Разработан: Харьковский Промстройниипроект
Утверждён:08.08.1986 Госстрой СССР (А4-56)
Расположен в:Техническая документация Строительство Справочные документы Типовые строительные конструкции, изделия и узлы Общероссийский строительный каталог Промышленные предприятия, здания и сооружения Предприятия, здания и сооружения транспорта Транспорт промпредприятий железнодорожный
Типовой проект 509-30.87Типовой проект 509-30.87Типовой проект 509-30.87Типовой проект 509-30.87Типовой проект 509-30.87Типовой проект 509-30.87Типовой проект 509-30.87Типовой проект 509-30.87Типовой проект 509-30.87Типовой проект 509-30.87Типовой проект 509-30.87Типовой проект 509-30.87Типовой проект 509-30.87Типовой проект 509-30.87Типовой проект 509-30.87Типовой проект 509-30.87Типовой проект 509-30.87Типовой проект 509-30.87Типовой проект 509-30.87Типовой проект 509-30.87Типовой проект 509-30.87Типовой проект 509-30.87Типовой проект 509-30.87Типовой проект 509-30.87Типовой проект 509-30.87Типовой проект 509-30.87Типовой проект 509-30.87Типовой проект 509-30.87Типовой проект 509-30.87Типовой проект 509-30.87Типовой проект 509-30.87Типовой проект 509-30.87Типовой проект 509-30.87Типовой проект 509-30.87Типовой проект 509-30.87Типовой проект 509-30.87Типовой проект 509-30.87Типовой проект 509-30.87Типовой проект 509-30.87Типовой проект 509-30.87Типовой проект 509-30.87Типовой проект 509-30.87Типовой проект 509-30.87Типовой проект 509-30.87Типовой проект 509-30.87Типовой проект 509-30.87Типовой проект 509-30.87Типовой проект 509-30.87Типовой проект 509-30.87Типовой проект 509-30.87Типовой проект 509-30.87Типовой проект 509-30.87Типовой проект 509-30.87Типовой проект 509-30.87Типовой проект 509-30.87Типовой проект 509-30.87Типовой проект 509-30.87Типовой проект 509-30.87Типовой проект 509-30.87Типовой проект 509-30.87Типовой проект 509-30.87Типовой проект 509-30.87Типовой проект 509-30.87Типовой проект 509-30.87Типовой проект 509-30.87Типовой проект 509-30.87Типовой проект 509-30.87Типовой проект 509-30.87Типовой проект 509-30.87Типовой проект 509-30.87Типовой проект 509-30.87Типовой проект 509-30.87Типовой проект 509-30.87

© 2013 Ёшкин Кот :-) Карта сайта