Информационная система
«Ёшкин Кот»

Скачать базу одним архивом
Скачать обновления
История создания базы
Карта сайта

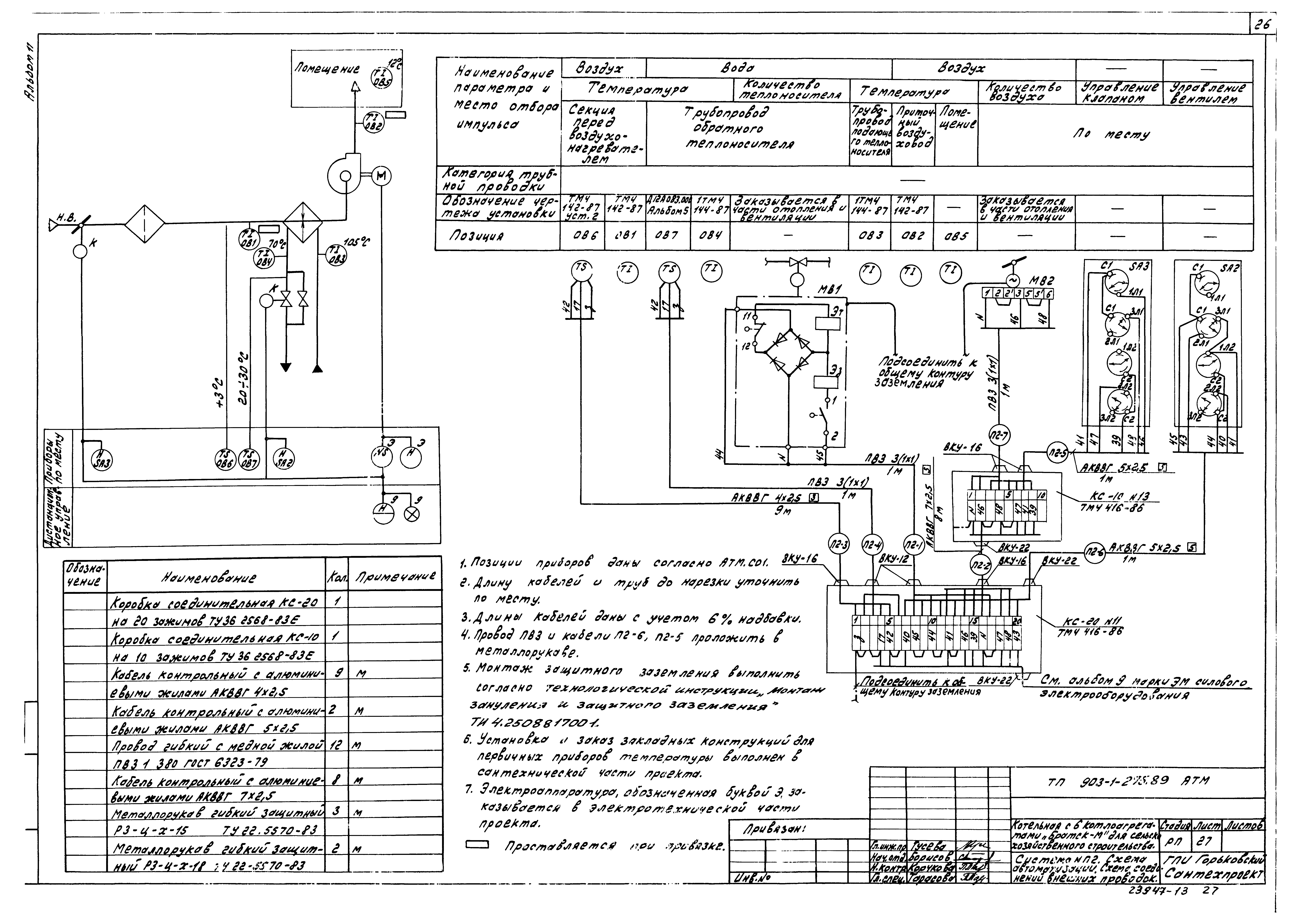
Скачать Типовой проект 903-1-275.89 Альбом 11. Автоматизация

Дата актуализации: 10.08.2017

Типовой проект 903-1-275.89

Альбом 11. Автоматизация

Обозначение: Типовой проект 903-1-275.89
Обозначение англ: 903-1-275.89
Статус:не определен законодательством
Название рус.:Альбом 11. Автоматизация
Дата добавления в базу:01.10.2014
Дата актуализации:05.05.2017
Дата введения:27.09.1989
Разработан: Горьковский Сантехпроект
Утверждён:27.09.1989 ГПКНИИ Сантехниипроект (11)
Издан: ЦИТП Госстроя СССР (CITP, Gosstroy (USSR) 1989 г. )
Расположен в:Техническая документация Строительство Справочные документы Типовые строительные конструкции, изделия и узлы Общероссийский строительный каталог Промышленные предприятия, здания и сооружения Здания и сооружения санитарно-технические Теплоснабжение Котельные установки Котельные для объектов сельского хозяйства Топливо - каменные и бурые угли
Заменяет собой:
Типовой проект 903-1-275.89Типовой проект 903-1-275.89Типовой проект 903-1-275.89Типовой проект 903-1-275.89Типовой проект 903-1-275.89Типовой проект 903-1-275.89Типовой проект 903-1-275.89Типовой проект 903-1-275.89Типовой проект 903-1-275.89Типовой проект 903-1-275.89Типовой проект 903-1-275.89Типовой проект 903-1-275.89Типовой проект 903-1-275.89Типовой проект 903-1-275.89Типовой проект 903-1-275.89Типовой проект 903-1-275.89Типовой проект 903-1-275.89Типовой проект 903-1-275.89Типовой проект 903-1-275.89Типовой проект 903-1-275.89Типовой проект 903-1-275.89Типовой проект 903-1-275.89Типовой проект 903-1-275.89Типовой проект 903-1-275.89Типовой проект 903-1-275.89Типовой проект 903-1-275.89Типовой проект 903-1-275.89Типовой проект 903-1-275.89Типовой проект 903-1-275.89Типовой проект 903-1-275.89Типовой проект 903-1-275.89Типовой проект 903-1-275.89Типовой проект 903-1-275.89Типовой проект 903-1-275.89Типовой проект 903-1-275.89Типовой проект 903-1-275.89Типовой проект 903-1-275.89

© 2013 Ёшкин Кот :-) Карта сайта