Скачать Типовые проектные решения 901-07-8.84 Альбом II. Технологическая, санитарно-техническая, электротехническая, архитектурно-строительная части и нестандартизированное оборудованиеДата актуализации: 10.08.2017 Типовые проектные решения 901-07-8.84
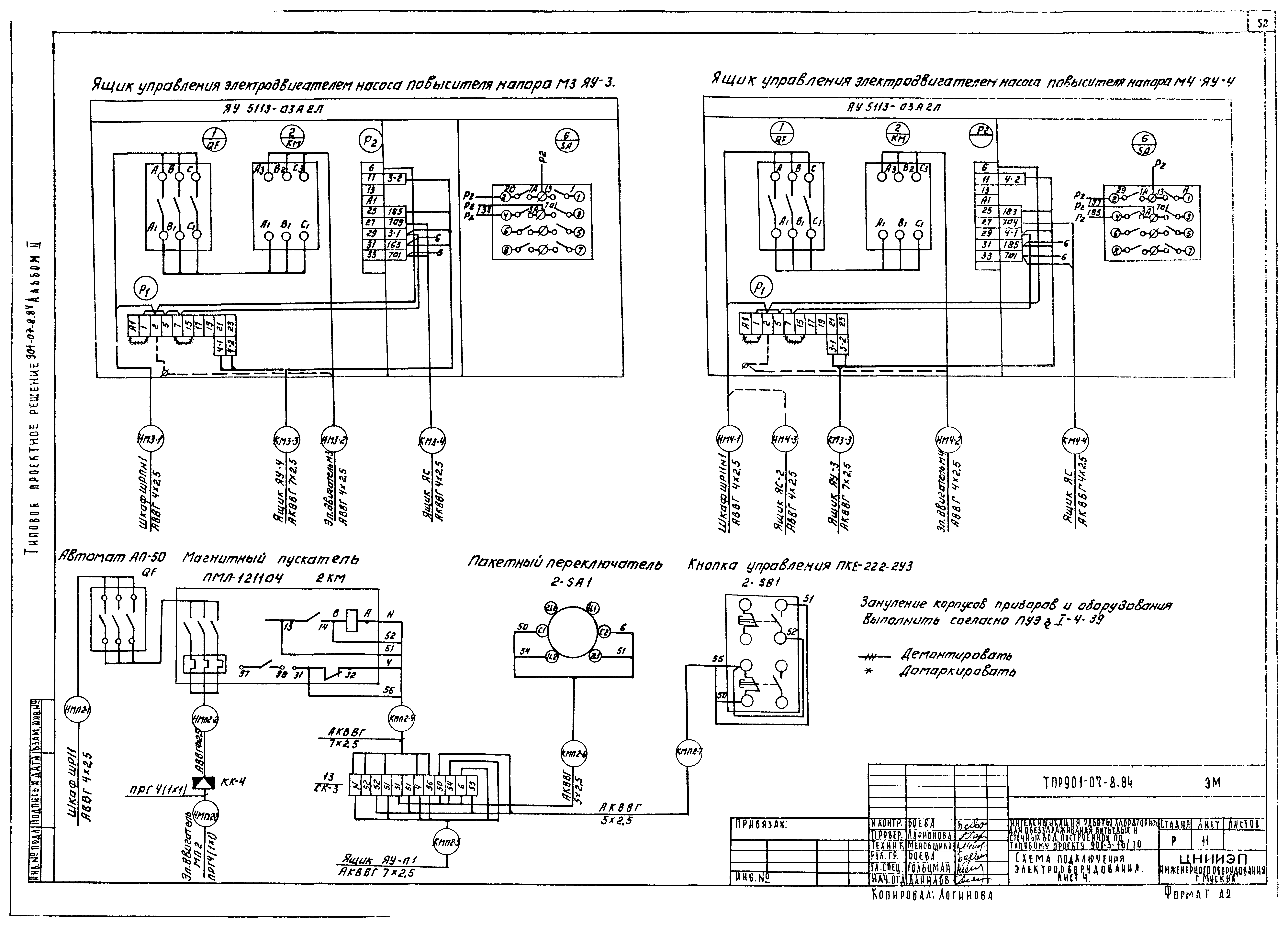
Альбом II. Технологическая, санитарно-техническая, электротехническая, архитектурно-строительная части и нестандартизированное оборудованиеОбозначение: | Типовые проектные решения 901-07-8.84 | Обозначение англ: | 901-07-8.84 | Статус: | cправочные материалы, мп, тпр | Название рус.: | Альбом II. Технологическая, санитарно-техническая, электротехническая, архитектурно-строительная части и нестандартизированное оборудование | Дата добавления в базу: | 01.10.2014 | Дата актуализации: | 05.05.2017 | Дата введения: | 10.09.1984 | Оглавление: | Содержание альбома Технологическая часть Общие данные Временная схема. План. Схемы Х1, Х2, Х3, В1 Вариант подачи хлорной воды. Принципиальная схема для обеззараживания питьевых вод Вариант подачи хлорной воды. Принципиальная схема для обеззараживания сточных вод Вариант подачи газообразного хлора. Принципиальная схема Склад баллонов. Насосная. План. Разрез 1-1 Вариант подачи хлорной воды. Хлордозаторная. План Вариант подачи хлорной воды. Хлордозаторная. План на отм. 3.300 Вариант подачи хлорной воды. Хлордозаторная. Разрез 1-1 Вариант подачи хлорной воды. Хлордозаторная Вариант подачи газообразного хлора. Хлордозаторная. План Схемы Х1, Х2, Х3 для обеззараживания питьевых вод Схемы В10, Х3, Х4 для обеззараживания питьевых вод Схемы Х1, Х2, Е2 для обеззараживания сточных вод Схемы В10, Х3, Х4 для обеззараживания сточных вод Архитектурно-строительная часть Общие данные Планы на отм. 0.000 и 3.000 Разрезы 1-1, 2-2, 3-3 Фасады 1 - 4; 4 - 1; А - Б; Б - А Спецификация элементов заполнения проемов. Ведомость перемычек. Спецификация перемычек Экспликация полов. Ведомость отделки помещений Конструкции железобетонные Общие данные Схема расположения фундаментов под оборудование и трубопроводов питания. Разрезы Схема расположения фундаментов под оборудование, фундаменты ФО1, 2, 3 Схемы расположения покрытия и перекрытия Монолитные участки Ум1 - Ум4 Схема расположения приточной венткамеры. Изделие закладное (МН1, МН2, МН3) Конструкции металлические Общие данные. Техническая спецификация металла Техническая спецификация металла на типовые конструкции. Ведомость металлоконструкций по видам профилей Схема расположения металлических площадок и лестниц на отм. 3.200 Трубы вытяжные Внутренние водопровод и канализация Общие данные. План. Схемы В1, К1, Т0 План. Схемы В1, Т0, К1, К3 Отопление и вентиляция Общие данные Планы на отм. 0.000 и 3.000 Схемы систем вентиляции П1, П2, В1, В2, В3, ВЕ1, ВЕ2 и отопления Установки систем В1, В2 Установки систем П1, П2. Схема системы теплоснабжения установок П1, П2 Переходы Силовое электрооборудование Общие данные Схема электрическая принципиальная. Питание электрооборудования Схемы электрические принципиальные управления насосами повысителями напора Схемы электрические принципиальные управления электродвигателями вентиляторов Схема электрическая принципиальная управления приточным вентилятором Аварийная сигнализация. Схема электрическая принципиальная Схема подключения электрооборудования Кабельный журнал Размещение электрооборудования и прокладки кабеля. План на отм. 0.000 и 3.000 Автоматизация Общие данные Схема функциональная Схема подключения приборов технологического контроля Размещение приборов технологического контроля и прокладка кабеля. План на отм. 0.000 и 3.000 Электрическое освещение. Молниезащита Общие данные Электрическое освещение. План Молниезащита. План Сигнализация и связь Общие данные. План на отм. 0.000 с сетями связи. Спецификация. Экспликация помещения Нестандартизированное оборудование Эжектор производительностью 5 кг хлора в час | Разработан: | ЦНИИЭП иженерного оборудования
| Утверждён: | 14.02.1984 Госгражданстрой (Gosgrazhdanstroy 48)
| Расположен в: |
|
                                                                
|