Скачать Типовой проект 3.503-2 Раздел 1. Промежуточные массивно-столбчатые опоры при толщине льда 1,0 мДата актуализации: 10.08.2017 Типовой проект 3.503-2
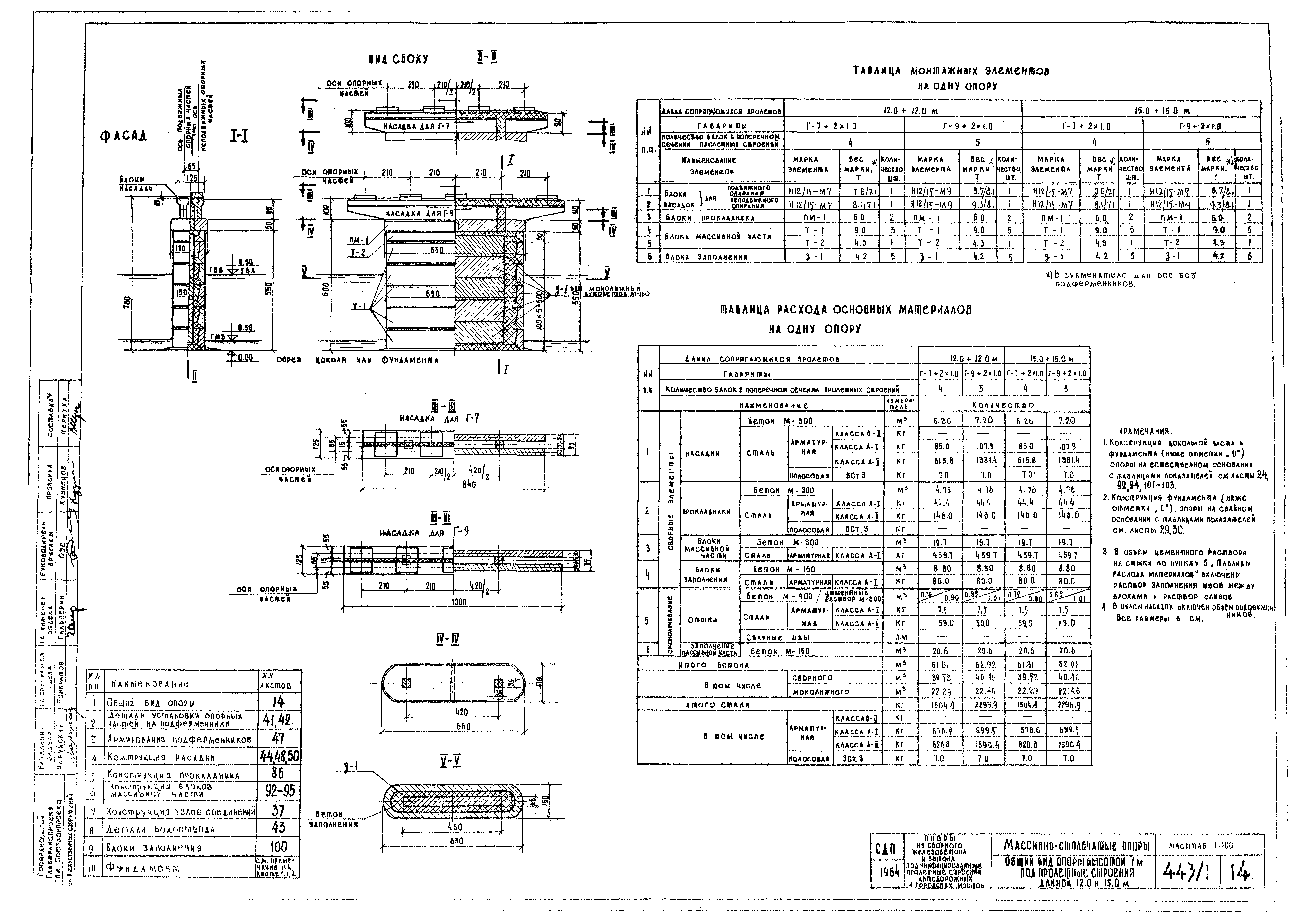
Раздел 1. Промежуточные массивно-столбчатые опоры при толщине льда 1,0 мОбозначение: | Типовой проект 3.503-2 | Обозначение англ: | 3.503-2 | Статус: | не действует | Название рус.: | Раздел 1. Промежуточные массивно-столбчатые опоры при толщине льда 1,0 м | Дата добавления в базу: | 01.10.2014 | Дата актуализации: | 05.05.2017 | Дата введения: | 01.10.2000 | Оглавление: | Пояснения Расчетные листы Сводные таблицы расхода материалов Общие виды опор высотой Н = 5, 7, 9 м под пролетные строения длиной 12 и 15 м Общие виды опор высотой Н = 7, 9, 11 м под пролетные строения длиной 18 и 24 м Общие виды опор высотой Н = 9, 11, 13 м под пролетные строения длиной 33 и 42 м Цокольная часть фундамента опор на естественном основании Н = 5, 7, 9 м под пролеты 12 и 15 м Цокольная часть фундамента опор на естественном основании Н = 7, 9, 11 м под пролет 18 м; Н = 7, 9 под пролет 24 м Цокольная часть фундамента опор на естественном основании Н = 11 м под пролет 24 м; Н = 9 под пролет 33 м Цокольная часть фундамента опор на естественном основании Н = 11, 13 м под пролет 33 м; Н = 9 под пролет 42 м Цокольная часть фундамента опор на естественном основании Н = 11, 13 м под пролет 42 м Фундаменты опор на свайном основании Н = 5, 7, 9 м под пролет 12, 15 м; Н = 7, 9 м под пролет 18 м Свайные ростверки опор Н = 5, 7, 9 м под пролет 12, 15 м; Н = 7, 9 м под пролет 18 м Фундаменты опор на свайном основании Н = 11 м под пролет 18 м; Н = 7, 9 м под пролет 24 м Свайные ростверки опор Н = 11 м под пролет 18 м; Н = 7, 9 м под пролет 24 м Фундаменты опор на свайном основании Н = 11 м под пролет 24 м; Н = 9 м под пролет 33 м Свайные ростверки опор Н = 11 м под пролет 24 м; Н = 9 м под пролет 33 м Фундаменты опор на свайном основании Н = 11, 13 м под пролет 33 м; Н = 9, 11, 13 м под пролет 42 м Свайные ростверки опор Н = 11, 13 м под пролет 33 м; Н = 9, 11, 13 м под пролет 42 м Детали узлов соединений для опор с массивной надстройкой Детали узлов соединений для опор со столбчатой надстройкой Детали установки опорных частей на подферменники Детали водоотвода Опалубочные чертежи блоков насадок Армирование подферменников Армирование блоков насадок для опор с массивной надстройкой. Блоки Н12/15-М7 Армирование блоков насадок для опор с массивной надстройкой. Блоки Н12/15-М9 Армирование блоков насадок для опор с массивной надстройкой. Блоки Н18/24-М7 Армирование блоков насадок для опор с массивной надстройкой. Блоки Н18/24-М9 Армирование блоков насадок для опор с массивной надстройкой. Блоки Н33-М7 и Н42-М7 Армирование блоков насадок для опор с массивной надстройкой. Блоки Н33-М9 и Н42-М9 Армирование блоков насадок для опор со столбчатой надстройкой. Блоки Н12/15-С7 Армирование блоков насадок для опор со столбчатой надстройкой. Блоки Н12/15-С9 Армирование блоков насадок для опор со столбчатой надстройкой. Блоки Н18-С7 и Н24-С7 Армирование блоков насадок для опор со столбчатой надстройкой. Блоки Н18-С9 и Н24-С9 Армирование блоков насадок для опор со столбчатой надстройкой. Блоки Н33-С7 и Н42-С7 Армирование блоков насадок для опор со столбчатой надстройкой. Блоки Н33-С9 и Н42-С9 Детали сварных арматурных каркасов Предварительно напряженные насадки. Армирование предварительно напрягаемой арматурой блоков НН12/15-С9 Предварительно напряженные насадки. Армирование ненапрягаемой арматурой блоков НН12/15-С9 Предварительно напряженные насадки. Армирование предварительно напрягаемой арматурой блоков НН18-С9 и НН24-С9 Предварительно напряженные насадки. Армирование ненапрягаемой арматурой блоков НН18-С9 и НН24-С9 Предварительно напряженные насадки. Армирование предварительно напрягаемой арматурой блоков НН33-С9 и НН42-С9 Предварительно напряженные насадки. Армирование ненапрягаемой арматурой блоков НН33-С9 и НН42-С9 Конструкция каркасно-стержневого анкера Каркасы верхнего пояса сетки ребра и торцов, закладные детали и отдельные стержни Опалубочные чертежи и армирование прокладников для опор с массивной надстройкой Опалубочные чертежи и армирование капителей, столбов, прокладников для опор со столбчатой надстройкой Опалубочные чертежи блоков массивной части Армирование блоков массивной части Опалубочные чертежи блоков цоколя Армирование блоков цоколя Блоки заполнения массивной части опоры и цоколя Опалубочные чертежи блоков фундамента Армирование блоков фундамента Конструкция свай СВ20, СВ25, СВ28 Схемы производства работ по сооружению опор. Вариант конструкции столбчатой надстройки со сплошными стойками Опалубочные чертежи стоек и прокладников Армирование стоек СКп-1 по СКп-5 Армирование прокладника ПСп-1 Армирование прокладника ПСп-2 Детали соединения узлов | Разработан: | ГПИ Союздорпроект
| Утверждён: | 24.05.1966 Министерство транспортного строительства СССР (USSR Ministry of Transport Construction Л-876)
| Расположен в: |
|
                                                                                                                   
|