Скачать Типовой проект 901-8-8 Альбом II. Технологическая, санитарно-техническая части и нестандартизированное оборудованиеДата актуализации: 10.08.2017 Типовой проект 901-8-8
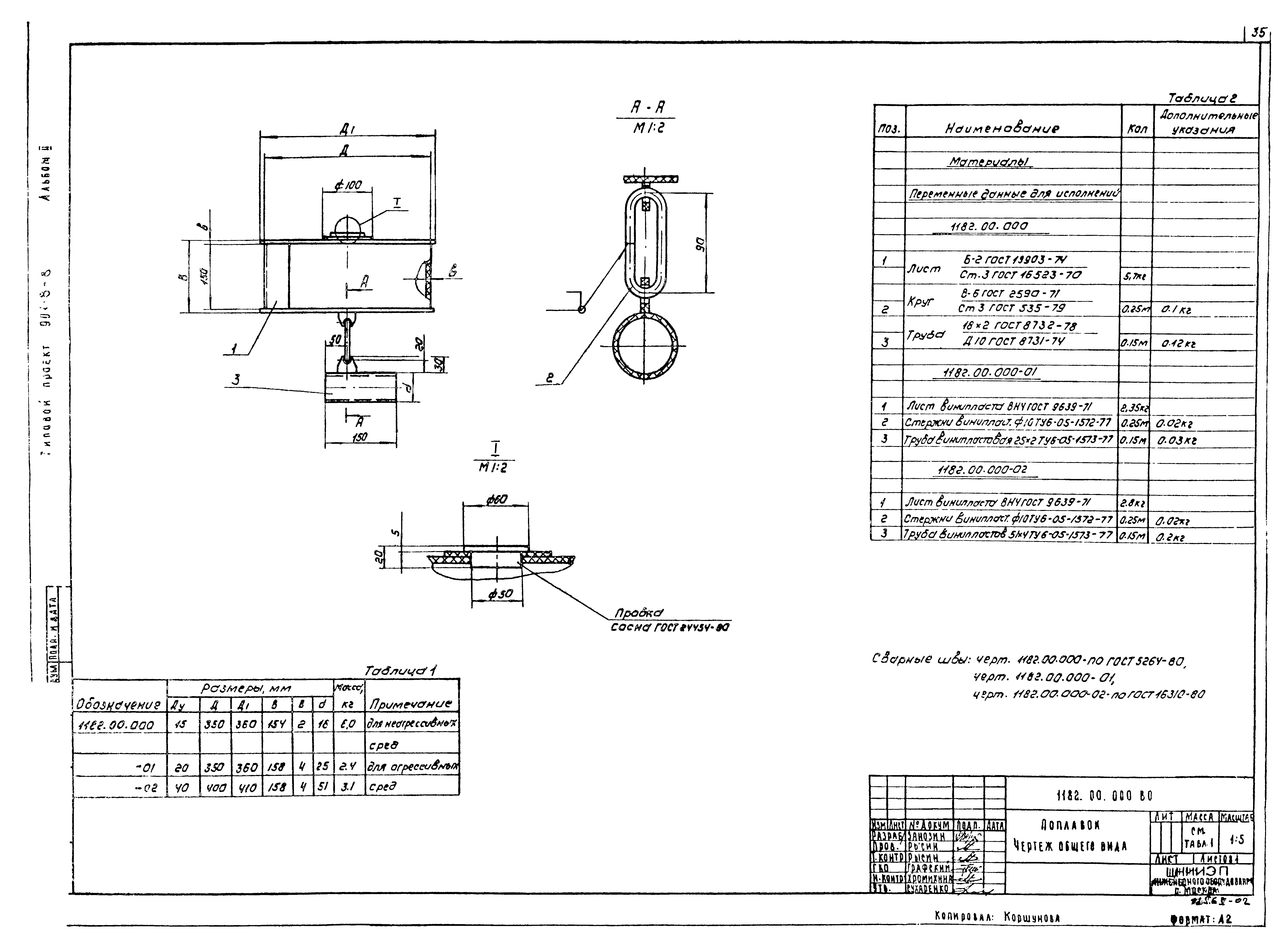
Альбом II. Технологическая, санитарно-техническая части и нестандартизированное оборудованиеОбозначение: | Типовой проект 901-8-8 | Обозначение англ: | 901-8-8 | Статус: | не определен законодательством | Название рус.: | Альбом II. Технологическая, санитарно-техническая части и нестандартизированное оборудование | Дата добавления в базу: | 01.10.2014 | Дата актуализации: | 05.05.2017 | Дата введения: | 24.09.1982 | Оглавление: | Технологическая часть Общие данные Принципиальная схема обработки воды Общеувязочный чертеж. План на отм. - 1.800; - 0.500; 0.000. План на отм. 1.100; 3.600. Разрезы. Экспликация помещений Помещение "Струи". План. Спецификация оборудования. Загрузка фильтров Помещение "Струи". Разрезы 1-1, 2-2 Помещение "Струи". Разрез 3-3. Спецификация материалов Помещение "Струи". Аксонометрическая схема Реагентное хозяйство. План на отм. - 1.800; - 0.500; 0.000 Реагентное хозяйство. План на отм. 1.100. Разрезы 4-4, 5-5, 6-6 Реагентное хозяйство. Разрезы 7-7 - 11-11 Реагентное хозяйство. Аксонометрические схемы трубопроводов Реагентное хозяйство. Спецификация материалов. Спецификация оборудования Насосная станция II подъема. План, разрезы 12-12, 13-13 Насосная станция II подъема. Аксонометрические схемы Насосная станция II подъема. Спецификация оборудования. Спецификация материалов Санитарно-техническая часть Общие данные Внутренний водопровод и канализация. Планы и схемы. Спецификация материалов Лаборатории. План. Спецификация мебели и оборудования. Водостоки. Схемы. Спецификация материалов Отопление и вентиляция Общие данные План на отм. - 1.800; - 0.500; 0.000 План на отм. 1.100; 3.600 Схема системы отопления Схемы системы П-1, В-1, В-4, ВЕ1 - ВЕ3 Венткамера на отм. 3.600. Система П-1. План. Разрез 1-1. Схема системы теплоснабжения Венткамера на отм. 3.600. Системы В-1, В-2, В-4. Разрез 1-1 Переходы Воздуховод из асбестоцементных листов. Узлы соединений Нестандартизированное оборудование Воздухозаборное устройство Ду150. Чертеж общего вида Коллектор гидросмыва. Чертеж общего вида Поплавок. Чертеж общего вида Газоотделитель. Чертеж общего вида Коллектор воздухораспределительный в растворно-хранилищном баке коагулянта. Чертеж общего вида Коллектор воздухораспределительный в расходном баке коагулянта. Чертеж общего вида Коллектор воздухораспределительный в баке соды. Чертеж общего вида Коллектор воздухораспределительный в расходном баке полиакриламида. Чертеж общего вида | Разработан: | ЦНИИЭП иженерного оборудования
| Утверждён: | 22.07.1981 Госгражданстрой (Gosgrazhdanstroy 219)
| Расположен в: |
|
                                   
|