Информационная система
«Ёшкин Кот»

Скачать базу одним архивом
Скачать обновления
История создания базы
Карта сайта

Скачать Типовой проект 901-8-8 Альбом I. Архитектурно-строительная часть

Дата актуализации: 10.08.2017

Типовой проект 901-8-8

Альбом I. Архитектурно-строительная часть

Обозначение: Типовой проект 901-8-8
Обозначение англ: 901-8-8
Статус:не определен законодательством
Название рус.:Альбом I. Архитектурно-строительная часть
Дата добавления в базу:01.10.2014
Дата актуализации:05.05.2017
Дата введения:24.09.1982
Оглавление:Чертежи основного комплекта марки АР
   Общие данные
   Планы на отм. 0.000 и 3.600, фрагмент 1 и 2. Экспликация помещений
   Разрезы 1-1, 2-2, 3-3, планы и спецификация сборных перегородок
   Схема расположения перегородок в осях 1 - 3
   Фасады 1 - 6; 6 - 1; А - Г; Г - А
   Ведомость проемов ворот и дверей, ведомость и спецификация перемычек
   Планы полов и кровли, экспликация полов. Фрагмент 3
   Детали 1 - 6
Чертежи основного комплекта марки КЖ
   Общие данные
   Схема расположения фундаментов, фундаментных балок и подпорных стен. Сечение 1-1. Виды 10-10 - 15-15
   Схема расположения фундаментов, фундаментных балок и подпорных стен. Виды 2-2 - 5-5
   Схема расположения фундаментов, фундаментных балок и подпорных стен. Разрезы 6-6 - 9-9
   Фундаменты Фм1, Фм2, Фм3. Опалубочные чертежи. Армирование
   Фундаменты Фм4, Фм5, Фм6. Опалубочные чертежи. Армирование
   Фундаменты Фм7, Фм8, Фм9, Фм10. Опалубочные чертежи
   Фундаменты Фм7, Фм8, Фм9. Армирование
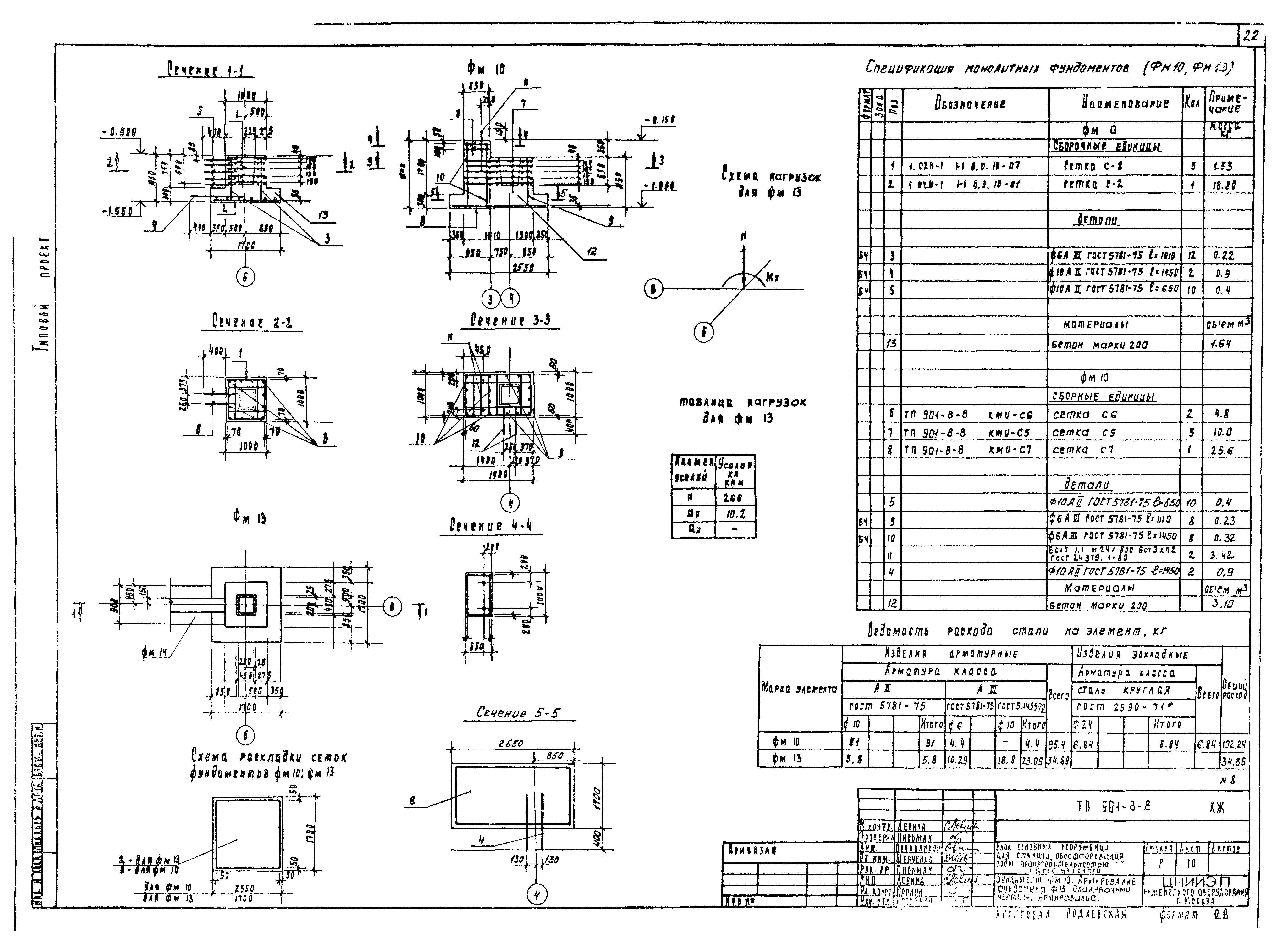
   Фундамент Фм10. Армирование. Фундамент Фм13. Опалубочный чертеж. Армирование
   Фундаменты Фм11, Фм12. Опалубочные чертежи. Армирование
   Фундаменты Фм14, Фм15, Фм16. Опалубочные чертежи. Армирование
   Фундамент Фм17. Опалубочный чертеж. Армирование
   Схема расположения емкостей, фундаментов под оборудование, каналов и приямков
   Схема расположения емкостей, фундаментов под оборудование, каналов и приямков. Разрезы 1-1 - 8-8
   Схема расположения труб и закладных деталей в полу и стенах
   Схема расположения каналов и приямков в осях 5 - 6; В - Г. Разрезы 7-7 - 13-13
   Фундаменты под оборудование Фо1 - Фо13
   Антикоррозийная защита каналов и фундаментов под оборудование
   Растворные баки коагулянта и извести (РЕ1). Схема расположения стеновых панелей и монолитных участков. Разрезы 1-1 - 3-3. Узлы 3 - 4
   Схема расположения закладных изделий в монолитных участках. Армирование Ум1, Ум2, Ум3 в емкости РЕ1
   Антикоррозийная защита и схема деревянной обрешетки в емкости РЕ1
   Армирование монолитного ж/б днища в емкости РЕ1
   Схема расположения каркасов в зубе днища емкости РЕ1
   Расходные баки коагулянта и полиакриламида (РЕ2). Опалубочные чертежи
   Расходные баки коагулянта и полиакриламида (РЕ2). Армирование
   Схемы расположения стеновых панелей по осям "А", "Г", "1", "3", "4", "6". Спецификация
   Схемы расположения стеновых панелей по осям "А", "Г", "1", "3", "4", "6". Сечения 1-1 - 3-3. Спецификация
   Схемы расположения колонн, балок, ригелей
   Схемы расположения колонн, балок, ригелей. Разрезы 4-4, 5-5. Узел 1. Спецификации
   Схема расположения вертикальных связей
   Схемы расположения подкрановых путей и монорельсов. Разрезы 1-1 - 3-3
   Схемы расположения подкрановых путей и монорельсов. Узлы 1 - 5
   Схемы расположения плит покрытия и перекрытия
   Схемы расположения лестничных маршей, проступей и верхней лестничной площадки
   Перекрытие на отм. 1.100. Сечения 1-1 - 5-5
   Перекрытие на отм. 1.100. Сечения 6-6, 7-7. Балки Бм1 - Бм3
   Армирование монолитных участков Ум1, Ум2, Ум3
   Схемы расположения площадок на отм. - 0.500; 0.000; 3.580
   Узлы 5, 6. Сечения 11-11 - 17-17
   Схема расположения закладных деталей в полу. Узлы 1 - 4
   Схема расположения приточной венткамеры на отм. 3.600
Разработан: ЦНИИЭП иженерного оборудования
Утверждён:22.07.1981 Госгражданстрой (Gosgrazhdanstroy 219)
Расположен в:Техническая документация Строительство Справочные документы Типовые строительные конструкции, изделия и узлы Общероссийский строительный каталог Промышленные предприятия, здания и сооружения Здания и сооружения санитарно-технические Водоснабжение Сооружения и установки по подготовке питьевой воды Станции обесфторивания воды
Типовой проект 901-8-8Типовой проект 901-8-8Типовой проект 901-8-8Типовой проект 901-8-8Типовой проект 901-8-8Типовой проект 901-8-8Типовой проект 901-8-8Типовой проект 901-8-8Типовой проект 901-8-8Типовой проект 901-8-8Типовой проект 901-8-8Типовой проект 901-8-8Типовой проект 901-8-8Типовой проект 901-8-8Типовой проект 901-8-8Типовой проект 901-8-8Типовой проект 901-8-8Типовой проект 901-8-8Типовой проект 901-8-8Типовой проект 901-8-8Типовой проект 901-8-8Типовой проект 901-8-8Типовой проект 901-8-8Типовой проект 901-8-8Типовой проект 901-8-8Типовой проект 901-8-8Типовой проект 901-8-8Типовой проект 901-8-8Типовой проект 901-8-8Типовой проект 901-8-8Типовой проект 901-8-8Типовой проект 901-8-8Типовой проект 901-8-8Типовой проект 901-8-8Типовой проект 901-8-8Типовой проект 901-8-8Типовой проект 901-8-8Типовой проект 901-8-8Типовой проект 901-8-8Типовой проект 901-8-8Типовой проект 901-8-8Типовой проект 901-8-8Типовой проект 901-8-8Типовой проект 901-8-8Типовой проект 901-8-8Типовой проект 901-8-8Типовой проект 901-8-8Типовой проект 901-8-8Типовой проект 901-8-8Типовой проект 901-8-8Типовой проект 901-8-8Типовой проект 901-8-8Типовой проект 901-8-8

© 2013 Ёшкин Кот :-) Карта сайта