Скачать Шифр 22.0100 Железобетонные опоры для совместной подвески ВЛ 10 кВ и ВЛИ 0,38 кВДата актуализации: 10.08.2017 Шифр 22.0100
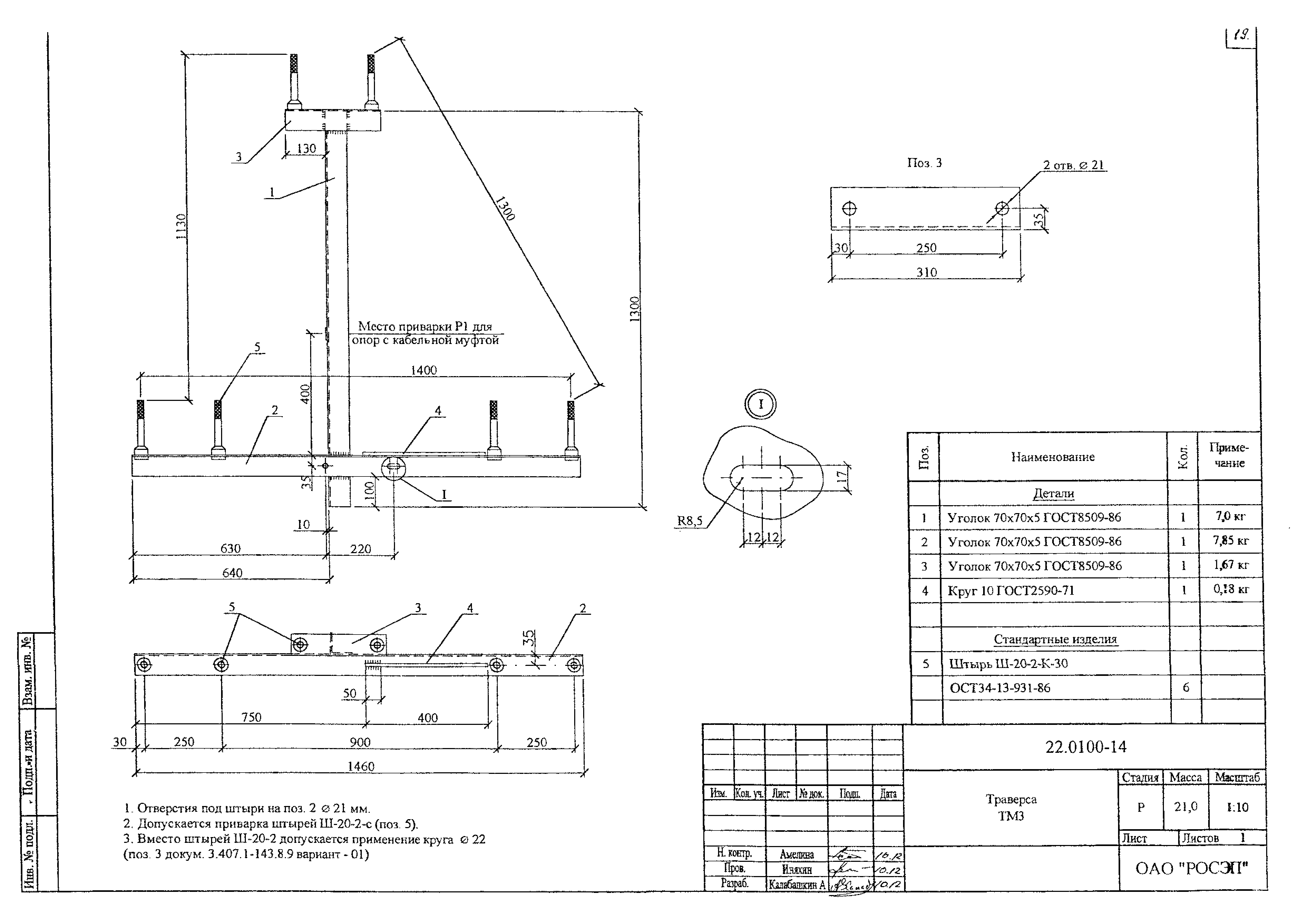
Железобетонные опоры для совместной подвески ВЛ 10 кВ и ВЛИ 0,38 кВОбозначение: | Шифр 22.0100 | Обозначение англ: | 22.0100 | Статус: | не определен законодательством | Название рус.: | Железобетонные опоры для совместной подвески ВЛ 10 кВ и ВЛИ 0,38 кВ | Дата добавления в базу: | 01.10.2014 | Дата актуализации: | 05.05.2017 | Дата введения: | 01.01.2002 | Оглавление: | 22.0100-00 Содержание 22.0100-ПЗ Пояснительная записка 22.0100-01 Промежуточная опора П102 22.0100-02 Промежуточная опора П104 22.0100-03 Угловая промежуточная опора УП101 22.0100-04 Угловая промежуточная опора УП102 22.0100-05 Анкерная опора А101 22.0100-06 Анкерная опора А102 22.0100-07 Опорно-анкерная плита П-3и 22.0100-08 Анкер цилиндрический АЦ-1 22.0100-09 Стяжка Г1 22.0100-10 Оттяжка ОТ25 22.0100-11 Кронштейн У1 22.0100-12 Кронштейн У4 22.0100-13 Кронштейн У14 22.0100-14 Траверса ТМ3 22.0100-15 Траверса ТМ10 22.0100-16 Траверса ТН28 22.0100-17 Оголовок ОГ1 22.0100-18 Накладка ОГ2 22.0100-19 Накладка ОГ5 22.0100-20 Накладка ОГ9 22.0100-21 Хомуты Х1, Х2, Х11, Х42 22.0100-22 Заземляющий проводник ЗП1 22.0100-23 Болт М16 | Разработан: | ОАО РОСЭП
| Утверждён: | 01.01.2002 РАО ЕЭС России (UES of Russia RAO )
| Расположен в: |
|
                        
|