Информационная система
«Ёшкин Кот»

Скачать базу одним архивом
Скачать обновления
История создания базы
Карта сайта

Скачать Типовой проект 901-7-17.90 Альбом 5. Силовое электрооборудование. Автоматизация и КИП. Электроосвещение. Связь и сигнализация

Дата актуализации: 10.08.2017

Типовой проект 901-7-17.90

Альбом 5. Силовое электрооборудование. Автоматизация и КИП. Электроосвещение. Связь и сигнализация

Обозначение: Типовой проект 901-7-17.90
Обозначение англ: 901-7-17.90
Статус:не действует
Название рус.:Альбом 5. Силовое электрооборудование. Автоматизация и КИП. Электроосвещение. Связь и сигнализация
Дата добавления в базу:01.10.2014
Дата актуализации:05.05.2017
Дата введения:01.04.2003
Оглавление:Содержание
Силовое электрооборудование
   Общие данные
   Схема электрическая принципиальная питающей сети 0,4 кВ
   Схема электрическая принципиальная распределительной сети 380/220 В
   Кабельнотрубный журнал
   Схема электрическая принципиальная управления насосами подачи нейтрализующего раствора М1 (М2)
   Схема электрическая принципиальная управления насосами-повысителями напора М3 (М4)
   Схема электрическая принципиальная управления компрессорами М5 (М6)
   Схемы электрические принципиальные управления дренажным насосом М7, подключения ящика Я7
   Схемы электрические принципиальные управления вытяжными вентиляторами МВ1 (МВ3 - МВ5), подключения ящика ЯВ1 (ЯВ3 - ЯВ5)
   Схемы электрические принципиальные управления приточной системой П2 и аварийным вентилятором МВ2
   Схема электрическая принципиальная аварийной сигнализации, подключения ящика ЯАС1
   Схемы электрические принципиальные аварийно-предупредительной сигнализации, подключения ящика ЯАС2
   Схема подключения электрооборудования. Ящики Я1(Я2), Я3(Я4), Я5(Я6)
   Схема подключения электрооборудования. Ящики ЯП1, ЯП2, ЯП3, ЯВ2
   Планы расположения электрооборудования и прокладки электрических сетей на отм. - 1.500; 0.000 и 3.300
   Планы расположения электрооборудования и прокладки электрических сетей. Спецификация
   Прокладка гибкого токопровода для крана К. План на отм. - 1.500; 0.000
   Заземление. План на отм. - 1.500; 0.000
   Опросный лист для заказа щита из панелей ЩО70
Автоматизация
   Общие данные
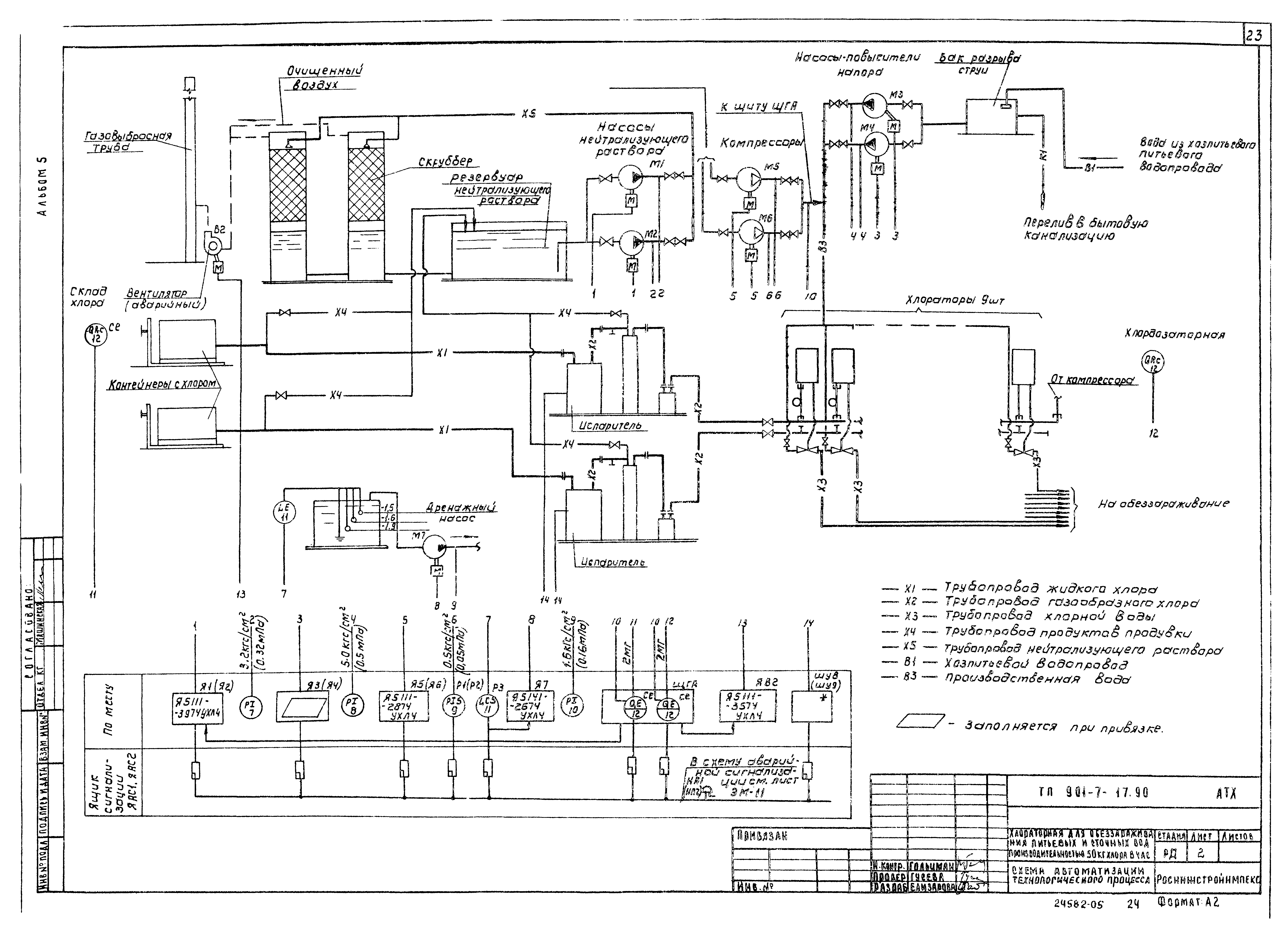
   Схема автоматизации технологического процесса
   Структурные схемы аварийной ситуации в хлораторной и вытяжной вентиляции. Схема автоматизации приточной системы П1(П2), П3
   Схемы электрические питания приборов и цепей управления, электрических соединений и общих цепей газоанализаторов
   Схема электрическая принципиальная управления приточной системой П1
   Схема электрическая принципиальная управления приточной системой П3
   Схемы электрические принципиальные управления заслонкой У2-1(У3-1); У1-1(У4-1)
   Схема соединений внешних проводок. Схема подключения щита ЩГА
   Размещение приборов и прокладка кабеля. План на отм. - 1.500; 0.000 и 3.300
   Опросный лист для заказа газоанализатора "Сирена М"
Электрическое освещение
   Общие данные
   Электрическое освещение. План на отм. - 1.500; 0.000. Фрагмент плана на отм. 4.500
   Электрическое освещение. План на отм. 3.300. План питающих сетей
Связь и сигнализация
   Общие данные. План на отм. 0.000 с сетями связи
Разработан: Росинжстройимпекс
Утверждён:07.12.1989 Госкомархитектура (225)
Издан: ЦИТП Госстроя СССР (CITP, Gosstroy (USSR) 1991 г. )
Расположен в:Техническая документация Строительство Справочные документы Типовые строительные конструкции, изделия и узлы Общероссийский строительный каталог Промышленные предприятия, здания и сооружения Здания и сооружения санитарно-технические Водоснабжение Сооружения и установки по обеззараживанию воды Реагентное хозяйство для станций очистки
Заменяет собой:
Типовой проект 901-7-17.90Типовой проект 901-7-17.90Типовой проект 901-7-17.90Типовой проект 901-7-17.90Типовой проект 901-7-17.90Типовой проект 901-7-17.90Типовой проект 901-7-17.90Типовой проект 901-7-17.90Типовой проект 901-7-17.90Типовой проект 901-7-17.90Типовой проект 901-7-17.90Типовой проект 901-7-17.90Типовой проект 901-7-17.90Типовой проект 901-7-17.90Типовой проект 901-7-17.90Типовой проект 901-7-17.90Типовой проект 901-7-17.90Типовой проект 901-7-17.90Типовой проект 901-7-17.90Типовой проект 901-7-17.90Типовой проект 901-7-17.90Типовой проект 901-7-17.90Типовой проект 901-7-17.90Типовой проект 901-7-17.90Типовой проект 901-7-17.90Типовой проект 901-7-17.90Типовой проект 901-7-17.90Типовой проект 901-7-17.90Типовой проект 901-7-17.90Типовой проект 901-7-17.90Типовой проект 901-7-17.90Типовой проект 901-7-17.90Типовой проект 901-7-17.90Типовой проект 901-7-17.90Типовой проект 901-7-17.90Типовой проект 901-7-17.90

© 2013 Ёшкин Кот :-) Карта сайта