Скачать Типовые материалы для проектирования 901-07-22.91 Альбом I. Бактерицидные установки производительностью до 20,0 тыс. куб. м/сутки. Пояснительная записка и чертежиДата актуализации: 10.08.2017 Типовые материалы для проектирования 901-07-22.91
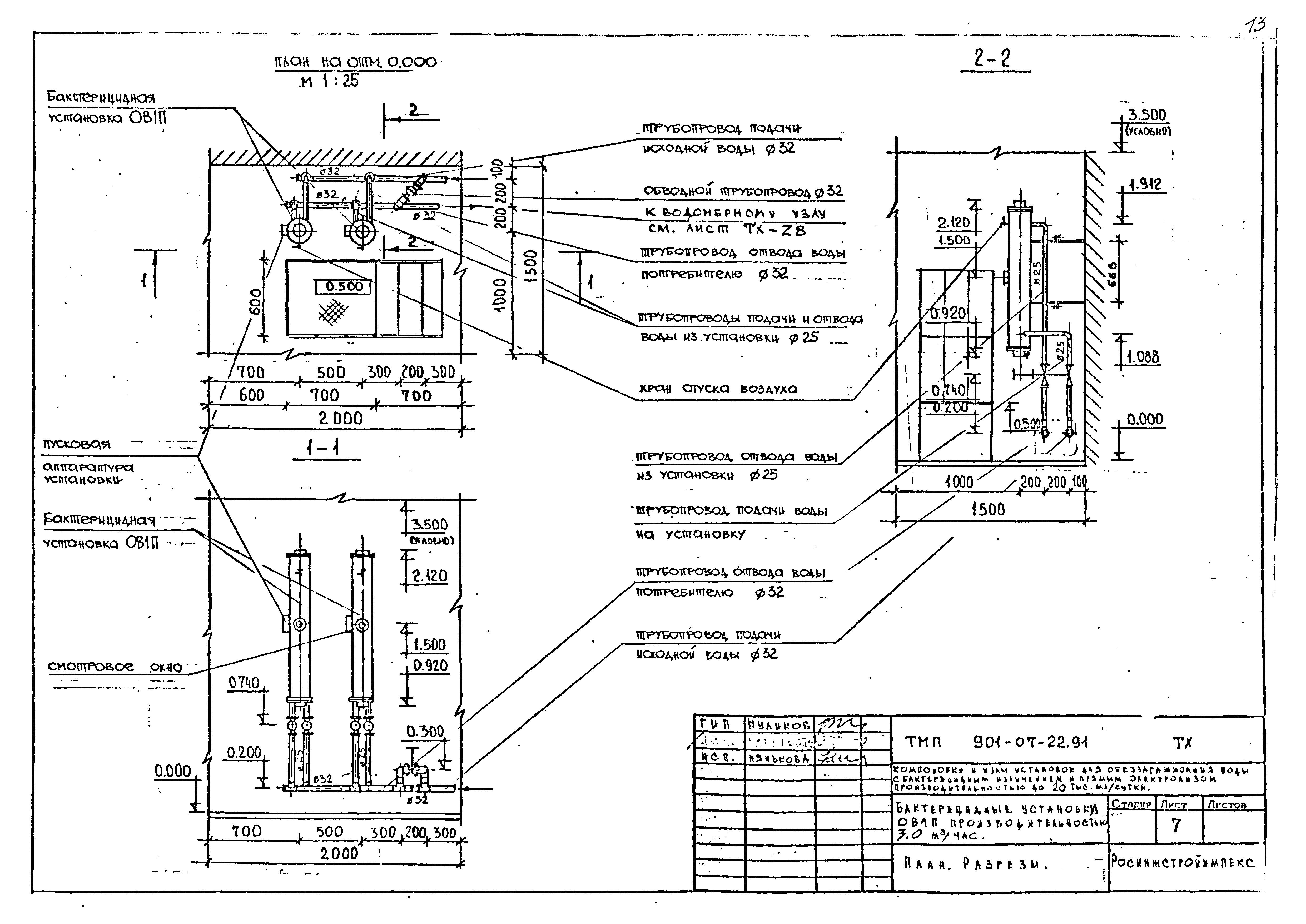
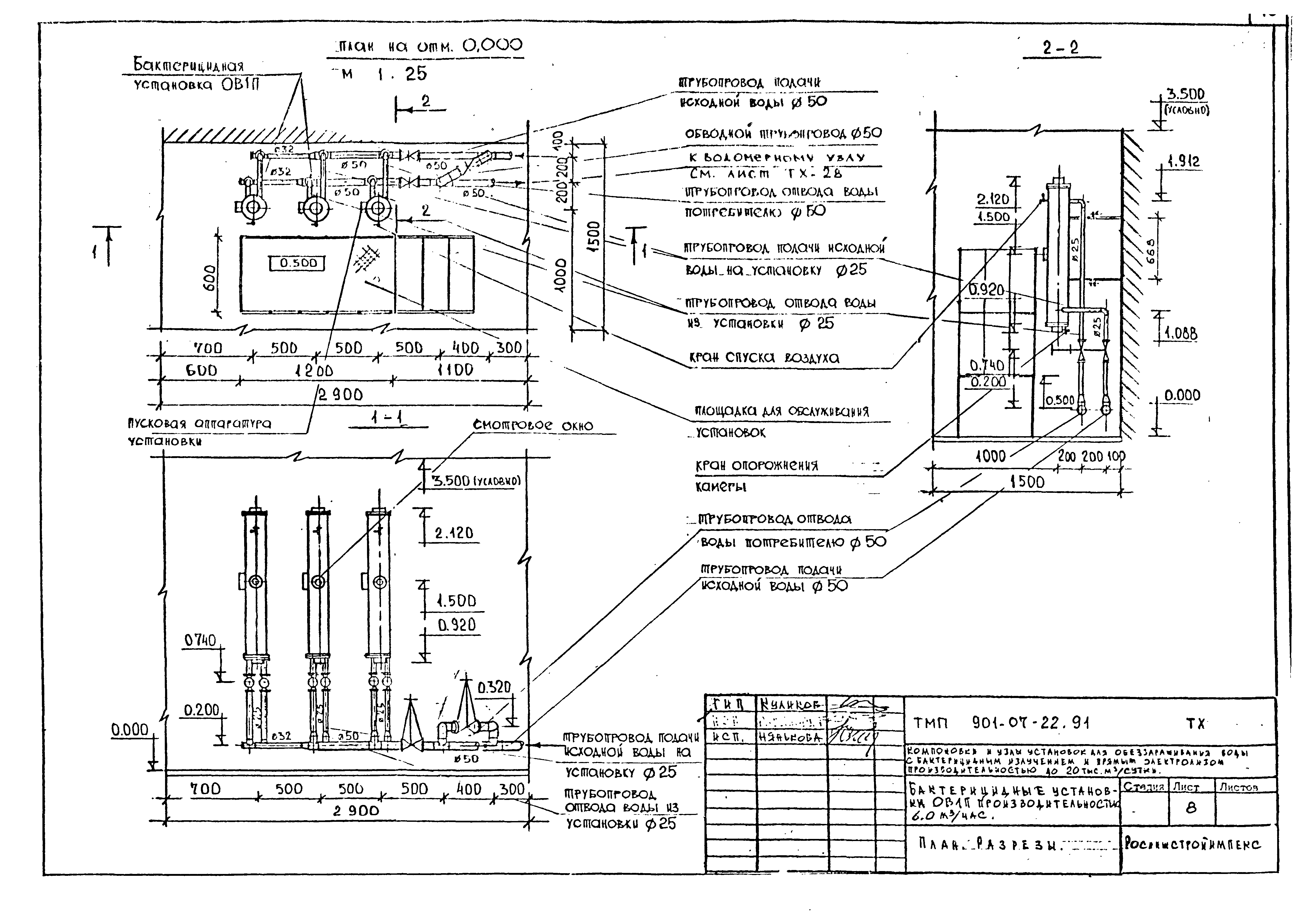
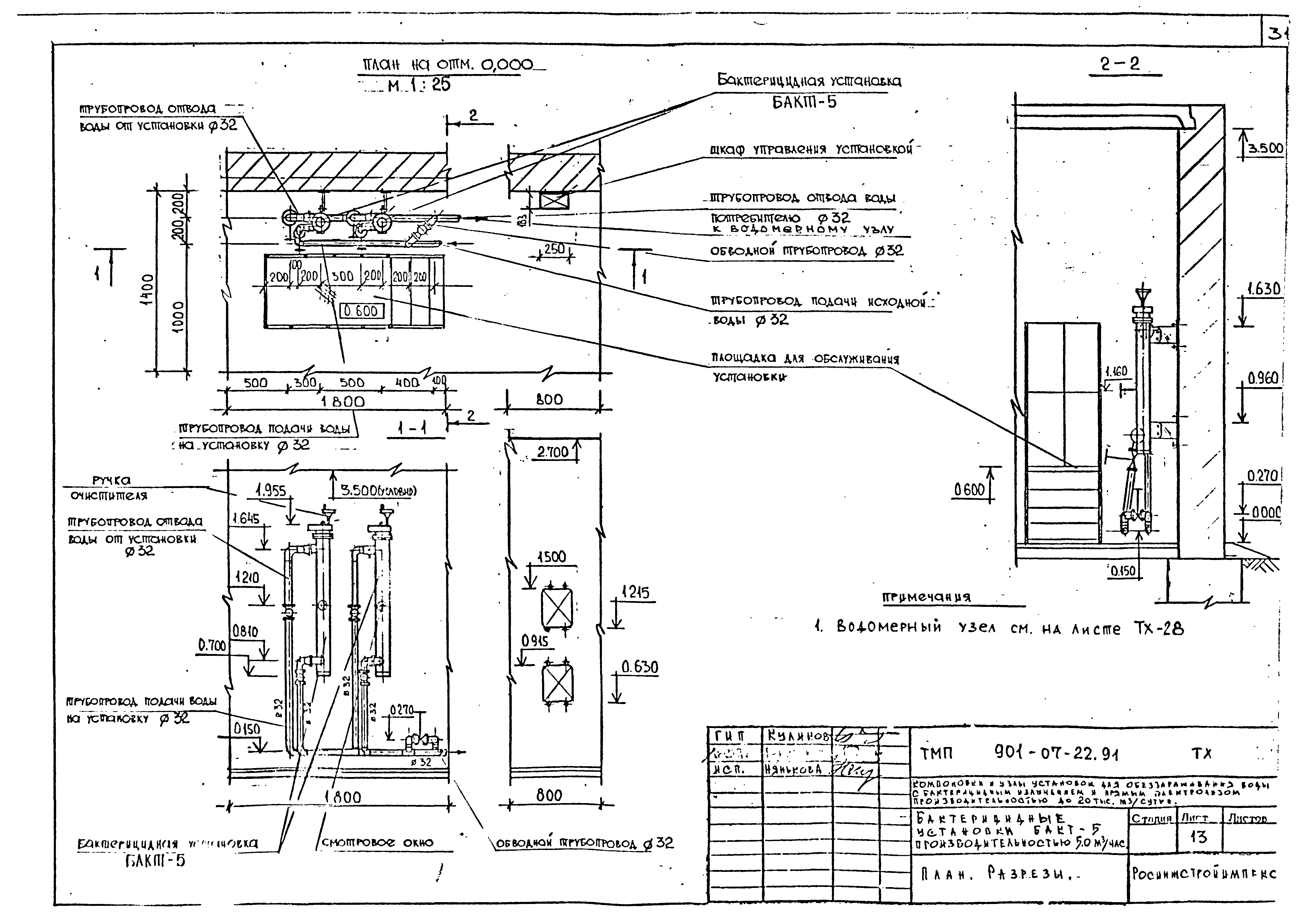
Альбом I. Бактерицидные установки производительностью до 20,0 тыс. куб. м/сутки. Пояснительная записка и чертежиОбозначение: | Типовые материалы для проектирования 901-07-22.91 | Обозначение англ: | 901-07-22.91 | Статус: | cправочные материалы, мп, тпр | Название рус.: | Альбом I. Бактерицидные установки производительностью до 20,0 тыс. куб. м/сутки. Пояснительная записка и чертежи | Дата добавления в базу: | 01.10.2014 | Дата актуализации: | 05.05.2017 | Дата введения: | 16.11.1991 | Оглавление: | Пояснительная записка Чертежи основного комплекта марки ТХ Общие данные Схема установок для обеззараживания воды бактерицидными лучами ОВ1П и БАКТ-5 Компоновочный лист бактерицидных установок ОВ1П производительностью 3,0 - 15,0 куб. м/час. План. Разрез. Таблица размеров зон эксплуатации установок Бактерицидные установки ОВ1П производительностью 3,0 куб. м/час. План. Разрезы Спецификация оборудования и материалов к бактерицидным установкам ОВ1П производительностью 3,0 куб. м/час Бактерицидные установки ОВ1П производительностью 6,0 куб. м/час. План. Разрезы Спецификация оборудования и материалов к бактерицидным установкам ОВ1П производительностью 6,0 куб. м/час Бактерицидные установки ОВ1П производительностью 9,0 куб. м/час. План. Разрезы Спецификация оборудования и материалов к бактерицидным установкам ОВ1П производительностью 9,0 куб. м/час Бактерицидные установки ОВ1П производительностью 12,0 куб. м/час. План. Разрезы Спецификация оборудования и материалов к бактерицидным установкам ОВ1П производительностью 12,0 куб. м/час Бактерицидные установки ОВ1П производительностью 15,0 куб. м/час. План. Разрезы Спецификация оборудования и материалов к бактерицидным установкам ОВ1П производительностью 15,0 куб. м/час Компоновочный лист бактерицидных установок БАКТ-5 производительностью 5,0 - 25,0 куб. м/час. План. Разрезы. Таблица размеров зон эксплуатации установки Бактерицидные установки БАКТ-5 производительностью 5,0 куб. м/час. План. Разрезы Спецификация оборудования и материалов к бактерицидным установкам БАКТ-5 производительностью 5,0 куб. м/час Бактерицидные установки БАКТ-5 производительностью 10,0 куб. м/час. План. Разрезы Спецификация оборудования и материалов к бактерицидным установкам БАКТ-5 производительностью 10,0 куб. м/час Бактерицидные установки БАКТ-5 производительностью 15,0 куб. м/час. План. Разрезы Спецификация оборудования и материалов к бактерицидным установкам БАКТ-5 производительностью 15,0 куб. м/час Бактерицидные установки БАКТ-5 производительностью 20,0 куб. м/час. План. Разрезы Спецификация оборудования и материалов к бактерицидным установкам БАКТ-5 производительностью 20,0 куб. м/час Бактерицидные установки БАКТ-5 производительностью 25,0 куб. м/час. План. Разрезы Спецификация оборудования и материалов к бактерицидным установкам БАКТ-5 производительностью 25,0 куб. м/час Схема установок для обеззараживания воды бактерицидными лучами ОВ-50 Компоновочный лист бактерицидных установок ОВ-50 производительностью 50 - 250 куб. м/час. План. Разрез. Таблица зон монтажа и эксплуатации установки Бактерицидные установки ОВ-50 производительностью 50 куб. м/час. План. Разрезы Спецификация оборудования и материалов к бактерицидным установкам ОВ-50 производительностью 50 куб. м/час Бактерицидные установки ОВ-50 производительностью 150 куб. м/час. План. Разрезы Спецификация оборудования и материалов к бактерицидным установкам ОВ-50 производительностью 150 куб. м/час Бактерицидные установки ОВ-50 производительностью 250 куб. м/час. План. Разрезы Спецификация оборудования и материалов к бактерицидным установкам ОВ-50 производительностью 250 куб. м/час Схема установки для обеззараживания воды бактерицидными лучами ОВ-150 Компоновочный лист бактерицидных установок ОВ-150 производительностью 150 - 450 куб. м/час. План. Разрез. Таблица размеров зон монтажа и эксплуатации установок Бактерицидные установки ОВ-150 производительностью 150 куб. м/час. План. Разрезы Спецификация оборудования и материалов к бактерицидным установкам ОВ-150 производительностью 150 куб. м/час Бактерицидные установки ОВ-150 производительностью 450 куб. м/час. План. Разрезы Спецификация оборудования и материалов к бактерицидным установкам ОВ-150 производительностью 450 куб. м/час Бактерицидные установки ОВ-150 производительностью 750 куб. м/час. План. Разрезы Спецификация оборудования и материалов к бактерицидным установкам ОВ-150 производительностью 750 куб. м/час Водомерные узлы для трубопроводов диаметром от 32 мм до 400 мм Вариант компоновки бактерицидных установок с насосными станциями над артскважинами производительностью от 3 до 25 куб. м/час Вариант компоновки бактерицидных установок с установкой "Струя" производительностью 100 куб. м/час Вариант компоновки бактерицидных установок с насосной станцией производительностью 600 куб. м/час по ТП № 901-02-126 Схема подключения установок ОВ-150 Схема подключения установок ОВ-50 Схема подключения установок ОВ1П и БАКТ-5 Бактерицидная установка ОВ-50 производительностью 250 куб. м/час. Схема расположения площадки Бактерицидная установка ОВ-150 производительностью 750 куб. м/час. Схема расположения площадки | Разработан: | Росинжстройимпекс
| Утверждён: | 29.11.1991 Госкомархитектура (5-230)
| Расположен в: |
|
                                                                                  
|