Скачать Типовой проект 411-2-190.88 Альбом 2. Часть 1. Архитектурные решения. Конструкции железобетонныеДата актуализации: 10.08.2017 Типовой проект 411-2-190.88
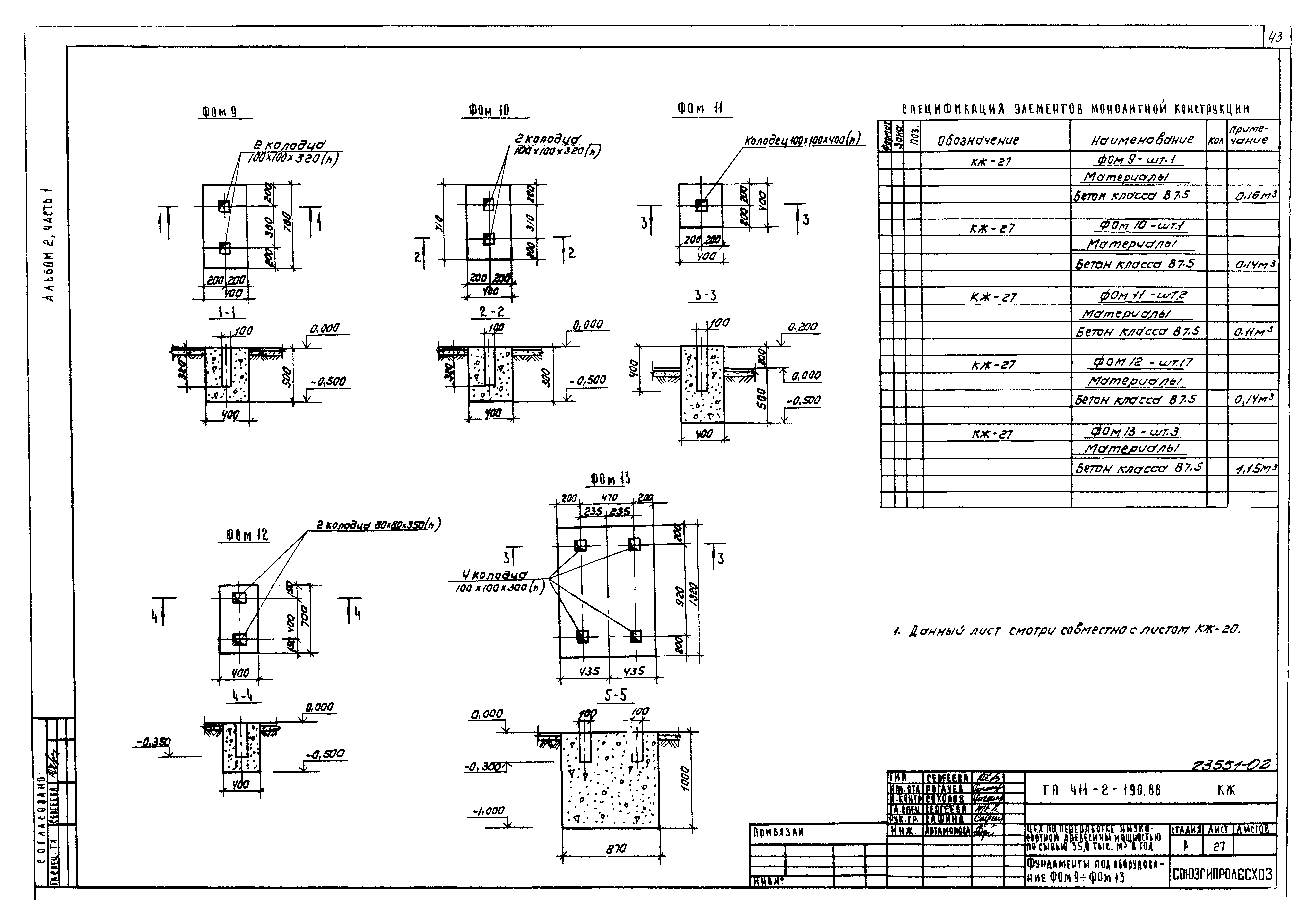
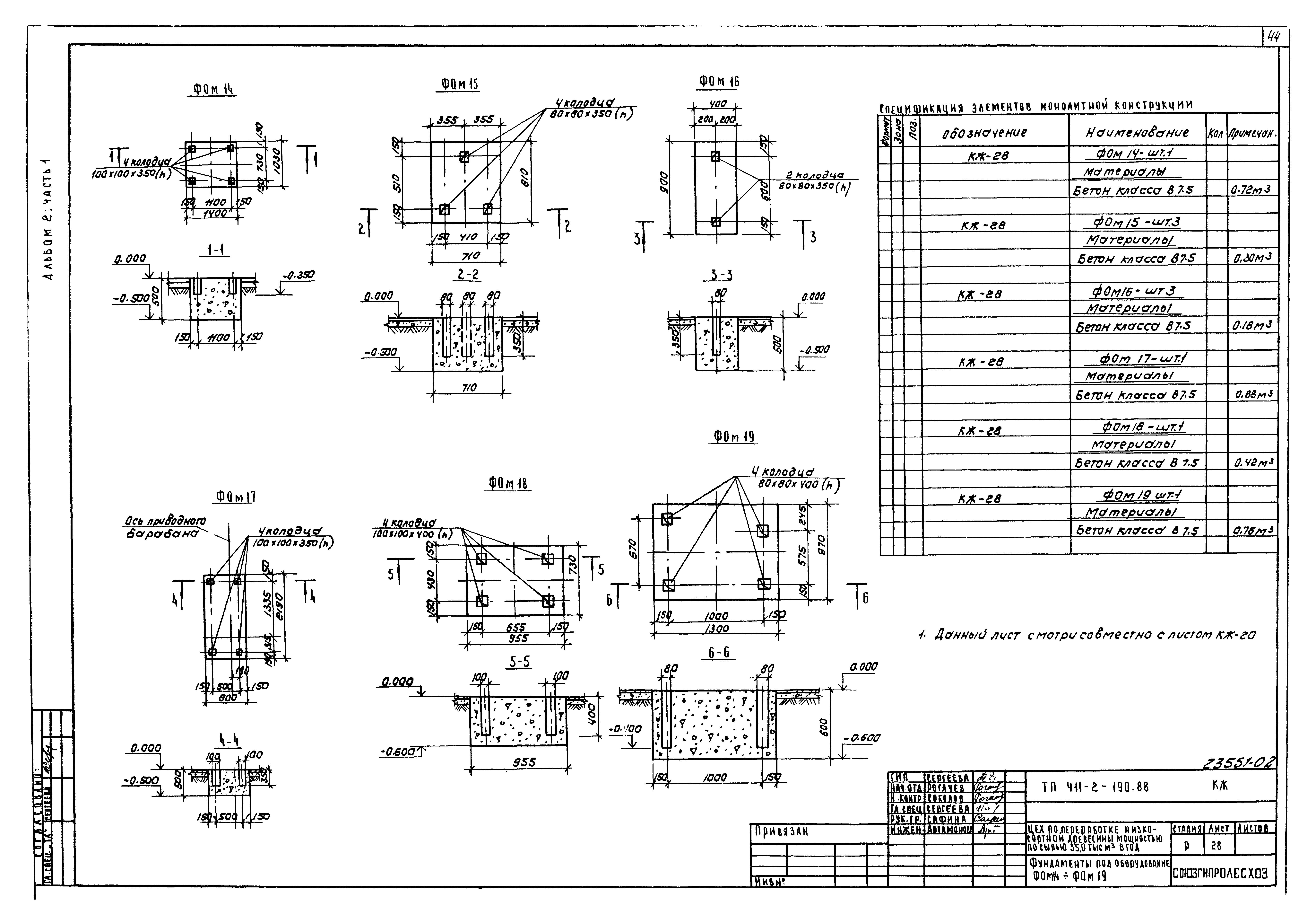
Альбом 2. Часть 1. Архитектурные решения. Конструкции железобетонныеОбозначение: | Типовой проект 411-2-190.88 | Обозначение англ: | 411-2-190.88 | Статус: | не определен законодательством | Название рус.: | Альбом 2. Часть 1. Архитектурные решения. Конструкции железобетонные | Дата добавления в базу: | 01.10.2014 | Дата актуализации: | 05.05.2017 | Дата введения: | 25.11.1988 | Оглавление: | Содержание альбома Архитектурные решения Общие данные План на отм. 0.000 План на отм. - 2.200. Сортплощадка Вспомогательные помещения. План на отм. 0.000 и 3.000 Разрезы 1-1, 2-2, 3-3, 4-4, 5-5 Разрезы 6-6, 7-7, 8-8 Детали плана и разрезов 1 - 9 Планы расположения ниш, отверстий на отм. 0.000; 3.000 Фасады 1 - 13; 13 - 1; А - М; М - А План кровли, планы полов. Экспликация полов Спецификация. Ведомость проемов ворот и дверей. Схема расположения элементов заполнения оконных проемов Ведомость перемычек. Спецификация перемычек Ведомость перемычек и спецификация перемычек для расчетной температуры наружного воздуха минус 20, минус 40 градусов Цельсия Конструкции железобетонные Общие данные Схема расположения фундаментов и фундаментных балок Узлы 1 - 5 Узлы 6 - 10 Узел 11. Сечения 1-1 - 5-5. Фрагмент 1 Фундаменты Фм1, Фм2 Фундаменты Фм3, Фм4, Фм5 Фундаменты Фм6, Фм7, Фм8 Фундамент Фм9 Бытовые помещения. Схема расположения фундаментов. Сечения 1-1 - 8-8 Бытовые помещения. Схема расположения элементов сборных фундаментов (вариант) Бытовые помещения. Раскладка блоков по осям 11, 12, 13, Ж, М Бытовые помещения. Раскладка блоков по осям И, И/1, 12/1, Ж, М. Сечения 1-1 - 7-7 Сортплощадка. Схема расположения фундаментов. Фундаменты Фм10, Фм11 Схема расположения фундаментов под опоры ленточного конвейера Схема расположения фундаментов под опоры скребкового транспортера Фм12 - Фм16 Схема расположения фундаментов под опоры лесотранспортеров БА-3М №1 и БА-3М №2 Наружный пневмотранспортер. Схема расположения фундаментов под опоры пневмотранспорта. Фундамент Фм17 Схема расположения фундаментов под оборудование на отм. 0.000 и 1.200 в осях 1 - 9 Схема расположения фундаментов под оборудование на отм. 0.000 в осях 9 - 13 Схема расположения фундаментов под оборудование на отм. - 2.200 Фундаменты под оборудование ФОм1 - ФОм7 Фундамент ФОм2. Опалубка Фундамент ФОм8. Армирование. Разрезы 1-1, 2-2 Фундамент ФОм8. Армирование. Разрез 3-3 Фундаменты под оборудование ФОм9 - ФОм13 Фундаменты под оборудование ФОм14 - ФОм19 Фундаменты под оборудование ФОм20 - ФОм25 Фундаменты под оборудование ФОм26 - ФОм29 Фундаменты ФОм20, ФОм40. Опалубка и армирование Фундамент ФОм30. Армирование. Сечения 5-5 - 7-7 Фундаменты под оборудование ФОм31 - ФОм35 Фундаменты под оборудование ФОм36 - ФОм39. Сечения 1-1 - 5-5 Фундаменты под оборудование ФОм41 - ФОм43 Схема расположения плит перекрытия траншей Т1, Т2. Монолитные участки Ум1 и Ум2 Сортплощадка. Схема расположения фундаментов под оборудование Сортплощадка. Фундаменты под оборудование ФОм44 - ФОм46 Сортплощадка. Фундаменты под оборудование ФОм47 - ФОм49 Сортплощадка. Фундаменты под оборудование ФОм50 - ФОм53 Схема расположения колонн Монолитная рама Рм1. Опалубка Монолитная рама Рм1. Армирование Схема расположения балок и плит покрытия Разрезы 1-1 - 4-4. Схемы молниезащиты Схема расположения ригелей и плит перекрытия на отм. 1.200 Узлы 1, 2, 3 Схема расположения панелей по осям "Ж", "М", "1" Спецификация к схемам расположения панелей Фрагменты крепления панелей 1 - 13 Спецификация элементов крепления панелей Венткамеры П1. Узлы. Сечения Бытовые помещения. Схема расположения панелей перекрытия и покрытия Бытовые помещения. Схемы расположения элементов лестницы в осях 12 - 13 Схемы расположения наружной и внутренней лестницы в подвал Сортплощадка. Схема расположения ферм и колонн. Разрезы Наружный пневмотранспорт. Схема расположения опор пневмотранспорта | Разработан: | Союзгипролесхоз
| Утверждён: | 21.11.1988 Госкомлес СССР (USSR Goskomles 31)
| Издан: | ЦИТП Госстроя СССР (CITP, Gosstroy (USSR) 1989 г. )
| Расположен в: |
|
                                                                         
|