Информационная система
«Ёшкин Кот»

Скачать базу одним архивом
Скачать обновления
История создания базы
Карта сайта

Скачать ГОСТ 31972-2013 Автомобильные транспортные средства. Порядок и процедуры методов контроля установки газобаллонного оборудования

Дата актуализации: 10.08.2017

ГОСТ 31972-2013

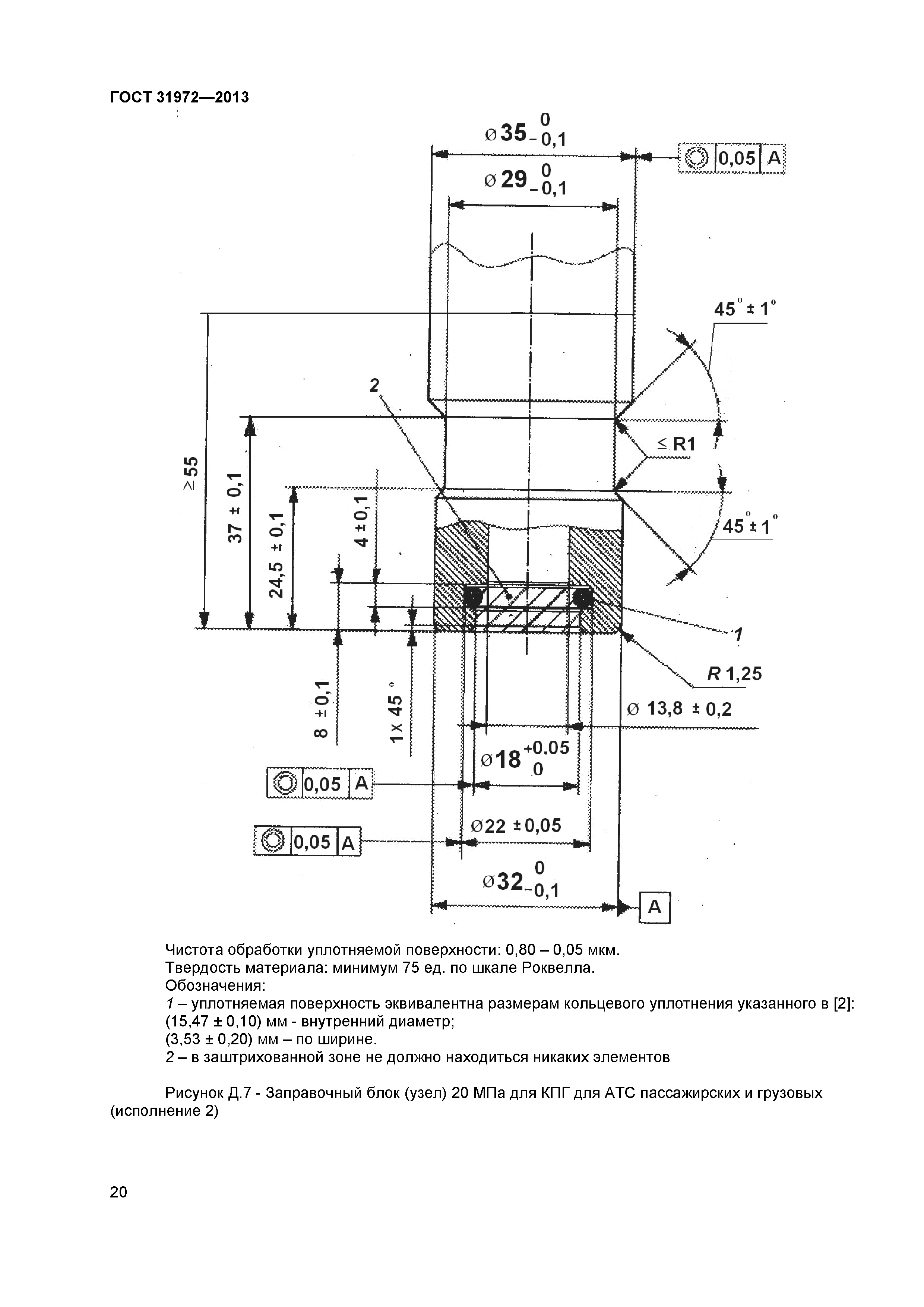
Автомобильные транспортные средства. Порядок и процедуры методов контроля установки газобаллонного оборудования

Обозначение: ГОСТ 31972-2013
Обозначение англ: GOST 31972-2013
Статус:введен впервые
Название рус.:Автомобильные транспортные средства. Порядок и процедуры методов контроля установки газобаллонного оборудования
Название англ.:Motor vehicles. Methods and procedures procedure for control systems gas equipment
Дата добавления в базу:01.10.2014
Дата актуализации:05.05.2017
Дата введения:01.09.2014
Область применения:Стандарт распространяется на автомобильные транспортные средства пассажирские и грузовые, имеющие двигатели внутреннего сгорания с искровым зажиганием как с карбюраторной системой питания, так и с системой впрыска топлива и двигатели внутреннего сгорания с воспламенением от сжатия и двухтопливной системой питания (газодизели), и устанавливает порядок и процедуры методов контроля установки на них газобаллонного оборудования. Установку газобаллонного оборудования производят в целях использования в двигателях внутреннего сгорания в качестве моторного топлива автомобильных марок сжиженных углеводородных газов: марки ПА и ПБА - или компримированного природного газа по ГОСТ 27577.
Оглавление:1 Область применения
2 Нормативные ссылки
3 Термины, определения и сокращения
4 Технические требования
5 Методы и объемы контроля установки газобаллонного оборудования
6 Документация на установку газобаллонного оборудования на автомобильные транспортные средства и проведение испытаний
Приложение А (обязательное)
Приложение Б (обязательное)
Приложение В(обязательное)
Приложение Г (обязательное)
Приложение Д (обязательное)
Приложение Е (обязательное)
Приложение Ж (обязательное)
Приложение И (обязательное)
Приложение К (обязательное)
Приложение Л (обязательное)
Приложение М (обязательное)
Библиография
Разработан: ФГУП НАМИ
Утверждён:07.06.2013 Межгосударственный Совет по стандартизации, метрологии и сертификации (Inter-Governmental Council on Standardization, Metrology, and Certification 43-2013)
08.11.2013 Федеральное агентство по техническому регулированию и метрологии (1400-ст)
Издан: Стандартинформ (2014 г. )
Расположен в:Техническая документация Электроэнергия ДОБЫЧА И ПЕРЕРАБОТКА НЕФТИ, ГАЗА И СМЕЖНЫЕ ПРОИЗВОДСТВА Топливо Газообразное топливо ДОРОЖНО-ТРАНСПОРТНАЯ ТЕХНИКА Двигатели внутреннего сгорания для дорожно-транспортных средств Двигатели внутреннего сгорания для дорожно-транспортных средств в целом Экология ДОБЫЧА И ПЕРЕРАБОТКА НЕФТИ, ГАЗА И СМЕЖНЫЕ ПРОИЗВОДСТВА Топливо Газообразное топливо ДОРОЖНО-ТРАНСПОРТНАЯ ТЕХНИКА Двигатели внутреннего сгорания для дорожно-транспортных средств Двигатели внутреннего сгорания для дорожно-транспортных средств в целом
Нормативные ссылки:
ГОСТ 31972-2013ГОСТ 31972-2013ГОСТ 31972-2013ГОСТ 31972-2013ГОСТ 31972-2013ГОСТ 31972-2013ГОСТ 31972-2013ГОСТ 31972-2013ГОСТ 31972-2013ГОСТ 31972-2013ГОСТ 31972-2013ГОСТ 31972-2013ГОСТ 31972-2013ГОСТ 31972-2013ГОСТ 31972-2013ГОСТ 31972-2013ГОСТ 31972-2013ГОСТ 31972-2013ГОСТ 31972-2013ГОСТ 31972-2013ГОСТ 31972-2013ГОСТ 31972-2013ГОСТ 31972-2013ГОСТ 31972-2013ГОСТ 31972-2013ГОСТ 31972-2013ГОСТ 31972-2013ГОСТ 31972-2013ГОСТ 31972-2013ГОСТ 31972-2013ГОСТ 31972-2013ГОСТ 31972-2013ГОСТ 31972-2013ГОСТ 31972-2013ГОСТ 31972-2013

© 2013 Ёшкин Кот :-) Карта сайта