Информационная система
«Ёшкин Кот»

Скачать базу одним архивом
Скачать обновления
История создания базы
Карта сайта

Скачать Типовой проект 411-2-182.87 Альбом III. Силовое и осветительное электрооборудование. Автоматизация санитарно-технических систем и технологических процессов. Связь и сигнализация

Дата актуализации: 10.08.2017

Типовой проект 411-2-182.87

Альбом III. Силовое и осветительное электрооборудование. Автоматизация санитарно-технических систем и технологических процессов. Связь и сигнализация

Обозначение: Типовой проект 411-2-182.87
Обозначение англ: 411-2-182.87
Статус:не определен законодательством
Название рус.:Альбом III. Силовое и осветительное электрооборудование. Автоматизация санитарно-технических систем и технологических процессов. Связь и сигнализация
Дата добавления в базу:01.10.2014
Дата актуализации:05.05.2017
Дата введения:03.01.1986
Оглавление:Содержание альбома
Силовое электрооборудование
   Общие данные
   Расчет электрических нагрузок
   План на отм. 0.000 в осях 1 - 9; Б - Е
   План на отм. 0.000 в осях 9 - 10; А - Д и 3.600. Компоновка электрощитовой
   План трасс управления электроприводами и блокировок на отм. 0.000
   Фрагменты плана на отм. 0.000. Приточная камера П-1, П-3. Фрагменты плана на отм. 3.600. Управление электроприводами и блокировки
   Принципиальная схема 1ШР
   Принципиальная схема 2ШР
   Принципиальная схема 3ШР
   Принципиальная схема 4ШР
   Принципиальная схема 5ШР. Молниезащита
   Принципиальная схема 6ШР
   Принципиальная схема 7ШР и питающих сетей
   Принципиальная схема 8ШР
   Отключение вентсистем при пожаре. Схема принципиальная управления. Схема подключений
   Отключение вентсистем при пожаре. Сборка аппаратуры. Конструкция
   Спецификация к чертежам ЭМ-6, ЭМ-7
   Вентсистемы В-5, В-6. Схема электрическая принципиальная управления
   Пневмотранспорт ПТ1. Схема электрическая принципиальная управления
   Пневмотранспорт ПТ2. Схема электрическая принципиальная управления
   Пневмотранспорт ПТ3. Схема электрическая принципиальная управления
   Агрегат Р1, Р2. Схема электрическая принципиальная управления
   Ленточные конвейеры поз. 12, 60, 61. Схема электрическая принципиальная управления
   Лесорама поз. 4 и транспортер поз. 62. Схема электрическая принципиальная управления
   Ящик 4Я. Схема подключений
   Ящик 5Я. Схема подключений
   Ящик 6Я. Схема подключений
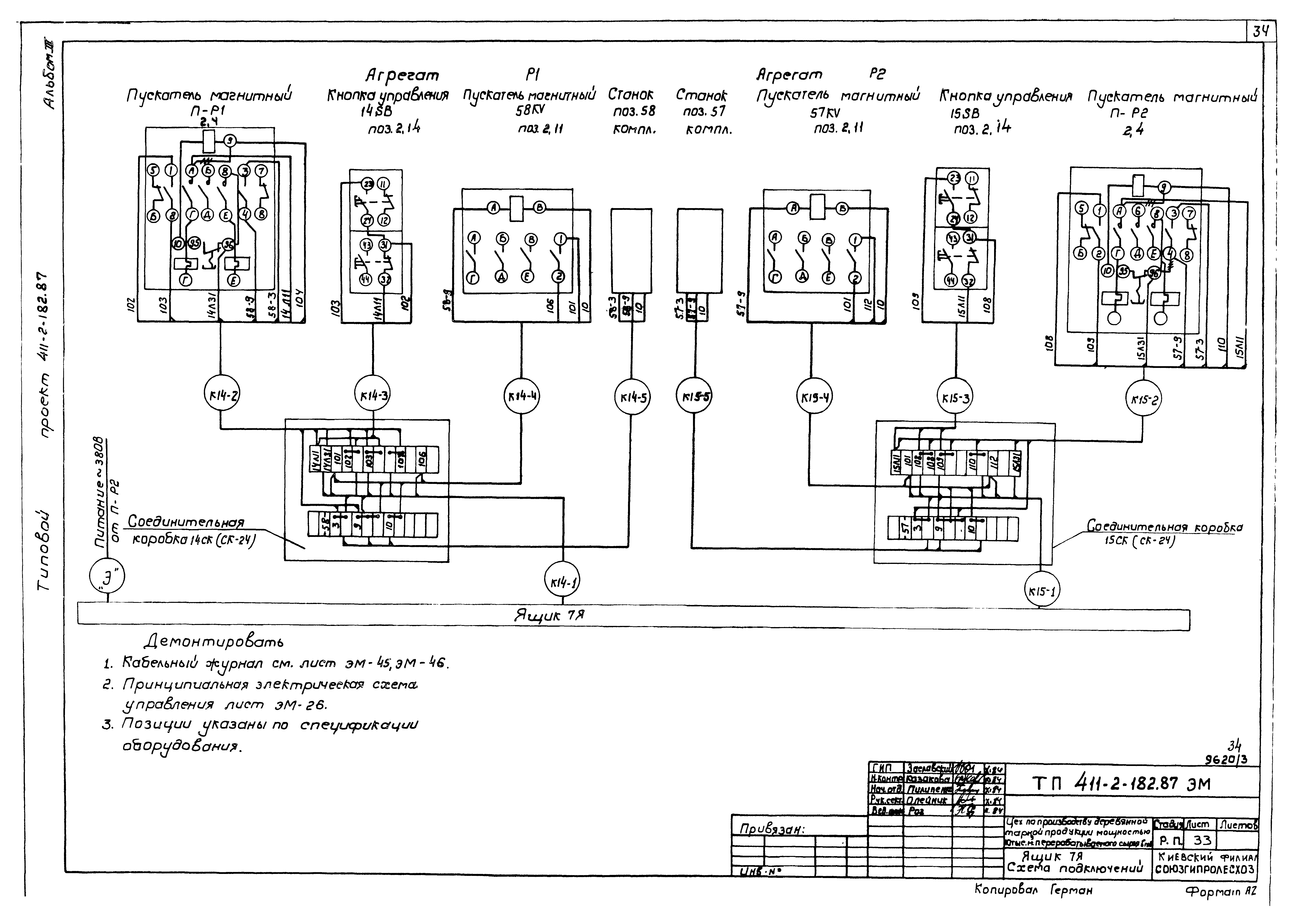
   Ящик 7Я. Схема подключений
   Ящик 8Я. Схема подключений
   Ящик 9Я. Схема подключений
   Вентсистема В5(В6). Схема подключений
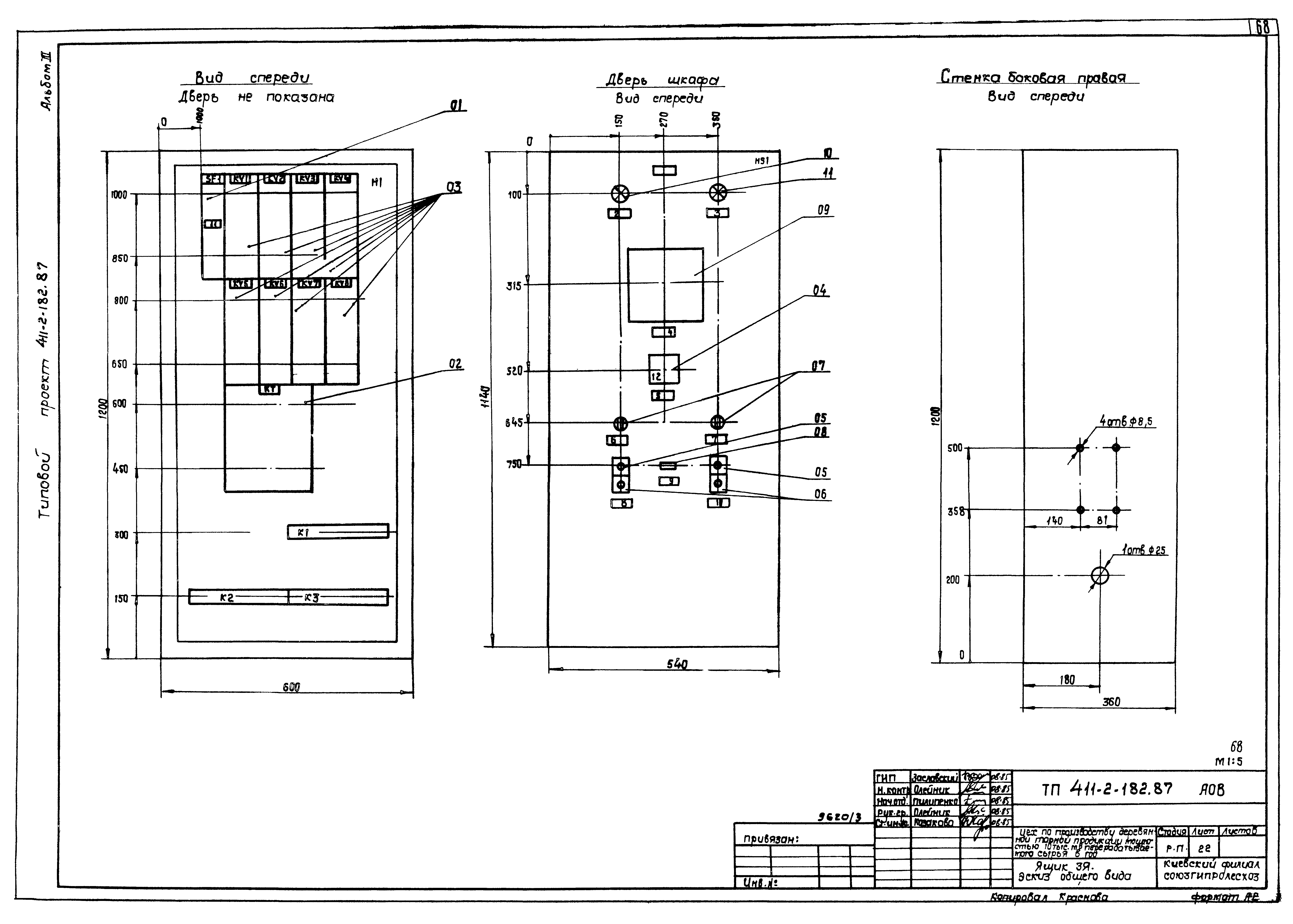
   Ящик 4Я(5Я). Эскиз общего вида
   Ящик 6Я. Эскиз общего вида
   Ящик 7Я. Эскиз общего вида
   Ящик 8Я. Эскиз общего вида
   Ящик 9Я. Эскиз общего вида
   Кабельный журнал
   Ведомость объемов электромонтажных работ
   Ведомость изделий МЭЗ
Электрическое освещение
   Общие данные
   План на отм. 0.000 в осях 1 - 10; А - Д. Таблица щитков
   План на отм. 0.000 в осях 9 - 11; А - Г и 3.600 в осях 6 - 11; А - Г. Схема питающей сети
   Узлы крепления кабеля и люминесцентных светильников на тросе
   Спецификация к чертежам ЭО-2, ЭО-3
Связь и сигнализация
   Общие данные
   План на отм. 0.000 и 3.600
   Радиофикация и телефонизация. План сетей. Скелетные схемы
   Скелетная схема пожарной сигнализации. Спецификация к чертежам СС-2, СС-3
Автоматизация отопления и вентиляции
   Общие данные
   Приточная система П1(П2). Вариант для tн = минус 20, минус 30 градусов Цельсия. Схема функциональная
   Приточная система П1(П2). Вариант для tн = минус 40 градусов Цельсия. Схема функциональная
   Приточная система П1(П2). Указания по привязке принципиальной электрической схемы управления
   Приточная система П1(П2). Вариант для tн = минус 20, минус 30 градусов Цельсия. Схема подключений
   Приточная система П1(П2). Вариант для tн = минус 40 градусов Цельсия. Схема подключений
   Приточная система П1(П2). Щит управления 1ЩУВ(2ЩУВ). Клеммник
   Приточная система П1. Опросный лист
   Приточная система П2. Опросный лист
   Приточная система П3. Схема автоматизации функциональная
   Приточная система П3. Схема электрическая принципиальная управления
   Вентсистема В1(В2, В3, В4). Схема электрическая принципиальная управления
   Воздушная завеса У1. Схема электрическая принципиальная управления
   Ящик 3Я. Схема подключений
   Вентсистема В1(В2, В3, В4). Схема подключений
   Воздушная завеса У1. Схема подключений
   Кабельный журнал
   Ящик 3Я. Эскиз общего вида
   Приточная камера П1 - П3. План трасс. Спецификация
   План трасс на отм. 0.000
   Теплопункт. Схема функциональная автоматизации
   Ведомость объемов электромонтажных работ
   Ведомость изделий МЭЗ
Разработан: Киевский филиал Союзгипролесхоз
Утверждён:20.02.1985 Гослесхоз СССР (USSR Gosleskhoz 21)
Расположен в:Техническая документация Строительство Справочные документы Типовые строительные конструкции, изделия и узлы Общероссийский строительный каталог Промышленные предприятия, здания и сооружения Предприятия, здания и сооружения промышленности и электроэнергетики Промышленность деревообрабатывающая Здания общего назначения
Типовой проект 411-2-182.87Типовой проект 411-2-182.87Типовой проект 411-2-182.87Типовой проект 411-2-182.87Типовой проект 411-2-182.87Типовой проект 411-2-182.87Типовой проект 411-2-182.87Типовой проект 411-2-182.87Типовой проект 411-2-182.87Типовой проект 411-2-182.87Типовой проект 411-2-182.87Типовой проект 411-2-182.87Типовой проект 411-2-182.87Типовой проект 411-2-182.87Типовой проект 411-2-182.87Типовой проект 411-2-182.87Типовой проект 411-2-182.87Типовой проект 411-2-182.87Типовой проект 411-2-182.87Типовой проект 411-2-182.87Типовой проект 411-2-182.87Типовой проект 411-2-182.87Типовой проект 411-2-182.87Типовой проект 411-2-182.87Типовой проект 411-2-182.87Типовой проект 411-2-182.87Типовой проект 411-2-182.87Типовой проект 411-2-182.87Типовой проект 411-2-182.87Типовой проект 411-2-182.87Типовой проект 411-2-182.87Типовой проект 411-2-182.87Типовой проект 411-2-182.87Типовой проект 411-2-182.87Типовой проект 411-2-182.87Типовой проект 411-2-182.87Типовой проект 411-2-182.87Типовой проект 411-2-182.87Типовой проект 411-2-182.87Типовой проект 411-2-182.87Типовой проект 411-2-182.87Типовой проект 411-2-182.87Типовой проект 411-2-182.87Типовой проект 411-2-182.87Типовой проект 411-2-182.87Типовой проект 411-2-182.87Типовой проект 411-2-182.87Типовой проект 411-2-182.87Типовой проект 411-2-182.87Типовой проект 411-2-182.87Типовой проект 411-2-182.87Типовой проект 411-2-182.87Типовой проект 411-2-182.87Типовой проект 411-2-182.87Типовой проект 411-2-182.87Типовой проект 411-2-182.87Типовой проект 411-2-182.87Типовой проект 411-2-182.87Типовой проект 411-2-182.87Типовой проект 411-2-182.87Типовой проект 411-2-182.87Типовой проект 411-2-182.87Типовой проект 411-2-182.87Типовой проект 411-2-182.87Типовой проект 411-2-182.87Типовой проект 411-2-182.87Типовой проект 411-2-182.87Типовой проект 411-2-182.87Типовой проект 411-2-182.87Типовой проект 411-2-182.87Типовой проект 411-2-182.87Типовой проект 411-2-182.87Типовой проект 411-2-182.87Типовой проект 411-2-182.87

© 2013 Ёшкин Кот :-) Карта сайта