Информационная система
«Ёшкин Кот»

Скачать базу одним архивом
Скачать обновления
История создания базы
Карта сайта

Скачать Типовой проект 409-10-63.89 Альбом V. Силовое электрооборудование. Электрическое освещение. Автоматизация технологии производства. Автоматизация отопления и вентиляции. Связь и сигнализация

Дата актуализации: 10.08.2017

Типовой проект 409-10-63.89

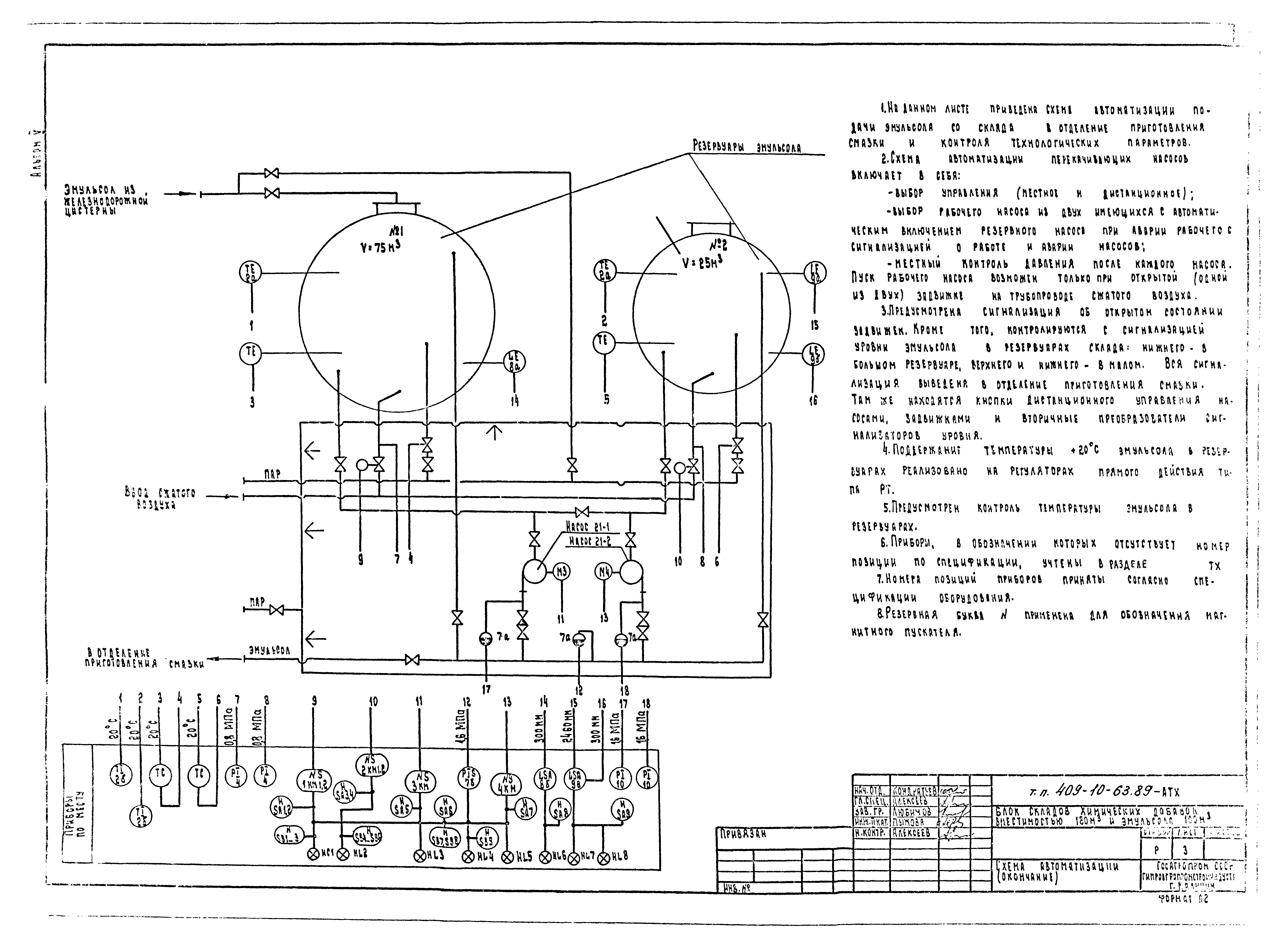
Альбом V. Силовое электрооборудование. Электрическое освещение. Автоматизация технологии производства. Автоматизация отопления и вентиляции. Связь и сигнализация

Обозначение: Типовой проект 409-10-63.89
Обозначение англ: 409-10-63.89
Статус:не определен законодательством
Название рус.:Альбом V. Силовое электрооборудование. Электрическое освещение. Автоматизация технологии производства. Автоматизация отопления и вентиляции. Связь и сигнализация
Дата добавления в базу:01.10.2014
Дата актуализации:05.05.2017
Дата введения:15.12.1989
Оглавление:Силовое электрооборудование
   Общие данные
   Планы расположения электрооборудования и прокладки электрических сетей
   Молниезащита (вариант с сухими и мокрыми грунтами). Заземление
   Принципиальная схема питающей сети
   Принципиальная схема распределительной сети 1ШР
   Принципиальная схема распределительной сети 2ШР (вариант с сухими грунтами)
   Принципиальная схема распределительной сети 2ШР (вариант с мокрыми грунтами)
Электрическое освещение
   Общие данные
   Планы расположения электрического оборудования и прокладки электрических сетей
Автоматизация технологии производства
   Общие данные
   Схема автоматизации
   Схема электрическая принципиальная
   Схема подключения
   План кабельных разводок
   План кабельных разводок (вариант с сухими грунтами)
   План кабельных разводок (вариант с мокрыми грунтами)
Автоматизация отопления и вентиляции
   Общие данные
   Приточная система П1. Схема автоматизации
   Приточная система П1. Схема электрическая принципиальная
   Вытяжная система В3. Схема электрическая принципиальная
   Сигнализатор газа. Схема электрическая принципиальная
   Отключение вентсистем при пожаре. Схема электрическая принципиальная
   Приточная система П1. Схема подключения
   Вытяжная система В3. Схема подключения
   Сигнализатор газа. Схема подключения
   Отключение вентсистем при пожаре. Схема подключения
   План кабельных разводок
Связь и сигнализация
   Общие данные
   План расположения сетей. Схема распределения телефонных пар в распределительной коробке комплексной связи
Разработан: Гипроагропромстройиндустрия
Утверждён:12.06.1989 Гипроагропромстройиндустрия (1)
Расположен в:Техническая документация Строительство Справочные документы Типовые строительные конструкции, изделия и узлы Общероссийский строительный каталог Промышленные предприятия, здания и сооружения Предприятия, здания и сооружения промышленности и электроэнергетики Строительная индустрия и промышленность строительных материалов Производство строительных конструкций и изделий Производство сборных железобетонных строительных конструкций и изделий
Типовой проект 409-10-63.89Типовой проект 409-10-63.89Типовой проект 409-10-63.89Типовой проект 409-10-63.89Типовой проект 409-10-63.89Типовой проект 409-10-63.89Типовой проект 409-10-63.89Типовой проект 409-10-63.89Типовой проект 409-10-63.89Типовой проект 409-10-63.89Типовой проект 409-10-63.89Типовой проект 409-10-63.89Типовой проект 409-10-63.89Типовой проект 409-10-63.89Типовой проект 409-10-63.89Типовой проект 409-10-63.89Типовой проект 409-10-63.89Типовой проект 409-10-63.89Типовой проект 409-10-63.89Типовой проект 409-10-63.89Типовой проект 409-10-63.89Типовой проект 409-10-63.89Типовой проект 409-10-63.89Типовой проект 409-10-63.89Типовой проект 409-10-63.89Типовой проект 409-10-63.89Типовой проект 409-10-63.89Типовой проект 409-10-63.89Типовой проект 409-10-63.89Типовой проект 409-10-63.89Типовой проект 409-10-63.89Типовой проект 409-10-63.89Типовой проект 409-10-63.89Типовой проект 409-10-63.89Типовой проект 409-10-63.89Типовой проект 409-10-63.89Типовой проект 409-10-63.89Типовой проект 409-10-63.89Типовой проект 409-10-63.89Типовой проект 409-10-63.89Типовой проект 409-10-63.89Типовой проект 409-10-63.89

© 2013 Ёшкин Кот :-) Карта сайта