Информационная система
«Ёшкин Кот»

Скачать базу одним архивом
Скачать обновления
История создания базы
Карта сайта

Скачать Типовой проект 409-10-63.89 Альбом II. Технология производства. Технологические коммуникации. Отопление и вентиляция. Внутренний водопровод и канализация

Дата актуализации: 10.08.2017

Типовой проект 409-10-63.89

Альбом II. Технология производства. Технологические коммуникации. Отопление и вентиляция. Внутренний водопровод и канализация

Обозначение: Типовой проект 409-10-63.89
Обозначение англ: 409-10-63.89
Статус:не определен законодательством
Название рус.:Альбом II. Технология производства. Технологические коммуникации. Отопление и вентиляция. Внутренний водопровод и канализация
Дата добавления в базу:01.10.2014
Дата актуализации:05.05.2017
Дата введения:15.12.1989
Оглавление:Технология производства
   Общие данные
   Схема генерального плана
   План на отм. - 4.500; - 0.630; 0.000; 1.200 (вариант с сухими грунтами)
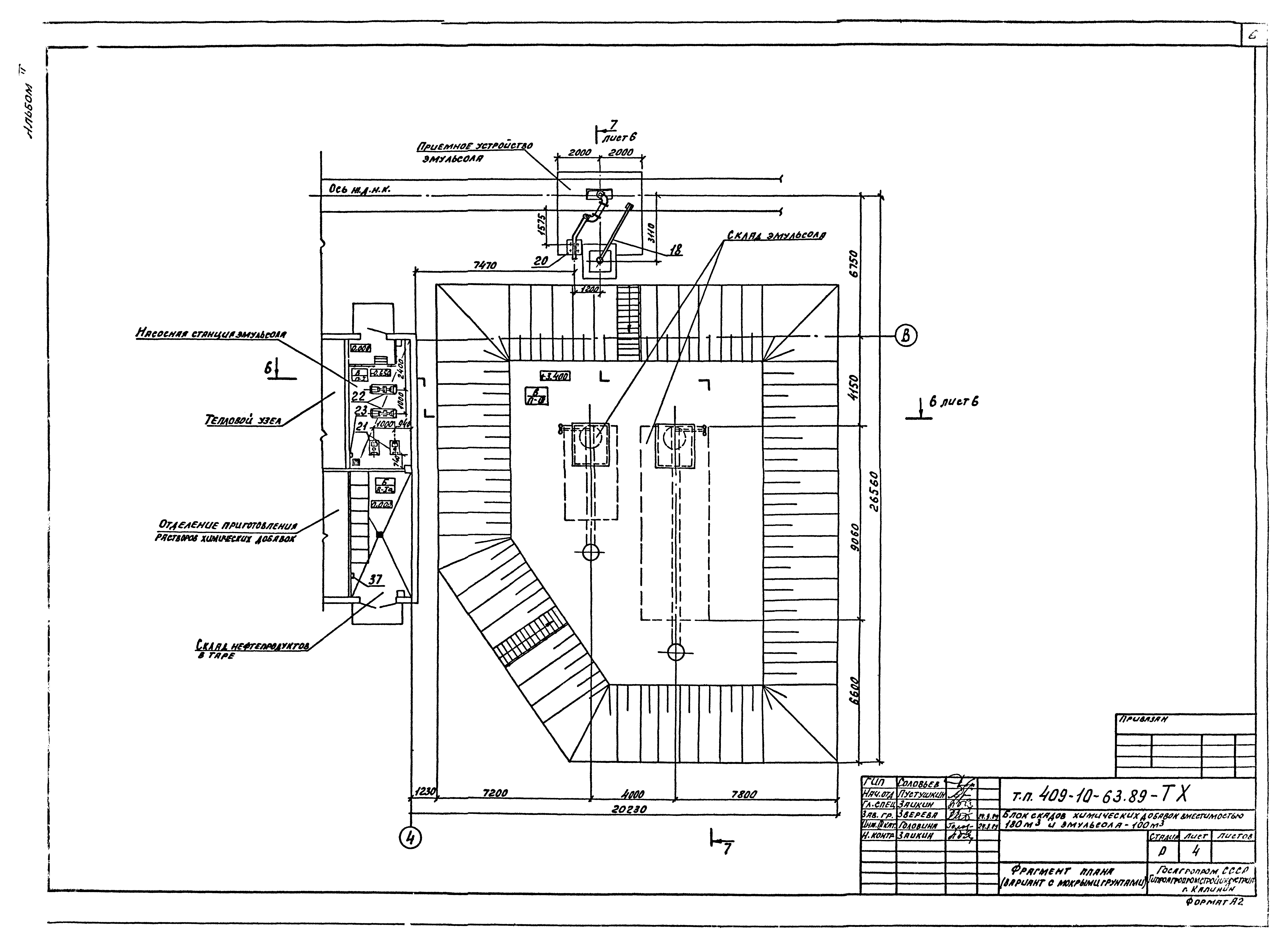
   Фрагмент плана (вариант с мокрыми грунтами)
   Разрезы 1-1, 2-2, 3-3, 4-4
   Разрезы 5-5, 6-6, 7-7
   Оборудование резервуара емкостью 75 куб. м
   Оборудование резервуара емкостью 25 куб. м
Прилагаемые документы к основному комплекту ТХ
   Шкаф для растаривания. Исходные требования к разработке
   Кран-укосина. Исходные требования к разработке
   Подогреватель паровой переносной. Исходные требования к разработке
Технологические коммуникации
   Общие данные
   Трубопроводы технологического узла. План
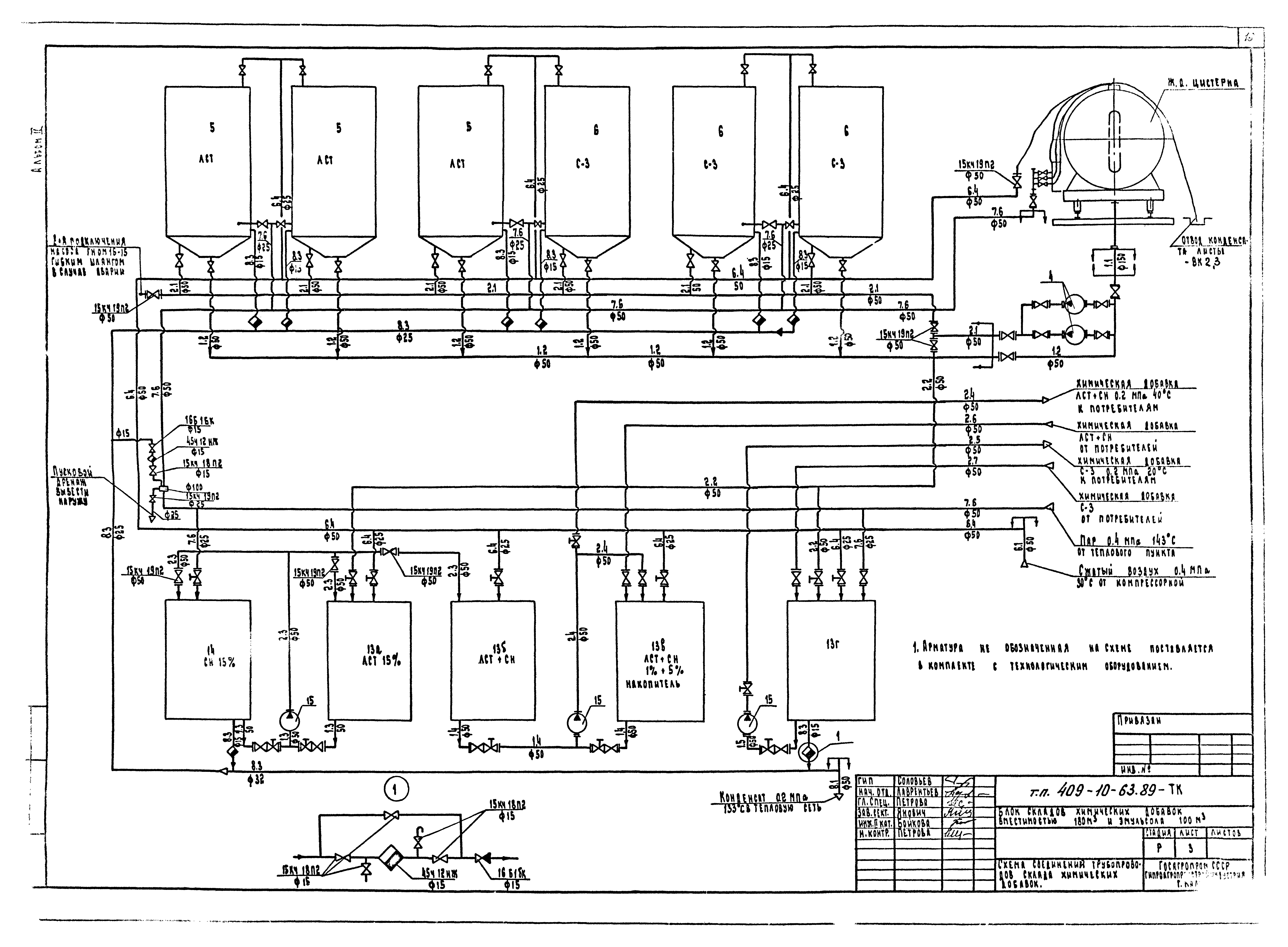
   Схема соединений трубопроводов склада химических добавок
   Трубопроводы отделения приготовления жидких химических добавок. План. Разрез 1-1
   Трубопроводы насосной станции химических добавок и склада жидких химических добавок. Разрез 2-2
   Схема соединений трубопроводов склада эмульсоля
   Трубопроводы насосной станции эмульсоля и склада эмульсоля. План. Разрезы 3-3, 4-4
   Спецификация оборудования и трубопроводов
   Фрагмент плана технологического узла (вариант с мокрыми грунтами)
   Трубопроводы насосной станции эмульсоля. План. Разрезы 3-3, 4-4, 5-5 (вариант с мокрыми грунтами)
   Ведомость трубопроводов
Отопление, вентиляция и кондиционирование воздуха
   Общие данные
   Отопление и вентиляция. Планы на отм. 0.000; 1.200; 3.600
   Схемы систем отопления №1, №2 теплоснабжения установки П1, узла ввода, П1, В1 - В3, ВЕ1 - ВЕ6
   Тепловой пункт. План. Разрезы 1-1, 2-2
   Вентиляция. Установка системы П1
Внутренний водопровод и канализация
   Общие данные
   План на отм. 0.000; 1.200 с сетями В1, В3, К1, К2, К3
   План кровли. Схемы систем В1, В3, Т3, К1, К2, К3. Разрезы 1-1, 2-2, 3-3
Разработан: Гипроагропромстройиндустрия
Утверждён:12.06.1989 Гипроагропромстройиндустрия (1)
Расположен в:Техническая документация Строительство Справочные документы Типовые строительные конструкции, изделия и узлы Общероссийский строительный каталог Промышленные предприятия, здания и сооружения Предприятия, здания и сооружения промышленности и электроэнергетики Строительная индустрия и промышленность строительных материалов Производство строительных конструкций и изделий Производство сборных железобетонных строительных конструкций и изделий
Типовой проект 409-10-63.89Типовой проект 409-10-63.89Типовой проект 409-10-63.89Типовой проект 409-10-63.89Типовой проект 409-10-63.89Типовой проект 409-10-63.89Типовой проект 409-10-63.89Типовой проект 409-10-63.89Типовой проект 409-10-63.89Типовой проект 409-10-63.89Типовой проект 409-10-63.89Типовой проект 409-10-63.89Типовой проект 409-10-63.89Типовой проект 409-10-63.89Типовой проект 409-10-63.89Типовой проект 409-10-63.89Типовой проект 409-10-63.89Типовой проект 409-10-63.89Типовой проект 409-10-63.89Типовой проект 409-10-63.89Типовой проект 409-10-63.89Типовой проект 409-10-63.89Типовой проект 409-10-63.89Типовой проект 409-10-63.89Типовой проект 409-10-63.89Типовой проект 409-10-63.89Типовой проект 409-10-63.89Типовой проект 409-10-63.89Типовой проект 409-10-63.89Типовой проект 409-10-63.89Типовой проект 409-10-63.89Типовой проект 409-10-63.89Типовой проект 409-10-63.89Типовой проект 409-10-63.89

© 2013 Ёшкин Кот :-) Карта сайта