Информационная система
«Ёшкин Кот»

Скачать базу одним архивом
Скачать обновления
История создания базы
Карта сайта

Скачать Типовые проектные решения 903-4-0183.95 Альбом IV. Станция производительностью от 20 до 30 т/ч. Технология производства. Архитектурно-строительные решения. Водопровод и канализация. Электрооборудование силовое. Электроосвещение. Автоматизация технологии производства

Дата актуализации: 10.08.2017

Типовые проектные решения 903-4-0183.95

Альбом IV. Станция производительностью от 20 до 30 т/ч. Технология производства. Архитектурно-строительные решения. Водопровод и канализация. Электрооборудование силовое. Электроосвещение. Автоматизация технологии производства

Обозначение: Типовые проектные решения 903-4-0183.95
Обозначение англ: 903-4-0183.95
Статус:cправочные материалы, мп, тпр
Название рус.:Альбом IV. Станция производительностью от 20 до 30 т/ч. Технология производства. Архитектурно-строительные решения. Водопровод и канализация. Электрооборудование силовое. Электроосвещение. Автоматизация технологии производства
Дата добавления в базу:01.10.2014
Дата актуализации:05.05.2017
Дата введения:24.11.1995
Оглавление:Содержание альбома
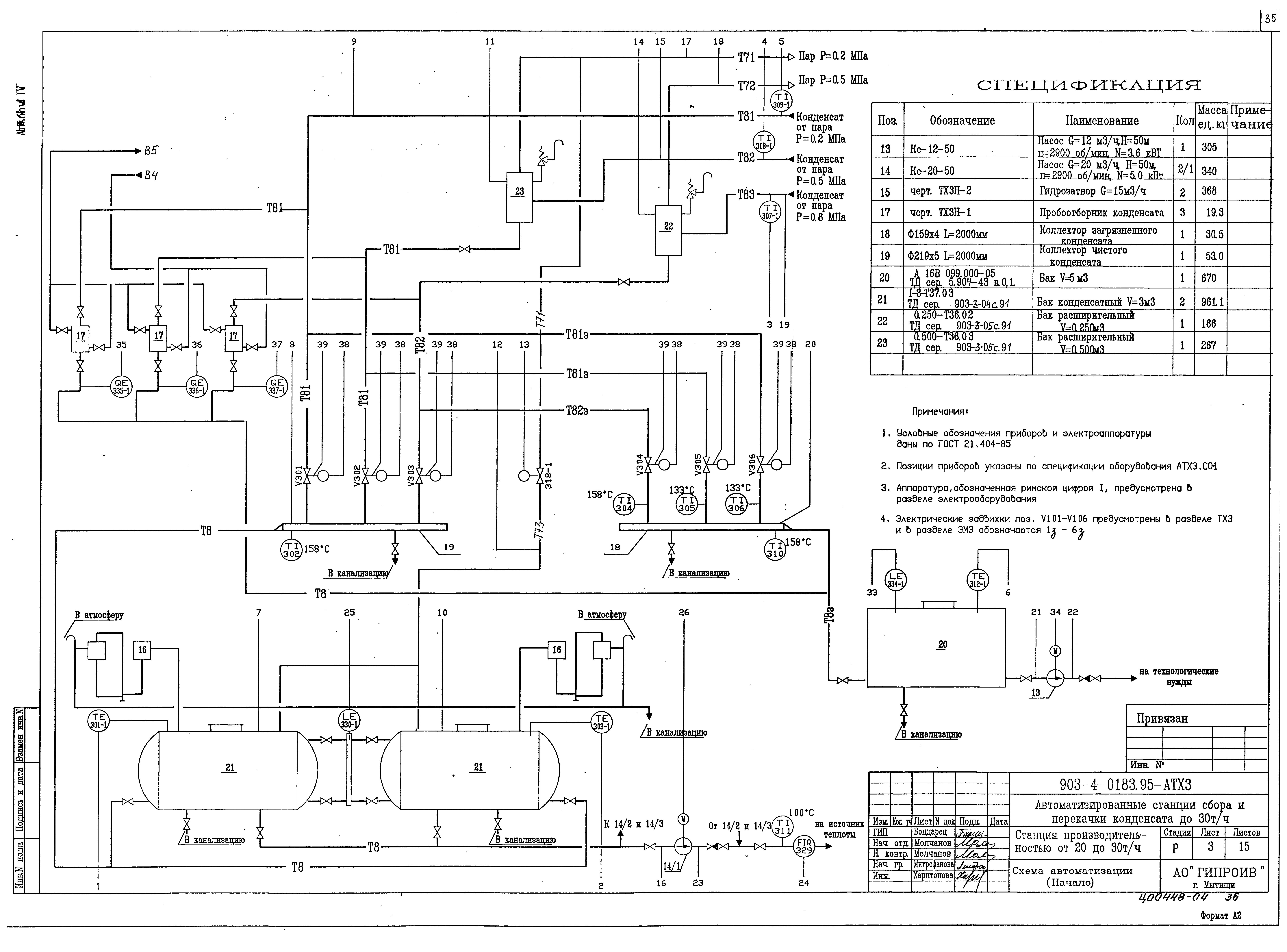
Технология производства
   Общие данные
   Принципиальная схема
   План на отм. 0.000. Разрезы А-А, Б-Б, В-В
   Сборные схемы коллекторов конденсата
   Бак V = 5 куб. м (общий вид)
   Ведомость объемов теплоизоляционных работ
Эскизные чертежи общих видов нестандартизированного оборудования
   Пробоотборник
   Предохранительный гидрозатвор производительностью 15 т/ч
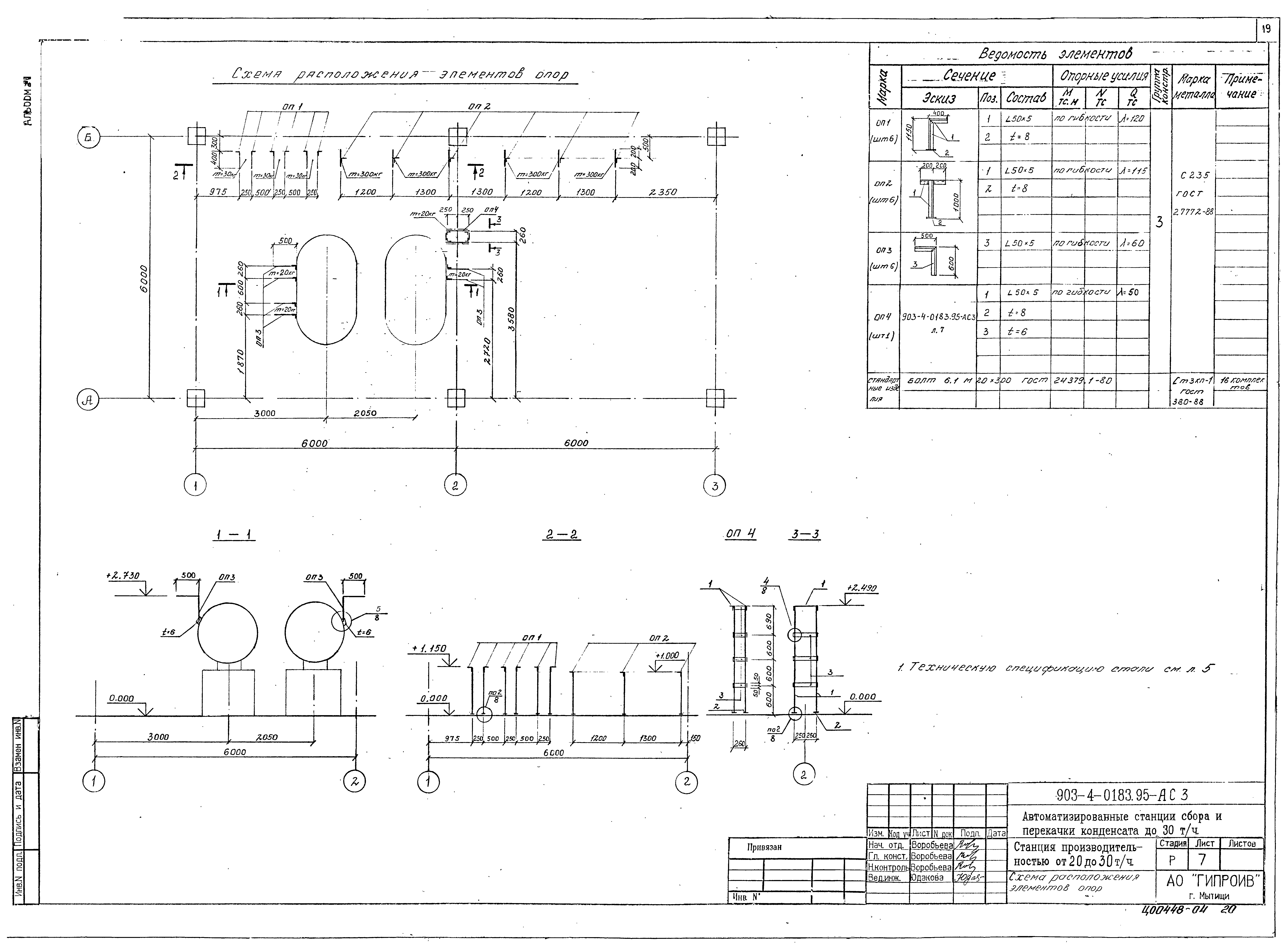
Архитектурно-строительные решения
   Общие данные
   Схема элементов консольных сетчатых перегородок
   Схема расположения фундаментов под оборудование на отм. 0.000
   Фундаменты Фо4 - Фо6
   Техническая спецификация стали на листы 6 - 8
   Схемы расположения элементов площадки на отм. 2.000
   Схема расположения элементов опор
   Узлы 1 - 5
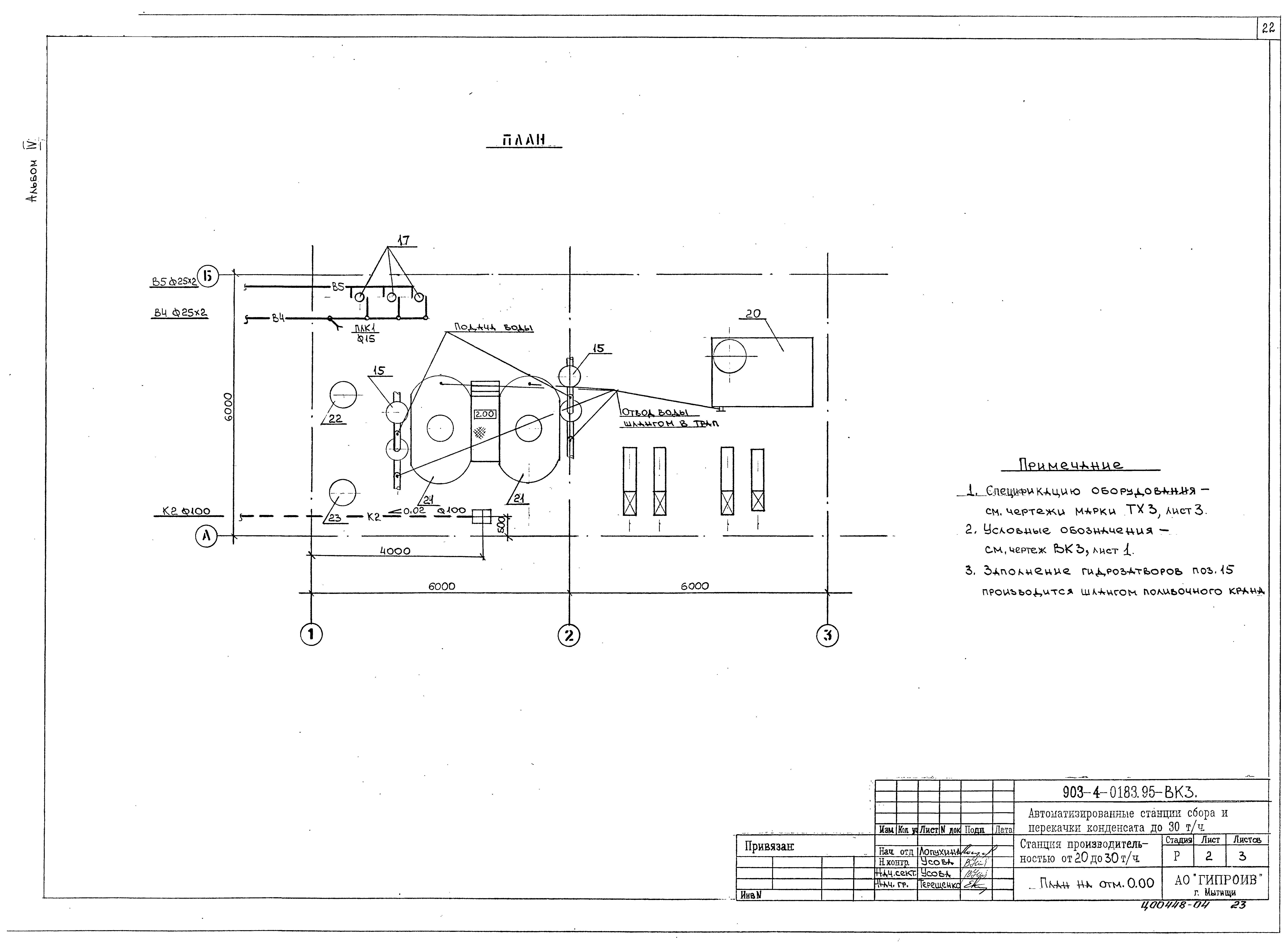
Водопровод и канализация
   Общие данные
   План на отм. 0.000
   Схемы сетей В4, В5, К2
Электрооборудование силовое
   Общие данные
   Принципиальная схема распределительной сети (1ПР)
   Принципиальная схема распределительной сети (2ПР)
   Насос 14 - 1; 14 - 2; 14-3; 13. Схема электрическая принципиальная управления электроприводом
   Задвижки 1з - 6з. Схема электрическая принципиальная управления электроприводом
   Задвижки 1з - 6з. Схема электрическая подключения
   План на отм. 0.000 в осях А - Б; 1 - 3 с электросетями
Электроосвещение
   Общие данные
   План на отм. 0.000 в осях 1 - 3; А - Б
Автоматизация технологии производства
   Общие данные
   Схема автоматизации
   Схема соединений внешних проводок
   План расположения
   Схема электрическая принципиальная питания
   Контроль уровня в баках поз. 21. Схема электрическая принципиальная
   Управление насосами поз. 14. Схема электрическая принципиальная
   Контроль загрязнений конденсата. Схема электрическая принципиальная
   Управление насосом поз. 13. Схема электрическая принципиальная
Разработан: АО Гипроив
Утверждён:24.11.1995 Комитет РФ по химической и нефтехимической промышленности (09/1-11-98)
Расположен в:Техническая документация Строительство Справочные документы Типовые строительные конструкции, изделия и узлы Общероссийский строительный каталог Промышленные предприятия, здания и сооружения Здания и сооружения санитарно-технические Теплоснабжение Сооружения тепловых сетей Станции перекачки конденсата
Типовые проектные решения 903-4-0183.95Типовые проектные решения 903-4-0183.95Типовые проектные решения 903-4-0183.95Типовые проектные решения 903-4-0183.95Типовые проектные решения 903-4-0183.95Типовые проектные решения 903-4-0183.95Типовые проектные решения 903-4-0183.95Типовые проектные решения 903-4-0183.95Типовые проектные решения 903-4-0183.95Типовые проектные решения 903-4-0183.95Типовые проектные решения 903-4-0183.95Типовые проектные решения 903-4-0183.95Типовые проектные решения 903-4-0183.95Типовые проектные решения 903-4-0183.95Типовые проектные решения 903-4-0183.95Типовые проектные решения 903-4-0183.95Типовые проектные решения 903-4-0183.95Типовые проектные решения 903-4-0183.95Типовые проектные решения 903-4-0183.95Типовые проектные решения 903-4-0183.95Типовые проектные решения 903-4-0183.95Типовые проектные решения 903-4-0183.95Типовые проектные решения 903-4-0183.95Типовые проектные решения 903-4-0183.95Типовые проектные решения 903-4-0183.95Типовые проектные решения 903-4-0183.95Типовые проектные решения 903-4-0183.95Типовые проектные решения 903-4-0183.95Типовые проектные решения 903-4-0183.95Типовые проектные решения 903-4-0183.95Типовые проектные решения 903-4-0183.95Типовые проектные решения 903-4-0183.95Типовые проектные решения 903-4-0183.95Типовые проектные решения 903-4-0183.95Типовые проектные решения 903-4-0183.95Типовые проектные решения 903-4-0183.95Типовые проектные решения 903-4-0183.95Типовые проектные решения 903-4-0183.95Типовые проектные решения 903-4-0183.95Типовые проектные решения 903-4-0183.95Типовые проектные решения 903-4-0183.95Типовые проектные решения 903-4-0183.95Типовые проектные решения 903-4-0183.95Типовые проектные решения 903-4-0183.95Типовые проектные решения 903-4-0183.95Типовые проектные решения 903-4-0183.95Типовые проектные решения 903-4-0183.95Типовые проектные решения 903-4-0183.95

© 2013 Ёшкин Кот :-) Карта сайта