Информационная система
«Ёшкин Кот»

Скачать базу одним архивом
Скачать обновления
История создания базы
Карта сайта

Скачать Типовой проект 411-1-164.92 Альбом 1. Часть 1. Часть 2. Пояснительная записка. Технология производства. Архитектурные решения. Конструкции железобетонные. Строительные изделия. Внутренние водопровод и канализация. Отопление и вентиляция. Силовое электрооборудование. Электрическое освещение. Связь и сигнализация. Автоматизация санитарно-технических систем

Дата актуализации: 10.08.2017

Типовой проект 411-1-164.92

Альбом 1. Часть 1. Часть 2. Пояснительная записка. Технология производства. Архитектурные решения. Конструкции железобетонные. Строительные изделия. Внутренние водопровод и канализация. Отопление и вентиляция. Силовое электрооборудование. Электрическое освещение. Связь и сигнализация. Автоматизация санитарно-технических систем

Обозначение: Типовой проект 411-1-164.92
Обозначение англ: 411-1-164.92
Статус:не определен законодательством
Название рус.:Альбом 1. Часть 1. Часть 2. Пояснительная записка. Технология производства. Архитектурные решения. Конструкции железобетонные. Строительные изделия. Внутренние водопровод и канализация. Отопление и вентиляция. Силовое электрооборудование. Электрическое освещение. Связь и сигнализация. Автоматизация санитарно-технических систем
Дата добавления в базу:01.10.2014
Дата актуализации:05.05.2017
Дата введения:23.03.1992
Оглавление:Содержание альбома
Пояснительная записка
Технология производства
   Общие данные
   План размещения технологического оборудования
Архитектурные решения
   Общие данные
   План на отм. 0.000. План на отм. 0.000 (вариант без пристройки)
   План на отм. 3.300. План на отм. 3.300 (вариант без пристройки)
   План на отм. - 2.500. Разрезы 4-4 и 5-5. Вентканал и сечения, приямок (вариант с подвалом)
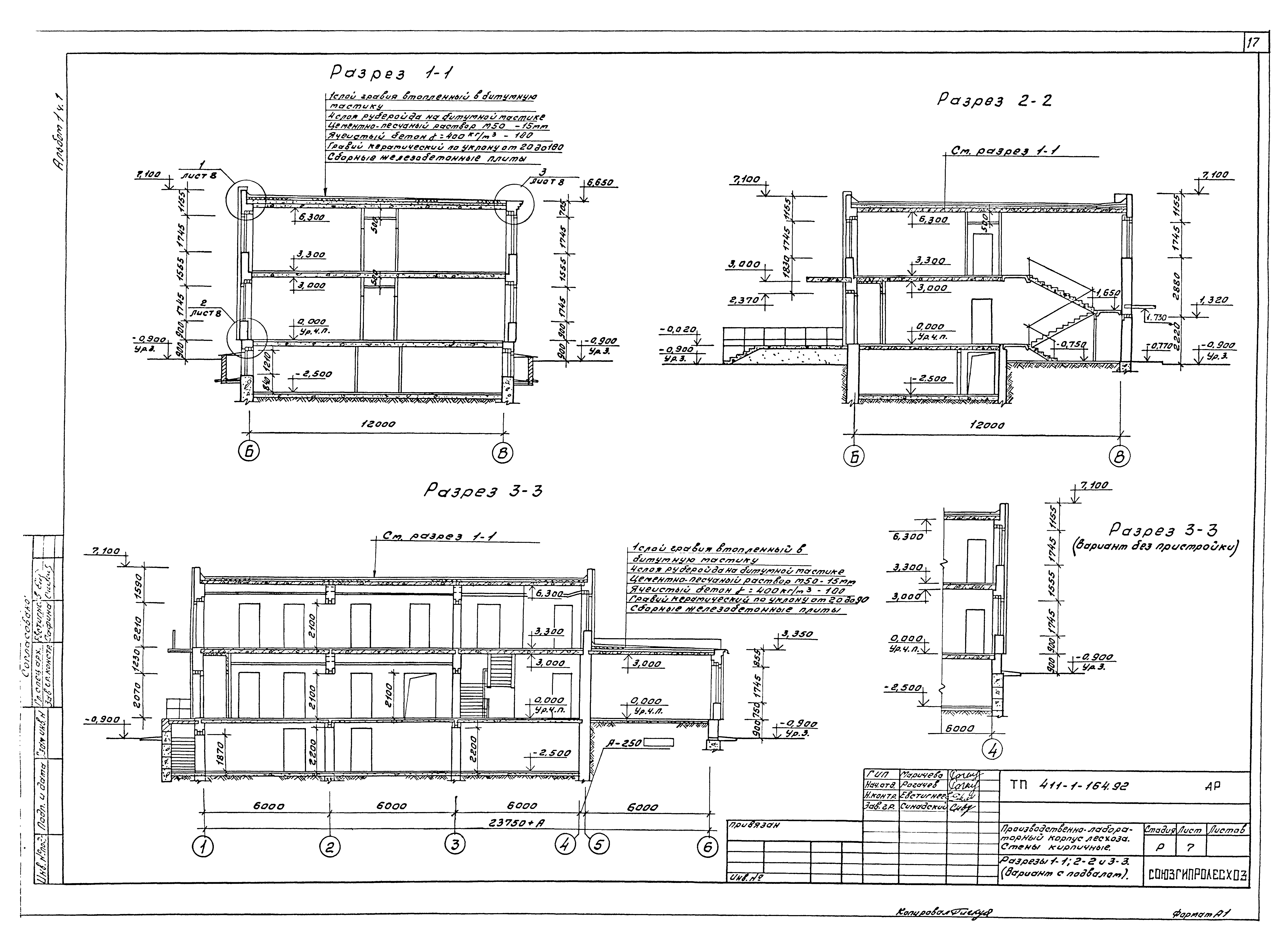
   Разрезы 1-1, 2-2, 3-3. Разрез 3-3 (вариант без пристройки)
   Разрезы 1-1, 2-2, 3-3 (вариант с подвалом)
   Детали разреза и планов. Фрагменты фасадов
   Фасады
   Фасады (вариант без пристройки)
   Планы расположения отверстий и ниш на отм. 0.000 и 3.300
   Планы полов и кровли. Экспликация полов
   Планы полов. Экспликация полов (вариант с подвалом)
   Спецификация элементов заполнения проемов. Схемы
   Ведомость и спецификация перемычек
   Ведомость и спецификация перемычек (вариант с подвалом)
Конструкции железобетонные
   Общие данные
   Схема расположения монолитных фундаментов (tн = минус 20; tн = минус 30; tн = минус 40 градусов Цельсия)
   Сечения 1-1 - 8-8 (tн = минус 20; tн = минус 30; tн = минус 40 градусов Цельсия)
   Схема расположения сборных фундаментов (tн = минус 30; tн = минус 40 градусов Цельсия)
   Сечения 1-1 - 8-8 (tн = минус 30; tн = минус 40 градусов Цельсия)
   Раскладка блоков по осям (tн = минус 30; tн = минус 40 градусов Цельсия)
   Схема расположения сборных фундаментов (tн = минус 20 градусов Цельсия)
   Сечения 1-1 - 7-7 (tн = минус 20 градусов Цельсия)
   Раскладка блоков по осям (tн = минус 20 градусов Цельсия)
   Схема расположения монолитных фундаментов (tн = минус 20; tн = минус 30; tн = минус 40 градусов Цельсия). Вариант с подвалом
   Сечения 1-1 - 8-8 (tн = минус 20; tн = минус 30; tн = минус 40 градусов Цельсия). Вариант с подвалом
   Схема расположения сборных фундаментов (tн = минус 30; tн = минус 40 градусов Цельсия). Вариант с подвалом
   Сечения 1-1 - 8-8 (tн = минус 30; tн = минус 40 градусов Цельсия). Вариант с подвалом
   Раскладка блоков по осям (tн = минус 30; tн = минус 40 градусов Цельсия). Вариант с подвалом
   Схема расположения сборных фундаментов (tн = минус 20 градусов Цельсия). Вариант с подвалом
   Сечения 1-1 - 7-7 (tн = минус 20 градусов Цельсия). Вариант с подвалом
   Раскладка блоков по осям (tн = минус 20 градусов Цельсия). Вариант с подвалом
   Схема расположения элементов приямка и подпольных каналов
   Схема расположения плит перекрытия на отм. 3.300
   Схема расположения плит перекрытия на отм. 0.000 и 3.300. Вариант с подвалом
   Схема расположения плит покрытия
   Схема расположения элементов лестницы. Сечения 1-1 - 4-4
   Схема расположения элементов лестницы ЛМ1. Узлы 1 - 4
   Элемент входа №1, 2, 3
   Элемент входа №1, 2, 3. Вариант с подвалом
   Схема расположения подвесных потолков 1 и 2 этажей
Чертежи строительных изделий
   Технические условия
   Ступень ЛСМ1
   Изделие закладное ЗД1
   Ступень ЛСМ2
   Сетка С1
   Петля П1
Внутренние водопровод и канализация
   Общие данные
   План на отм. 0.000 с системами В1, Т3, К1
   План на отм. 3.300 и - 2.500 с системами В1, Т3, К1
   Схемы систем В1, Т3, К1
Отопление и вентиляция
   Общие данные
   План на отм. 0.000
   План на отм. 3.300
   Схема системы отопления 1. Узел управления
   План на отм. - 2.500. Схема системы отопления 2 (вариант с подвалом)
   Схема системы теплоснабжения установки П1. Узел 1. Схемы систем П1, В1 - В3, ВЕ1
   Установки систем П1, В1 - В3
   Воздуховод асбестоцементный
Силовое электрооборудование
   Общие данные
   Схема электрическая принципиальная питающей сети
   Схема электрическая принципиальная распределительной сети
   План расположения электрооборудования и прокладки электрических сетей на отм. 0.000
   План расположения электрооборудования и прокладки электрических сетей на отм. 3.300
Электрическое освещение
   Общие данные
   План расположения электрического оборудования и прокладки электрических сетей на отм. 0.000 и - 2.500
   План расположения электрического оборудования и прокладки электрических сетей на отм. 3.300
   Принципиальная схема питающей сети
Связь и сигнализация
   Общие данные
   План на отм. 0.000 расположения оборудования и прокладки сетей телефонизации, директорской связи, радиофикации, электрочасофикации
   План на отм. 3.300 расположения оборудования и прокладки сетей телефонизации, директорской связи, радиофикации, электрочасофикации
   Планы расположения оборудования телевидения. План кровли
   План на отм. 0.000 расположения оборудования и прокладки сети пожарной сигнализации
   План на отм. 3.300 расположения оборудования и прокладки сети пожарной сигнализации
   План на отм. - 2.500 расположения оборудования и прокладки сети пожарной сигнализации
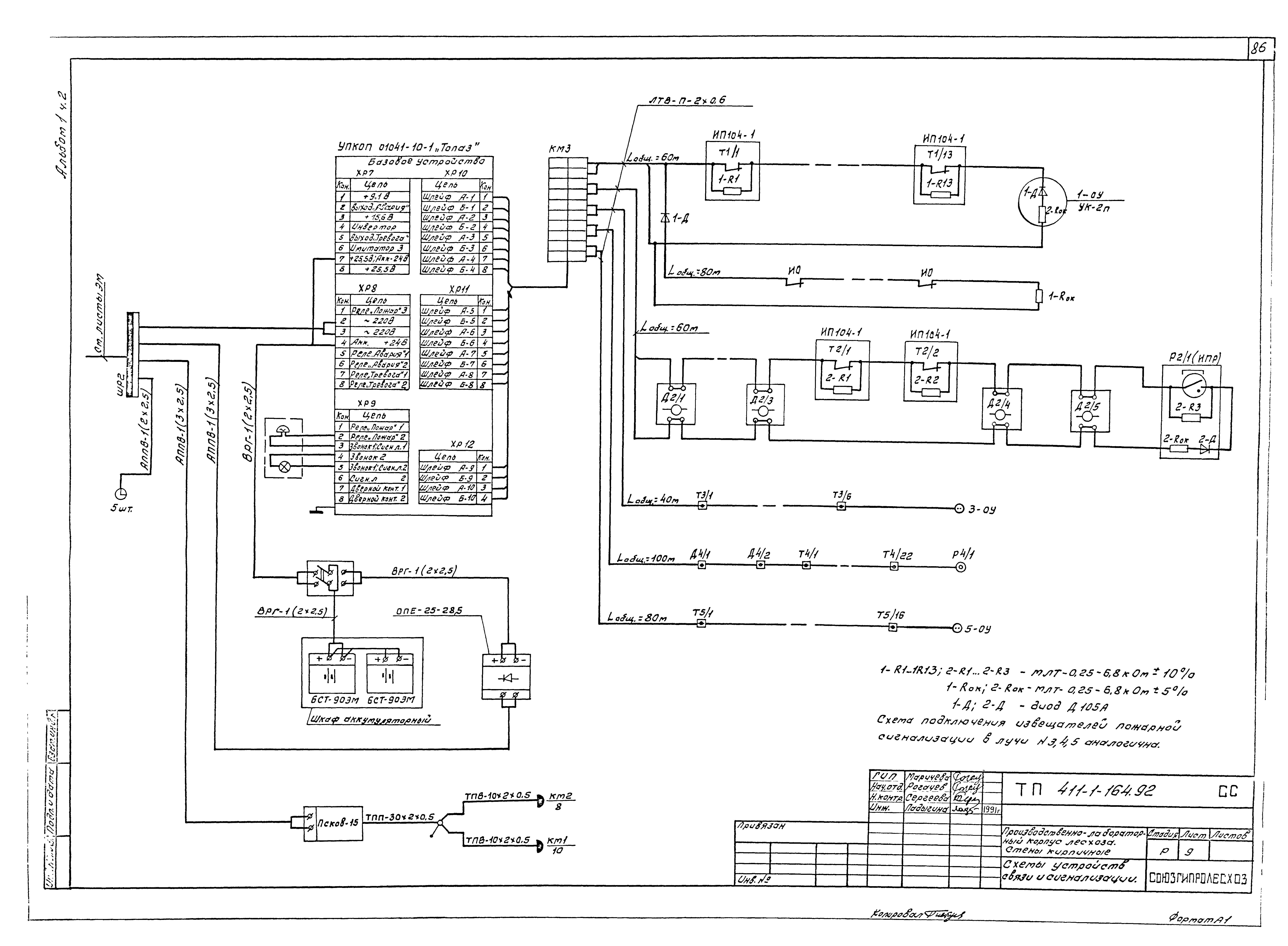
   Схемы устройств связи и сигнализации
Автоматизация санитарно-технических систем
   Общие данные
   Приточная система П1. Схема функциональная
   Приточная система П1. Схема электрическая принципиальная управления
   Приточная система П1. Схема внешних проводок. План расположения
   Узел управления теплового пункта. Схема функциональная. Схема трубных проводок
   Приточная система П1. Шкаф управления ШУ1. Чертеж общего вида
   Приточная система П1. Шкаф управления ШУ1. Технические данные аппаратов
   Приточная система П1. Шкаф управления ШУ1. Перечень надписей
   Приточная система П1. Шкаф управления ШУ1. Схема электрическая соединений
Разработан: Союзгипролесхоз
Утверждён:23.03.1992 Союзгипролесхоз (20)
Расположен в:Техническая документация Строительство Справочные документы Типовые строительные конструкции, изделия и узлы Общероссийский строительный каталог Промышленные предприятия, здания и сооружения Предприятия, здания и сооружения промышленности и электроэнергетики Промышленность лесозаготовительная
Типовой проект 411-1-164.92Типовой проект 411-1-164.92Типовой проект 411-1-164.92Типовой проект 411-1-164.92Типовой проект 411-1-164.92Типовой проект 411-1-164.92Типовой проект 411-1-164.92Типовой проект 411-1-164.92Типовой проект 411-1-164.92Типовой проект 411-1-164.92Типовой проект 411-1-164.92Типовой проект 411-1-164.92Типовой проект 411-1-164.92Типовой проект 411-1-164.92Типовой проект 411-1-164.92Типовой проект 411-1-164.92Типовой проект 411-1-164.92Типовой проект 411-1-164.92Типовой проект 411-1-164.92Типовой проект 411-1-164.92Типовой проект 411-1-164.92Типовой проект 411-1-164.92Типовой проект 411-1-164.92Типовой проект 411-1-164.92Типовой проект 411-1-164.92Типовой проект 411-1-164.92Типовой проект 411-1-164.92Типовой проект 411-1-164.92Типовой проект 411-1-164.92Типовой проект 411-1-164.92Типовой проект 411-1-164.92Типовой проект 411-1-164.92Типовой проект 411-1-164.92Типовой проект 411-1-164.92Типовой проект 411-1-164.92Типовой проект 411-1-164.92Типовой проект 411-1-164.92Типовой проект 411-1-164.92Типовой проект 411-1-164.92Типовой проект 411-1-164.92Типовой проект 411-1-164.92Типовой проект 411-1-164.92Типовой проект 411-1-164.92Типовой проект 411-1-164.92Типовой проект 411-1-164.92Типовой проект 411-1-164.92Типовой проект 411-1-164.92Типовой проект 411-1-164.92Типовой проект 411-1-164.92Типовой проект 411-1-164.92Типовой проект 411-1-164.92Типовой проект 411-1-164.92Типовой проект 411-1-164.92Типовой проект 411-1-164.92Типовой проект 411-1-164.92Типовой проект 411-1-164.92Типовой проект 411-1-164.92Типовой проект 411-1-164.92Типовой проект 411-1-164.92Типовой проект 411-1-164.92Типовой проект 411-1-164.92Типовой проект 411-1-164.92Типовой проект 411-1-164.92Типовой проект 411-1-164.92Типовой проект 411-1-164.92Типовой проект 411-1-164.92Типовой проект 411-1-164.92Типовой проект 411-1-164.92Типовой проект 411-1-164.92Типовой проект 411-1-164.92Типовой проект 411-1-164.92Типовой проект 411-1-164.92Типовой проект 411-1-164.92Типовой проект 411-1-164.92Типовой проект 411-1-164.92Типовой проект 411-1-164.92Типовой проект 411-1-164.92Типовой проект 411-1-164.92Типовой проект 411-1-164.92Типовой проект 411-1-164.92Типовой проект 411-1-164.92Типовой проект 411-1-164.92Типовой проект 411-1-164.92Типовой проект 411-1-164.92Типовой проект 411-1-164.92Типовой проект 411-1-164.92Типовой проект 411-1-164.92Типовой проект 411-1-164.92Типовой проект 411-1-164.92Типовой проект 411-1-164.92Типовой проект 411-1-164.92Типовой проект 411-1-164.92Типовой проект 411-1-164.92Типовой проект 411-1-164.92

© 2013 Ёшкин Кот :-) Карта сайта