Информационная система
«Ёшкин Кот»

Скачать базу одним архивом
Скачать обновления
История создания базы
Карта сайта

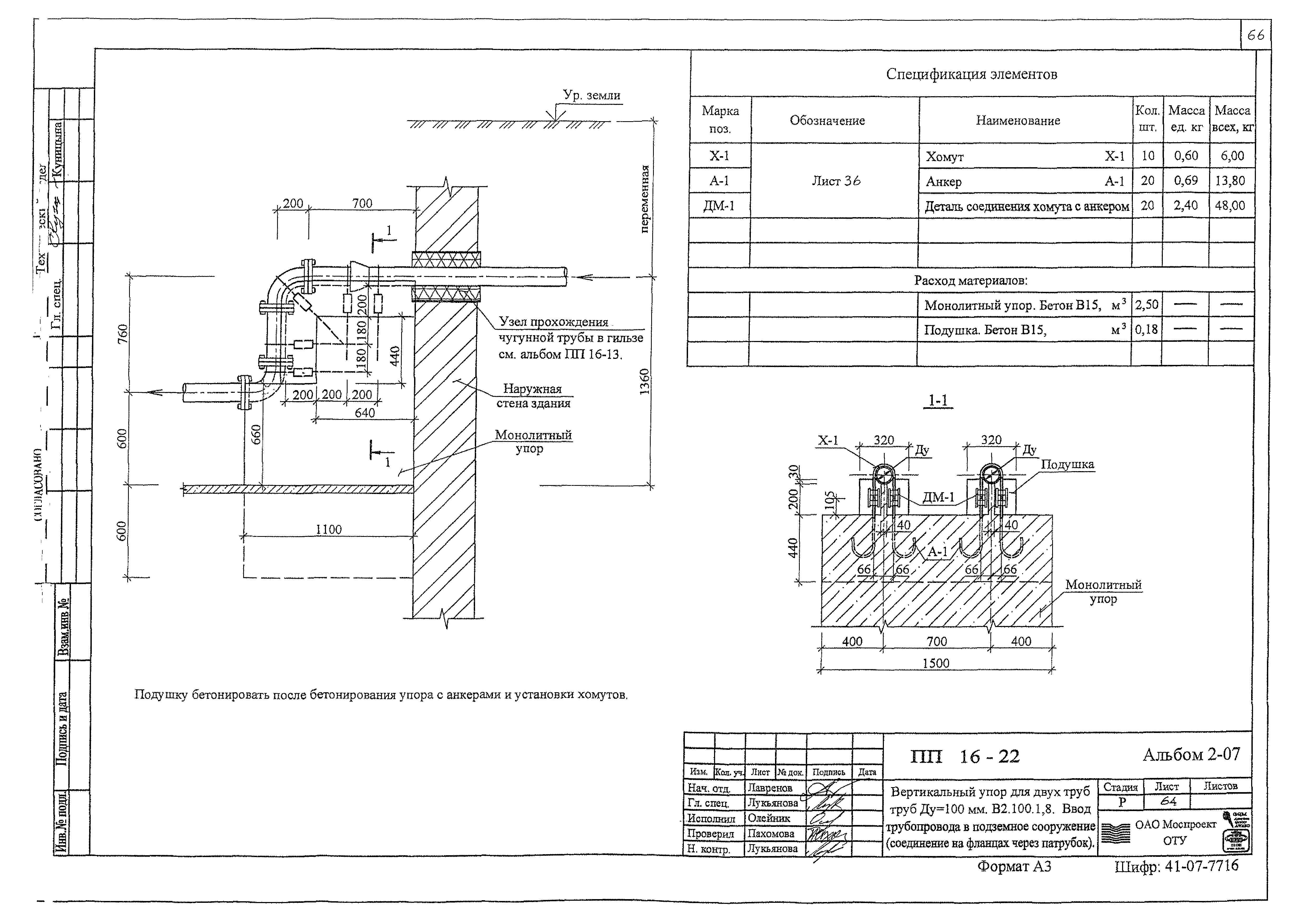
Скачать Альбом ПП 16-22 Альбом 2-07. Вертикальные упоры

Дата актуализации: 10.08.2017

Альбом ПП 16-22

Альбом 2-07. Вертикальные упоры

Обозначение: Альбом ПП 16-22
Обозначение англ: ПП 16-22
Статус:не определен законодательством
Название рус.:Альбом 2-07. Вертикальные упоры
Дата добавления в базу:01.10.2014
Дата актуализации:05.05.2017
Дата введения:19.01.2006
Оглавление:Общие данные
Ввод трубопровода в здание. Вариант 1 (через раструб)
   Вертикальный упор для одной трубы
   Вертикальный упор для двух труб
Ввод трубопровода в здание. Вариант 2 (через раструб)
   Вертикальный упор для двух труб
Ввод трубопровода в ЦТП, ИТП (без приямка)
   Вертикальный упор для одной трубы
   Вертикальный упор для двух труб
Ввод трубопровода в здание (без приямка)
   Вертикальный упор для двух труб
   Вертикальный упор для одной трубы
Ввод трубопровода в здание. Вариант 3 (соединение на фланцах через патрубок)
   Вертикальный упор для одной трубы
   Вертикальный упор для двух труб
Ввод трубопровода в здание. Вариант 4 (соединение на фланцах через ПФРК)
Ввод трубопровода в ЦТП, ИТП (через раструб)
   Вертикальный упор для одной трубы
   Вертикальный упор для двух труб
Ввод трубопровода в ЦТП, ИТП (соединение на фланцах через патрубок)
   Вертикальный упор для одной трубы
   Вертикальный упор для двух труб
Ввод трубопровода в подземное сооружение (соединение на фланцах через патрубок)
   Вертикальный упор для одной трубы
   Вертикальный упор для двух труб
Разработан: ОАО Моспроект
Утверждён:19.01.2006 ОАО Моспроект (Mosproject OAO 11)
Принят:18.08.2006 Мосводопровод
Расположен в:Техническая документация Строительство Справочные документы Типовые строительные конструкции, изделия и узлы Разработанные другими министерствами, ведомствами и организациями
Альбом ПП 16-22Альбом ПП 16-22Альбом ПП 16-22Альбом ПП 16-22Альбом ПП 16-22Альбом ПП 16-22Альбом ПП 16-22Альбом ПП 16-22Альбом ПП 16-22Альбом ПП 16-22Альбом ПП 16-22Альбом ПП 16-22Альбом ПП 16-22Альбом ПП 16-22Альбом ПП 16-22Альбом ПП 16-22Альбом ПП 16-22Альбом ПП 16-22Альбом ПП 16-22Альбом ПП 16-22Альбом ПП 16-22Альбом ПП 16-22Альбом ПП 16-22Альбом ПП 16-22Альбом ПП 16-22Альбом ПП 16-22Альбом ПП 16-22Альбом ПП 16-22Альбом ПП 16-22Альбом ПП 16-22Альбом ПП 16-22Альбом ПП 16-22Альбом ПП 16-22Альбом ПП 16-22Альбом ПП 16-22Альбом ПП 16-22Альбом ПП 16-22Альбом ПП 16-22Альбом ПП 16-22Альбом ПП 16-22Альбом ПП 16-22Альбом ПП 16-22Альбом ПП 16-22Альбом ПП 16-22Альбом ПП 16-22Альбом ПП 16-22Альбом ПП 16-22Альбом ПП 16-22Альбом ПП 16-22Альбом ПП 16-22Альбом ПП 16-22Альбом ПП 16-22Альбом ПП 16-22Альбом ПП 16-22Альбом ПП 16-22Альбом ПП 16-22Альбом ПП 16-22Альбом ПП 16-22Альбом ПП 16-22Альбом ПП 16-22Альбом ПП 16-22Альбом ПП 16-22Альбом ПП 16-22Альбом ПП 16-22Альбом ПП 16-22Альбом ПП 16-22Альбом ПП 16-22Альбом ПП 16-22

© 2013 Ёшкин Кот :-) Карта сайта