Информационная система
«Ёшкин Кот»

Скачать базу одним архивом
Скачать обновления
История создания базы
Карта сайта

Скачать Типовые проектные решения 407-0-108 Альбом II. Чертежи

Дата актуализации: 10.08.2017

Типовые проектные решения 407-0-108

Альбом II. Чертежи

Обозначение: Типовые проектные решения 407-0-108
Обозначение англ: 407-0-108
Статус:cправочные материалы, мп, тпр
Название рус.:Альбом II. Чертежи
Дата добавления в базу:01.10.2014
Дата актуализации:05.05.2017
Оглавление:Перечень листов
Расчетная схема при работе ответвления А7 и коротком замыкании между А1 и А7 и соответствующие коэффициенты уравнений (4) - (6)
Расчетная схема при работе ответвления А1 и коротком замыкании между А7 и А13 и соответствующие коэффициенты уравнений (4) - (6)
Расчетная схема при работе ответвления А13 и коротком замыкании между А1 и А7 и соответствующие коэффициенты уравнений (4) - (6)
Расчетная схема при работе ответвления А13 и коротком замыкании между А1 и А13 и соответствующие коэффициенты уравнений (4) - (6)
Расчетная схема при работе ответвления А1 и коротком замыкании между А1 и А7 и соответствующие коэффициенты уравнений (4) - (6)
Расчетная схема при работе ответвления А7 и коротком замыкании между А1 и А13 и соответствующие коэффициенты уравнений (4) - (6)
Расчетная схема при работе ответвления А7 и коротком замыкании между А7 и А13 и соответствующие коэффициенты уравнений (4) - (6)
Расчетная схема при работе ответвления А13 и коротком замыкании между А7 и А13 и соответствующие коэффициенты уравнений (4) - (6)
Расчетная схема при работе ответвления А1 и коротком замыкании между А1 и А13 и соответствующие коэффициенты уравнений (4) - (6)
Расчетные схема и соотношения для короткого замыкания между зажимами А7 и А13 при Z8 = бесконечность и Z9 = бесконечность в прямой последовательности и Z9 = 0 в нулевой последовательности
Расчетные схема и соотношения для короткого замыкания между зажимами А1 и А7 при Z8 = бесконечность и Z9 = бесконечность в прямой последовательности и Z9 = 0 в нулевой последовательности
Расчетные схема и соотношения для короткого замыкания между зажимами А1 и А13 при Z8 = бесконечность и Z9 = бесконечность в прямой последовательности и Z9 = 0 в нулевой последовательности
Расчетные схема и соотношения для короткого замыкания между зажимами А1 и А7 при Z7 = бесконечность и Z9 = бесконечность в прямой последовательности и Z9 = 0 в нулевой последовательности
Расчетные схема и соотношения для короткого замыкания между зажимами А7 и А13 при Z7 = бесконечность и Z9 = бесконечность в прямой последовательности и Z9 = 0 в нулевой последовательности
Расчетные схема и соотношения для короткого замыкания между зажимами А1 и А13 при Z7 = бесконечность и Z9 = бесконечность в прямой последовательности и Z9 = 0 в нулевой последовательности
Результаты расчета токов короткого замыкания при повреждениях ввода автотрансформаторов 3х167 МВА
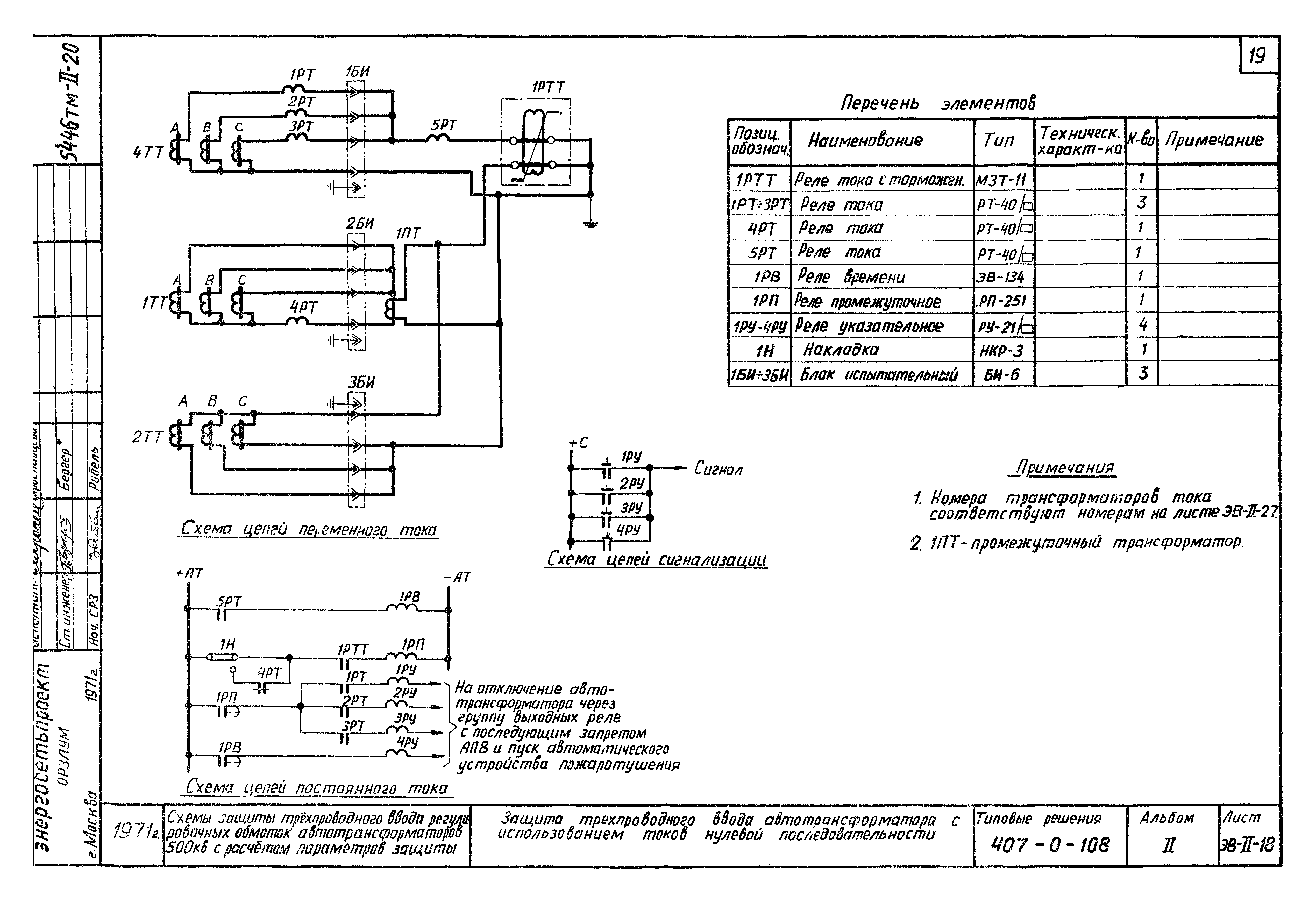
Защита трехпроводного ввода автотрансформатора с использованием токов нулевой последовательности
Схема пофазной защиты трехпроводного ввода
Результаты опытов короткого замыкания, проводимых на Запорожском трансформаторном заводе
Схема для выполнения измерений и таблица измерений выполненных на Троицкой ГРЭС
Расчет защиты трехпроводного ввода автотрансформатора АОДЦТН-167000/500
Схема расположения обмоток автотрансформаторов 3х167 МВА 500/230+-6х2%/11 - 38,5 кВ
Разработан: Энергосетьпроект Минэнерго СССР
Утверждён:17.11.1971 Минэнерго СССР (USSR Minenergo 372)
Расположен в:Техническая документация Строительство Справочные документы Типовые строительные конструкции, изделия и узлы Общероссийский строительный каталог Промышленные предприятия, здания и сооружения Предприятия, здания и сооружения промышленности и электроэнергетики Электроэнергетика Схемы электрические для подстанций и линий электропередачи
Типовые проектные решения 407-0-108Типовые проектные решения 407-0-108Типовые проектные решения 407-0-108Типовые проектные решения 407-0-108Типовые проектные решения 407-0-108Типовые проектные решения 407-0-108Типовые проектные решения 407-0-108Типовые проектные решения 407-0-108Типовые проектные решения 407-0-108Типовые проектные решения 407-0-108Типовые проектные решения 407-0-108Типовые проектные решения 407-0-108Типовые проектные решения 407-0-108Типовые проектные решения 407-0-108Типовые проектные решения 407-0-108Типовые проектные решения 407-0-108Типовые проектные решения 407-0-108Типовые проектные решения 407-0-108Типовые проектные решения 407-0-108Типовые проектные решения 407-0-108Типовые проектные решения 407-0-108Типовые проектные решения 407-0-108Типовые проектные решения 407-0-108Типовые проектные решения 407-0-108Типовые проектные решения 407-0-108Типовые проектные решения 407-0-108Типовые проектные решения 407-0-108Типовые проектные решения 407-0-108Типовые проектные решения 407-0-108

© 2013 Ёшкин Кот :-) Карта сайта